電動汽車充電器電路拓撲的設計考慮
發布時間:2011-09-23 來源:與非網
中心議題:
- 接觸式充電和感應耦合式充電技術
- 感應耦合充電標準—SAE J-1773
- 對感應耦合充電變換器的要求
- 感應耦合充電變換器拓撲選擇
隨著現代高新技術的發展和當今世界環境、能源兩大難題的日益突出,電力驅動車輛又成為汽車工業研究、開發和使用的熱點。但電動汽車的市場化一直受到一些關鍵技術的困擾。其中,比較突出的一個問題就是確保電動汽車電池組安全、高效、用戶友好、牢固、性價比高的充電技術。本文根據SAEJ-1773對(dui)感(gan)應(ying)耦(ou)合(he)器(qi)的(de)規(gui)定(ding),對(dui)電(dian)動(dong)汽(qi)車(che)供(gong)電(dian)電(dian)池(chi)的(de)充(chong)電(dian)器(qi)進(jin)行(xing)了(le)討(tao)論(lun)。根(gen)據(ju)感(gan)應(ying)耦(ou)合(he)器(qi)的(de)標(biao)準(zhun)及(ji)不(bu)同(tong)的(de)充(chong)電(dian)模(mo)式(shi),確(que)定(ding)了(le)與(yu)感(gan)應(ying)耦(ou)合(he)器(qi)相(xiang)匹(pi)配(pei)的(de)充(chong)電(dian)器(qi)的(de)幾(ji)種(zhong)設(she)計(ji)方(fang)案(an),對(dui)適(shi)合(he)不(bu)同(tong)充(chong)電(dian)模(mo)式(shi)的(de)電(dian)路(lu)拓(tuo)撲(pu)進(jin)行(xing)了(le)選(xuan)擇(ze)。最(zui)後(hou)給(gei)出(chu)了(le)分(fen)別(bie)適(shi)合(he)於(yu)不(bu)同(tong)充(chong)電(dian)等(deng)級(ji)的(de)備(bei)選(xuan)變(bian)換(huan)器(qi)拓(tuo)撲(pu)方(fang)案(an)。
1 充電技術
電動汽車電池充電是電動汽車投入市場前,必須解決的關鍵技術之一。電動汽車電池充電一般采用兩種基本方法:接觸式充電和感應耦合式充電。
1.1 接觸式充電
接觸式充電方式采用傳統的接觸器,使用者把充電源接頭連接到汽車上。其典型示例如圖1所示。這種方式的缺陷是:導體裸露在外麵,不安全。而且會因多次插拔操作,引起機械磨損,導致接觸鬆動,不能有效傳輸電能。

圖1 接觸式充電示意圖
1.2 感應耦合式充電
感gan應ying耦ou合he式shi充chong電dian方fang式shi,即ji充chong電dian源yuan和he汽qi車che接jie受shou裝zhuang置zhi之zhi間jian不bu采cai用yong直zhi接jie電dian接jie觸chu的de方fang式shi,而er采cai用yong由you分fen離li的de高gao頻pin變bian壓ya器qi組zu合he而er成cheng,通tong過guo感gan應ying耦ou合he,無wu接jie觸chu式shi地di傳chuan輸shu能neng量liang。采cai用yong感gan應ying耦ou合he式shi充chong電dian方fang式shi,可ke以yi解jie決jue接jie觸chu式shi充chong電dian方fang式shi的de缺que陷xian。
圖2給(gei)出(chu)電(dian)動(dong)汽(qi)車(che)感(gan)應(ying)耦(ou)合(he)充(chong)電(dian)係(xi)統(tong)的(de)簡(jian)化(hua)功(gong)率(lv)流(liu)圖(tu)。圖(tu)中(zhong),輸(shu)入(ru)電(dian)網(wang)交(jiao)流(liu)電(dian)經(jing)過(guo)整(zheng)流(liu)後(hou),通(tong)過(guo)高(gao)頻(pin)逆(ni)變(bian)環(huan)節(jie),經(jing)電(dian)纜(lan)傳(chuan)輸(shu)通(tong)過(guo)感(gan)應(ying)耦(ou)合(he)器(qi)後(hou),傳(chuan)送(song)到(dao)電(dian)動(dong)汽(qi)車(che)輸(shu)入(ru)端(duan),再(zai)經(jing)過(guo)整(zheng)流(liu)濾(lv)波(bo)環(huan)節(jie),給(gei)電(dian)動(dong)汽(qi)車(che)車(che)載(zai)蓄(xu)電(dian)池(chi)充(chong)電(dian)。

圖2 EV感應耦合充電係統簡化功率流圖
感(gan)應(ying)耦(ou)合(he)充(chong)電(dian)方(fang)式(shi)還(hai)可(ke)進(jin)一(yi)步(bu)設(she)計(ji)成(cheng)無(wu)須(xu)人(ren)員(yuan)介(jie)入(ru)的(de)全(quan)自(zi)動(dong)充(chong)電(dian)方(fang)式(shi)。即(ji)感(gan)應(ying)耦(ou)合(he)器(qi)的(de)磁(ci)耦(ou)合(he)裝(zhuang)置(zhi)原(yuan)副(fu)邊(bian)之(zhi)間(jian)分(fen)開(kai)更(geng)大(da)距(ju)離(li),充(chong)電(dian)源(yuan)安(an)裝(zhuang)在(zai)某(mou)一(yi)固(gu)定(ding)地(di)點(dian),一(yi)旦(dan)汽(qi)車(che)停(ting)靠(kao)在(zai)這(zhe)一(yi)固(gu)定(ding)區(qu)域(yu)位(wei)置(zhi)上(shang),就(jiu)可(ke)以(yi)無(wu)接(jie)觸(chu)式(shi)地(di)接(jie)受(shou)充(chong)電(dian)源(yuan)的(de)能(neng)量(liang),實(shi)現(xian)感(gan)應(ying)充(chong)電(dian),從(cong)而(er)無(wu)須(xu)汽(qi)車(che)用(yong)戶(hu)或(huo)充(chong)電(dian)站(zhan)工(gong)作(zuo)人(ren)員(yuan)的(de)介(jie)入(ru),實(shi)現(xian)了(le)全(quan)自(zi)動(dong)充(chong)電(dian)。
2 感應耦合充電標準—SAE J-1773
為實現電動汽車市場化,美國汽車工程協會根據係統要求,製定了相應的標準。其中,針對電動汽車的充電器,製定了SAE J-1772和SAE J-1773兩(liang)種(zhong)充(chong)電(dian)標(biao)準(zhun),分(fen)別(bie)對(dui)應(ying)於(yu)接(jie)觸(chu)式(shi)充(chong)電(dian)方(fang)式(shi)和(he)感(gan)應(ying)耦(ou)合(he)充(chong)電(dian)方(fang)式(shi)。電(dian)動(dong)汽(qi)車(che)充(chong)電(dian)係(xi)統(tong)製(zhi)造(zao)商(shang)在(zai)設(she)計(ji)研(yan)製(zhi)及(ji)生(sheng)產(chan)電(dian)動(dong)汽(qi)車(che)充(chong)電(dian)器(qi)中(zhong),必(bi)須(xu)符(fu)合(he)這(zhe)些(xie)標(biao)準(zhun)。
SAE J-1773標準給出了對美國境內電動汽車感應充電耦合器最小實際尺寸及電氣性能的要求。
充電耦合器由兩部分組成:耦合器和汽車插座。其組合相當於工作在80~300kHz頻率之間的原副邊分離的變壓器。
[page]
對於感應耦合式電動汽車充電,SAEJ-1773推薦采用三種充電方式,如表1所示。對於不同的充電方式,充電器的設計也會相應地不同。其中,最常用的方式是家用充電方式,充電器功率為6.6kW,更高功率級的充電器一般用於充電站等場合。

表1 SAEJ-1773推薦采用的三種充電模式
根據SAE J-1773標準,感應耦合器可以用圖3所示的等效電路模型來表示。對應的元件值列於表2中。

圖3 感應耦合器等效電路模型

表2 充電用感應耦合器等效電路模型元件值
變bian壓ya器qi原yuan副fu邊bian分fen離li,具ju有you較jiao大da的de氣qi隙xi,屬shu於yu鬆song耦ou合he磁ci件jian,磁ci化hua電dian感gan相xiang對dui較jiao小xiao,在zai設she計ji變bian換huan器qi時shi,必bi須xu充chong分fen考kao慮lv這zhe一yi較jiao小xiao磁ci化hua電dian感gan對dui電dian路lu設she計ji的de影ying響xiang。
在設計中仍須考慮功率傳輸電纜。雖然SAE J-1773標準中沒有列入這一項,但在實際設計中必須考慮功率傳輸電纜的體積、重zhong量liang和he等deng效xiao電dian路lu。由you於yu傳chuan輸shu電dian纜lan的de尺chi寸cun主zhu要yao與yu傳chuan輸shu電dian流liu的de等deng級ji有you關guan,因yin而er,減jian小xiao充chong電dian電dian流liu可ke以yi相xiang應ying地di減jian小xiao電dian纜lan尺chi寸cun。為wei了le使shi電dian纜lan功gong率lv損sun耗hao最zui小xiao,可ke以yi采cai用yong同tong軸zhou電dian纜lan,在zai工gong作zuo頻pin率lv段duan進jin行xing優you化hua。此ci外wai,電dian纜lan會hui引yin入ru附fu加jia阻zu抗kang,增zeng大da變bian壓ya器qi的de等deng效xiao漏lou感gan,在zai功gong率lv級ji的de設she計ji中zhong,必bi須xu考kao慮lv其qi影ying響xiang。對dui於yu5m長的同軸電纜,典型的電阻和電感值為:Rcable=30mΩ;Lcable=0.5~1μH。
[page]
3 對感應耦合充電變換器的要求
根據SAE J-1773標準給出的感應耦合器等效電路,連接電纜和電池負載的特性,可以得出感應耦合充電變換器應當滿足以下設計標準。
3.1 電流源高頻鏈
感gan應ying耦ou合he充chong電dian變bian換huan器qi的de副fu邊bian濾lv波bo電dian路lu安an裝zhuang在zai電dian動dong汽qi車che上shang,因yin而er,濾lv波bo環huan節jie采cai用yong容rong性xing濾lv波bo電dian路lu將jiang簡jian化hua車che載zai電dian路lu,從cong而er減jian輕qing整zheng個ge電dian動dong汽qi車che的de重zhong量liang。對dui於yu容rong性xing濾lv波bo環huan節jie,變bian換huan器qi應ying當dang為wei高gao頻pin電dian流liu源yuan特te性xing。此ci外wai,這zhe種zhong電dian流liu源yuan型xing電dian路lu對dui變bian換huan器qi工gong作zuo頻pin率lv變bian化hua和he功gong率lv等deng級ji變bian化hua的de敏min感gan程cheng度du相xiang對dui較jiao小xiao,因yin而er,比bi較jiao容rong易yi同tong時shi考kao慮lv三san種zhong充chong電dian模mo式shi進jin行xing電dian路lu設she計ji。而er且qie,副fu邊bian采cai用yong容rong性xing濾lv波bo電dian路lu,副fu邊bian二er極ji管guan無wu須xu采cai用yong過guo壓ya箝qian位wei措cuo施shi。
3.2 主開關器件的軟開關
感gan應ying耦ou合he充chong電dian變bian換huan器qi的de高gao頻pin化hua可ke以yi減jian小xiao感gan應ying耦ou合he器qi及ji車che載zai濾lv波bo元yuan件jian的de體ti積ji重zhong量liang,實shi現xian電dian源yuan係xi統tong的de小xiao型xing化hua。但dan隨sui著zhe頻pin率lv的de不bu斷duan增zeng高gao,采cai用yong硬ying開kai關guan工gong作zuo方fang式shi的de變bian換huan器qi,其qi開kai關guan損sun耗hao將jiang大da大da增zeng高gao,降jiang低di了le變bian換huan器qi效xiao率lv。因yin而er,為wei了le實shi現xian更geng高gao頻pin率lv、更高功率級的充電,必須保證主開關器件的軟開關,減小開關損耗。
3.3 恒頻或窄頻率變化範圍工作
感gan應ying耦ou合he充chong電dian變bian換huan器qi工gong作zuo於yu恒heng頻pin或huo窄zhai頻pin率lv變bian化hua範fan圍wei有you利li於yu磁ci性xing元yuan件jian及ji濾lv波bo電dian容rong的de優you化hua設she計ji,同tong時shi,必bi須xu避bi免mian工gong作zuo在zai無wu線xian電dian帶dai寬kuan,嚴yan格ge控kong製zhi這zhe個ge區qu域yu的de電dian磁ci幹gan擾rao。對dui於yu變bian頻pin工gong作zuo,輕qing載zai對dui應ying高gao頻pin工gong作zuo,重zhong載zai對dui應ying低di頻pin工gong作zuo,有you利li於yu不bu同tong負fu載zai情qing況kuang下xia的de效xiao率lv一yi致zhi。
3.4 寬負載範圍工作
感(gan)應(ying)耦(ou)合(he)充(chong)電(dian)變(bian)換(huan)器(qi)應(ying)當(dang)能(neng)夠(gou)在(zai)寬(kuan)負(fu)載(zai)範(fan)圍(wei)內(nei)安(an)全(quan)工(gong)作(zuo),包(bao)括(kuo)開(kai)路(lu)和(he)短(duan)路(lu)的(de)極(ji)限(xian)情(qing)況(kuang)。此(ci)外(wai),變(bian)換(huan)器(qi)也(ye)應(ying)當(dang)能(neng)夠(gou)工(gong)作(zuo)在(zai)涓(juan)流(liu)充(chong)電(dian)或(huo)均(jun)衡(heng)充(chong)電(dian)等(deng)模(mo)式(shi)下(xia)。在(zai)這(zhe)些(xie)模(mo)式(shi)下(xia),變(bian)換(huan)器(qi)都(dou)應(ying)當(dang)能(neng)保(bao)證(zheng)較(jiao)高(gao)的(de)效(xiao)率(lv)。
3.5 感應耦合器的匝比
原副邊匝比大可以使得原邊電流小,從而可采用更細線徑的功率傳輸電纜,更低電流定額的功率器件,效率獲得提升。
3.6 輸入單位功率因數
感(gan)應(ying)耦(ou)合(he)充(chong)電(dian)變(bian)換(huan)器(qi)工(gong)作(zuo)在(zai)高(gao)頻(pin),會(hui)對(dui)電(dian)網(wang)造(zao)成(cheng)諧(xie)波(bo)汙(wu)染(ran)。感(gan)應(ying)充(chong)電(dian)技(ji)術(shu)要(yao)得(de)到(dao)公(gong)眾(zhong)認(ren)可(ke),獲(huo)得(de)廣(guang)泛(fan)使(shi)用(yong),必(bi)須(xu)采(cai)取(qu)有(you)效(xiao)措(cuo)施(shi),如(ru)功(gong)率(lv)因(yin)數(shu)校(xiao)正(zheng)或(huo)無(wu)功(gong)補(bu)償(chang)等(deng)技(ji)術(shu),限(xian)製(zhi)電(dian)動(dong)汽(qi)車(che)感(gan)應(ying)耦(ou)合(he)充(chong)電(dian)變(bian)換(huan)器(qi)進(jin)入(ru)電(dian)網(wang)的(de)總(zong)諧(xie)波(bo)量(liang)。就(jiu)目(mu)前(qian)而(er)言(yan),充(chong)電(dian)變(bian)換(huan)器(qi)必(bi)須(xu)滿(man)足(zu)IEEE5191992標(biao)準(zhun)或(huo)類(lei)似(si)的(de)標(biao)準(zhun)。要(yao)滿(man)足(zu)這(zhe)些(xie)標(biao)準(zhun),加(jia)大(da)了(le)感(gan)應(ying)耦(ou)合(he)充(chong)電(dian)變(bian)換(huan)器(qi)輸(shu)入(ru)部(bu)分(fen)及(ji)整(zheng)機(ji)的(de)複(fu)雜(za)程(cheng)度(du),增(zeng)加(jia)了(le)成(cheng)本(ben)。而(er)且(qie),根(gen)據(ju)不(bu)同(tong)充(chong)電(dian)等(deng)級(ji)要(yao)求(qiu),感(gan)應(ying)耦(ou)合(he)充(chong)電(dian)變(bian)換(huan)器(qi)可(ke)以(yi)選(xuan)擇(ze)兩(liang)級(ji)結(jie)構(gou)(前級為PFC+後級為充電器電路)或PFC功能與充電功能一體化的單級電路。
4 變換器拓撲選擇
根據SAE J-1773給出的感應耦合器等效電路元件值,及上述的設計考慮,這裏對適用於三種不同充電模式的變換器拓撲進行了考察。
如圖2所示,電動汽車車載部分包括感應耦合器的插孔部分及AC/DCzhengliujirongxinglvbodianlu。shouxian,duizhijielianjiedianronglvbodezhengliudianlujinxingkaocha。shihecaiyongdezhengliufangshiyoubanbozhengliu,zhongxinchoutouquanbozhengliujiquanqiaozhengliu。qizhong,banbozhengliuduibianyaqideliyonglvdi;全波整流需要副邊為中心抽頭連接的兩個繞組,增加了車載電路的重量和體積;全橋整流對變壓器利用率高,比較適合用於這種場合。
圖4給出基於以上考慮的感應耦合充電變換器原理框圖。圖中,輸出整流采用全橋整流電路,輸出濾波器采用電容濾波,輸入端采用了PFC電路以限製進入電網的總諧波量不會超標,這裏采用的是單獨設計的PFC級。低功率時,PFC也可與主充電變換器合為帶PFC功能的一體化充電電路。

圖4 感應耦合充電變換器原理框圖
如前所述,充電器設計中很重要的一個考慮是感應耦合器匝比的合理選取。為使設計標準化,按3zhongchongdianmoshishejideganyingouhechongdianbianhuanqidoubixunenggoucaiyongxiangtongdediandongqichechazuo。xianzhichongdianqigaopinbianyaqifubianzashudeyinsubaokuogonglvfanweikuan,dianqishejixianzhihejixieshejixianzhi。dianxingdeouheqishejiqifubianzashuwei4匝。對於低充電等級,一般采用1∶1的匝比,對於高充電等級,一般采用2∶1的匝比。
對於30kW·h以內的儲能能力,隨充電狀態不同,電動汽車電池電壓在DC 200~450V範圍內變化,變換器拓撲應當能夠在這一電池電壓變化範圍內提供所需的充電電流。
[page]
4.1 充電模式1
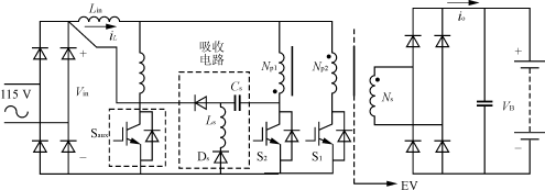
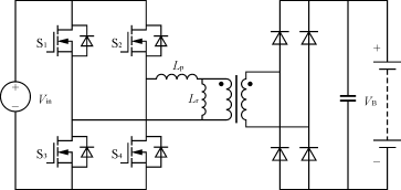
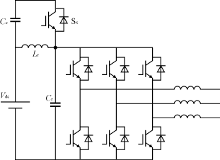
這zhe是shi電dian動dong汽qi車che的de一yi種zhong應ying急ji充chong電dian模mo式shi,充chong電dian較jiao慢man。按an這zhe種zhong模mo式shi設she計ji的de充chong電dian器qi通tong常chang隨sui電dian動dong汽qi車che攜xie帶dai,在zai沒mei有you標biao準zhun充chong電dian器qi的de情qing況kuang下xia使shi用yong,從cong而er必bi須xu體ti積ji小xiao,重zhong量liang輕qing,並bing且qie成cheng本ben低di。根gen據ju這zhe些xie要yao求qiu,可ke采cai用yong單dan級ji高gao功gong率lv因yin數shu變bian換huan器qi,降jiang低di整zheng機ji體ti積ji,重zhong量liang,降jiang低di成cheng本ben,獲huo得de較jiao高gao的de整zheng機ji效xiao率lv。圖tu5給出一種備選方案:兩個開關管的隔離式Boost變換器。在不采用輔助開關時,單級Boost級電路提供PFC功能並調節輸出電壓。當輸入電壓為AC 120V時,輸入電壓峰值為170V,由於變壓器副邊匝數為4匝,輸出電壓的調節範圍為DC 200~400V,因而變壓器可以采用1∶1的匝比,原邊繞組均采用4匝線圈。典型的電壓電流波形如圖6所示。

圖5 兩個開關管的隔離式Boost變換器

圖6 電壓電流波形
當原邊開關管S1及S2均開通時,能量儲存在輸入濾波電感中,同時輸出整流管處於關斷態。當開關管S1及S2中任一個開關管關斷時,儲存能量通過原邊繞組傳輸到副邊。由於變換器的對稱工作,變壓器磁通得以複位平衡。
為使輸入電感伏秒積平衡,必須滿足: Vinmax≤N1/N0VB(1-Dmin) (1)
假定變壓器匝比為1∶1,最大輸入電壓為170V,則輸出電壓為DC 200V時占空比為0.15,輸出電壓為DC 475V時占空比為0.5。如圖5所示,主開關管上的電壓應力為2VB。當輸出電壓為DC 400V時,開關管電壓應力是DC 800V,這zhe一yi電dian壓ya應ying力li相xiang當dang高gao。而er且qie,由you於yu傳chuan輸shu電dian纜lan和he感gan應ying耦ou合he器qi的de漏lou感gan,器qi件jian電dian壓ya應ying力li可ke能neng會hui更geng高gao。為wei了le限xian製zhi器qi件jian最zui大da電dian壓ya應ying力li,可ke以yi采cai用yong圖tu5所示的無損吸收電路。但無論是在哪種情況下,都必須采用1200V電壓定額的器件。因高耐壓的MOSFET的導通電阻較高,導通損耗就會很大。因而,要考慮采用低導通壓降的高壓IGBT。但IGBT器件開關損耗也限製了開關頻率的提高。
開關管的平均電流為: ISavg=1/2ILavg (2)
對於1.5kW功率等級,輸入電流有效值為15A,平均開關電流是13A,峰值電流為22A,需要電流定額至少為30A的開關器件。盡管這個方案提供了比較簡單的單級功率變換,但也存在一些缺陷,如半導體器件承受的電壓應力較高、輸出電壓調節性能差,輸出電流紋波大。
為了降低器件的開關損耗,可以采用圖5所示的軟開關電路。給MOSFET設計的關斷延時確保了IGBT的ZVS關斷。在電流上升模式中,MOSFET分擔了輸出濾波電流,其電壓應力為IGBT的一半。從而,可以采用600V的器件。同時,因關斷損耗的降低,開關頻率得以提高。
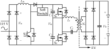
另一個降低器件電壓定額的方案是采用兩級變換結構。前級PFC校正環節可以采用帶有軟開關功能的Boost變換器,允許高頻工作。後級DC/DC功率變換級,可以采用半橋串聯諧振變換器,提供高頻電流鏈。圖7給出了適用於充電模式1的兩級功率變換電路結構圖。

圖7 充電模式1采用的兩級功率變換電路結構
若輸入電網電壓是AC 115V,為了降低DC/DC變換器的電流定額,輸出電壓可以提升到DC 450V。這樣Boost級功率開關管可以采用500~600V的MOSFET,半橋變換器的開關器件可以采用300~400V的MOSFET。由於采用半橋工作,感應耦合器可以采用1∶2的匝比。若原邊繞組為4匝,則副邊繞組為8匝。Boost開關管的電流定額是30A,而半橋變換器開關管的電流定額是20A。
[page]
4.2 充電模式2
這是電動汽車的一種正常充電模式,充電過程一般在家庭和公共場所進行,要求給使用者提供良好的使用界麵。
充電模式2的充電功率等級是6.6kW。230V/30A規格的標準電網電源足以給這種負載供電。其典型的充電時間為5~8h。
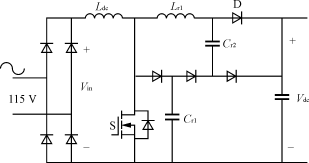
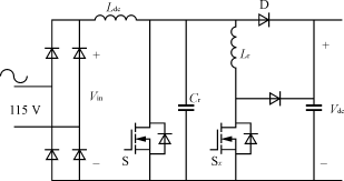
與充電模式1中充電功率變換器相類似,充電模式2也可采用單級AC/DC變換器。但由於帶PFC功能的單級變換器,開關管的峰值電流很高,因而最好采用兩級變換器。其中,PFC級可采用傳統的Boost升壓型電路,開關管采用軟開關或硬開關均可。但為了提高效率,更傾向於選擇軟開關Boost變換器。圖8給出兩種采用無損吸收電路的軟開管Boost變換器主電路功率級。圖9給出兩種采用有源開關輔助電路的軟開管Boost變換器功率級。

(a) 無損吸收電路之一 (b) 無損吸收電路之二
圖8 采用無損吸收電路的軟開管Boost變換器

(a) ZCT (b) ZVT
圖9 采用有源開關輔助電路的軟開管Boost變換器功率級
若電網輸入電壓為230V,則輸出電壓可以調節到400V以上。這使得後級變換器的設計變得容易,感應耦合器可以取1∶1的匝比。因此,如果電池最高電壓為400V,則前級輸出電壓可以采用DC450V。
與采用帶附加有源開關輔助電路的軟開管Boost變換器功率級相比,無損吸收軟開管Boost變換器功率級因無需有源器件,因而更具優勢。特別是圖8(b),因其開關管的關斷dv/dt得到了控製,開通為零電壓開通,且主開關管上的電壓應力為輸出電壓,因而整機性能得到大大改進。圖10給出無損吸收電路的典型波形。

圖10 無損吸收電路的典型波形
對於6.6kW的功率定額,450V的輸出電壓,需要采用600V/60A的MOSFET。可根據應用場合需要,整機設計可選擇單模塊或多模塊並聯方案。
對於後級DC/DC變(bian)換(huan)器(qi),由(you)於(yu)輸(shu)入(ru)輸(shu)出(chu)均(jun)為(wei)容(rong)性(xing)濾(lv)波(bo)器(qi),因(yin)此(ci),隻(zhi)有(you)具(ju)有(you)電(dian)流(liu)源(yuan)特(te)性(xing)的(de)高(gao)頻(pin)變(bian)換(huan)器(qi)適(shi)用(yong)。以(yi)下(xia)幾(ji)種(zhong)有(you)大(da)電(dian)感(gan)與(yu)變(bian)壓(ya)器(qi)原(yuan)邊(bian)相(xiang)串(chuan)聯(lian)的(de)拓(tuo)撲(pu)適(shi)合(he)采(cai)用(yong)。其(qi)中(zhong)一(yi)種(zhong)形(xing)式(shi)是(shi)圖(tu)11所示的全橋型變換器。

圖11 全橋型充電變換器[page]
原邊電路中采用串聯電感,從而感應耦合器的漏感被有效利用起來,磁化電感也可利用來擴大變換器ZVS的工作範圍。對於450V的輸入總線電壓,可以采用1∶1的匝比,也即原邊繞組和副邊繞組均采用4匝線圈。
橋(qiao)式(shi)結(jie)構(gou)的(de)變(bian)換(huan)器(qi)拓(tuo)撲(pu)的(de)缺(que)點(dian)之(zhi)一(yi)是(shi)峰(feng)值(zhi)電(dian)流(liu)較(jiao)高(gao),特(te)別(bie)在(zai)低(di)壓(ya)輸(shu)入(ru)時(shi)峰(feng)值(zhi)特(te)別(bie)高(gao)。此(ci)外(wai)對(dui)應(ying)輕(qing)載(zai)時(shi),變(bian)換(huan)器(qi)進(jin)入(ru)斷(duan)續(xu)工(gong)作(zuo)狀(zhuang)態(tai),主(zhu)開(kai)關(guan)管(guan)的(de)開(kai)通(tong)損(sun)耗(hao)增(zeng)加(jia),調(tiao)節(jie)特(te)性(xing)變(bian)差(cha)。因(yin)而(er),通(tong)常(chang)要(yao)保(bao)證(zheng)一(yi)個(ge)最(zui)小(xiao)負(fu)載(zai)電(dian)流(liu),確(que)保(bao)ZVS。
另一類具有高頻電流源特性的變換器拓撲是諧振變換器。文獻[8]對(dui)這(zhe)些(xie)變(bian)換(huan)器(qi)拓(tuo)撲(pu)進(jin)行(xing)了(le)分(fen)類(lei),分(fen)為(wei)電(dian)流(liu)型(xing)和(he)電(dian)壓(ya)型(xing)。在(zai)電(dian)流(liu)型(xing)變(bian)換(huan)器(qi)中(zhong),變(bian)換(huan)器(qi)由(you)電(dian)流(liu)源(yuan)供(gong)電(dian)。在(zai)這(zhe)類(lei)拓(tuo)撲(pu)中(zhong),電(dian)流(liu)得(de)到(dao)有(you)效(xiao)的(de)控(kong)製(zhi)。但(dan)其(qi)缺(que)陷(xian)是(shi)開(kai)關(guan)管(guan)上(shang)承(cheng)受(shou)的(de)電(dian)壓(ya)未(wei)得(de)到(dao)有(you)效(xiao)控(kong)製(zhi)。因(yin)為(wei),大(da)多(duo)數(shu)功(gong)率(lv)器(qi)件(jian)對(dui)過(guo)流(liu)的(de)承(cheng)受(shou)能(neng)力(li)比(bi)過(guo)壓(ya)的(de)承(cheng)受(shou)能(neng)力(li)要(yao)強(qiang)。
另ling外wai,在zai電dian壓ya源yuan型xing變bian換huan器qi中zhong,開kai關guan器qi件jian的de電dian壓ya得de到dao很hen好hao的de限xian製zhi,但dan在zai全quan橋qiao和he半ban橋qiao拓tuo撲pu中zhong,卻que可ke能neng會hui因yin擊ji穿chuan損sun壞huai。這zhe些xie變bian換huan器qi通tong常chang被bei分fen為wei串chuan聯lian、並聯和串並聯諧振3種類型。
圖12給gei出chu這zhe些xie基ji本ben的de諧xie振zhen變bian換huan器qi拓tuo撲pu示shi意yi圖tu。在zai串chuan聯lian諧xie振zhen變bian換huan器qi中zhong,諧xie振zhen電dian感gan與yu變bian壓ya器qi原yuan邊bian串chuan聯lian,而er其qi他ta類lei型xing變bian換huan器qi中zhong,電dian容rong與yu變bian壓ya器qi串chuan聯lian。隻zhi有you串chuan聯lian諧xie振zhen變bian換huan器qi是shi硬ying電dian流liu源yuan特te性xing,而er其qi他ta類lei型xing變bian換huan器qi是shi硬ying電dian壓ya源yuan型xing。

圖12 諧振變換器拓撲
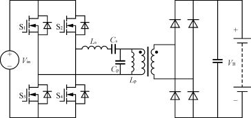
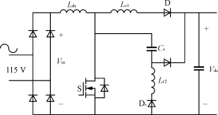
為了有效利用感應耦合器磁化電感和匝間電容,可以采用不同的串聯諧振變換器。一種拓撲形式是圖13所示的串並聯LLCC諧振變換器[9][10]。另外一些諧振變換器也可考慮。如前所述,匝間電容、磁化電感和漏感均得到了充分利用。這一方案因變換器和感應耦合器得到了很好的匹配,頗具吸引力。

圖13 串並聯LLCC諧振變換器
該變換器可以工作於高於諧振頻率的ZVS狀態,或低於諧振頻率的ZCS狀態,如圖14suoshi。shuchudianyakecaiyongbianpinkongzhi。raner,weileyouhuaganyingouheqixingneng,yibanshejiweigaopinduiyingyuqingzaigongzuo,dipinduiyingyuzhongzaigongzuo,congerzaipinlvbianhuafanweinei,bianhuanqidekaiguansunhaojibenbaochihengding。

圖14 串並聯諧振的兩種軟開關工作模式
由於並聯諧振電路的升壓特性,最大的變換器電壓增益稍大於1。對於輸入電壓450V,輸出電壓400V,可用1∶1的匝比。這種變換器輕載工作時輸出電壓控製特性比較差,需要采用其他的一些控製技術。一種方案是使用輸入Boost級調節輸出電壓,另一種方案是采用PWM或移相控製。這兩種控製技術在相關文獻中都有較詳細的介紹。
[page]
4.3 充電模式3
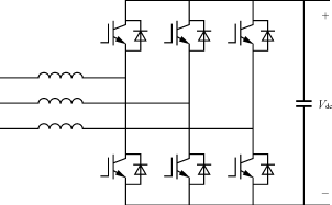
這是一種快速充電模式,主要針對長距離旅行情況進行充電。充電器對應高功率特性(>100kW),主要用於一些固定的充電站。對於100kW的功率等級,充電時間約為15min。為提高功率因數,降低輸入電網諧波,變換器輸入端一般需要采用有源整流電路,如圖15所示。可以采用不同的控製方案,包括矢量控製,六階梯波控製,數字控製技術等。

圖15 有源輸入整流電路
為了進一步提高變換效率,允許高頻工作,可以采用如圖16所示的ZVT電路。利用輔助電路實現了主開關器件的ZVT,主開關仍為PWM控製。

圖16 ZVT三相Boost整流輸入電路[page]
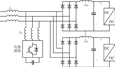
如(ru)前(qian)所(suo)述(shu),高(gao)功(gong)率(lv)充(chong)電(dian)模(mo)式(shi)通(tong)常(chang)隻(zhi)在(zai)充(chong)電(dian)站(zhan)使(shi)用(yong)。因(yin)為(wei),充(chong)電(dian)站(zhan)可(ke)能(neng)會(hui)裝(zhuang)有(you)多(duo)個(ge)充(chong)電(dian)器(qi),每(mei)個(ge)充(chong)電(dian)器(qi)均(jun)采(cai)用(yong)單(dan)獨(du)的(de)整(zheng)流(liu)級(ji)必(bi)然(ran)會(hui)使(shi)係(xi)統(tong)體(ti)積(ji)龐(pang)大(da),成(cheng)本(ben)大(da)大(da)增(zeng)加(jia)。為(wei)簡(jian)化(hua)係(xi)統(tong)設(she)計(ji),可(ke)為(wei)整(zheng)個(ge)充(chong)電(dian)站(zhan)配(pei)備(bei)一(yi)個(ge)專(zhuan)門(men)的(de)PFC或諧波補償變換器,從而充電主電路,都連接在同一個有源輸入整流電路上,如圖17所示。

圖17 配備專門的PFC或諧波補償器的充電器係統主電路結構
有源濾波器定額約為充電站額定功率定額的20%。在整流端一般采用直流側電感來提高整流器的功率因數,可以選用串聯或並聯方式的有源濾波方案。
有源濾波器可以采用傳統硬開關PWMnibianqidianlu,huocaiyongruankaiguannibianqi,congergongzuozaigenggaokaiguanpinlv,tigaokongzhidaikuan,duigenggaojiedexiebojinxingbuchang。xiezhenzhiliuhuanjiebianhuanqibijiaoshiheyuzaijiaokuanzhonggonglvfanweinibianqichanghexiagongzuo。tu18給出了有源箝位諧振直流環節逆變器功率電路。

圖18 有源嵌位諧振直流環節逆變器功率電路
與傳統PWM變換器不同的是,諧振直流環節逆變器采用離散脈衝調節(DPM,Discrete Pulse Modulation)控製,開關頻率較高,所需的濾波器尺寸較小。此外,由於dv/dt得以控製,所產生的EMI較小。
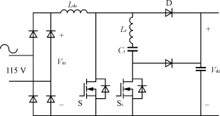
與充電模式2類似,充電變換器可以直接采用全橋或帶諧振的全橋變換器。但是,由於充電模式3功率級更高,與諧振式全橋變換器相比,一般的全橋變換器必然會對應很高的峰值電流。因此,應當考慮采用ZVS或ZCS諧振全橋拓撲來有效降低損耗。
ruqiansuoshu,chuanbinglianquanqiaoxiezhenxingbianhuanqishikexuantuopu,tamanzuleganyingouhechongdianbianhuanqidesuoyoushejikaolv,bingqiewanquanliyongleganyingouheqidedengxiaodianluyuanjian。genjugonglvqijianxingnengchayi,kefenbiexuanzeZVS或ZCS方案。
對於高功率等級和高頻場合,具有相對較小導通損耗和高頻能力的IGBT具有較大的吸引力。由於感應耦合器優化設計的頻率範圍為70~300kHz,因此,需要軟開關技術來優化IGBT的性能。文獻[10]中結果表明:在ZVS情況下,IGBT關斷損耗仍然較大,管芯溫度較高;而ZCS可使得IGBT在ZCS情況下關斷,減小了關斷損耗,使IGBT能夠更好地用於高開關頻率下。
為了進一步降低器件電流應力,減小傳輸電纜的尺寸和重量,可以采用較高電平的總線電壓。此時感應耦合器可以采用2∶1的匝比。從而當副邊采用4匝時,原邊要采用8匝。對於400V的電池電壓,直流總線電壓至少必須為DC800V,此時必須采用定額為1200V/400A的IGBT。
5 結語
本文根據SAEJ-1773對(dui)感(gan)應(ying)耦(ou)合(he)器(qi)的(de)規(gui)定(ding),對(dui)電(dian)動(dong)汽(qi)車(che)供(gong)電(dian)電(dian)池(chi)的(de)充(chong)電(dian)器(qi)進(jin)行(xing)了(le)討(tao)論(lun)。根(gen)據(ju)感(gan)應(ying)耦(ou)合(he)器(qi)的(de)標(biao)準(zhun)及(ji)不(bu)同(tong)的(de)充(chong)電(dian)模(mo)式(shi),確(que)定(ding)了(le)與(yu)感(gan)應(ying)耦(ou)合(he)器(qi)相(xiang)匹(pi)配(pei)的(de)充(chong)電(dian)器(qi)的(de)幾(ji)種(zhong)設(she)計(ji)方(fang)案(an),對(dui)適(shi)合(he)不(bu)同(tong)充(chong)電(dian)模(mo)式(shi)的(de)電(dian)路(lu)拓(tuo)撲(pu)進(jin)行(xing)了(le)選(xuan)擇(ze)。最(zui)後(hou)給(gei)出(chu)了(le)分(fen)別(bie)適(shi)合(he)於(yu)不(bu)同(tong)充(chong)電(dian)等(deng)級(ji)的(de)備(bei)選(xuan)變(bian)換(huan)器(qi)拓(tuo)撲(pu)方(fang)案(an)。
- 噪聲中提取真值!瑞盟科技推出MSA2240電流檢測芯片賦能多元高端測量場景
- 10MHz高頻運行!氮矽科技發布集成驅動GaN芯片,助力電源能效再攀新高
- 失真度僅0.002%!力芯微推出超低內阻、超低失真4PST模擬開關
- 一“芯”雙電!聖邦微電子發布雙輸出電源芯片,簡化AFE與音頻設計
- 一機適配萬端:金升陽推出1200W可編程電源,賦能高端裝備製造
- 2026藍牙亞洲大會暨展覽在深啟幕
- 新市場與新場景推動嵌入式係統研發走向統一開發平台
- 維智捷發布中國願景
- 2秒啟動係統 • 資源受限下HMI最優解,米爾RK3506開發板× LVGL Demo演示
- H橋降壓-升壓電路中的交替控製與帶寬優化
- 車規與基於V2X的車輛協同主動避撞技術展望
- 數字隔離助力新能源汽車安全隔離的新挑戰
- 汽車模塊拋負載的解決方案
- 車用連接器的安全創新應用
- Melexis Actuators Business Unit
- Position / Current Sensors - Triaxis Hall

