開關電源PCB 電磁兼容性的建模分析
發布時間:2011-10-08
中心議題:
- 開關電源的共模和差模噪聲路徑模型
- 開關電源電路主要元件的高頻模型
- 開關電源共模和差模噪聲的電路模型
開(kai)關(guan)型(xing)變(bian)換(huan)器(qi)噪(zao)聲(sheng)的(de)幹(gan)擾(rao)路(lu)徑(jing)為(wei)幹(gan)擾(rao)源(yuan)和(he)被(bei)幹(gan)擾(rao)設(she)備(bei)提(ti)供(gong)了(le)耦(ou)合(he)條(tiao)件(jian),對(dui)其(qi)共(gong)模(mo)幹(gan)擾(rao)和(he)差(cha)模(mo)幹(gan)擾(rao)的(de)研(yan)究(jiu)尤(you)為(wei)重(zhong)要(yao)。本(ben)文(wen)主(zhu)要(yao)分(fen)析(xi)了(le)電(dian)路(lu)主(zhu)要(yao)元(yuan)器(qi)件(jian)的(de)高(gao)頻(pin)模(mo)型(xing)以(yi)及(ji)共(gong)模(mo)和(he)差(cha)模(mo)噪(zao)聲(sheng)的(de)電(dian)路(lu)模(mo)型(xing),為(wei)開(kai)關(guan)電(dian)源(yuan)PCB 的EMC 優化設計提供有益的幫助。
開(kai)關(guan)電(dian)源(yuan)的(de)共(gong)模(mo)幹(gan)擾(rao)和(he)差(cha)模(mo)幹(gan)擾(rao)對(dui)電(dian)路(lu)的(de)影(ying)響(xiang)是(shi)不(bu)同(tong)的(de),通(tong)常(chang)低(di)頻(pin)時(shi)差(cha)模(mo)噪(zao)聲(sheng)占(zhan)主(zhu)導(dao)地(di)位(wei),高(gao)頻(pin)時(shi)共(gong)模(mo)噪(zao)聲(sheng)占(zhan)主(zhu)導(dao)地(di)位(wei),而(er)且(qie)共(gong)模(mo)電(dian)流(liu)的(de)輻(fu)射(she)作(zuo)用(yong)通(tong)常(chang)比(bi)差(cha)模(mo)電(dian)流(liu)的(de)輻(fu)射(she)作(zuo)用(yong)要(yao)大(da)得(de)多(duo),因(yin)此(ci),區(qu)分(fen)電(dian)源(yuan)中(zhong)的(de)差(cha)模(mo)幹(gan)擾(rao)和(he)共(gong)模(mo)幹(gan)擾(rao)是(shi)很(hen)有(you)必(bi)要(yao)的(de)。
為wei了le區qu分fen出chu差cha模mo幹gan擾rao和he共gong模mo幹gan擾rao,我wo們men首shou先xian需xu要yao對dui開kai關guan電dian源yuan的de基ji本ben耦ou合he方fang式shi進jin行xing研yan究jiu,在zai此ci基ji礎chu上shang我wo們men才cai能neng建jian立li差cha模mo噪zao聲sheng電dian流liu和he共gong模mo噪zao聲sheng電dian流liu的de電dian路lu路lu徑jing。開kai關guan電dian源yuan的de傳chuan導dao耦ou合he主zhu要yao有you:電路性傳導耦合、電容性耦合、電感性耦合以及這幾種耦合方式的混合。
1 共模和差模噪聲路徑模型
開關電源中由於高頻變壓器原副邊繞組之間存在的耦合電容CW、功率管與散熱器之間存在的雜散電容CK、功率管自身的寄生參數以及印製導線之間由於相互耦合而形成的互感、自感、互容、自容、阻抗等寄生參數而構成共模噪聲和差模噪聲通路,從而形成共模和差模傳導幹擾。在對功率開關器件、變壓器以及印製導線的電阻、電感、電容的寄生參數模型進行分析的基礎上,可獲得變換器的噪聲電流路徑模型。
2 電路主要元器件的高頻模型
功率開關管的內部寄生電感、電容影響到電路的高頻性能,這些電容使得高頻幹擾漏電流流向金屬基板,而且功率管與散熱器之間存在著一個雜散電容CK ,出於安全的原因,散熱器通常是接地的,這就提供了一條共模噪聲通路。
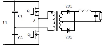
在PWM變換器工作時,伴隨著開關器件的工作,也相應產生了共模噪聲。如圖1 所示,對於半橋變換器,開關管Q1 的漏級電壓始終為U1,源級電位隨開關狀態的改變而在0 和U1/2 之間變化;Q2 的源極電位始終為0,漏極電位在0 和U1/2zhijianbianhua。weishikaiguanguanhesanreqinengbaochilianghaojiechu,wangwangzaikaiguanguandibuyusanreqizhijianjiashangjueyuandianpianhuozhemoshangdaorexingnenglianghaodejueyuanguijiao。zheshideA 點對地之間相當於存在一個並聯耦合電容CK。當開關管Q1、Q2 的狀態發生改變,使A 點電位發生變化時,就會在CK 上產生噪聲電流Ick,如圖2 所示。該電流由散熱器到達機殼,而機殼也即大地與主電源線存在耦合阻抗,形成圖2中虛線所示的共模噪聲通路。於是,共模噪聲電流在地與主電源線的耦合阻抗Z 上產生壓降,形成共模噪聲。

圖1 半橋變換器示意圖

圖2 開關管對地電容形成的共模電流回路[page]
隔ge離li變bian壓ya器qi是shi一yi種zhong廣guang泛fan使shi用yong的de電dian源yuan線xian幹gan擾rao抑yi製zhi措cuo施shi。其qi基ji本ben作zuo用yong是shi實shi現xian電dian路lu之zhi間jian的de電dian氣qi隔ge離li,解jie決jue由you地di線xian環huan路lu帶dai來lai的de設she備bei間jian相xiang互hu幹gan擾rao。對dui於yu理li想xiang的de變bian壓ya器qi,它ta隻zhi能neng傳chuan送song差cha模mo電dian流liu而er不bu能neng傳chuan送song共gong模mo電dian流liu,這zhe是shi因yin為wei對dui於yu共gong模mo電dian流liu,它ta在zai理li想xiang變bian壓ya器qi的de兩liang個ge端duan子zi之zhi間jian的de電dian位wei相xiang同tong,因yin此ci不bu能neng在zai繞rao組zu上shang產chan生sheng磁ci場chang,也ye就jiu不bu能neng夠gou有you共gong模mo電dian流liu通tong路lu了le,從cong而er起qi到dao了le抑yi製zhi共gong模mo噪zao聲sheng的de作zuo用yong。
而實際的隔離變壓器原邊和副邊之間有一個耦合電容CW,這個耦合電容是由於變壓器的繞組之間存在非電介質和物理間隙所產生的,它為共模電流提供了一個通路。
如圖2 所示,A dianshidianluzhongdianyabianhuazuiqiangdequyu,tayeshichanshengzaoshengdezuiqiangdequyu。bansuizhedianludegaopinkaiguangongzuo,gaidiandegaopindianyatongguobianyaqichucijizhijiandefenbudianrongCps、電源線對地線的阻抗、變壓器次級印製線自身的阻抗、電感、電容等參數,而形成變壓器的共模噪聲路徑。
普(pu)通(tong)隔(ge)離(li)變(bian)壓(ya)器(qi)對(dui)共(gong)模(mo)噪(zao)聲(sheng)有(you)一(yi)定(ding)的(de)抑(yi)製(zhi)作(zuo)用(yong),但(dan)因(yin)繞(rao)組(zu)間(jian)分(fen)布(bu)電(dian)容(rong)使(shi)它(ta)對(dui)共(gong)模(mo)幹(gan)擾(rao)的(de)抑(yi)製(zhi)效(xiao)果(guo)隨(sui)頻(pin)率(lv)升(sheng)高(gao)而(er)下(xia)降(jiang)。普(pu)通(tong)隔(ge)離(li)變(bian)壓(ya)器(qi)對(dui)共(gong)模(mo)幹(gan)擾(rao)的(de)抑(yi)製(zhi)作(zuo)用(yong)可(ke)用(yong)初(chu)次(ci)級(ji)間(jian)的(de)分(fen)布(bu)電(dian)容(rong)和(he)設(she)備(bei)對(dui)地(di)分(fen)布(bu)電(dian)容(rong)之(zhi)比(bi)值(zhi)來(lai)估(gu)算(suan)。通(tong)常(chang)初(chu)次(ci)級(ji)間(jian)的(de)分(fen)布(bu)電(dian)容(rong)為(wei)幾(ji)百(bai)pF,設備對地分布電容為幾~ 幾十nF,因而共模幹擾的衰減值在10~20 倍左右,即20~30dB。為wei了le提ti高gao隔ge離li變bian壓ya器qi對dui共gong模mo噪zao聲sheng的de抑yi製zhi能neng力li,關guan鍵jian是shi要yao耦ou合he電dian容rong小xiao,為wei此ci,可ke以yi在zai變bian壓ya器qi初chu次ci級ji間jian增zeng設she屏ping蔽bi層ceng。屏ping蔽bi層ceng對dui變bian壓ya器qi的de能neng量liang傳chuan輸shu無wu不bu良liang影ying響xiang,但dan影ying響xiang繞rao組zu間jian的de耦ou合he電dian容rong。帶dai屏ping蔽bi層ceng的de隔ge離li變bian壓ya器qi除chu了le能neng抑yi製zhi共gong模mo幹gan擾rao外wai,利li用yong屏ping蔽bi層ceng還hai可ke以yi抑yi製zhi差cha模mo幹gan擾rao,具ju體ti做zuo法fa是shi將jiang變bian壓ya器qi屏ping蔽bi層ceng接jie至zhi初chu級ji的de中zhong線xian端duan。對dui50Hz 工gong頻pin信xin號hao來lai說shuo,由you於yu初chu級ji與yu屏ping蔽bi層ceng構gou成cheng的de容rong抗kang很hen高gao,故gu仍reng能neng通tong過guo變bian壓ya器qi效xiao應ying傳chuan遞di到dao次ci級ji,而er未wei被bei衰shuai減jian。對dui頻pin率lv較jiao高gao的de差cha模mo幹gan擾rao,由you於yu初chu級ji與yu屏ping蔽bi層ceng之zhi間jian的de容rong抗kang變bian小xiao,使shi這zhe部bu分fen幹gan擾rao經jing由you分fen布bu電dian容rong及ji屏ping蔽bi層ceng與yu初chu級ji中zhong線xian端duan的de連lian線xian直zhi接jie返fan回hui電dian網wang,而er不bu進jin入ru次ci級ji回hui路lu。
因此,對變壓器的高頻建模非常重要,特別是變壓器的許多寄生參數,例如:漏感,原副邊之間的分布電容等,它們對共模EMI 電dian平ping的de高gao低di有you著zhe顯xian著zhe的de影ying響xiang,必bi須xu加jia以yi考kao慮lv。實shi際ji中zhong,可ke以yi使shi用yong阻zu抗kang測ce量liang設she備bei對dui變bian壓ya器qi的de主zhu要yao參can數shu進jin行xing測ce量liang,從cong而er獲huo得de這zhe些xie參can數shu並bing進jin行xing仿fang真zhen分fen析xi。
半橋電路中的直流電解電容Cin有相應的串聯等效電感ESL 和串聯等效電阻,這兩個參數也影響到電路的高頻性能,一般情況下ESL 大約在幾十nH 左右。在實際分析中,無源元件,如電阻器、電感器和電容器的高頻等效寄生參數可用高頻阻抗分析儀測得,功率器件的高頻模型可以從電路仿真軟件的模型庫中得到。
另外一個對電路的高頻噪聲影響較大的因素是印製板上印製導線(帶狀線)的(de)相(xiang)互(hu)耦(ou)合(he),當(dang)一(yi)個(ge)高(gao)幅(fu)度(du)的(de)瞬(shun)變(bian)電(dian)流(liu)或(huo)快(kuai)速(su)上(shang)升(sheng)的(de)電(dian)壓(ya)出(chu)現(xian)在(zai)靠(kao)近(jin)載(zai)有(you)信(xin)號(hao)的(de)導(dao)體(ti)附(fu)近(jin),就(jiu)將(jiang)產(chan)生(sheng)幹(gan)擾(rao)問(wen)題(ti)。印(yin)製(zhi)導(dao)線(xian)的(de)耦(ou)合(he)情(qing)況(kuang)通(tong)常(chang)用(yong)電(dian)路(lu)和(he)導(dao)線(xian)的(de)互(hu)容(rong)和(he)互(hu)感(gan)來(lai)表(biao)征(zheng),容(rong)性(xing)耦(ou)合(he)引(yin)發(fa)耦(ou)合(he)電(dian)流(liu),感(gan)性(xing)耦(ou)合(he)引(yin)發(fa)耦(ou)合(he)電(dian)壓(ya)。PCB 板層的參數、信號線的走線和相互之間的間距對這些參數都有影響。
建jian立li印yin刷shua電dian路lu板ban走zou線xian高gao頻pin模mo型xing和he提ti取qu走zou線xian間jian寄ji生sheng參can數shu的de主zhu要yao困kun難nan是shi決jue定ding印yin刷shua板ban線xian條tiao單dan位wei長chang度du的de電dian容rong量liang和he單dan位wei長chang度du的de電dian感gan量liang。通tong常chang有you三san種zhong方fang法fa可ke以yi用yong來lai決jue定ding電dian感gan、電容矩陣元件:(1)有限差分法(FDM);(2)有限元法(FEM);(3)動量法(MOM)。
當單位長度矩陣被精確的決定以後,通過多導體傳輸線或部分元等效電路(PEE C)理論,就可以得到印刷電路板走線的高頻仿真模型。Cadence 軟件是一種強大的EDA 軟件,它的SpecctraQuest 工具可以對PCB 進行信號完整性和電磁兼容性分析,用它也可以對印刷電路板走線進行高頻建模,實現對給定結構的PCB 進行參數提取,並且生成任意形狀印製導線走線的電感、電容、電阻等寄生參數矩陣,然後利用PEEC 理論,就可以進行EMC 仿真分析。
3 共模和差模噪聲的電路模型
tongchangdianluzhongdegongmoganraohechamoganraoshitongshicunzaide,gongmoganraocunzaiyudianyuanderenyiyigexiangxianyudadizhijian,chamoganraocunzaiyuxiangxianyuxiangxianzhijian。faguoGrenoble 電技術實驗室的Teuling、Schnaen 和Roudet 基於由MOSFET 構成的400W、開關頻率為100KHz 的斬波電路實驗模型的研究表明,低頻時差模幹擾占主導地位;高頻時,共模幹擾占主導地位,這說明開關電源的差模幹擾和共模幹擾對電路的影響程度是不同的;另一方麵,線路寄生參數對差模幹擾和共模幹擾的影響也不同,由於線間阻抗與線———dizukangbutong,ganraojingchangjulichuanshuhou,chamofenliangdeshuaijianyaobigongmoda。yinci,weilejiejuekaiguandianyuandechuandaozaoshengwenti,xuyaoshouxianqufengongmohechamoganrao,zhejiuxuyaojianligongmohechamozaoshenglujing,ranhouduitamenfenbiejinxingfangzhenhefenxi,zhezhongfangfabianyuwomenzhaodaodianciganraowentidegenyuan,bianyuwentidejiejue。
[page]
在工程上可以用電流探頭來判斷電源是共模還是差模占主導地位,探頭先單獨環繞每根導線,得出單根導線的感應值;然ran後hou再zai環huan繞rao兩liang根gen導dao線xian,探tan測ce其qi感gan應ying情qing況kuang,如ru果guo感gan應ying值zhi是shi增zeng加jia的de,則ze線xian路lu中zhong的de幹gan擾rao電dian流liu是shi共gong模mo的de,反fan之zhi是shi差cha模mo的de。在zai理li論lun分fen析xi中zhong,針zhen對dui不bu同tong的de係xi統tong,需xu要yao分fen別bie建jian立li它ta們men的de共gong模mo和he差cha模mo噪zao聲sheng電dian流liu模mo型xing,在zai我wo們men上shang述shu分fen析xi的de基ji礎chu上shang,綜zong合he考kao慮lv功gong率lv器qi件jian的de高gao頻pin模mo型xing和he印yin製zhi導dao線xian相xiang互hu耦ou合he關guan係xi,我wo們men得de到dao了le半ban橋qiaoQRC 變換器的共模和差模幹擾電路模型,它示於圖3。圖中的LISN(Line ImpedenceStabilizing network) 是EMC 檢測規定的線性阻抗固定網絡。因為對於50Hz 工頻信號LISN 的電感表現為低阻抗,電容表現為高阻抗,所以對工頻信號LISN 基本不衰減,電源可以經LISN 輸送到半橋變換器中。而對於高頻噪聲,LISN 的電感表現為大阻抗,電容可以視為短路,所以LISN 阻止了高頻噪聲在待測設備和電網之間的傳送,因此,LISN 起到了為共模和差模幹擾電流在所需測量的頻段(典型值為100KHz ~30MHz)提供一個固定的阻抗(50ohm)的作用。

圖3 半橋QR C 變換器的噪聲模型
在上圖中,共模噪聲電流分別從兩套LISN 出發,經過電路開關器件、變壓器、PCB 印製導線、副邊電路,又回到LISN 形成共模噪聲電流回路。差模噪聲電流則在兩套LISN、印製導線、開關器件、變壓器之間形成回路。共模噪聲和差模噪聲可以分別取自兩套LISN的電阻上電壓的之差的一半或之和的一半。
即:

所以:

用同樣的方法,可以很方便的得到其它拓撲的傳導幹擾電路模型。
- 噪聲中提取真值!瑞盟科技推出MSA2240電流檢測芯片賦能多元高端測量場景
- 10MHz高頻運行!氮矽科技發布集成驅動GaN芯片,助力電源能效再攀新高
- 失真度僅0.002%!力芯微推出超低內阻、超低失真4PST模擬開關
- 一“芯”雙電!聖邦微電子發布雙輸出電源芯片,簡化AFE與音頻設計
- 一機適配萬端:金升陽推出1200W可編程電源,賦能高端裝備製造
- 2026藍牙亞洲大會暨展覽在深啟幕
- 新市場與新場景推動嵌入式係統研發走向統一開發平台
- 維智捷發布中國願景
- 2秒啟動係統 • 資源受限下HMI最優解,米爾RK3506開發板× LVGL Demo演示
- H橋降壓-升壓電路中的交替控製與帶寬優化
- 車規與基於V2X的車輛協同主動避撞技術展望
- 數字隔離助力新能源汽車安全隔離的新挑戰
- 汽車模塊拋負載的解決方案
- 車用連接器的安全創新應用
- Melexis Actuators Business Unit
- Position / Current Sensors - Triaxis Hall

