小型DC/DC開關電源的容性負載研究
發布時間:2011-10-10 來源:廣州金升陽科技有限公司
中心議題:
- 開關電源對容性負載的要求
- 提高開關電源容性負載能力的方法
- 容性負載設計的典型案例
- 容性負載能力的應用
在DC/DC開關電源的應用中,輸出負載端外接電容能起到濾波、抑(yi)製(zhi)幹(gan)擾(rao)的(de)作(zuo)用(yong),在(zai)某(mou)些(xie)大(da)容(rong)性(xing)負(fu)載(zai)動(dong)態(tai)跳(tiao)變(bian)的(de)設(she)備(bei)中(zhong),要(yao)求(qiu)電(dian)源(yuan)輸(shu)出(chu)端(duan)有(you)快(kuai)速(su)響(xiang)應(ying),這(zhe)就(jiu)要(yao)求(qiu)開(kai)關(guan)電(dian)源(yuan)有(you)較(jiao)強(qiang)的(de)帶(dai)容(rong)性(xing)負(fu)載(zai)的(de)能(neng)力(li),並(bing)且(qie)有(you)好(hao)的(de)穩(wen)定(ding)性(xing)能(neng)。在(zai)開(kai)關(guan)電(dian)源(yuan)的(de)設(she)計(ji)過(guo)程(cheng)中(zhong),要(yao)充(chong)分(fen)理(li)解(jie)並(bing)實(shi)現(xian)客(ke)戶(hu)負(fu)載(zai)使(shi)用(yong)的(de)特(te)殊(shu)要(yao)求(qiu),必(bi)須(xu)分(fen)析(xi)開(kai)關(guan)電(dian)源(yuan)容(rong)性(xing)負(fu)載(zai)能(neng)力(li)的(de)兩(liang)種(zhong)不(bu)同(tong)狀(zhuang)態(tai)要(yao)求(qiu)。
1 容性負載的要求
開kai關guan電dian源yuan的de基ji本ben特te性xing中zhong,一yi般ban並bing沒mei有you對dui容rong性xing負fu載zai能neng力li做zuo出chu嚴yan格ge的de規gui範fan。一yi般ban電dian源yuan都dou可ke帶dai相xiang當dang容rong性xing的de負fu載zai,但dan考kao慮lv到dao電dian源yuan的de過guo流liu保bao護hu能neng力li,尤you其qi是shi輸shu出chu短duan路lu保bao護hu,容rong性xing負fu載zai能neng力li不bu可ke能neng太tai大da,否fou則ze保bao護hu能neng力li變bian差cha。對dui於yu多duo路lu輸shu出chu的de模mo塊kuai所suo帶dai容rong性xing負fu載zai,其qi分fen配pei原yuan則ze是shi電dian容rong的de存cun儲chu總zong能neng量liang不bu能neng超chao過guo0.25J,包括主路的電容存儲能量與輔助電路的存儲能量的總和(1/2∑CU2)。依此計算,在設計中最大容性負載的選取如見表l(電路和輸出功率不同的模塊的最大容性負載會各不相同,實際選用和使用時需要參照相關給定的技術參數手冊)在實際設計和應用中,開關電源輸出容性負載能力由以下兩種要求來調試和測試:

1)電源穩定工作,僅負載由空載到滿載跳變,輸出電壓穩定
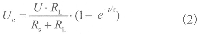
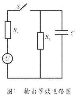
當模塊正常工作時,DC/DC開關電源可以等效為電壓源,其輸出等效電路圖和簡化後的等效電路圖分別如圖1和圖2所示。其中,U是輸出電壓,RS是等效內阻,RL是輸出負載電阻,C是輸出電容,

根據圖2有

可認為開關S閉合前電容電壓UC為零,由式(1)可得

由上述計算,可以看出電容電壓VC是按指數規律不斷上升,要使輸出電壓更快更穩定的建立,電源輸出內阻要小,一般通過高增益、快速響應的輸出穩壓反饋環路,可以實現性能的改善和提高。[page]
但由於存在輸出電感的儲能,電壓反饋和前端峰值電流控製的作用,電容電壓並不完全是由零開始上升的指數波形,見圖3。

shuchudianyadewendingguochengzhong,yifangmianyoushuchulvbodiangandechunenglaizhububuchong,lingyifangmianyoufankuihuankongzhidianluyuanbiankuaisushuchugengdagonglv。shuchudiangandequzhiyibanyoudianliuwenboxishuλ和電源的空載特性來確定,為了避免容性跳變輸出電壓過大的下衝,使控製電路達到極限,電感的取值要大於λ的理論值計算所得數值,但同時也要考慮輸出失載時的電壓上衝幅度,所以輸出電感也不能太大,大的電感一般不易製作、成本較高,所以電感的實際取值可以用實驗的方法得到。圖4給出了輸出電感Lout不同取值時,容性負載突變時輸出電感電流的跳變波形和最大的容性負載能力。

圖4 輸出電感電流波形
由you實shi驗yan得de出chu輸shu出chu電dian感gan大da的de模mo塊kuai帶dai的de容rong性xing負fu載zai大da,電dian感gan儲chu能neng有you助zhu於yu輸shu出chu電dian壓ya的de穩wen定ding,限xian流liu保bao護hu電dian路lu工gong作zuo時shi間jian短duan,但dan響xiang應ying時shi間jian會hui相xiang應ying長chang一yi些xie。
2)模塊帶輸出電容啟動,輸出電壓穩定
dangmokuaidaidadianrongqidongshi,xuduidianrongxunsuchongdian,yiweichishuchudianyawending,qidongshunjianhuichanshengyigedadedianliu。qidongguochengzhongdadianliuchixushijiantaichang,mokuaikongzhixinpiandebaohugongnengjiuhuidadaojixian,huichuxianqidongbuliangxianxiangjishuchudianyabunengzhengchangjianli;lingwai,rongxingfuzaidedaxiaozhijieyingxiangshuchudianyadeshangshengshijian,zaiyouyangeshuchudianyashangshengshijianyaoqiudehuanjingzhongjiuhuichuxianyingyongguzhang。yibanzikuidianyuandeshuchudianyahegongdiandianyashizhengbiguanxi,zaishuchudadaozhengchangdianyazhiqian,xinpianVCC無法滿足供電要求。因此啟動電路的供電方式和VCC電容的儲能也是決定容性負載能力的重要因素。
2 提高開關電源容性負載能力的方法
如果輔助電源是獨立電源,可以用軟啟動的方法使輸出電壓緩慢建立。對自饋供電來說,軟啟動時間長就難以啟動,這時要增加VCC電容容量。VCC容量大,對單獨依靠芯片內部電流環起短路保護的模塊會有影響,因此必須在容性負載和過流(及短路保護)之間找一下平衡點。
適shi當dang使shi限xian流liu電dian阻zu取qu值zhi減jian小xiao,相xiang當dang於yu提ti高gao電dian源yuan的de輸shu出chu功gong率lv,用yong於yu增zeng加jia啟qi動dong過guo程cheng中zhong提ti供gong給gei輸shu出chu端duan負fu載zai能neng量liang。調tiao節jie反fan饋kui環huan路lu參can數shu,使shi運yun放fang光guang耦ou等deng集ji成cheng元yuan件jian退tui飽bao和he速su度du加jia快kuai,可ke以yi解jie決jue容rong性xing負fu載zai跳tiao變bian時shiOVERSHOOT嚴重的問題,即提高了電源的穩定性能。
3 容性負載設計的典型案例
在Forward DC/DC變換器設計時,設計人員根據容性負載能力的兩項基本要求,通過調整限流電阻、啟動電容的大小等相關參數,參照理論計算值,進行調試和測試,金升陽係列型號(VRB_LD_15W)DC/DC模塊的容性負載能力大大增強,滿足客戶在各種特殊環境中的廣泛應用。
4 容性負載能力的應用和總結
容性負載的需求大小與應用環境密切相關,容性負載能力是基於短路性能、過(guo)載(zai)保(bao)護(hu)能(neng)力(li)之(zhi)間(jian)的(de)平(ping)衡(heng)選(xuan)擇(ze)。在(zai)具(ju)有(you)特(te)殊(shu)規(gui)格(ge)要(yao)求(qiu)的(de)模(mo)塊(kuai)設(she)計(ji)中(zhong),一(yi)定(ding)要(yao)對(dui)上(shang)述(shu)參(can)數(shu)進(jin)行(xing)優(you)化(hua)調(tiao)試(shi),做(zuo)到(dao)最(zui)優(you)設(she)計(ji),滿(man)足(zu)特(te)定(ding)的(de)應(ying)用(yong)要(yao)求(qiu)。
- 噪聲中提取真值!瑞盟科技推出MSA2240電流檢測芯片賦能多元高端測量場景
- 10MHz高頻運行!氮矽科技發布集成驅動GaN芯片,助力電源能效再攀新高
- 失真度僅0.002%!力芯微推出超低內阻、超低失真4PST模擬開關
- 一“芯”雙電!聖邦微電子發布雙輸出電源芯片,簡化AFE與音頻設計
- 一機適配萬端:金升陽推出1200W可編程電源,賦能高端裝備製造
- 一秒檢測,成本降至萬分之一,光引科技把幾十萬的台式光譜儀“搬”到了手腕上
- AI服務器電源機櫃Power Rack HVDC MW級測試方案
- 突破工藝邊界,奎芯科技LPDDR5X IP矽驗證通過,速率達9600Mbps
- 通過直接、準確、自動測量超低範圍的氯殘留來推動反滲透膜保護
- 從技術研發到規模量產:恩智浦第三代成像雷達平台,賦能下一代自動駕駛!
- 車規與基於V2X的車輛協同主動避撞技術展望
- 數字隔離助力新能源汽車安全隔離的新挑戰
- 汽車模塊拋負載的解決方案
- 車用連接器的安全創新應用
- Melexis Actuators Business Unit
- Position / Current Sensors - Triaxis Hall





