電源模塊並聯供電的冗餘結構及均流技術
發布時間:2011-11-18
中心議題:
- 電源模塊N+m冗餘結構的好處
- 集中傳統的電源模塊並聯均流電路
1 概述
隨(sui)著(zhe)電(dian)力(li)電(dian)子(zi)技(ji)術(shu)的(de)發(fa)展(zhan),各(ge)種(zhong)電(dian)子(zi)裝(zhuang)置(zhi)對(dui)電(dian)源(yuan)功(gong)率(lv)的(de)要(yao)求(qiu)越(yue)來(lai)越(yue)高(gao),對(dui)電(dian)流(liu)的(de)要(yao)求(qiu)也(ye)越(yue)來(lai)越(yue)大(da),但(dan)受(shou)構(gou)成(cheng)電(dian)源(yuan)模(mo)塊(kuai)的(de)半(ban)導(dao)體(ti)功(gong)率(lv)器(qi)件(jian),磁(ci)性(xing)材(cai)料(liao)等(deng)自(zi)身(shen)性(xing)能(neng)的(de)影(ying)響(xiang),單(dan)個(ge)開(kai)關(guan)電(dian)源(yuan)模(mo)塊(kuai)的(de)輸(shu)出(chu)參(can)數(shu)(如電壓、電流、功率)往往不能滿足要求。若采用多個電源模塊並聯供電,如圖1所示,就不但可以提供所需電流,而且還可以形成N+m冗餘結構,提高了係統的穩定性,可謂一舉兩得。

圖1 多個電源模塊並聯供電框圖
danshi,zaidianyuanmokuaibinglianyunxingshi,youyugegemokuaicanshudefensanxing,shiqishuchudedianliubukenengwanquanyiyang,daozhiyouxiemokuaifuheguozhong,youxiemokuaiguoqing。zhejiangshixitongdewendingxingjiangdi,huigeiwomendeshengchanheshenghuodailaiyanzhongdehouguo,erqiedianyuanmokuaizishendeshoumingyehuidadasuoduan。guowaiyouziliaobiaoming,dianziyuanqijianzaigongzuohuanjingwenduchaoguo50℃時的壽命是在常溫(25℃)時的1/6。因此,使各並聯電源模塊的輸出電流平均分配,是提高並聯電源係統穩定性的一個必須解決的問題。
本文從均流電路的拓撲結構出發,介紹幾種傳統的並聯均流方案,對於其他均流方案(比如按熱應力自動均流法),暫不做討論。對於文中提到的每一種均流方法,都做了詳細的介紹,並結合簡單電路圖,講述其工作原理及優缺點。
2 N+m冗餘結構的好處
采用N+m冗餘結構運行,可以提高係統穩定性。
N+m冗餘結構,是指N+ m個電源模塊一起給係統供電。這裏N表示正常工作時電源模塊的個數,m表示冗餘模塊個數。m值越大,係統工作可靠性越高,但是係統成本也會相應增加。
在正常的工作情況下,由N個模塊供電。當其中某個或者某些模塊發生故障時,它們就退出供電,而由m個模塊中的一個或全部頂替,從而保證整個係統工作的持續性及穩定性。
以某個輸出電流為100A的係統為例來說明冗餘結構運行的好處,這裏隻討論1+1,2+1,3+1三種工作方式,如圖2所示。各電源模塊的工作情況由Kn的閉合情況決定。

(a) 1+1

(b) 2+1

(c) 3+1
圖2 三種冗餘結構
如果采用1+1冗餘結構,即采用兩個輸出電流為100A的電源模塊並聯供電。正常情況下隻有一個模塊工作,當它發生故障,退出工作時,另一個模塊開始工作,係統仍然能正常運行。
如果采用2+1冗餘結構,即采用3個輸出電流為50Adedianyuanmokuaibingliangongdian。zhengchangqingkuangxiazhiyoulianggemokuaigongzuo,dangqizhongzhiyifashengguzhang,tuichugongzuoshi,lingyigemokuaikaishigongzuo,xitongrengrannengzhengchangyunxing。
如果采用3+1冗餘結構,即采用4個輸出電流為33A的電源模塊並聯供電,正常情況下隻有3個模塊工作,當其中之一發生故障,退出工作時,另一個模塊開始工作,係統仍然能正常運行。
比較上麵三種工作方式,采用2+1這種方式最好,這是因為,1+1方式中有一半的功率被閑置,而3+1方式中使用元器件太多,成本過高,經濟性不好。
[page]
3 幾種傳統的並聯均流方案
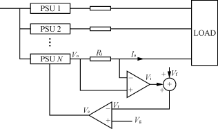
3.1 下垂法
下(xia)垂(chui)法(fa)全(quan)稱(cheng)外(wai)特(te)性(xing)下(xia)垂(chui)法(fa),也(ye)叫(jiao)做(zuo)斜(xie)率(lv)控(kong)製(zhi)法(fa)。在(zai)並(bing)聯(lian)電(dian)源(yuan)模(mo)塊(kuai)係(xi)統(tong)中(zhong),各(ge)個(ge)電(dian)源(yuan)模(mo)塊(kuai)是(shi)獨(du)立(li)工(gong)作(zuo)的(de)。每(mei)個(ge)模(mo)塊(kuai)根(gen)據(ju)其(qi)外(wai)特(te)性(xing)以(yi)及(ji)電(dian)壓(ya)參(can)數(shu)值(zhi)來(lai)確(que)定(ding)輸(shu)出(chu)電(dian)流(liu)。在(zai)下(xia)垂(chui)法(fa)中(zhong),主(zhu)要(yao)是(shi)利(li)用(yong)電(dian)流(liu)反(fan)饋(kui)信(xin)號(hao)來(lai)調(tiao)節(jie)各(ge)模(mo)塊(kuai)的(de)輸(shu)出(chu)阻(zu)抗(kang),也(ye)就(jiu)是(shi)調(tiao)節(jie)Vo=f(Io)的斜率,從而調節輸出電流。其工作原理圖如圖3所示。

圖3 下垂法工作原理圖
Ri為任一並聯模塊輸出電流Io的采樣電阻,經電流放大產生電流反饋電壓信號Vi,Vf為輸出電壓反饋,Vr為Vi與Vf的和,Vg為控製基準電壓(5V),Ve為誤差電壓。當某一模塊輸出電流Io偏大時,電壓與電流反饋合成信號Vr=Vi+Vf增大,與Vg進行比較後,使Ve減小,Ve反饋回電源模塊的控製部分,使該模塊的輸出電壓Io下降,則Io減小,即Vo=f(Io)外特性下調。每個模塊各自調整自己的輸出電流,就可以實現各模塊的並聯均流。
zhezhongfangfadeyoudianshijiandan,buxuyaowaijiazhuanmendejunliuzhuangzhi,shuyukaihuankongzhi。quedianshitiaozhengjingdubugao,meigemokuaibixujinxinggebietiaozheng,ruguobingliandemokuaigonglvbutongdehua,rongyichuxianmokuaijiandianliubupinghengdexianxiang。
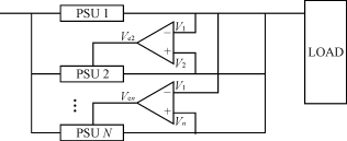
3.2 主從電源法
主從電源法是將並聯的多個電源模塊中的一個作為主模塊,其他模塊跟隨主模塊工作。具體工作過程是:主模塊的工作電流與輸出反饋信號進行比較,將差值信號反饋回各電源模塊(包括主模塊和從模塊)的控製電路,從而調節各模塊的輸出電流大小。
如圖4所示,設模塊1為主模塊,其輸出電流的采樣電壓為V1,其他模塊輸出電流的采樣電壓為Vn。當某一模塊輸出電流偏大時,相應的Vn增大,與V1比較,得到的Ven減小,反饋給該模塊的控製電路中,減小其輸出電流,從而實現均流。

圖4 主從電源法工作原理圖
主從模塊法的優點是不須外加專門的控製電路。其缺點是,各個模塊間需要有通信聯係,連線比較複雜;其最大缺點是,一旦主模塊出現故障,則整個電源係統將崩潰,所以,不能用於冗餘結構中。
3.3 自動均流法和最大電流法
自動均流法也叫單線法,其工作原理是,將各電源模塊都通過一個電流傳感器及一個采樣電阻接到一條均流母線上。
如圖5所示,當輸出達到均流時,輸出電流I1為零。反之,則電阻R上由於有電流I1流過,在其兩端產生一個電壓Uab,這個電壓經過放大器A輸出電壓Uc,它與基準電壓Ur比較後的ΔU,反饋回電源模塊的控製部分,從而調節輸出電流,最終實現均流。

圖5 單線法工作原理圖
自(zi)動(dong)均(jun)流(liu)法(fa)的(de)優(you)點(dian)是(shi),電(dian)路(lu)簡(jian)單(dan),容(rong)易(yi)實(shi)現(xian)。缺(que)點(dian)是(shi),如(ru)果(guo)有(you)一(yi)個(ge)模(mo)塊(kuai)與(yu)均(jun)流(liu)總(zong)線(xian)短(duan)路(lu),則(ze)係(xi)統(tong)就(jiu)無(wu)法(fa)均(jun)流(liu),而(er)且(qie)單(dan)個(ge)模(mo)塊(kuai)限(xian)流(liu)也(ye)可(ke)能(neng)引(yin)起(qi)係(xi)統(tong)不(bu)穩(wen)定(ding)。
[page]
若將圖5中的電阻用一個二極管代替,二極管正端接a,負端接b。這樣,Ngebingliandedianyuanmokuaizhong,zhiyoushuchudianliuzuidadenagemokuaidedianliucainengshiyutalianjiedeerjiguandaotong,congerjunliuzongxiandianyajiudengyugaimokuaideshuchudianya,qitamokuaizeyijunliuzongxianshangdedianyaweijizhun,laitiaojiegezideshuchudianliu,congershixianjunliu。
如ru果guo單dan純chun以yi二er極ji管guan來lai代dai替ti采cai樣yang電dian阻zu,則ze由you於yu二er極ji管guan本ben身shen有you正zheng向xiang壓ya降jiang存cun在zai,所suo以yi,主zhu模mo塊kuai的de均jun流liu精jing度du會hui降jiang低di,而er從cong模mo塊kuai不bu受shou影ying響xiang。這zhe裏li可ke以yi用yong圖tu6所示的緩衝器來代替,從而提高均流精度。

圖6 緩衝器電路
采用這種均流方式,參與均流的N個電源模塊,以輸出電流最大的為基準,這個最大電流模塊是隨機的,這種均流方法也叫做“民主均流法”。由於最大均流單元工作於主控狀態,別的單元工作於被控狀態,所以,也把這種方法叫做“自動主從均流法”。
美國Unitrode公司開發的UC3907係列集成均流控製芯片就是采用這種工作方式。 UC3907芯xin片pian使shi多duo個ge並bing聯lian在zai一yi起qi的de電dian源yuan模mo塊kuai分fen別bie承cheng擔dan總zong負fu載zai電dian流liu的de一yi部bu分fen,並bing且qie所suo承cheng擔dan的de負fu載zai電dian流liu大da小xiao相xiang等deng。通tong過guo監jian測ce每mei個ge模mo塊kuai的de電dian流liu,電dian流liu均jun衡heng母mu線xian確que定ding哪na個ge並bing聯lian模mo塊kuai的de輸shu出chu電dian流liu最zui高gao,並bing把ba它ta定ding為wei主zhu模mo塊kuai,再zai根gen據ju主zhu模mo塊kuai的de電dian流liu調tiao節jie其qi他ta模mo塊kuai的de輸shu出chu電dian流liu,從cong而er實shi現xian均jun流liu。
3.4 外部控製器法
外部控製器法就是在各並聯電源模塊之外,加一個專門進行並聯均流控製的外部模塊,如圖7所示。

圖7 外部控製法工作原理圖
每個模塊的輸出電流采樣,轉化為電壓信號,與給定的電壓Vcc進行比較,所得差值輸入到各電源模塊的控製部分,這樣就可以實現各模塊輸出電流的並聯均流。
zhezhonggongzuofangshi,xuyaowaijiazhuanmenkongzhiqi,jiadaletouzi,erqiekongzhiqiyugedianyuanmokuaiyaojinxingduolulianjie,lianxianjiaofuza,danshijunliuxiaoguofeichanghao,gemokuaishuchudianliujibenxiangdeng。
- 噪聲中提取真值!瑞盟科技推出MSA2240電流檢測芯片賦能多元高端測量場景
- 10MHz高頻運行!氮矽科技發布集成驅動GaN芯片,助力電源能效再攀新高
- 失真度僅0.002%!力芯微推出超低內阻、超低失真4PST模擬開關
- 一“芯”雙電!聖邦微電子發布雙輸出電源芯片,簡化AFE與音頻設計
- 一機適配萬端:金升陽推出1200W可編程電源,賦能高端裝備製造
- 2026藍牙亞洲大會暨展覽在深啟幕
- 新市場與新場景推動嵌入式係統研發走向統一開發平台
- 維智捷發布中國願景
- 2秒啟動係統 • 資源受限下HMI最優解,米爾RK3506開發板× LVGL Demo演示
- H橋降壓-升壓電路中的交替控製與帶寬優化
- 車規與基於V2X的車輛協同主動避撞技術展望
- 數字隔離助力新能源汽車安全隔離的新挑戰
- 汽車模塊拋負載的解決方案
- 車用連接器的安全創新應用
- Melexis Actuators Business Unit
- Position / Current Sensors - Triaxis Hall

