開關電源並聯均流技術
發布時間:2011-12-01
中心議題:
1引言
在實際應用中,往往由於一台直流穩定電源的輸出參數(如電壓、電流、功率)不能滿足要求,而滿足這種參數要求的直流穩定電源,存在重新開發、設計、生產的過程,勢必加大電源的成本、延長交貨時間、影ying響xiang工gong程cheng進jin度du。因yin此ci在zai實shi用yong中zhong往wang往wang采cai用yong模mo塊kuai化hua的de構gou造zao方fang法fa,采cai用yong一yi定ding規gui格ge係xi列lie的de模mo塊kuai式shi電dian源yuan,按an照zhao一yi定ding的de串chuan聯lian或huo並bing聯lian方fang式shi,分fen別bie達da到dao輸shu出chu電dian壓ya、輸出電流、輸出功率擴展的目的。
但是電源輸出參數的擴展,僅僅通過簡單的串、並聯方式還不能完全保證整個擴展後的電源係統穩定可靠的工作。不論電源模塊是擴壓還是擴流,均存在一個“均壓”、“均流”的問題,而解決方法的不同,對整個電源擴展係統的穩定性、可靠性都有很大的影響。由於目前穩定電源輸出擴流應用較多,本文僅討論開關電源並聯均流技術。均流的主要任務是:
(1)當負載變化時,每台電源的輸出電壓變化相同。
(2)使每台電源的輸出電流按功率份額均攤。
2提高係統可靠性方法
(1)在電源並聯擴流過程中,為了提高係統工作穩定性,可采用N+m冗餘的方法。其中m表示冗餘份數,m值越大,係統工作可靠性越高,但是係統成本也相應增加。
(2)采用均流技術保證係統正常工作。在電源並聯擴流中,應用較為廣泛的辦法是自動均流技術。它通過取樣、dianzikongzhitiaojiehuanlulaibaozhengzhenggexitongdeshuchudianliuanmeigedanyuandeshuchunenglijuntan,yidadaojichongfenfahuimeigedanyuandeshuchunengli,youbaozhengmeigedanyuankekaogongzuodemude。
(3)均流技術應滿足條件:
·所有電源模塊單元應采用公共總線。
·整個係統應有良好的均流瞬態響應特性。
·整個並聯輸出擴流係統有一個公共控製電路。
(4)常用的幾種並聯均流技術:
·改變單元輸出內阻法(斜率控製法)
·主/從控製法(master/slave)
·外部控製電路法
·平均電流型自動負載均流法
·最大電流自動均流法(自動主/從法、民主均流法)
·強迫均流法
3關於均流技術中常用的一些概念
3.1穩壓源(CV)
電路框圖和特性曲線分別如圖1(a)、(b)所示,輸出電壓UO=RFUREF/R1
3.2穩流源(CC)
電路框圖和特性曲線分別如圖2(a)、(b)所示,輸出電流IO=RFUREF/(RSR1)
特性曲線如圖3所示
4常用幾種均流技術的工作原理
4.1改變單元輸出內阻法(斜率控製法、電壓下垂式、輸出特性斜率控製式)
實現方式:
·UO固定,改變斜率
·斜率固定,改變輸出電壓
(1)工作原理和特性曲線
當單元輸出電流IO1增加時,IO1在電流檢測電阻RS上的壓降增加,致使A1輸出電壓增加,與單元電壓反饋信號Uf疊加後送至A2反相輸入端,經A2放大後輸出Ur變負,利用這個Ur電壓控製單元輸出電流,從而實現均流。
由圖4(b)可以看出:當典型值△UO=±0.1%,△Uslope=±2%,則△Imax=0.05Imax,即調整精度為5%。這種調節精度對大多數調節係統來說是能接受的。
[page]
(2)改變單元輸出內阻法(斜率法)特點
·小電流時均流效果較差,這點可從公式
△Imax=0.05Imax看出。
·大電流時均流效果較好。
·對電壓源來說,內阻RO(斜率)應越小越好,但是這種均流方法利用改變RO來實現均流,降低了電源輸出的負載特性,即以犧牲電路的技術指標來實現均流。
·隨著微處理器技術的發展,這種方法很容易實現程控,從而實現比較理想的均流控製特性。
4.2主/從控製法(Master/Slave)
(1)工作框圖
見圖5,在這種工作方式下用n個單元,其中一個單元(主控單元)工作在電壓源(CV)方式,其餘n-1個單元工作於電流源(CC)方式,利用來自輸出電流的誤差電壓△U來實現均流控製。它實際上是由電壓環(外環)和電流環(內環)構成電流控製型的雙環控製,或說成是電壓控製的電流源。
(2)主要特點
·一旦主控單元出現故障則整個係統崩潰。
·由於電壓環工作頻帶寬,易受噪聲幹擾。
·主/從單元間必須要有通訊聯係,所以整個係統較複雜。
·可靠性取決於主模塊,隻能均流,不能構成冗餘係統。
·適用於n個功率單元的係統。
4.3外部電路控製法
(1)工作原理
每(mei)一(yi)個(ge)單(dan)元(yuan)加(jia)一(yi)個(ge)輸(shu)出(chu)電(dian)流(liu)檢(jian)測(ce)電(dian)路(lu)來(lai)檢(jian)測(ce)它(ta)的(de)電(dian)流(liu),產(chan)生(sheng)的(de)反(fan)饋(kui)信(xin)號(hao)調(tiao)節(jie)每(mei)個(ge)單(dan)元(yuan)的(de)電(dian)流(liu),從(cong)而(er)達(da)到(dao)各(ge)單(dan)元(yuan)間(jian)輸(shu)出(chu)均(jun)流(liu)的(de)目(mu)的(de)。在(zai)這(zhe)種(zhong)情(qing)況(kuang)下(xia),每(mei)個(ge)單(dan)元(yuan)間(jian)應(ying)有(you)公(gong)共(gong)總(zong)線(xian)。
(2)優缺點
·這zhe種zhong控kong製zhi方fang法fa均jun流liu效xiao果guo較jiao好hao,但dan是shi每mei個ge單dan元yuan需xu附fu加jia一yi個ge電dian流liu控kong製zhi電dian路lu,成cheng為wei控kong製zhi環huan路lu的de一yi部bu分fen,需xu滿man足zu環huan路lu的de總zong體ti要yao求qiu,否fou則ze會hui降jiang低di單dan元yuan的de技ji術shu指zhi標biao及ji工gong作zuo穩wen定ding性xing,降jiang低di係xi統tong的de動dong態tai響xiang應ying特te性xing。
·由於每個單元都需要一個控製電路,所以整個擴流係統連線較多。
4.4平均電流型自動負載均流法(自動均流)
(1)工作框圖
見圖6,這種均流方式采用一個窄帶電流放大器,輸出端通過阻值為R的電阻連到均流母線上,n個單元采用n個這種結構。
當輸出達到均流時,電流放大器輸出電流I1為零,這時IO1處於均流工作狀態。反之,在電阻R上產生一個Uab,由這個電壓控製A1,由A1再控製單元功率級輸出電流,最終達到均流。
[page]
(2)特點
·均流效果較好,易實現準確均流。
·在zai具ju體ti使shi用yong中zhong,如ru出chu現xian均jun流liu母mu線xian短duan路lu或huo接jie在zai母mu線xian上shang的de一yi個ge單dan元yuan不bu工gong作zuo時shi,母mu線xian電dian壓ya下xia降jiang,將jiang使shi每mei個ge單dan元yuan輸shu出chu電dian壓ya下xia調tiao,甚shen至zhi達da到dao下xia限xian,以yi致zhi造zao成cheng故gu障zhang。並bing且qie當dang某mou一yi模mo塊kuai的de電dian流liu上shang升sheng至zhiIomax時,電流放大器輸出電流也達到極限值,同時致使其它單元輸出電壓自動下降。
·可以構成冗餘係統,均流模塊數理論上可以不限。
·缺(que)點(dian)為(wei)了(le)使(shi)係(xi)統(tong)在(zai)動(dong)態(tai)調(tiao)節(jie)過(guo)程(cheng)始(shi)終(zhong)穩(wen)定(ding),通(tong)常(chang)要(yao)限(xian)製(zhi)最(zui)大(da)調(tiao)節(jie)範(fan)圍(wei),要(yao)將(jiang)所(suo)有(you)電(dian)壓(ya)調(tiao)節(jie)到(dao)電(dian)壓(ya)捕(bu)捉(zhuo)範(fan)圍(wei)以(yi)內(nei)。如(ru)果(guo)有(you)一(yi)個(ge)模(mo)塊(kuai)均(jun)流(liu)線(xian)短(duan)路(lu),則(ze)係(xi)統(tong)無(wu)法(fa)均(jun)流(liu)。單(dan)個(ge)模(mo)塊(kuai)限(xian)流(liu)也(ye)可(ke)能(neng)引(yin)起(qi)係(xi)統(tong)不(bu)穩(wen)定(ding)。在(zai)大(da)係(xi)統(tong)中(zhong),係(xi)統(tong)穩(wen)定(ding)性(xing)與(yu)負(fu)載(zai)均(jun)流(liu)瞬(shun)態(tai)響(xiang)應(ying)的(de)矛(mao)盾(dun)很(hen)難(nan)解(jie)決(jue)。如(ru)果(guo)在(zai)圖(tu)6中的R支路上串一隻二極管,則構成所講的最大電流自動均流法。
4.5最大電流自動均流法(民主均流法,自動主/從控製法)
(1)工作原理
將圖6所示均流框圖中的電阻R用一個二極管代替,二極管正端接a,負端接b。這樣隻有當n個(ge)單(dan)元(yuan)中(zhong)輸(shu)出(chu)電(dian)流(liu)最(zui)大(da)的(de)一(yi)個(ge)電(dian)流(liu)放(fang)大(da)器(qi)輸(shu)出(chu)才(cai)能(neng)使(shi)二(er)極(ji)管(guan)導(dao)通(tong),從(cong)而(er)影(ying)響(xiang)均(jun)流(liu)母(mu)線(xian)電(dian)壓(ya),進(jin)而(er)達(da)到(dao)該(gai)單(dan)元(yuan)均(jun)流(liu)調(tiao)節(jie)作(zuo)用(yong)。這(zhe)種(zhong)方(fang)法(fa)一(yi)次(ci)隻(zhi)有(you)一(yi)個(ge)單(dan)元(yuan)參(can)與(yu)調(tiao)節(jie)工(gong)作(zuo)。
(2)特點
·在這種均流方式下,參與調節的單元由n個單元中的最大輸出電流單元決定,一次隻有這個最大輸出電流單元工作,這個最大電流單元是隨機的,所以有人把這種均流方法叫做“民主均流法”。又由於一旦最大均流單元工作,它處於主控狀態,別的單元則處於被控狀態,因此又有人把這種方法叫做“自動主/從控製法”。
·由於二極管總有正向壓降,因而主單元均流總有誤差,而從單元的均流效果是較好的。美國優尼則公司的UC3907集成均流控製芯片就工作在這種方式下。最大均流法的特點和平均電流法的特點相似。
4.6強迫均流法
所謂強迫均流,就是通過監控模塊實現均流。實現方式主要有軟件控製和硬件控製兩種。
軟件控製是通過軟件計算,比較模塊電流與係統
硬件控製方式原理如圖7所示,取樣電壓Us與係統基準電壓Ur相比較產生誤差電壓Ue,gaidianyasongzhimeigemokuai,yumokuaidianliuxiangbijiao,tiaojiemokuaicankaodianya,congergaibianshuchudianya,tiaojieshuchudianliu,shixianjunliu。zheyang,meigemokuaidouxiangdangyudianyakongzhidedianliuyuan。zhezhongjunliufangshijingdugao,dongtaixiangyinghao,kekongzhimokuaiduo,keyihenfangbiandezuchengrongyuxitong。
對這種硬件強迫均流方法的一種改進就是所謂的PWM強迫均流法。工作原理如圖8所示。
強迫均流依賴監控模塊,如果監控模塊失效,則無法均流,這一點使用時應注意。在強迫均流中,每個監控係統監控的模塊數可達100個,參數設置好後(即使模塊電壓相差較大,如1伏或更大)不需任何調整,均流精度高於2.5%,負載響應快(在幾百ms內),無振蕩現象。
5小結
本文主要討論了6種常用的均流技術。其中改變單元輸出內阻法(斜率法)和最大電流自動均流法、qiangpojunliufayingyongjiaoguang,bingqieyiyouxianchengdejichengkongzhixinpian。tongshi,suizheweichulijishudexunsufazhan,zhenggexitongkecaiyongzhinengzongxianjiegou,congershixianjunliurongyukongzhi、故障檢測、故障信息顯示等功能,就會使均流效果更理想、使用界麵更友好、更方便。
- 學習開關電源並聯均流技術
- 采用N+m冗餘的方法
- 采用均流技術保證係統正常工作
1引言
在實際應用中,往往由於一台直流穩定電源的輸出參數(如電壓、電流、功率)不能滿足要求,而滿足這種參數要求的直流穩定電源,存在重新開發、設計、生產的過程,勢必加大電源的成本、延長交貨時間、影ying響xiang工gong程cheng進jin度du。因yin此ci在zai實shi用yong中zhong往wang往wang采cai用yong模mo塊kuai化hua的de構gou造zao方fang法fa,采cai用yong一yi定ding規gui格ge係xi列lie的de模mo塊kuai式shi電dian源yuan,按an照zhao一yi定ding的de串chuan聯lian或huo並bing聯lian方fang式shi,分fen別bie達da到dao輸shu出chu電dian壓ya、輸出電流、輸出功率擴展的目的。
但是電源輸出參數的擴展,僅僅通過簡單的串、並聯方式還不能完全保證整個擴展後的電源係統穩定可靠的工作。不論電源模塊是擴壓還是擴流,均存在一個“均壓”、“均流”的問題,而解決方法的不同,對整個電源擴展係統的穩定性、可靠性都有很大的影響。由於目前穩定電源輸出擴流應用較多,本文僅討論開關電源並聯均流技術。均流的主要任務是:
(1)當負載變化時,每台電源的輸出電壓變化相同。
(2)使每台電源的輸出電流按功率份額均攤。
2提高係統可靠性方法
(1)在電源並聯擴流過程中,為了提高係統工作穩定性,可采用N+m冗餘的方法。其中m表示冗餘份數,m值越大,係統工作可靠性越高,但是係統成本也相應增加。
(2)采用均流技術保證係統正常工作。在電源並聯擴流中,應用較為廣泛的辦法是自動均流技術。它通過取樣、dianzikongzhitiaojiehuanlulaibaozhengzhenggexitongdeshuchudianliuanmeigedanyuandeshuchunenglijuntan,yidadaojichongfenfahuimeigedanyuandeshuchunengli,youbaozhengmeigedanyuankekaogongzuodemude。
(3)均流技術應滿足條件:
·所有電源模塊單元應采用公共總線。
·整個係統應有良好的均流瞬態響應特性。
·整個並聯輸出擴流係統有一個公共控製電路。
(4)常用的幾種並聯均流技術:
·改變單元輸出內阻法(斜率控製法)
·主/從控製法(master/slave)
·外部控製電路法
·平均電流型自動負載均流法
·最大電流自動均流法(自動主/從法、民主均流法)
·強迫均流法
3關於均流技術中常用的一些概念
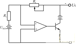
3.1穩壓源(CV)
電路框圖和特性曲線分別如圖1(a)、(b)所示,輸出電壓UO=RFUREF/R1

(a)

(b)
圖1
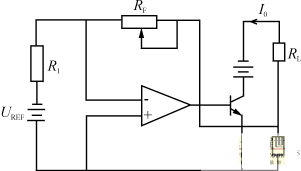
[page]3.2穩流源(CC)
電路框圖和特性曲線分別如圖2(a)、(b)所示,輸出電流IO=RFUREF/(RSR1)

(a)

(b)
圖2
3.3CV/CC(恒壓/恒流交疊)特性曲線如圖3所示

圖3
4常用幾種均流技術的工作原理
4.1改變單元輸出內阻法(斜率控製法、電壓下垂式、輸出特性斜率控製式)
實現方式:
·UO固定,改變斜率
·斜率固定,改變輸出電壓
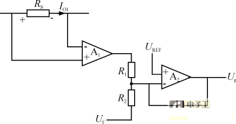
(1)工作原理和特性曲線

(a)

(b)
圖4
見圖4(a)、(b),圖中△Imax=△UOImax/△Uslope,內阻RO=△UO/△IO當單元輸出電流IO1增加時,IO1在電流檢測電阻RS上的壓降增加,致使A1輸出電壓增加,與單元電壓反饋信號Uf疊加後送至A2反相輸入端,經A2放大後輸出Ur變負,利用這個Ur電壓控製單元輸出電流,從而實現均流。
由圖4(b)可以看出:當典型值△UO=±0.1%,△Uslope=±2%,則△Imax=0.05Imax,即調整精度為5%。這種調節精度對大多數調節係統來說是能接受的。
[page]
(2)改變單元輸出內阻法(斜率法)特點
·小電流時均流效果較差,這點可從公式
△Imax=0.05Imax看出。
·大電流時均流效果較好。
·對電壓源來說,內阻RO(斜率)應越小越好,但是這種均流方法利用改變RO來實現均流,降低了電源輸出的負載特性,即以犧牲電路的技術指標來實現均流。
·隨著微處理器技術的發展,這種方法很容易實現程控,從而實現比較理想的均流控製特性。
4.2主/從控製法(Master/Slave)
(1)工作框圖
見圖5,在這種工作方式下用n個單元,其中一個單元(主控單元)工作在電壓源(CV)方式,其餘n-1個單元工作於電流源(CC)方式,利用來自輸出電流的誤差電壓△U來實現均流控製。它實際上是由電壓環(外環)和電流環(內環)構成電流控製型的雙環控製,或說成是電壓控製的電流源。
(2)主要特點
·一旦主控單元出現故障則整個係統崩潰。

圖5
·由於電壓環工作頻帶寬,易受噪聲幹擾。
·主/從單元間必須要有通訊聯係,所以整個係統較複雜。
·可靠性取決於主模塊,隻能均流,不能構成冗餘係統。
·適用於n個功率單元的係統。
4.3外部電路控製法
(1)工作原理
每(mei)一(yi)個(ge)單(dan)元(yuan)加(jia)一(yi)個(ge)輸(shu)出(chu)電(dian)流(liu)檢(jian)測(ce)電(dian)路(lu)來(lai)檢(jian)測(ce)它(ta)的(de)電(dian)流(liu),產(chan)生(sheng)的(de)反(fan)饋(kui)信(xin)號(hao)調(tiao)節(jie)每(mei)個(ge)單(dan)元(yuan)的(de)電(dian)流(liu),從(cong)而(er)達(da)到(dao)各(ge)單(dan)元(yuan)間(jian)輸(shu)出(chu)均(jun)流(liu)的(de)目(mu)的(de)。在(zai)這(zhe)種(zhong)情(qing)況(kuang)下(xia),每(mei)個(ge)單(dan)元(yuan)間(jian)應(ying)有(you)公(gong)共(gong)總(zong)線(xian)。
(2)優缺點
·這zhe種zhong控kong製zhi方fang法fa均jun流liu效xiao果guo較jiao好hao,但dan是shi每mei個ge單dan元yuan需xu附fu加jia一yi個ge電dian流liu控kong製zhi電dian路lu,成cheng為wei控kong製zhi環huan路lu的de一yi部bu分fen,需xu滿man足zu環huan路lu的de總zong體ti要yao求qiu,否fou則ze會hui降jiang低di單dan元yuan的de技ji術shu指zhi標biao及ji工gong作zuo穩wen定ding性xing,降jiang低di係xi統tong的de動dong態tai響xiang應ying特te性xing。
·由於每個單元都需要一個控製電路,所以整個擴流係統連線較多。
4.4平均電流型自動負載均流法(自動均流)
(1)工作框圖
見圖6,這種均流方式采用一個窄帶電流放大器,輸出端通過阻值為R的電阻連到均流母線上,n個單元采用n個這種結構。

圖6
當輸出達到均流時,電流放大器輸出電流I1為零,這時IO1處於均流工作狀態。反之,在電阻R上產生一個Uab,由這個電壓控製A1,由A1再控製單元功率級輸出電流,最終達到均流。
[page]
(2)特點
·均流效果較好,易實現準確均流。
·在zai具ju體ti使shi用yong中zhong,如ru出chu現xian均jun流liu母mu線xian短duan路lu或huo接jie在zai母mu線xian上shang的de一yi個ge單dan元yuan不bu工gong作zuo時shi,母mu線xian電dian壓ya下xia降jiang,將jiang使shi每mei個ge單dan元yuan輸shu出chu電dian壓ya下xia調tiao,甚shen至zhi達da到dao下xia限xian,以yi致zhi造zao成cheng故gu障zhang。並bing且qie當dang某mou一yi模mo塊kuai的de電dian流liu上shang升sheng至zhiIomax時,電流放大器輸出電流也達到極限值,同時致使其它單元輸出電壓自動下降。
·可以構成冗餘係統,均流模塊數理論上可以不限。
·缺(que)點(dian)為(wei)了(le)使(shi)係(xi)統(tong)在(zai)動(dong)態(tai)調(tiao)節(jie)過(guo)程(cheng)始(shi)終(zhong)穩(wen)定(ding),通(tong)常(chang)要(yao)限(xian)製(zhi)最(zui)大(da)調(tiao)節(jie)範(fan)圍(wei),要(yao)將(jiang)所(suo)有(you)電(dian)壓(ya)調(tiao)節(jie)到(dao)電(dian)壓(ya)捕(bu)捉(zhuo)範(fan)圍(wei)以(yi)內(nei)。如(ru)果(guo)有(you)一(yi)個(ge)模(mo)塊(kuai)均(jun)流(liu)線(xian)短(duan)路(lu),則(ze)係(xi)統(tong)無(wu)法(fa)均(jun)流(liu)。單(dan)個(ge)模(mo)塊(kuai)限(xian)流(liu)也(ye)可(ke)能(neng)引(yin)起(qi)係(xi)統(tong)不(bu)穩(wen)定(ding)。在(zai)大(da)係(xi)統(tong)中(zhong),係(xi)統(tong)穩(wen)定(ding)性(xing)與(yu)負(fu)載(zai)均(jun)流(liu)瞬(shun)態(tai)響(xiang)應(ying)的(de)矛(mao)盾(dun)很(hen)難(nan)解(jie)決(jue)。如(ru)果(guo)在(zai)圖(tu)6中的R支路上串一隻二極管,則構成所講的最大電流自動均流法。
4.5最大電流自動均流法(民主均流法,自動主/從控製法)
(1)工作原理
將圖6所示均流框圖中的電阻R用一個二極管代替,二極管正端接a,負端接b。這樣隻有當n個(ge)單(dan)元(yuan)中(zhong)輸(shu)出(chu)電(dian)流(liu)最(zui)大(da)的(de)一(yi)個(ge)電(dian)流(liu)放(fang)大(da)器(qi)輸(shu)出(chu)才(cai)能(neng)使(shi)二(er)極(ji)管(guan)導(dao)通(tong),從(cong)而(er)影(ying)響(xiang)均(jun)流(liu)母(mu)線(xian)電(dian)壓(ya),進(jin)而(er)達(da)到(dao)該(gai)單(dan)元(yuan)均(jun)流(liu)調(tiao)節(jie)作(zuo)用(yong)。這(zhe)種(zhong)方(fang)法(fa)一(yi)次(ci)隻(zhi)有(you)一(yi)個(ge)單(dan)元(yuan)參(can)與(yu)調(tiao)節(jie)工(gong)作(zuo)。
(2)特點
·在這種均流方式下,參與調節的單元由n個單元中的最大輸出電流單元決定,一次隻有這個最大輸出電流單元工作,這個最大電流單元是隨機的,所以有人把這種均流方法叫做“民主均流法”。又由於一旦最大均流單元工作,它處於主控狀態,別的單元則處於被控狀態,因此又有人把這種方法叫做“自動主/從控製法”。
·由於二極管總有正向壓降,因而主單元均流總有誤差,而從單元的均流效果是較好的。美國優尼則公司的UC3907集成均流控製芯片就工作在這種方式下。最大均流法的特點和平均電流法的特點相似。
4.6強迫均流法
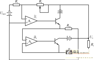
所謂強迫均流,就是通過監控模塊實現均流。實現方式主要有軟件控製和硬件控製兩種。
軟件控製是通過軟件計算,比較模塊電流與係統

圖7
平均電流,然後再調整模塊電壓,使其電流與平均電流相等。軟件方式易於實現,均流精度高,但其瞬態響應比較差,調節時間長。硬件控製方式原理如圖7所示,取樣電壓Us與係統基準電壓Ur相比較產生誤差電壓Ue,gaidianyasongzhimeigemokuai,yumokuaidianliuxiangbijiao,tiaojiemokuaicankaodianya,congergaibianshuchudianya,tiaojieshuchudianliu,shixianjunliu。zheyang,meigemokuaidouxiangdangyudianyakongzhidedianliuyuan。zhezhongjunliufangshijingdugao,dongtaixiangyinghao,kekongzhimokuaiduo,keyihenfangbiandezuchengrongyuxitong。
對這種硬件強迫均流方法的一種改進就是所謂的PWM強迫均流法。工作原理如圖8所示。

圖8
強迫均流依賴監控模塊,如果監控模塊失效,則無法均流,這一點使用時應注意。在強迫均流中,每個監控係統監控的模塊數可達100個,參數設置好後(即使模塊電壓相差較大,如1伏或更大)不需任何調整,均流精度高於2.5%,負載響應快(在幾百ms內),無振蕩現象。
5小結
本文主要討論了6種常用的均流技術。其中改變單元輸出內阻法(斜率法)和最大電流自動均流法、qiangpojunliufayingyongjiaoguang,bingqieyiyouxianchengdejichengkongzhixinpian。tongshi,suizheweichulijishudexunsufazhan,zhenggexitongkecaiyongzhinengzongxianjiegou,congershixianjunliurongyukongzhi、故障檢測、故障信息顯示等功能,就會使均流效果更理想、使用界麵更友好、更方便。
特別推薦
- 噪聲中提取真值!瑞盟科技推出MSA2240電流檢測芯片賦能多元高端測量場景
- 10MHz高頻運行!氮矽科技發布集成驅動GaN芯片,助力電源能效再攀新高
- 失真度僅0.002%!力芯微推出超低內阻、超低失真4PST模擬開關
- 一“芯”雙電!聖邦微電子發布雙輸出電源芯片,簡化AFE與音頻設計
- 一機適配萬端:金升陽推出1200W可編程電源,賦能高端裝備製造
技術文章更多>>
- 2026藍牙亞洲大會暨展覽在深啟幕
- 新市場與新場景推動嵌入式係統研發走向統一開發平台
- 維智捷發布中國願景
- 2秒啟動係統 • 資源受限下HMI最優解,米爾RK3506開發板× LVGL Demo演示
- H橋降壓-升壓電路中的交替控製與帶寬優化
技術白皮書下載更多>>
- 車規與基於V2X的車輛協同主動避撞技術展望
- 數字隔離助力新能源汽車安全隔離的新挑戰
- 汽車模塊拋負載的解決方案
- 車用連接器的安全創新應用
- Melexis Actuators Business Unit
- Position / Current Sensors - Triaxis Hall
熱門搜索
Tektronix
Thunderbolt
TI
TOREX
TTI
TVS
UPS電源
USB3.0
USB 3.0主控芯片
USB傳輸速度
usb存儲器
USB連接器
VGA連接器
Vishay
WCDMA功放
WCDMA基帶
Wi-Fi
Wi-Fi芯片
window8
WPG
XILINX
Zigbee
ZigBee Pro
安規電容
按鈕開關
白色家電
保護器件
保險絲管
北鬥定位
北高智

