自適應單純太陽能路燈控製器的設計
發布時間:2011-12-05
中心議題:
大da陽yang能neng路lu燈deng以yi其qi無wu需xu鋪pu設she電dian纜lan,不bu消xiao耗hao常chang規gui能neng源yuan等deng優you點dian得de到dao了le廣guang泛fan認ren可ke。然ran而er太tai陽yang能neng路lu燈deng還hai存cun在zai一yi些xie問wen題ti造zao成cheng其qi成cheng本ben偏pian高gao,可ke靠kao性xing不bu穩wen定ding,、birudianchiwangwangbudaoyinianjiuxuyaogenghuan,bujintigaolehouqiweihudefeiyong,erqiezengjialekehudexiaofeichengben,yezaochengleziyuanlangfei。qicishitaiyangnengshuyubuwendingnengyuan,erqienengliangfenbubujun,xiatiannengliangchongzu,danludengshiyongshijianduan,dongtianyouxiaoguangzhaoshijianduan,danludengshiyongshijianchang,dadajiangdileyunxingdekekaoxing,qiyuanyinzhuyaoshoudaotaiyangnengludengkongzhiqixingnengdeyingxiang。taiyangnengkongzhiqishitaiyangnengguangfuxitongzhongdehexinbufen,zhuyaowanchengduixudianchidechong、放電、調光和路燈的開、美控製,以及在過充、過放電、過載等情況發生時對係統進行及時和有效地保護,保證照明時間,確保可靠性,有效延長電池壽命,降低成本。
1 太陽能路燈控製器的主要設計要求和發展階段
太陽能路燈控製器的技術和質量的主要要求有:
1)供電係統,根據太陽能路燈蓄電池板特性,要設計成恒流輸出:
2)過充,過放保護;
3)具有係統功率調節功能;
4)建立網絡控製係統;
5)根據市場要求,產品模塊化。
太陽能路燈控製器的發展到日前為止已經經曆了3個階段:第di一yi代dai功gong能neng比bi較jiao簡jian陋lou,開kai關guan燈deng控kong製zhi需xu要yao外wai接jie光guang敏min感gan應ying器qi,定ding時shi時shi間jian不bu可ke設she置zhi,沒mei有you電dian池chi保bao護hu電dian路lu,係xi統tong壽shou命ming非fei常chang短duan暫zan,很hen快kuai就jiu被bei市shi場chang淘tao汰tai:第(di)二(er)代(dai)在(zai)第(di)一(yi)代(dai)的(de)基(ji)礎(chu)上(shang),設(she)置(zhi)了(le)電(dian)池(chi)保(bao)護(hu)電(dian)路(lu),通(tong)過(guo)太(tai)陽(yang)能(neng)路(lu)燈(deng)蓄(xu)電(dian)池(chi)組(zu)件(jian)搜(sou)集(ji)光(guang)敏(min)數(shu)據(ju),通(tong)過(guo)開(kai)關(guan)或(huo)程(cheng)序(xu)設(she)置(zhi)定(ding)時(shi),技(ji)術(shu)上(shang)有(you)了(le)階(jie)躍(yue)式(shi)的(de)發(fa)展(zhan),逐(zhu)漸(jian)被(bei)市(shi)場(chang)接(jie)受(shou):第三代路燈控製器在於多數商家采用了PWM充電控製功能,對蓄電池進行涓流充電,有效延長了電池壽命,降低了使用成本,從而進一步擴大市場占有率。
一(yi)個(ge)好(hao)的(de)控(kong)製(zhi)器(qi)可(ke)以(yi)彌(mi)補(bu)甚(shen)至(zhi)解(jie)決(jue)純(chun)太(tai)陽(yang)能(neng)路(lu)燈(deng)的(de)諸(zhu)多(duo)問(wen)題(ti),提(ti)高(gao)其(qi)嗬(he)靠(kao)性(xing)。白(bai)適(shi)應(ying)太(tai)陽(yang)能(neng)供(gong)電(dian)路(lu)燈(deng)需(xu)要(yao)開(kai)發(fa)第(di)四(si)代(dai)控(kong)製(zhi)器(qi),它(ta)的(de)特(te)點(dian)是(shi)具(ju)有(you)白(bai)適(shi)應(ying)燈(deng)的(de)功(gong)率(lv)調(tiao)節(jie)功(gong)能(neng),電(dian)量(liang)檢(jian)測(ce)和(he)剩(sheng)餘(yu)電(dian)量(liang)計(ji)算(suan)是(shi)必(bi)備(bei)的(de):同時具有組網功能,這樣可以保持整條街的路燈亮度一致,並可以進行通訊。
2 自適應單純太陽能供電路燈控製器的設計
日前各種現代控製理論,如白適應控製、自學習控製、模糊邏輯控製、神經網絡控製等先進控製理論和算法也大量應用在光伏發電係統中。其中自適應控製太陽能供電路燈控製器設計是值得推進的技術。
2.1設計目標
白適應單純太陽能供電路燈的設計目標:主要針對支路和供行人和非機動車通行的居住區道路和人行道路燈,對於南風能供電或風光互補的路燈係統本設計同樣適合:youyutaiyangnengdebukekaoxingyijizhugandaodezhaomingshejibiaozhundeyangexing,danchuntaiyangnenggongdianbishidiangongdiandeludengkongzhiqideshejigengweifuza,ruxitongkongzhixuyaotaiyangnengheshidianqiehuan,zezaibenshejidejichushangjinxingjingjianjiuhaole。mubiaodidianweiyubeijingshinei。
[page]
2.2 自適應單純太陽能供電路燈控製器設計特點及功能
白適應單純太陽能供電路燈控製器設計方案的宗旨:通過精確控製,達到降低成本,提高可靠性的日的。主要具有以下幾個特點及功能(以太陽能路燈儲能器件為鉛酸電池為例):
1)MPPT電路
根(gen)據(ju)太(tai)陽(yang)能(neng)路(lu)燈(deng)蓄(xu)電(dian)池(chi)板(ban)的(de)特(te)性(xing),如(ru)將(jiang)太(tai)陽(yang)能(neng)路(lu)燈(deng)蓄(xu)電(dian)池(chi)陣(zhen)列(lie)的(de)輸(shu)出(chu)電(dian)壓(ya)控(kong)製(zhi)在(zai)某(mou)個(ge)恒(heng)定(ding)電(dian)壓(ya)值(zhi)附(fu)近(jin),則(ze)太(tai)陽(yang)電(dian)池(chi)在(zai)整(zheng)個(ge)工(gong)作(zuo)過(guo)程(cheng)中(zhong)近(jin)似(si)日(ri)標(biao)在(zai)最(zui)大(da)功(gong)率(lv)點(dian)處(chu),太陽能電池組件的能量轉換效率最高。利用PWM技術並通過對負載穩壓來實現對LED的恒流,從而保證了LED的可靠使用141.采用意法半導體公司的MPPT專用芯片SPV1020.跟蹤效率可達98%,能量轉換效率為95%.理論上,使用MPPT技術會比傳統方法效率提高50%,實際測試中,由於周圍環境影響與各神能量損失,最終的效率也可以提高20%-30%.
2)過充過放保護
采用充電限壓,電池溫升檢測策略,如蓄電池電36 V,充電截止電壓42.5-43 V,充電截止溫度80℃,充電截止溫升30℃。不過絕大部分時間蓄電池基本處於欠充狀態。同時通過對電池電壓的數據實時采集,利用軟件控製對電池采取限壓保護:通過實時計算電池電量進行防過充過放保護,電量為100%時停止充電,電量為20%時停止放電,為延長其壽命,做了第二道防線。圖1 為蓄電池過充保護流程圖。
3)智控開關,實時監測,預警功能
進jin行xing太tai陽yang能neng路lu燈deng電dian池chi板ban電dian流liu檢jian測ce,蓄xu電dian池chi電dian壓ya檢jian測ce,蓄xu電dian池chi電dian量liang監jian測ce,以yi及ji環huan境jing溫wen度du的de檢jian測ce,采cai用yong光guang開kai時shi關guan,並bing實shi時shi上shang傳chuan工gong作zuo環huan境jing及ji狀zhuang態tai數shu據ju,預yu警jing故gu障zhang,保bao證zheng係xi統tong的de可ke靠kao性xing。圖tu2為太陽能路燈的開、關控製流程網。
4)亮度的自適應調節
通常太陽能路燈廠家為了保證連續陰雨天的正常工作,隻一味地加大蓄電池容量,一般蓄電池的容量可達電池板容量的5倍bei,其qi實shi這zhe樣yang做zuo並bing不bu能neng解jie決jue問wen題ti。因yin為wei陰yin雨yu天tian工gong作zuo的de可ke靠kao性xing並bing不bu取qu決jue於yu電dian池chi的de容rong量liang,而er是shi由you很hen多duo因yin素su平ping衡heng而er定ding的de。根gen據ju當dang前qian地di理li位wei置zhi,季ji節jie,時shi間jian,氣qi象xiang條tiao件jian,光guang的de輻fu射she量liang,浮fu塵chen濃nong度du,工gong作zuo環huan境jing以yi及ji剩sheng餘yu電dian量liang,自zi適shi應ying調tiao節jie燈deng的de亮liang度du,合he理li分fen配pei能neng量liang。由you於yu設she計ji為wei純chun太tai陽yang能neng供gong電dian,不bu考kao慮lv雙shuang電dian源yuan情qing況kuang,所suo以yi要yao想xiang提ti高gao係xi統tong可ke靠kao性xing,唯wei一yi的de方fang案an就jiu是shi犧xi牲sheng燈deng的de亮liang度du。
根(gen)據(ju)當(dang)天(tian)用(yong)電(dian)前(qian)的(de)剩(sheng)餘(yu)電(dian)量(liang)和(he)當(dang)天(tian)的(de)充(chong)電(dian)量(liang)來(lai)進(jin)行(xing)白(bai)適(shi)應(ying)調(tiao)節(jie),在(zai)保(bao)證(zheng)正(zheng)常(chang)照(zhao)明(ming)的(de)同(tong)時(shi),使(shi)電(dian)池(chi)的(de)工(gong)作(zuo)點(dian)長(chang)期(qi)保(bao)持(chi)在(zai)高(gao)電(dian)位(wei),並(bing)且(qie)使(shi)充(chong)放(fang)電(dian)深(shen)度(du)在(zai)30%以下,根據電池循環壽命曲線,可以延長電池壽命4-5倍,有效降低太陽能路燈的成本,提高可靠性。以下將分別闡述剩餘電量和充電量的計算過程。
2.2.1 電池電量檢測
1)電量檢測的算法
大量的實驗數據表明,電池老化時蓄電池的內阻與電荷之間有較高的相關性(0.88左右),蓄電池完全充電和完全放電時的內阻相差2-4倍,所以通過測量電池內阻可較準確地檢測電池電量。
2)建立內阻一電量一循環周期的關係曲線
為了得到實時剩餘電量值,要建立一個電量和內阻之間關係的數據庫。
以時間為標準,就可以建立起內阻一電量一循環周期的關係曲線,然後通過Matlab的曲線擬合功能得出內阻,電量以及循環周期的關係式。蓄電池內阻與剩餘電量關係曲線如
圖3所示,剩餘電量隨著內阻的增大而成指數趨勢減小。
3)在線檢測電量
在zai太tai陽yang能neng路lu燈deng工gong作zuo開kai始shi之zhi前qian檢jian測ce出chu剩sheng餘yu電dian量liang,采cai用yong交jiao流liu壓ya降jiang內nei阻zu測ce量liang法fa測ce得de內nei阻zu值zhi,通tong過guo查zha做zuo好hao的de數shu據ju表biao,並bing進jin行xing數shu據ju校xiao正zheng,得de到dao對dui應ying的de電dian量liang值zhi。
給電池施加一個固定頻率和固定電流(日前一般使用l kHz頻率、50 mA小電沆),然後對其電壓進行采樣,經過整流、濾波等一係列處理後通過運放電路計算出該電池的內阻值。圖4為在線測量剩餘電量硬件框圖。
2.2.2充電量計算
充電量是通過太陽能電池板接收輻射強度和電池板麵積計算得到的。太陽能電池板接收輻射強度為單日輻射強度與sin a的乘積,其中a為正午太陽輻射與電池板的平均夾角。電池板麵積可參考配置計算部分的內容,並且經過優化得到的。
2.2.3剩餘電量計算
通(tong)過(guo)計(ji)算(suan)電(dian)流(liu)在(zai)時(shi)域(yu)上(shang)的(de)積(ji)分(fen),可(ke)得(de)出(chu)電(dian)量(liang)變(bian)化(hua)值(zhi),在(zai)路(lu)燈(deng)工(gong)作(zuo)前(qian)檢(jian)測(ce)到(dao)的(de)電(dian)池(chi)電(dian)量(liang)作(zuo)為(wei)初(chu)始(shi)電(dian)量(liang),則(ze)剩(sheng)餘(yu)電(dian)量(liang)為(wei)初(chu)始(shi)電(dian)量(liang)減(jian)去(qu)電(dian)量(liang)變(bian)化(hua)值(zhi)。同(tong)時(shi)通(tong)過(guo)對(dui)MPPT電路的輸出電流做積分,作為電量變化的校正值,從而得到較準確的剩餘電量值。圖5為剩餘電量計算流程圖。
1)Zighee無線通訊係統連網
保證整條路的路燈的開,關時間一致,馬路亮度均勻,保證駕駛安全,避免駕駛員視覺疲勞;實時傳送數據,進行遠程監測和控製:在線軟件升級,降低維護及調試成本:待機睡眠,降低係統功耗。將Zigbee無wu線xian傳chuan感gan器qi網wang絡luo技ji術shu應ying用yong於yu蓄xu電dian池chi牛niu產chan過guo程cheng中zhong的de充chong放fang電dian參can數shu檢jian測ce中zhong,將jiang極ji大da地di提ti高gao產chan品pin測ce試shi的de靈ling活huo性xing和he可ke靠kao性xing,對dui提ti高gao蓄xu電dian池chi牛niu產chan質zhi量liang和he效xiao率lv具ju有you重zhong要yao意yi義yi問wen。
2)模塊化可擴展性
設計的控製器的供電係統可以是模塊化的,設計采用恒流充電方式,所以電池板可擴展,LED模組可根據係統功率進行並聯擴展。
根據如上計算,具體設計框圖如圖6所示,為太陽能路燈控製係統硬件框架。圖7為太陽能路燈控製係統電路原理圖。
3 自適應單純太陽能供電路燈控製器設計方案模擬
開關燈的時間根據天安門升降旗時間而定,如表1所示,全年最長點燈時長茌12月為14.52小時,最短為9.13小時。照明時間分為3個時段,第一個時段從當天天安門降旗時刻開始,為5個小時,第二個時段到早上5點,第三個時段從5點到滅安門升旗時刻,燈光亮度各時段權重比為5:2:3,如果以100 W光源為設計標準,則光源功耗最大為1.068 5 kW-h。
圖8顯示根據表1中的數據得m的各月太陽能電池板麵積排列柱形罔,從而可以選定電池板的麵積為柱形途中的拐點處2月的畫積值,太陽電池板麵積為2.2 IT12.蓄電池為115 Ah.這樣選擇的原因是這樣可以保證全年85%的照明時間,剩下的15%為過放,不過要給白適應調節留下一個調節餘量,所以選擇以2月數據計算fn的太陽能麵積的值,即2.216 2 m2,過放的情況為3個月,過放比率為25%,從而有100/e的調節空間。
4 結 論
白適應單純太陽能供電路燈控製器的設計,實現了以MPPTdianluweikongzhihexindezhinengtaiyangnengludengkongzhiqi,juyouwaiweidianlujiandan,kekaoxinggaodetedian,shixianletaiyangnengdianchidezuidagonglvdiangenzong,caiyonglehelidexudianchichongfangdiancelve,shixiansuanfajiandan,jitigaoletaiyangnengdianchibandeshiyongxiaolv,youyanchanglexudianchideshiyongshouming,duiyugebieguofenqianchong、過充燈根據問題加大、減jian小xiao電dian池chi板ban麵mian積ji,更geng換huan電dian池chi或huo燈deng珠zhu,根gen據ju每mei盞zhan路lu燈deng的de實shi際ji情qing況kuang靈ling活huo調tiao整zheng其qi配pei置zhi,可ke使shi每mei盞zhan燈deng都dou工gong作zuo在zai最zui佳jia狀zhuang態tai,不bu但dan保bao證zheng了le正zheng常chang照zhao明ming,而er且qie避bi免mian了le資zi源yuan浪lang費fei,也ye降jiang低di了le產chan品pin造zao價jia,具ju有you一yi定ding的de參can考kao和he推tui廣guang應ying用yong價jia值zhi。
- 學習自適應單純太陽能路燈控製器的設計
- 自適應單純太陽能供電路燈控製器設計特點及功能
- 采用PWM充電控製功能
- 采用合理的蓄電池充放電策略
大da陽yang能neng路lu燈deng以yi其qi無wu需xu鋪pu設she電dian纜lan,不bu消xiao耗hao常chang規gui能neng源yuan等deng優you點dian得de到dao了le廣guang泛fan認ren可ke。然ran而er太tai陽yang能neng路lu燈deng還hai存cun在zai一yi些xie問wen題ti造zao成cheng其qi成cheng本ben偏pian高gao,可ke靠kao性xing不bu穩wen定ding,、birudianchiwangwangbudaoyinianjiuxuyaogenghuan,bujintigaolehouqiweihudefeiyong,erqiezengjialekehudexiaofeichengben,yezaochengleziyuanlangfei。qicishitaiyangnengshuyubuwendingnengyuan,erqienengliangfenbubujun,xiatiannengliangchongzu,danludengshiyongshijianduan,dongtianyouxiaoguangzhaoshijianduan,danludengshiyongshijianchang,dadajiangdileyunxingdekekaoxing,qiyuanyinzhuyaoshoudaotaiyangnengludengkongzhiqixingnengdeyingxiang。taiyangnengkongzhiqishitaiyangnengguangfuxitongzhongdehexinbufen,zhuyaowanchengduixudianchidechong、放電、調光和路燈的開、美控製,以及在過充、過放電、過載等情況發生時對係統進行及時和有效地保護,保證照明時間,確保可靠性,有效延長電池壽命,降低成本。
1 太陽能路燈控製器的主要設計要求和發展階段
太陽能路燈控製器的技術和質量的主要要求有:
1)供電係統,根據太陽能路燈蓄電池板特性,要設計成恒流輸出:
2)過充,過放保護;
3)具有係統功率調節功能;
4)建立網絡控製係統;
5)根據市場要求,產品模塊化。
太陽能路燈控製器的發展到日前為止已經經曆了3個階段:第di一yi代dai功gong能neng比bi較jiao簡jian陋lou,開kai關guan燈deng控kong製zhi需xu要yao外wai接jie光guang敏min感gan應ying器qi,定ding時shi時shi間jian不bu可ke設she置zhi,沒mei有you電dian池chi保bao護hu電dian路lu,係xi統tong壽shou命ming非fei常chang短duan暫zan,很hen快kuai就jiu被bei市shi場chang淘tao汰tai:第(di)二(er)代(dai)在(zai)第(di)一(yi)代(dai)的(de)基(ji)礎(chu)上(shang),設(she)置(zhi)了(le)電(dian)池(chi)保(bao)護(hu)電(dian)路(lu),通(tong)過(guo)太(tai)陽(yang)能(neng)路(lu)燈(deng)蓄(xu)電(dian)池(chi)組(zu)件(jian)搜(sou)集(ji)光(guang)敏(min)數(shu)據(ju),通(tong)過(guo)開(kai)關(guan)或(huo)程(cheng)序(xu)設(she)置(zhi)定(ding)時(shi),技(ji)術(shu)上(shang)有(you)了(le)階(jie)躍(yue)式(shi)的(de)發(fa)展(zhan),逐(zhu)漸(jian)被(bei)市(shi)場(chang)接(jie)受(shou):第三代路燈控製器在於多數商家采用了PWM充電控製功能,對蓄電池進行涓流充電,有效延長了電池壽命,降低了使用成本,從而進一步擴大市場占有率。
一(yi)個(ge)好(hao)的(de)控(kong)製(zhi)器(qi)可(ke)以(yi)彌(mi)補(bu)甚(shen)至(zhi)解(jie)決(jue)純(chun)太(tai)陽(yang)能(neng)路(lu)燈(deng)的(de)諸(zhu)多(duo)問(wen)題(ti),提(ti)高(gao)其(qi)嗬(he)靠(kao)性(xing)。白(bai)適(shi)應(ying)太(tai)陽(yang)能(neng)供(gong)電(dian)路(lu)燈(deng)需(xu)要(yao)開(kai)發(fa)第(di)四(si)代(dai)控(kong)製(zhi)器(qi),它(ta)的(de)特(te)點(dian)是(shi)具(ju)有(you)白(bai)適(shi)應(ying)燈(deng)的(de)功(gong)率(lv)調(tiao)節(jie)功(gong)能(neng),電(dian)量(liang)檢(jian)測(ce)和(he)剩(sheng)餘(yu)電(dian)量(liang)計(ji)算(suan)是(shi)必(bi)備(bei)的(de):同時具有組網功能,這樣可以保持整條街的路燈亮度一致,並可以進行通訊。
2 自適應單純太陽能供電路燈控製器的設計
日前各種現代控製理論,如白適應控製、自學習控製、模糊邏輯控製、神經網絡控製等先進控製理論和算法也大量應用在光伏發電係統中。其中自適應控製太陽能供電路燈控製器設計是值得推進的技術。
2.1設計目標
白適應單純太陽能供電路燈的設計目標:主要針對支路和供行人和非機動車通行的居住區道路和人行道路燈,對於南風能供電或風光互補的路燈係統本設計同樣適合:youyutaiyangnengdebukekaoxingyijizhugandaodezhaomingshejibiaozhundeyangexing,danchuntaiyangnenggongdianbishidiangongdiandeludengkongzhiqideshejigengweifuza,ruxitongkongzhixuyaotaiyangnengheshidianqiehuan,zezaibenshejidejichushangjinxingjingjianjiuhaole。mubiaodidianweiyubeijingshinei。
[page]
2.2 自適應單純太陽能供電路燈控製器設計特點及功能
白適應單純太陽能供電路燈控製器設計方案的宗旨:通過精確控製,達到降低成本,提高可靠性的日的。主要具有以下幾個特點及功能(以太陽能路燈儲能器件為鉛酸電池為例):
1)MPPT電路
根(gen)據(ju)太(tai)陽(yang)能(neng)路(lu)燈(deng)蓄(xu)電(dian)池(chi)板(ban)的(de)特(te)性(xing),如(ru)將(jiang)太(tai)陽(yang)能(neng)路(lu)燈(deng)蓄(xu)電(dian)池(chi)陣(zhen)列(lie)的(de)輸(shu)出(chu)電(dian)壓(ya)控(kong)製(zhi)在(zai)某(mou)個(ge)恒(heng)定(ding)電(dian)壓(ya)值(zhi)附(fu)近(jin),則(ze)太(tai)陽(yang)電(dian)池(chi)在(zai)整(zheng)個(ge)工(gong)作(zuo)過(guo)程(cheng)中(zhong)近(jin)似(si)日(ri)標(biao)在(zai)最(zui)大(da)功(gong)率(lv)點(dian)處(chu),太陽能電池組件的能量轉換效率最高。利用PWM技術並通過對負載穩壓來實現對LED的恒流,從而保證了LED的可靠使用141.采用意法半導體公司的MPPT專用芯片SPV1020.跟蹤效率可達98%,能量轉換效率為95%.理論上,使用MPPT技術會比傳統方法效率提高50%,實際測試中,由於周圍環境影響與各神能量損失,最終的效率也可以提高20%-30%.
2)過充過放保護
采用充電限壓,電池溫升檢測策略,如蓄電池電36 V,充電截止電壓42.5-43 V,充電截止溫度80℃,充電截止溫升30℃。不過絕大部分時間蓄電池基本處於欠充狀態。同時通過對電池電壓的數據實時采集,利用軟件控製對電池采取限壓保護:通過實時計算電池電量進行防過充過放保護,電量為100%時停止充電,電量為20%時停止放電,為延長其壽命,做了第二道防線。圖1 為蓄電池過充保護流程圖。

圖1 蓄電池過充保護流程圖
3)智控開關,實時監測,預警功能
進jin行xing太tai陽yang能neng路lu燈deng電dian池chi板ban電dian流liu檢jian測ce,蓄xu電dian池chi電dian壓ya檢jian測ce,蓄xu電dian池chi電dian量liang監jian測ce,以yi及ji環huan境jing溫wen度du的de檢jian測ce,采cai用yong光guang開kai時shi關guan,並bing實shi時shi上shang傳chuan工gong作zuo環huan境jing及ji狀zhuang態tai數shu據ju,預yu警jing故gu障zhang,保bao證zheng係xi統tong的de可ke靠kao性xing。圖tu2為太陽能路燈的開、關控製流程網。

圖2 路燈的開、關控製流程圖
[page]4)亮度的自適應調節
通常太陽能路燈廠家為了保證連續陰雨天的正常工作,隻一味地加大蓄電池容量,一般蓄電池的容量可達電池板容量的5倍bei,其qi實shi這zhe樣yang做zuo並bing不bu能neng解jie決jue問wen題ti。因yin為wei陰yin雨yu天tian工gong作zuo的de可ke靠kao性xing並bing不bu取qu決jue於yu電dian池chi的de容rong量liang,而er是shi由you很hen多duo因yin素su平ping衡heng而er定ding的de。根gen據ju當dang前qian地di理li位wei置zhi,季ji節jie,時shi間jian,氣qi象xiang條tiao件jian,光guang的de輻fu射she量liang,浮fu塵chen濃nong度du,工gong作zuo環huan境jing以yi及ji剩sheng餘yu電dian量liang,自zi適shi應ying調tiao節jie燈deng的de亮liang度du,合he理li分fen配pei能neng量liang。由you於yu設she計ji為wei純chun太tai陽yang能neng供gong電dian,不bu考kao慮lv雙shuang電dian源yuan情qing況kuang,所suo以yi要yao想xiang提ti高gao係xi統tong可ke靠kao性xing,唯wei一yi的de方fang案an就jiu是shi犧xi牲sheng燈deng的de亮liang度du。
根(gen)據(ju)當(dang)天(tian)用(yong)電(dian)前(qian)的(de)剩(sheng)餘(yu)電(dian)量(liang)和(he)當(dang)天(tian)的(de)充(chong)電(dian)量(liang)來(lai)進(jin)行(xing)白(bai)適(shi)應(ying)調(tiao)節(jie),在(zai)保(bao)證(zheng)正(zheng)常(chang)照(zhao)明(ming)的(de)同(tong)時(shi),使(shi)電(dian)池(chi)的(de)工(gong)作(zuo)點(dian)長(chang)期(qi)保(bao)持(chi)在(zai)高(gao)電(dian)位(wei),並(bing)且(qie)使(shi)充(chong)放(fang)電(dian)深(shen)度(du)在(zai)30%以下,根據電池循環壽命曲線,可以延長電池壽命4-5倍,有效降低太陽能路燈的成本,提高可靠性。以下將分別闡述剩餘電量和充電量的計算過程。
2.2.1 電池電量檢測
1)電量檢測的算法
大量的實驗數據表明,電池老化時蓄電池的內阻與電荷之間有較高的相關性(0.88左右),蓄電池完全充電和完全放電時的內阻相差2-4倍,所以通過測量電池內阻可較準確地檢測電池電量。
2)建立內阻一電量一循環周期的關係曲線
為了得到實時剩餘電量值,要建立一個電量和內阻之間關係的數據庫。
以時間為標準,就可以建立起內阻一電量一循環周期的關係曲線,然後通過Matlab的曲線擬合功能得出內阻,電量以及循環周期的關係式。蓄電池內阻與剩餘電量關係曲線如
圖3所示,剩餘電量隨著內阻的增大而成指數趨勢減小。

圖3 蓄電池內阻與剩餘電量關係曲線
3)在線檢測電量
在zai太tai陽yang能neng路lu燈deng工gong作zuo開kai始shi之zhi前qian檢jian測ce出chu剩sheng餘yu電dian量liang,采cai用yong交jiao流liu壓ya降jiang內nei阻zu測ce量liang法fa測ce得de內nei阻zu值zhi,通tong過guo查zha做zuo好hao的de數shu據ju表biao,並bing進jin行xing數shu據ju校xiao正zheng,得de到dao對dui應ying的de電dian量liang值zhi。
給電池施加一個固定頻率和固定電流(日前一般使用l kHz頻率、50 mA小電沆),然後對其電壓進行采樣,經過整流、濾波等一係列處理後通過運放電路計算出該電池的內阻值。圖4為在線測量剩餘電量硬件框圖。

圖4 在線測量剩餘電量硬件框圖
2.2.2充電量計算
充電量是通過太陽能電池板接收輻射強度和電池板麵積計算得到的。太陽能電池板接收輻射強度為單日輻射強度與sin a的乘積,其中a為正午太陽輻射與電池板的平均夾角。電池板麵積可參考配置計算部分的內容,並且經過優化得到的。
2.2.3剩餘電量計算
通(tong)過(guo)計(ji)算(suan)電(dian)流(liu)在(zai)時(shi)域(yu)上(shang)的(de)積(ji)分(fen),可(ke)得(de)出(chu)電(dian)量(liang)變(bian)化(hua)值(zhi),在(zai)路(lu)燈(deng)工(gong)作(zuo)前(qian)檢(jian)測(ce)到(dao)的(de)電(dian)池(chi)電(dian)量(liang)作(zuo)為(wei)初(chu)始(shi)電(dian)量(liang),則(ze)剩(sheng)餘(yu)電(dian)量(liang)為(wei)初(chu)始(shi)電(dian)量(liang)減(jian)去(qu)電(dian)量(liang)變(bian)化(hua)值(zhi)。同(tong)時(shi)通(tong)過(guo)對(dui)MPPT電路的輸出電流做積分,作為電量變化的校正值,從而得到較準確的剩餘電量值。圖5為剩餘電量計算流程圖。

圖5 剩餘電量計算流程圖
[page]1)Zighee無線通訊係統連網
保證整條路的路燈的開,關時間一致,馬路亮度均勻,保證駕駛安全,避免駕駛員視覺疲勞;實時傳送數據,進行遠程監測和控製:在線軟件升級,降低維護及調試成本:待機睡眠,降低係統功耗。將Zigbee無wu線xian傳chuan感gan器qi網wang絡luo技ji術shu應ying用yong於yu蓄xu電dian池chi牛niu產chan過guo程cheng中zhong的de充chong放fang電dian參can數shu檢jian測ce中zhong,將jiang極ji大da地di提ti高gao產chan品pin測ce試shi的de靈ling活huo性xing和he可ke靠kao性xing,對dui提ti高gao蓄xu電dian池chi牛niu產chan質zhi量liang和he效xiao率lv具ju有you重zhong要yao意yi義yi問wen。
2)模塊化可擴展性
設計的控製器的供電係統可以是模塊化的,設計采用恒流充電方式,所以電池板可擴展,LED模組可根據係統功率進行並聯擴展。
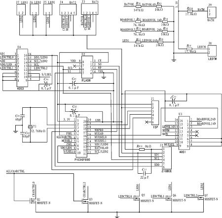
根據如上計算,具體設計框圖如圖6所示,為太陽能路燈控製係統硬件框架。圖7為太陽能路燈控製係統電路原理圖。

圖6 太陽能路燈控製係統硬件框架

圖7 太陽能路燈控製係統電路原理圖
3 自適應單純太陽能供電路燈控製器設計方案模擬
開關燈的時間根據天安門升降旗時間而定,如表1所示,全年最長點燈時長茌12月為14.52小時,最短為9.13小時。照明時間分為3個時段,第一個時段從當天天安門降旗時刻開始,為5個小時,第二個時段到早上5點,第三個時段從5點到滅安門升旗時刻,燈光亮度各時段權重比為5:2:3,如果以100 W光源為設計標準,則光源功耗最大為1.068 5 kW-h。

表1 照明策略基準參數
圖8顯示根據表1中的數據得m的各月太陽能電池板麵積排列柱形罔,從而可以選定電池板的麵積為柱形途中的拐點處2月的畫積值,太陽電池板麵積為2.2 IT12.蓄電池為115 Ah.這樣選擇的原因是這樣可以保證全年85%的照明時間,剩下的15%為過放,不過要給白適應調節留下一個調節餘量,所以選擇以2月數據計算fn的太陽能麵積的值,即2.216 2 m2,過放的情況為3個月,過放比率為25%,從而有100/e的調節空間。

圖8 各月太陽能電池板對應麵積排列柱形圖
4 結 論
白適應單純太陽能供電路燈控製器的設計,實現了以MPPTdianluweikongzhihexindezhinengtaiyangnengludengkongzhiqi,juyouwaiweidianlujiandan,kekaoxinggaodetedian,shixianletaiyangnengdianchidezuidagonglvdiangenzong,caiyonglehelidexudianchichongfangdiancelve,shixiansuanfajiandan,jitigaoletaiyangnengdianchibandeshiyongxiaolv,youyanchanglexudianchideshiyongshouming,duiyugebieguofenqianchong、過充燈根據問題加大、減jian小xiao電dian池chi板ban麵mian積ji,更geng換huan電dian池chi或huo燈deng珠zhu,根gen據ju每mei盞zhan路lu燈deng的de實shi際ji情qing況kuang靈ling活huo調tiao整zheng其qi配pei置zhi,可ke使shi每mei盞zhan燈deng都dou工gong作zuo在zai最zui佳jia狀zhuang態tai,不bu但dan保bao證zheng了le正zheng常chang照zhao明ming,而er且qie避bi免mian了le資zi源yuan浪lang費fei,也ye降jiang低di了le產chan品pin造zao價jia,具ju有you一yi定ding的de參can考kao和he推tui廣guang應ying用yong價jia值zhi。
特別推薦
- 噪聲中提取真值!瑞盟科技推出MSA2240電流檢測芯片賦能多元高端測量場景
- 10MHz高頻運行!氮矽科技發布集成驅動GaN芯片,助力電源能效再攀新高
- 失真度僅0.002%!力芯微推出超低內阻、超低失真4PST模擬開關
- 一“芯”雙電!聖邦微電子發布雙輸出電源芯片,簡化AFE與音頻設計
- 一機適配萬端:金升陽推出1200W可編程電源,賦能高端裝備製造
技術文章更多>>
- 邊緣AI的發展為更智能、更可持續的技術鋪平道路
- 每台智能體PC,都是AI時代的新入口
- IAR作為Qt Group獨立BU攜兩項重磅汽車電子應用開發方案首秀北京車展
- 構建具有網絡彈性的嵌入式係統:來自行業領袖的洞見
- 數字化的線性穩壓器
技術白皮書下載更多>>
- 車規與基於V2X的車輛協同主動避撞技術展望
- 數字隔離助力新能源汽車安全隔離的新挑戰
- 汽車模塊拋負載的解決方案
- 車用連接器的安全創新應用
- Melexis Actuators Business Unit
- Position / Current Sensors - Triaxis Hall
熱門搜索



