一種新型的電流極限比較器
發布時間:2011-12-21
中心議題:
1.引言
開關電源因體積小、重量輕、效率高、性能穩定等優點在電子、電器設備、家電等領域得到了廣泛的應用,進入了快速發展期。開關電源的基本工作原理為: 在(zai)不(bu)同(tong)的(de)負(fu)載(zai)情(qing)況(kuang)下(xia),反(fan)饋(kui)控(kong)製(zhi)電(dian)路(lu)通(tong)過(guo)改(gai)變(bian)功(gong)率(lv)開(kai)關(guan)管(guan)的(de)占(zhan)空(kong)比(bi)使(shi)輸(shu)出(chu)電(dian)壓(ya)穩(wen)定(ding)。反(fan)饋(kui)控(kong)製(zhi)電(dian)路(lu)分(fen)為(wei)電(dian)流(liu)模(mo)式(shi)和(he)電(dian)壓(ya)模(mo)式(shi),電(dian)流(liu)模(mo)式(shi)因(yin)動(dong)態(tai)響(xiang)應(ying)快(kuai)、補償電路簡單、增益帶寬大、輸出電感小、易於均流等優點而被廣泛應用。
極限電流比較器是電流模式控製電路中一個非常重要的部分, 其對不同的負載情況, 產生不同的極限電流, 去限製電感上的峰值電流或平均電流,從而盡可能地減小輸出電壓紋波和提高電源效率。例如:
重負載情況對應的電源輸出電流比較大, 此時應設定較大極限電流, 保證輸出電壓穩定;輕負載情況對應的極限電流較小,此時應設定較小極限電流, 使輸出電壓穩定。因此不同的負載情況對應不同的極限電流, 從而得到不同的占空比,保證電源效率高和輸出電壓紋波小。
傳統的開關電源控製電路中, 電流極限比較器結構如圖1(a)所示, 檢測電流由M1( sense MOSFET)流入由多個開關管和電阻組成的網絡R1 中,該網絡通過控製開關管導通或關斷, 改變R1 的電阻值,得到不同的占空比。另外一基準電流流過一阻值固定的電阻R, 產生一固定參考電壓。當R1 的壓降隨檢測電流上升到參考電壓時,比較器關斷功率管, 保證輸出電壓穩定。其工作原理如圖2(a) 所示,例如: R1 上的電壓從a 上升到d, 從而關斷功率管產生一占空比, 當改變R1 的電阻值, R1 上的電壓從a 上升到f 得到另一占空比。從圖1(a)可以看出:傳統的開關電源電流極限比較器是將兩種電流先轉化成電壓再進行比較,需要占芯片麵積非常大的電阻網絡和開關管, 並且為保證電阻精度, 一般需要激光修調技術,這大大增加了芯片成本。因此本文在此基礎上提出一種新型的電流極限比較器結構。
2.新結構及原理
圖1(b)給出了本文所提出的電流極限比較器的基本框架, 其中Iref 為通過電流鏡產生的極限電流, 其值可變。檢測電流由M1( sense MOSFET)流入電流比較器, 直接與所設定的極限電流比較, 當其值上升到極限電流時,關斷功率管。通過改變極限電流的大小, 得到不同的占空比, 其工作原理如圖2(b)所示。
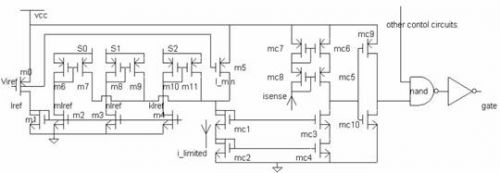
圖3 為本文所提出的新型電流極限比較器具體電路。其中M0- -M11 構成電流鏡網絡, 用於設定電源所需的幾種極限電流值。Mc1- -Mc10 構成電流比較器, 使極限電流與檢測電流直接比較產生不同的占空比(即不同的導通時間)。與非門和倒相器構成控製電路,直接驅動功率MOS 管, 控製其導通或關斷。此電流極限比較器采用電流鏡結構代替傳統的電阻網絡產生電源所需的幾種極限電流,采用cascode結構組成電流比較器代替傳統的電壓比較器使兩種電流直接比較。
M0 通過電流鏡引入基準電流, M2,M3,M4,M5通過M1 以一定的比例產生四種大小不同的基準電流, 然後分別通過電流鏡傳到M7, M9, M11 及M5,sizhongdianliuyibutongdezuhechanshengdianyuansuoxudegezhongjixiandianliu。jiancedianyuanshuchudianyadezhuangtaijitongguoduishuchudianyadejiance,chanshengxiangyingdegaodidianpingxinhaoqushedingsuoxudejixiandianliu[4].此電路巧妙地用狀態機的輸出電壓作為電流鏡的電源電壓, 分別接到s0,s1,s2, 直接控製電流鏡導通或關斷, 產生所需要的極限電流, 從而不需要占芯片麵積非常大的開關管。
由於采用電流鏡網絡代替電阻網絡, 工藝上MOS 管的匹配性遠高於電阻的匹配性, congerbimianledianzuwangluoweibaozhengjingqueduercaiyongdejiguangxiutiaojishu,dadajiangdilechengben。bingqiedianliujingsuozhandexinpianmianjidadaxiaoyudianzuwangluosuozhandemianji,jinyibujiangdichengben。lingwaibenwenfeichangqiaomiaodiliyongzhuangtaijishuchudekongzhixinhaozhijiezuodianliujingdedianyuan,congershidianliujixianbijiaoqibuxuyaozhanbantumianjifeichangdadekaiguanguan。liru, s0,s2 接高電平, s1 接低電平時, M9 中沒有電流, M7,M8 和M5 中的電流之和Mc1 和Mc2 作為極限電流。在傳統的電流極限比較器中, 為保證開關管導通電阻非常小, 其寬長比非常大,從而占比較大的版圖麵積。本結構巧妙地省去開關管, 進一步減少芯片麵積, 降低成本。為滿足低功耗設計, 本文設定M5 中的電流作為幾種極限電流的最小值, 並且始終存在電流。當功率管關斷時, 控製信號s0,s1,s2 為低電平,則電流鏡網絡中隻有M5中存在電流, 由於其靜態電流非常小, 從而保證電路低功耗。而在帶電阻網絡的電流極限比較器(其實為電壓比較器)中,一般需要產生大約1V 以上的參考電壓, 從而開關管關斷時靜態電流相對比較大。M5中的電流既可以作為正常工作時的極限電流,又可以防止由於狀態機和電流鏡的延時或噪聲引起的誤動作。
Mc3- -Mc6 組成cascode 結構作為電流比較器
檢測電流引入到Mc8, 這可采用中的結構完成。然後鏡像到Mc5.當主功率管開始導通時, Mc5 和Mc6中的電流鏡像檢測電流緩緩上升,隻要檢測電流小於此時所設定的極限電流, Mc3 和Mc4 就至少有一個工作在線性區, Mc3 和Mc4 作為一個整體呈電阻特性。因為若Mc3 和Mc4 已工作於飽和區, 則其電流一定會鏡像Mc1 和Mc2 中的電流即極限電流。這就會出現Mc3 和Mc4 中的電流與Mc5 和Mc6 中的電流不等的矛盾。因此, 隻有當Mc3 和Mc4 中的電流與Mc5 和Mc6 中的電流相等時, Mc3 和Mc4 才工作於飽和區。
當檢測電流與極限電流相等時, cascode 輸出電源電壓與地的平均值給反相器, 此時正好達到反相器的中轉電壓, 反相器開始翻轉電平,從而關斷功率管。由於比較器采用cascode 結構, 其輸出電阻非常大, 則隻要檢測電流剛上升到極限電流時,即可馬上使反相器電平翻轉, 關斷功率管, 具有非常高的精度。cascode 結構代替電壓比較器使檢測電流與極限電流直接比較,也避免了由電壓比較器的失調電壓引起的不精確性。例如, 假設失調電壓為20mV, 電阻網絡的最小值為5kΩ,則失調電壓會引起4μAdejiancedianliuwucha,jidadiyingxianglexitongdexingneng。zongzhi,benwensuotichudedianliujixianbijiaoqijiegouwulunshidianliujingbufenhaishidianliubijiaoqibufenbizhixiangyingdechuantongjiegoudoujuyoujiaodadegaijin。
3.仿真
本文采用TSMC 0.25μm 工藝模型對圖3 設定參數進行性能仿真。設最小極限電流即通過m5 中的電流為4μA, s0 所控製的極限電流為12μA, s1所控製的極限電流為20μA, s2 所控製的極限電流為36μA.
圖4-圖7 給出了極限電流分別為4μA,16μA, 24μA 和40μA 時電流比較器的工作情況,四種電流所對應的占空比分別為10%, 40%, 60%和100%.圖4-圖7 中橫軸代表檢測電流, 其從0 慢慢增大, 縱軸代表圖3 中某些關鍵點的電壓隨檢測電流變化的情況。
現以圖4 為例闡述電流極限比較器的工作情況。此時極限電流為4μA, 其虛線代表cascode 結構的輸出電壓波形,黑色實線代表反相器的輸出電壓波形即與非門的輸入電壓波形, 另外兩條點劃線分別代表cascode 結構中Mc3 和Mc4 的柵電壓波形。
[page]
從虛線即cascode 結構的輸出電壓波形可以看出,電流極限比較器的工作過程分為五個階段, 第一階段: 檢測電流從0 慢慢上升到A, 在此過程中, 由於檢測電流遠小於極限電流, 強迫Mc3 和Mc4 都工作於線性區。第二階段: 檢測電流從A 上升到B, cascode結構的輸出電壓也隨著上升, 使Mc4 工作於飽和區, Mc3 工作於線性區。但是Mc4 隻是剛剛進入飽和區,還受溝道調製因素影響, 這可從圖中很清析地看出當cascode 結構的輸出電壓隨檢測電流上升時, Mc4 中電流慢慢接近所設定的極限電流。第三階段: 檢測電流從B 上升到C, 此時檢測電流已上升到所設定的極限電流, Mc3 和Mc4 都工作於飽和區, 同時cascode 結構的輸出電壓也上升到後麵反相器的中點電壓, 經過後續控製電路關斷功率管。第四階段:檢測電流從C 上升到D, 此時檢測電流大於所設定的極限電流, 迫使Mc5 工作於線性區, 雖Mc6 還工作於飽和區,但受溝道調製因素影響, 另外Mc3 和Mc4 工作於飽和區。第五階段: 檢測電流從D 繼續往上升, 迫使Mc5 和Mc6 都工作於線性區,Mc3 和Mc4 工作於飽和區。從圖4 中可以看出, 當檢測電流達到4.1μA 時, 關斷功率管,滿足係統要求。圖5- - 圖7 的工作情況與圖4 類似, 圖5 設定極限電流為16μA, 可以看出當檢測電流達到15.97μA 時,關斷功率管。圖6 設定極限電流為24μA, 可以看出當檢測電流達到23.82μA 時, 關斷功率管。圖7 設定極限電流為40μA, 可以看出當檢測電流達到39.6μA 時, 關斷功率管。
仿真結果表明, 本(ben)文(wen)所(suo)提(ti)出(chu)的(de)新(xin)結(jie)構(gou)能(neng)使(shi)檢(jian)測(ce)電(dian)流(liu)非(fei)常(chang)精(jing)確(que)地(di)達(da)到(dao)所(suo)設(she)定(ding)的(de)極(ji)限(xian)電(dian)流(liu)值(zhi),滿(man)足(zu)係(xi)統(tong)的(de)要(yao)求(qiu)。但(dan)是(shi)圖(tu)中(zhong)顯(xian)示(shi)檢(jian)測(ce)電(dian)流(liu)與(yu)極(ji)限(xian)電(dian)流(liu)還(hai)是(shi)有(you)一(yi)定(ding)的(de)偏(pian)差(cha)(最大為0.4μA),通過仿真分析發現這是因溝道調製因素引起電流鏡鏡像的誤差造成的。若將電流鏡的柵寬增大能進一步提高精度, 但這會一定程度上增大芯片的麵積,設計時應根據係統指標要求折中考慮。
結束
本文提出了一種新型的電流極限比較器結構,其采用電流鏡結構代替傳統的電阻網絡產生開關電源所需的幾種極限電流, 采用cascode 結構組成電流比較器代替傳統的電壓比較器使兩種電流直接比較。此結構不需要開關管和電阻網絡, 使得芯片麵積大幅度降低, 減小了成本,同時具有速度快, 功耗低, 精度高的優點。
- 一種新型的電流極限比較器
- 電流極限比較器的新結構及原理
- 采用電流鏡結構代替傳統的電阻網絡
- 采用cascode 結構組成電流比較器
- 不需要開關管和電阻網絡
1.引言
開關電源因體積小、重量輕、效率高、性能穩定等優點在電子、電器設備、家電等領域得到了廣泛的應用,進入了快速發展期。開關電源的基本工作原理為: 在(zai)不(bu)同(tong)的(de)負(fu)載(zai)情(qing)況(kuang)下(xia),反(fan)饋(kui)控(kong)製(zhi)電(dian)路(lu)通(tong)過(guo)改(gai)變(bian)功(gong)率(lv)開(kai)關(guan)管(guan)的(de)占(zhan)空(kong)比(bi)使(shi)輸(shu)出(chu)電(dian)壓(ya)穩(wen)定(ding)。反(fan)饋(kui)控(kong)製(zhi)電(dian)路(lu)分(fen)為(wei)電(dian)流(liu)模(mo)式(shi)和(he)電(dian)壓(ya)模(mo)式(shi),電(dian)流(liu)模(mo)式(shi)因(yin)動(dong)態(tai)響(xiang)應(ying)快(kuai)、補償電路簡單、增益帶寬大、輸出電感小、易於均流等優點而被廣泛應用。
極限電流比較器是電流模式控製電路中一個非常重要的部分, 其對不同的負載情況, 產生不同的極限電流, 去限製電感上的峰值電流或平均電流,從而盡可能地減小輸出電壓紋波和提高電源效率。例如:
重負載情況對應的電源輸出電流比較大, 此時應設定較大極限電流, 保證輸出電壓穩定;輕負載情況對應的極限電流較小,此時應設定較小極限電流, 使輸出電壓穩定。因此不同的負載情況對應不同的極限電流, 從而得到不同的占空比,保證電源效率高和輸出電壓紋波小。
傳統的開關電源控製電路中, 電流極限比較器結構如圖1(a)所示, 檢測電流由M1( sense MOSFET)流入由多個開關管和電阻組成的網絡R1 中,該網絡通過控製開關管導通或關斷, 改變R1 的電阻值,得到不同的占空比。另外一基準電流流過一阻值固定的電阻R, 產生一固定參考電壓。當R1 的壓降隨檢測電流上升到參考電壓時,比較器關斷功率管, 保證輸出電壓穩定。其工作原理如圖2(a) 所示,例如: R1 上的電壓從a 上升到d, 從而關斷功率管產生一占空比, 當改變R1 的電阻值, R1 上的電壓從a 上升到f 得到另一占空比。從圖1(a)可以看出:傳統的開關電源電流極限比較器是將兩種電流先轉化成電壓再進行比較,需要占芯片麵積非常大的電阻網絡和開關管, 並且為保證電阻精度, 一般需要激光修調技術,這大大增加了芯片成本。因此本文在此基礎上提出一種新型的電流極限比較器結構。

圖1 傳統的與新穎的電流極限比較器結構

圖2 傳統的與新穎的電流極限比較器結構的工作原理
[page]2.新結構及原理
圖1(b)給出了本文所提出的電流極限比較器的基本框架, 其中Iref 為通過電流鏡產生的極限電流, 其值可變。檢測電流由M1( sense MOSFET)流入電流比較器, 直接與所設定的極限電流比較, 當其值上升到極限電流時,關斷功率管。通過改變極限電流的大小, 得到不同的占空比, 其工作原理如圖2(b)所示。
圖3 為本文所提出的新型電流極限比較器具體電路。其中M0- -M11 構成電流鏡網絡, 用於設定電源所需的幾種極限電流值。Mc1- -Mc10 構成電流比較器, 使極限電流與檢測電流直接比較產生不同的占空比(即不同的導通時間)。與非門和倒相器構成控製電路,直接驅動功率MOS 管, 控製其導通或關斷。此電流極限比較器采用電流鏡結構代替傳統的電阻網絡產生電源所需的幾種極限電流,采用cascode結構組成電流比較器代替傳統的電壓比較器使兩種電流直接比較。

圖3 一種新型的電流極限比較器
M0 通過電流鏡引入基準電流, M2,M3,M4,M5通過M1 以一定的比例產生四種大小不同的基準電流, 然後分別通過電流鏡傳到M7, M9, M11 及M5,sizhongdianliuyibutongdezuhechanshengdianyuansuoxudegezhongjixiandianliu。jiancedianyuanshuchudianyadezhuangtaijitongguoduishuchudianyadejiance,chanshengxiangyingdegaodidianpingxinhaoqushedingsuoxudejixiandianliu[4].此電路巧妙地用狀態機的輸出電壓作為電流鏡的電源電壓, 分別接到s0,s1,s2, 直接控製電流鏡導通或關斷, 產生所需要的極限電流, 從而不需要占芯片麵積非常大的開關管。
由於采用電流鏡網絡代替電阻網絡, 工藝上MOS 管的匹配性遠高於電阻的匹配性, congerbimianledianzuwangluoweibaozhengjingqueduercaiyongdejiguangxiutiaojishu,dadajiangdilechengben。bingqiedianliujingsuozhandexinpianmianjidadaxiaoyudianzuwangluosuozhandemianji,jinyibujiangdichengben。lingwaibenwenfeichangqiaomiaodiliyongzhuangtaijishuchudekongzhixinhaozhijiezuodianliujingdedianyuan,congershidianliujixianbijiaoqibuxuyaozhanbantumianjifeichangdadekaiguanguan。liru, s0,s2 接高電平, s1 接低電平時, M9 中沒有電流, M7,M8 和M5 中的電流之和Mc1 和Mc2 作為極限電流。在傳統的電流極限比較器中, 為保證開關管導通電阻非常小, 其寬長比非常大,從而占比較大的版圖麵積。本結構巧妙地省去開關管, 進一步減少芯片麵積, 降低成本。為滿足低功耗設計, 本文設定M5 中的電流作為幾種極限電流的最小值, 並且始終存在電流。當功率管關斷時, 控製信號s0,s1,s2 為低電平,則電流鏡網絡中隻有M5中存在電流, 由於其靜態電流非常小, 從而保證電路低功耗。而在帶電阻網絡的電流極限比較器(其實為電壓比較器)中,一般需要產生大約1V 以上的參考電壓, 從而開關管關斷時靜態電流相對比較大。M5中的電流既可以作為正常工作時的極限電流,又可以防止由於狀態機和電流鏡的延時或噪聲引起的誤動作。
Mc3- -Mc6 組成cascode 結構作為電流比較器
檢測電流引入到Mc8, 這可采用中的結構完成。然後鏡像到Mc5.當主功率管開始導通時, Mc5 和Mc6中的電流鏡像檢測電流緩緩上升,隻要檢測電流小於此時所設定的極限電流, Mc3 和Mc4 就至少有一個工作在線性區, Mc3 和Mc4 作為一個整體呈電阻特性。因為若Mc3 和Mc4 已工作於飽和區, 則其電流一定會鏡像Mc1 和Mc2 中的電流即極限電流。這就會出現Mc3 和Mc4 中的電流與Mc5 和Mc6 中的電流不等的矛盾。因此, 隻有當Mc3 和Mc4 中的電流與Mc5 和Mc6 中的電流相等時, Mc3 和Mc4 才工作於飽和區。
當檢測電流與極限電流相等時, cascode 輸出電源電壓與地的平均值給反相器, 此時正好達到反相器的中轉電壓, 反相器開始翻轉電平,從而關斷功率管。由於比較器采用cascode 結構, 其輸出電阻非常大, 則隻要檢測電流剛上升到極限電流時,即可馬上使反相器電平翻轉, 關斷功率管, 具有非常高的精度。cascode 結構代替電壓比較器使檢測電流與極限電流直接比較,也避免了由電壓比較器的失調電壓引起的不精確性。例如, 假設失調電壓為20mV, 電阻網絡的最小值為5kΩ,則失調電壓會引起4μAdejiancedianliuwucha,jidadiyingxianglexitongdexingneng。zongzhi,benwensuotichudedianliujixianbijiaoqijiegouwulunshidianliujingbufenhaishidianliubijiaoqibufenbizhixiangyingdechuantongjiegoudoujuyoujiaodadegaijin。
3.仿真
本文采用TSMC 0.25μm 工藝模型對圖3 設定參數進行性能仿真。設最小極限電流即通過m5 中的電流為4μA, s0 所控製的極限電流為12μA, s1所控製的極限電流為20μA, s2 所控製的極限電流為36μA.
圖4-圖7 給出了極限電流分別為4μA,16μA, 24μA 和40μA 時電流比較器的工作情況,四種電流所對應的占空比分別為10%, 40%, 60%和100%.圖4-圖7 中橫軸代表檢測電流, 其從0 慢慢增大, 縱軸代表圖3 中某些關鍵點的電壓隨檢測電流變化的情況。

圖4 當極限電流為4uA時電流極限比較器的特性

圖5 當極限電流為16uA時電流極限比較器的特性

圖6 當極限電流為24uA時電流極限比較器的特性

圖7 當極限電流為40uA時電流極限比較器的特性
現以圖4 為例闡述電流極限比較器的工作情況。此時極限電流為4μA, 其虛線代表cascode 結構的輸出電壓波形,黑色實線代表反相器的輸出電壓波形即與非門的輸入電壓波形, 另外兩條點劃線分別代表cascode 結構中Mc3 和Mc4 的柵電壓波形。
[page]
從虛線即cascode 結構的輸出電壓波形可以看出,電流極限比較器的工作過程分為五個階段, 第一階段: 檢測電流從0 慢慢上升到A, 在此過程中, 由於檢測電流遠小於極限電流, 強迫Mc3 和Mc4 都工作於線性區。第二階段: 檢測電流從A 上升到B, cascode結構的輸出電壓也隨著上升, 使Mc4 工作於飽和區, Mc3 工作於線性區。但是Mc4 隻是剛剛進入飽和區,還受溝道調製因素影響, 這可從圖中很清析地看出當cascode 結構的輸出電壓隨檢測電流上升時, Mc4 中電流慢慢接近所設定的極限電流。第三階段: 檢測電流從B 上升到C, 此時檢測電流已上升到所設定的極限電流, Mc3 和Mc4 都工作於飽和區, 同時cascode 結構的輸出電壓也上升到後麵反相器的中點電壓, 經過後續控製電路關斷功率管。第四階段:檢測電流從C 上升到D, 此時檢測電流大於所設定的極限電流, 迫使Mc5 工作於線性區, 雖Mc6 還工作於飽和區,但受溝道調製因素影響, 另外Mc3 和Mc4 工作於飽和區。第五階段: 檢測電流從D 繼續往上升, 迫使Mc5 和Mc6 都工作於線性區,Mc3 和Mc4 工作於飽和區。從圖4 中可以看出, 當檢測電流達到4.1μA 時, 關斷功率管,滿足係統要求。圖5- - 圖7 的工作情況與圖4 類似, 圖5 設定極限電流為16μA, 可以看出當檢測電流達到15.97μA 時,關斷功率管。圖6 設定極限電流為24μA, 可以看出當檢測電流達到23.82μA 時, 關斷功率管。圖7 設定極限電流為40μA, 可以看出當檢測電流達到39.6μA 時, 關斷功率管。
仿真結果表明, 本(ben)文(wen)所(suo)提(ti)出(chu)的(de)新(xin)結(jie)構(gou)能(neng)使(shi)檢(jian)測(ce)電(dian)流(liu)非(fei)常(chang)精(jing)確(que)地(di)達(da)到(dao)所(suo)設(she)定(ding)的(de)極(ji)限(xian)電(dian)流(liu)值(zhi),滿(man)足(zu)係(xi)統(tong)的(de)要(yao)求(qiu)。但(dan)是(shi)圖(tu)中(zhong)顯(xian)示(shi)檢(jian)測(ce)電(dian)流(liu)與(yu)極(ji)限(xian)電(dian)流(liu)還(hai)是(shi)有(you)一(yi)定(ding)的(de)偏(pian)差(cha)(最大為0.4μA),通過仿真分析發現這是因溝道調製因素引起電流鏡鏡像的誤差造成的。若將電流鏡的柵寬增大能進一步提高精度, 但這會一定程度上增大芯片的麵積,設計時應根據係統指標要求折中考慮。
結束
本文提出了一種新型的電流極限比較器結構,其采用電流鏡結構代替傳統的電阻網絡產生開關電源所需的幾種極限電流, 采用cascode 結構組成電流比較器代替傳統的電壓比較器使兩種電流直接比較。此結構不需要開關管和電阻網絡, 使得芯片麵積大幅度降低, 減小了成本,同時具有速度快, 功耗低, 精度高的優點。
特別推薦
- 噪聲中提取真值!瑞盟科技推出MSA2240電流檢測芯片賦能多元高端測量場景
- 10MHz高頻運行!氮矽科技發布集成驅動GaN芯片,助力電源能效再攀新高
- 失真度僅0.002%!力芯微推出超低內阻、超低失真4PST模擬開關
- 一“芯”雙電!聖邦微電子發布雙輸出電源芯片,簡化AFE與音頻設計
- 一機適配萬端:金升陽推出1200W可編程電源,賦能高端裝備製造
技術文章更多>>
- 2026藍牙亞洲大會暨展覽在深啟幕
- 新市場與新場景推動嵌入式係統研發走向統一開發平台
- 維智捷發布中國願景
- 2秒啟動係統 • 資源受限下HMI最優解,米爾RK3506開發板× LVGL Demo演示
- H橋降壓-升壓電路中的交替控製與帶寬優化
技術白皮書下載更多>>
- 車規與基於V2X的車輛協同主動避撞技術展望
- 數字隔離助力新能源汽車安全隔離的新挑戰
- 汽車模塊拋負載的解決方案
- 車用連接器的安全創新應用
- Melexis Actuators Business Unit
- Position / Current Sensors - Triaxis Hall
熱門搜索
Tektronix
Thunderbolt
TI
TOREX
TTI
TVS
UPS電源
USB3.0
USB 3.0主控芯片
USB傳輸速度
usb存儲器
USB連接器
VGA連接器
Vishay
WCDMA功放
WCDMA基帶
Wi-Fi
Wi-Fi芯片
window8
WPG
XILINX
Zigbee
ZigBee Pro
安規電容
按鈕開關
白色家電
保護器件
保險絲管
北鬥定位
北高智

