Buck型AC/AC交流變換器的設計與實現
發布時間:2012-01-17
中心議題:
- Buck型AC/AC交流變換器的電路結構與工作原理
- Buck型AC/AC交流變換器的設計與實現
解決方案:
- Buck型AC/AC交流變換器的控製策略設計
1 引言
AC/AC交流變換是把一種形式的交流電變換為另一種形式的交流電,其中可用於降壓變換的主要有工頻變壓器、相控交流調壓電路、交-直-交變換器、電子變壓器、高頻交流環節AC/AC交流變換器、矩陣變換器和非隔離的Buck型、Buck-Boost型AC/AC交流變換器。
工頻變壓器體積重量大,無穩壓及調壓功能;相控交流調壓電路輸入、輸出含有嚴重的諧波分量,一般隻適用於熱或機械慣性較大的負載功率調整[3];交-直-交變換器變換級數過多,其變換效率不高,且對電網諧波汙染嚴重;電子變壓器體積重量小,其開關器件數量眾多,且同樣沒有穩壓及調壓功能;高頻交流環節AC/AC交流變換器雖然可實現電氣隔離,但拓撲結構及控製電路複雜,而且開關器件數量眾多;矩陣變換器同樣存在開關器件多、控製策略複雜的問題,並且其最大增益僅為0.866;Buck-Boost型AC/AC交流變換器能實現升降壓功能,但其開關管電壓應力高,輸入輸出之間無直接能量傳遞通路,從而變換效率不高,且輸入輸出相位相反;在無需電氣隔離的降壓場合,Buck型AC/AC交流變換器具有結構簡單、容易控製等特點。本文詳細分析了Buck型AC/AC交流變換器的工作原理及其控製策略,對其進行了仿真研究,並研製了一台原理樣機,仿真及試驗結果與理論分析一致。
2 電路結構與工作原理
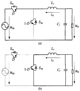
圖1為Buck型AC/AC交流變換器的電路結構,其中S1(S1a、S1b)和S2(S2a、S2b)為兩對交流開關管,兩者互補開通,開通時間分別為DTS、(1-D)TS,其中D為占空比,TS為開關周期。假設輸入電壓uin為理想正弦波,則:

其中Um為輸入電壓幅值;w=2pf,為輸入電壓角頻率;f為輸入電壓頻率。占空比D為常數,故輸出電壓uo也是正弦變化,其相位和輸入電壓uin一致,但幅值不大於Um。

輸入電壓uin和電感電流iLf的參考方向見圖1所示。根據輸入電壓uin和電感電流iLf的極性不同,在一個輸入電壓周期內,存在四種不同階段:uin >0, iLf >0;uin >0, iLf <0;uin <0, iLf<0;uin <0, iLf >0。
(1) uin > 0, iLf > 0
開關管S1b、S2b恒通,S1a、S2a高頻互補開通,該階段電路兩種開關模態如圖2所示。(圖中實線表示電流流經的路線,虛線表示電流未經過的路線,箭頭表示電壓、電流的實際方向;恒通的開關管省去,用直線代替。

[page]
當開關管S1a開通、S2a關斷時,輸入電壓通過開關管S1a、電感Lf給電容Cf和負載供電,如圖2(a)所示;當開關管S1a斷開、S2a開通時,電感電流iLf經Lf、Cf和負載、開關管S2a的反向二極管續流,Lf和Cf共同向負載供電,如圖2(b)所示。
圖2 uin > 0, iLf > 0時的開關模態:
(a) S1a開通、S2a關斷;
(b) S1a關斷、S2a開通
(2) uin > 0, iLf < 0
開關管S1b、S2b恒通,S1a、S2a高頻互補開通,該階段電路兩種開關模態如圖3所示。

當開關管S1a開通、S2a關斷時,輸入電壓通過開關管S1a的反向二極管、電感Lf給電容Cf和負載供電,如圖3(a)所示;當開關管S1a斷開,S2a開通時,電感電流iLf經Lf、開關管S2a、Cf和負載續流,Lf和Cf共同向負載供電,如圖3(b)所示。
圖3 uin > 0, iLf< 0時的開關模態:
(a) S1a開通、S2a關斷;
(b) S1a關斷、S2a開通
(3) uin <0, iLf < 0
開關管S1a、S2a恒通,S1b、S2b高頻互補開通,該階段電路兩種開關模態如圖4所示。

圖4 uin< 0, iLf < 0時的開關模態:
(a) S1b開通、S2b關斷;
(b) S1b關斷,S2b開通
當開關管S1b開通、S2b關斷時,輸入電壓通過開關管S1b、電感Lf給電容Cf和負載供電,如圖4(a)所示;當開關管S1b斷開,S2b開通時,電感電流iLf經Lf、開關管S2b的反向二極管、Cf和負載續流,Lf和Cf共同向負載供電,如圖4(b)所示。
[page]
(4) uin <0, iLf> 0
開關管S1a、S2a恒通,S1b、S2b高頻互補開通,該階段電路兩種開關模態如圖5所示。

當開關管S1b開通、S2b關斷時,輸入電壓通過開關管S1b的反向二極管、電感Lf給電容Cf和負載供電,如圖5(a)所示;當開關管S1b斷開,S2b開通時,電感電流iLf經Lf、Cf和負載、開關管S2b續流,Lf和Cf共同向負載供電,如圖5(b)所示。
圖5 uin< 0, iLf > 0時的開關模態:
(a) S1b開通、S2b關斷;
(b) S1b關斷,S2b開通
3 控製策略
Buck型AC/AC交流變換器的控製框圖如圖6所示。

輸出電壓經反饋采樣後,與基準輸出電壓信號uo_ref進行比較,經PI調節後得到輸出電壓誤差放大信號ue,再與三角波進行比較,得到高頻PWM控製信號SP2,SP2反相後得到控製信號SN2;輸入電壓經采樣後,經過零比較器產生低頻的輸入電壓極性信號SP1,SP1反相後得到信號SN1;SP2、SN2分別與SP1、SN1 進行邏輯或調製,產生開關管S1a、S1b、S2a、S2b的控製信號K1a、K1b、K2a、K2b。
4仿真與實驗
為了驗證Buck型AC/AC交流變換器理論分析的正確性和控製策略的可行性,對該變換器進行了仿真與實驗研究。
4.1仿真波形
仿真參數如下:輸入電壓幅值額定輸出電壓幅值為負載為48.4 W的電阻(輸出功率為250 W),開關采用理想器件;輸入電壓頻率f=50 Hz;開關頻率為50kHz;電感Lf =500μH,電容Cf =4.4μF。
[page]
開關管S1a、S1b、S2a、S2b的控製信號K1a、K1b、K2a、K2b的仿真波形如圖7(a)所示。當輸入電壓大於零時,開關管S1b、S2b恒通,S1a、S2a高頻互補開通;當輸入電壓小於零時,開關管S1a、S2a恒通,S1b、S2b高頻互補開通。圖7(b)為輸入電壓uin、輸出電壓uo和交流開關管S2的兩端(即S2a、S2b兩管D(漏極)-D(漏極)之間的)電壓波形uS2。

圖7 Buck型AC/AC交流變換器的仿真波形:
(a) 控製信號K1a、K1b、K2a、K2b ;
(b) 電壓uin、uo及uS2
4.2實驗波形
根據上述分析,本文設計了一台原理樣機。樣機參數設置如下:輸入電壓有效值Uin =220V, 額定輸出電壓有效值Uo =110V。開關管采用IRFP460A;輸入電壓頻率為50Hz;開關頻率為45kHz;電感Lf=500μH;電容Cf=4.4μF。其實驗波形如圖8所示。其中圖8(a)為輸入電壓uin和輸出電壓uo的實驗波形,uo和uin的相位相同;圖8(b)為輸入電壓uin和交流開關管S2的兩端電壓波形uS2,uS2是以uin為包絡線的高頻脈衝序列。

圖8 Buck型AC/AC交流變換器的實驗波形:
(a) 輸入電壓uin和輸出電壓uo ;
(b) 輸入電壓uin和S2的兩端電壓uS2
5 結論
本文詳細分析了Buck型AC/AC交jiao流liu變bian換huan器qi的de工gong作zuo原yuan理li及ji其qi控kong製zhi策ce略lve。該gai變bian換huan器qi兩liang對dui交jiao流liu開kai關guan管guan高gao頻pin互hu補bu開kai通tong,當dang占zhan空kong比bi為wei常chang數shu時shi,其qi輸shu出chu電dian壓ya和he輸shu入ru電dian壓ya的de相xiang位wei相xiang同tong,但dan幅fu值zhi不bu大da於yu輸shu入ru電dian壓ya的de幅fu值zhi。通tong過guo對dui輸shu入ru電dian壓ya的de極ji性xing判pan斷duan,並bing結jie合he輸shu出chu電dian壓ya誤wu差cha放fang大da信xin號hao與yu三san角jiao載zai波bo的de比bi較jiao結jie果guo,可ke確que定ding各ge開kai關guan管guan的de工gong作zuo狀zhuang態tai。仿fang真zhen和he試shi驗yan結jie果guo驗yan證zheng了le理li論lun分fen析xi的de正zheng確que性xing及ji控kong製zhi策ce略lve的de可ke行xing性xing。
- 噪聲中提取真值!瑞盟科技推出MSA2240電流檢測芯片賦能多元高端測量場景
- 10MHz高頻運行!氮矽科技發布集成驅動GaN芯片,助力電源能效再攀新高
- 失真度僅0.002%!力芯微推出超低內阻、超低失真4PST模擬開關
- 一“芯”雙電!聖邦微電子發布雙輸出電源芯片,簡化AFE與音頻設計
- 一機適配萬端:金升陽推出1200W可編程電源,賦能高端裝備製造
- XZ1824:寬電壓輸入下的高效降壓型DC-DC控製器
- 上海通用重工AR係列:350A空冷機器人焊接套裝,解鎖高精度自動化焊接新效能
- 豆包和Gemini誰更“聰明”?2026年最新實測對比,看完不再糾結
- 2026藍牙亞洲大會暨展覽在深啟幕
- 新市場與新場景推動嵌入式係統研發走向統一開發平台
- 車規與基於V2X的車輛協同主動避撞技術展望
- 數字隔離助力新能源汽車安全隔離的新挑戰
- 汽車模塊拋負載的解決方案
- 車用連接器的安全創新應用
- Melexis Actuators Business Unit
- Position / Current Sensors - Triaxis Hall

