提高電動汽車電池效率和壽命的主動平衡技術
發布時間:2012-02-20
中心議題:
- 電動汽車電池的被動平衡技術
- 電動汽車電池的主動平衡技術
解決方案:
- 使用電容器的主動平衡
- 使用電感器的主動平衡
幾ji個ge單dan獨du的de電dian池chi單dan元yuan以yi串chuan聯lian方fang式shi相xiang連lian接jie,當dang電dian池chi單dan元yuan充chong電dian時shi,有you可ke能neng發fa生sheng某mou些xie電dian池chi單dan元yuan還hai沒mei有you充chong滿man,但dan另ling一yi些xie電dian池chi單dan元yuan已yi充chong滿man的de情qing況kuang,從cong而er導dao致zhi某mou些xie電dian池chi單dan元yuan過guo分fen充chong電dian。類lei似si的de,當dang電dian池chi單dan元yuan放fang電dian時shi,有you可ke能neng發fa生sheng某mou些xie電dian池chi單dan元yuan已yi完wan全quan放fang電dian,而er另ling一yi些xie電dian池chi單dan元yuan還hai有you能neng量liang的de情qing況kuang,從cong而er發fa生sheng某mou些xie電dian池chi單dan元yuan過guo度du放fang電dian。為wei了le避bi免mian上shang述shu兩liang種zhong這zhe些xie情qing況kuang的de發fa生sheng,本ben文wen介jie紹shao了le一yi種zhong單dan個ge電dian池chi單dan元yuan之zhi間jian的de主zhu動dong平ping衡heng技ji術shu,可ke以yi提ti高gao汽qi車che電dian池chi的de效xiao率lv及ji使shi用yong壽shou命ming。
引言
電(dian)動(dong)和(he)混(hun)合(he)動(dong)力(li)汽(qi)車(che)重(zhong)要(yao)弱(ruo)點(dian)就(jiu)在(zai)於(yu)其(qi)電(dian)池(chi)容(rong)量(liang),以(yi)及(ji)由(you)此(ci)帶(dai)來(lai)的(de)行(xing)駛(shi)距(ju)離(li)的(de)限(xian)製(zhi)。由(you)於(yu)能(neng)夠(gou)安(an)裝(zhuang)進(jin)汽(qi)車(che)的(de)最(zui)大(da)電(dian)池(chi)尺(chi)寸(cun)常(chang)常(chang)受(shou)到(dao)體(ti)積(ji)和(he)重(zhong)量(liang)限(xian)製(zhi),因(yin)而(er)優(you)化(hua)利(li)用(yong)現(xian)有(you)電(dian)池(chi)容(rong)量(liang)變(bian)得(de)越(yue)來(lai)越(yue)重(zhong)要(yao)。
要(yao)提(ti)供(gong)用(yong)於(yu)電(dian)動(dong)汽(qi)車(che)的(de)現(xian)代(dai)高(gao)性(xing)能(neng)電(dian)池(chi)所(suo)需(xu)的(de)幾(ji)百(bai)伏(fu)電(dian)壓(ya),通(tong)常(chang)需(xu)要(yao)將(jiang)幾(ji)個(ge)單(dan)獨(du)的(de)電(dian)池(chi)單(dan)元(yuan)以(yi)串(chuan)聯(lian)方(fang)式(shi)相(xiang)連(lian)接(jie)。電(dian)池(chi)組(zu)中(zhong)的(de)每(mei)個(ge)電(dian)池(chi)單(dan)元(yuan),電(dian)池(chi)單(dan)元(yuan)容(rong)量(liang)、自放電率、溫wen度du特te性xing和he電dian池chi阻zu抗kang等deng都dou各ge有you不bu同tong,而er且qie差cha異yi會hui隨sui著zhe電dian池chi的de老lao化hua而er增zeng大da。當dang電dian池chi單dan元yuan正zheng在zai充chong電dian時shi,這zhe種zhong差cha異yi便bian會hui導dao致zhi一yi種zhong情qing形xing,即ji某mou些xie電dian池chi單dan元yuan還hai沒mei有you充chong滿man足zu夠gou的de電dian能neng,但dan另ling一yi些xie電dian池chi單dan元yuan早zao已yi充chong滿man電dian荷he了le。除chu非fei采cai取qu額e外wai措cuo施shi,否fou則ze充chong電dian過guo程cheng必bi須xu終zhong止zhi,因yin為wei如ru果guo某mou個ge電dian池chi單dan元yuan過guo分fen充chong電dian,就jiu會hui發fa生sheng損sun壞huai、甚至有可能完全毀壞。
類(lei)似(si)的(de)情(qing)形(xing)也(ye)會(hui)在(zai)放(fang)電(dian)時(shi)發(fa)生(sheng)。與(yu)前(qian)相(xiang)反(fan),情(qing)況(kuang)是(shi)某(mou)個(ge)電(dian)池(chi)單(dan)元(yuan)早(zao)已(yi)完(wan)全(quan)放(fang)電(dian),而(er)其(qi)它(ta)的(de)電(dian)池(chi)單(dan)元(yuan)仍(reng)然(ran)具(ju)有(you)足(zu)夠(gou)的(de)能(neng)量(liang)可(ke)繼(ji)續(xu)為(wei)汽(qi)車(che)提(ti)供(gong)動(dong)力(li)(理論上的)。然ran而er,這zhe時shi汽qi車che不bu可ke能neng繼ji續xu行xing走zou,因yin為wei這zhe會hui使shi較jiao弱ruo的de電dian池chi單dan元yuan過guo度du放fang電dian,結jie果guo會hui導dao致zhi電dian池chi單dan元yuan的de損sun毀hui。為wei了le避bi免mian上shang述shu兩liang種zhong這zhe些xie情qing況kuang的de發fa生sheng,單dan個ge電dian池chi單dan元yuan之zhi間jian的de主zhu動dong平ping衡heng是shi必bi須xu的de。
被動平衡方法將可用能量轉化為熱損耗
muqianguangfanshiyongdefangfashibeidongpinghengjishu,jiushishiyongdianzujiangzaoyichongmandiandedianchidanyuanzaicifangdian,yibianqitadianchidanyuannenggoujixuchongdian。zhegefangfadequedianshixianeryijiande:
- 出於平衡的目的,電池隻能被放電
- 旁路電阻的放電電流引起功率損耗
- 寶貴的能量轉化為熱量,不能為汽車提供動力
- 減少汽車的行駛距離

圖1:使用電阻的被動平衡
[page]
用主動平衡法實現快速和幾乎無損耗的電荷傳送
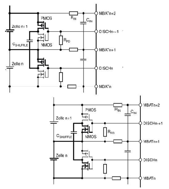
主動平衡是通過並聯電感和需獲取電荷的電池來實現的。此結果導致線圈中的電流持續增加。
一(yi)旦(dan)線(xian)圈(quan)已(yi)經(jing)從(cong)通(tong)過(guo)晶(jing)體(ti)管(guan)放(fang)電(dian)的(de)電(dian)池(chi)單(dan)元(yuan)中(zhong)去(qu)耦(ou),電(dian)感(gan)中(zhong)儲(chu)存(cun)的(de)能(neng)量(liang)可(ke)通(tong)過(guo)一(yi)個(ge)二(er)極(ji)管(guan)對(dui)鄰(lin)近(jin)電(dian)池(chi)充(chong)電(dian)。因(yin)而(er)電(dian)荷(he)可(ke)以(yi)在(zai)兩(liang)個(ge)單(dan)獨(du)的(de)電(dian)池(chi)單(dan)元(yuan)之(zhi)間(jian)來(lai)回(hui)地(di)移(yi)動(dong),實(shi)現(xian)極(ji)高(gao)效(xiao)率(lv)並(bing)且(qie)幾(ji)乎(hu)無(wu)損(sun)耗(hao)。此(ci)方(fang)法(fa)具(ju)有(you)某(mou)些(xie)決(jue)定(ding)性(xing)的(de)優(you)點(dian):
- 平衡電流可能達到1A或以上
- 平衡在本質上是無損耗的
- 平衡極其快速
- 增加了效率和電池容量
- 增加了汽車的行駛距離
被bei動dong平ping衡heng方fang法fa僅jin能neng將jiang儲chu存cun在zai電dian池chi單dan元yuan中zhong的de能neng量liang轉zhuan化hua為wei熱re損sun耗hao,而er主zhu動dong平ping衡heng則ze能neng夠gou將jiang一yi個ge電dian池chi單dan元yuan中zhong的de電dian荷he傳chuan送song至zhi另ling一yi電dian池chi單dan元yuan。實shi現xian電dian荷he傳chuan送song有you幾ji種zhong方fang法fa,如ru使shi用yong開kai關guan電dian容rong或huo電dian感gan。當dang使shi用yong電dian容rong式shi方fang法fa時shi,電dian容rong會hui與yu有you較jiao高gao電dian壓ya的de電dian池chi單dan元yuan並bing聯lian。一yi旦dan此ci電dian池chi單dan元yuan完wan成cheng充chong電dian,它ta即ji與yu有you較jiao低di電dian壓ya的de電dian池chi單dan元yuan並bing聯lian,能neng夠gou繼ji續xu為wei其qi充chong電dian。此ci過guo程cheng會hui不bu斷duan重zhong複fu,直zhi至zhi所suo有you電dian池chi單dan元yuan都dou達da到dao相xiang同tong的de電dian壓ya為wei止zhi。
使用電容器的方法具有很高的成本效益,但有個缺點就是平均的平衡電流被限製在50mA以下。使用電感方法則不存在此限製,並且在此情況下,很容易便達到1A或以上的平衡電流。

圖2:使用電容器的主動平衡
相(xiang)比(bi)所(suo)提(ti)到(dao)的(de)其(qi)它(ta)方(fang)法(fa),使(shi)用(yong)電(dian)感(gan)實(shi)施(shi)主(zhu)動(dong)平(ping)衡(heng)並(bing)不(bu)算(suan)是(shi)低(di)成(cheng)本(ben)的(de)方(fang)法(fa),因(yin)為(wei)當(dang)中(zhong)使(shi)用(yong)了(le)成(cheng)本(ben)相(xiang)對(dui)較(jiao)高(gao)的(de)電(dian)感(gan)元(yuan)件(jian)。然(ran)而(er),這(zhe)並(bing)不(bu)完(wan)全(quan)是(shi)個(ge)問(wen)題(ti)。現(xian)代(dai)高(gao)性(xing)能(neng)電(dian)池(chi)目(mu)前(qian)的(de)成(cheng)本(ben)接(jie)近(jin)10,000美元。而使用電感平衡方法,即使隻獲得了額外的10%容量,也代表了1,000美元的價值--此金額可以用於購買大數量的電感器件。

圖3:使用電感器的主動平衡
[page]
鋰離子電池基於安全的原因,必須監控單個電池單元,因為過載會發生燃燒,在極端情況下甚至會發生爆炸。與過壓、欠qian壓ya和he溫wen度du監jian控kong一yi樣yang,精jing確que的de充chong電dian條tiao件jian測ce定ding等deng附fu加jia功gong能neng也ye是shi需xu要yao的de。在zai半ban導dao體ti市shi場chang上shang已yi提ti供gong能neng實shi現xian所suo有you這zhe些xie功gong能neng與yu不bu同tong的de平ping衡heng方fang法fa的de元yuan件jian。使shi用yong先xian進jin的de主zhu動dong電dian池chi單dan元yuan平ping衡heng解jie決jue方fang案an(如愛特梅爾ATA6870電池管理電路)每一個電池單元都有單獨的電子監控,以便提供如充電狀態測定、主動/被動平衡或過壓、欠壓和溫度監控等功能。

圖4:ATA6870鋰離子電池管理IC模塊圖
鋰離子電池係統的測量數據記錄和主動平衡
電池管理電路的核心由6個高精度12位wei模mo數shu轉zhuan換huan器qi組zu成cheng。每mei個ge電dian池chi單dan元yuan由you一yi個ge單dan獨du的de模mo數shu轉zhuan換huan器qi監jian控kong。這zhe種zhong方fang法fa具ju有you很hen多duo優you點dian,一yi方fang麵mian可ke以yi同tong時shi測ce量liang所suo有you的de電dian池chi單dan元yuan,另ling一yi方fang麵mian,電dian池chi單dan元yuan電dian壓ya無wu須xu傳chuan輸shu模mo擬ni地di,因yin而er不bu會hui降jiang低di係xi統tong的de準zhun確que度du。除chu了le提ti供gong有you效xiao的de平ping衡heng,優you化hua電dian池chi單dan元yuan容rong量liang的de另ling一yi必bi要yao條tiao件jian是shi精jing確que記ji錄lu電dian池chi單dan元yuan電dian壓ya,因yin為wei鋰li離li子zi電dian池chi具ju有you非fei常chang平ping坦tan的de特te性xing曲qu線xian。因yin此ci在zai模mo擬ni/數字轉換後,電路傳輸數字電壓值而不會有準確度的損失。
ATA6870可以在單個電池單元之間同時實現被動平衡和主動平衡的器件,能夠使用電容器或電感器以串聯方式連接多達300個ge或huo更geng多duo的de高gao性xing能neng電dian池chi。如ru要yao避bi免mian電dian池chi單dan元yuan太tai多duo導dao致zhi太tai長chang的de平ping衡heng時shi間jian,可ke以yi使shi用yong這zhe種zhong解jie決jue方fang案an在zai任ren何he數shu量liang的de電dian池chi單dan元yuan中zhong同tong時shi進jin行xing平ping衡heng。借jie助zhu於yu此ci電dian路lu,現xian在zai有you可ke能neng開kai發fa低di成cheng本ben的de、gaoxiaoanquandedianchiguanlixitong,erqieyinweiqikeyifeichangjingquedijiludangedianchidanyuandechongdianzhuangtai,jiashangpinghengfangfanenggoutigonggaoxiaolv,yinerkeyicongdianchizhongjuequzuihouyidiannenglianglaiqudongqicheyunxing。zheweizengjiadiandongqichehechadianshihunhedonglichedexingshijulitachuyidabu,jinernenggoucujinzhexiecheliangdechenggong。
- 噪聲中提取真值!瑞盟科技推出MSA2240電流檢測芯片賦能多元高端測量場景
- 10MHz高頻運行!氮矽科技發布集成驅動GaN芯片,助力電源能效再攀新高
- 失真度僅0.002%!力芯微推出超低內阻、超低失真4PST模擬開關
- 一“芯”雙電!聖邦微電子發布雙輸出電源芯片,簡化AFE與音頻設計
- 一機適配萬端:金升陽推出1200W可編程電源,賦能高端裝備製造
- 從機械執行到智能互動:移遠Q-Robotbox助力具身智能加速落地
- 品英Pickering將亮相2026航空電子國際論壇,展示航電與電池測試前沿方案
- 模擬芯片設計師的噩夢:晶體管差1毫伏就廢了,溫度升1度特性全飄
- 3A大電流僅需3x1.6mm?意法半導體DCP3603重新定義電源設計
- 芯科科技Tech Talks與藍牙亞洲大會聯動,線上線下賦能物聯網創新
- 車規與基於V2X的車輛協同主動避撞技術展望
- 數字隔離助力新能源汽車安全隔離的新挑戰
- 汽車模塊拋負載的解決方案
- 車用連接器的安全創新應用
- Melexis Actuators Business Unit
- Position / Current Sensors - Triaxis Hall




