矩陣級聯型高壓變頻器的原理與應用
發布時間:2012-02-24
中心議題:
- 矩陣級聯型變頻器的拓撲結構及其特點
- 矩陣級聯型變頻器的實現方法
- 矩陣級聯型變頻器的係統仿真
解決方案:
- 將矩陣變換器引入H橋級聯型高壓變頻器
1 引言
近幾年,H橋級聯式高壓變頻器得到了很快的推廣和普及,其“完美無諧波”的特點,被更多的人所讚譽和接受,這主要歸功於一個簡單的思路,即:用相對獨立的低壓變換單元,通過串聯的辦法來解決高壓問題。思路很簡單,但實現起來方法卻各有不同。
本文就提出了一種將矩陣變換器引入H橋級聯型高壓變頻器的新方法,並替換其中的H橋功率單元,舍棄了直流環節和串、並聯電解電容器組,實現了交—交形式的直接變換,因此大大延長了變頻器的使用壽命,體積也可以減小許多。
2 拓撲結構及其特點
2.1 矩陣變頻器
矩陣式變換器,主要由矩陣開關以m×n陣列形式構成,當用作電機驅動時m和n的值都取3,組成矩陣變頻器,其電路拓撲如圖1所示。

圖1 矩陣變換器
虛線框內為矩陣開關,由兩支反串聯的IGBT構成,也可以由兩支反並聯的晶閘管構成,它的作用是實現電流的雙向控製。
(1)特點:
- 可以實現四象限運行;
- 無需電解電容器;
- 無需電力變壓器;
- 體積小,重量輕;
- 效率高。
(2)缺點:
- 開關型功率器件數量多;
- 功率器件需要能耗型吸收電路;
- 采用IGBT時,受器件耐壓限製,高電壓變換難於實現。
[page]
2.2 交—交變頻器
交—交型變頻器,主要由電力變壓器和三個單相交—交變換器共同組成,一般通過星形連接形成三相輸出,電路拓撲結構如圖2所示。

圖2 交—交變頻器
虛線框內為單相交—jiaobianhuanqigonglvdanyuan,youshuzhifanbingliandejingzhaguangoucheng,zuoyongyeshishixiankehuanxiangzhengliukongzhi。danshixuyaoshuomingdeshi,jingzhaguandeguanduanxuyaoyilaidianyuanjiaoliudianyadeziranhuanxiangcainengshixian。
(1)特點:
- 可以實現四象限運行;
- 無需電解電容器;
- 效率較高。
(2)缺點:
- 需要電力變壓器,體積大,較重;
- 晶閘管數量多,需要能耗型吸收電路;
- 晶閘管的關斷依賴電源的交流電壓;
- 輸出諧波較大;
- 輸出頻率範圍因諧波原因受到較大的限製。
2.3 H橋級聯型高壓變頻器
H橋級聯型高壓變頻器,主要由移相式輸入變壓器和多個H橋單相逆變單元共同組成,單元與單元之間串聯,並最終進行星形連接,從而實現三相輸出。如圖3所示,是一個3kV H橋級聯型高壓變頻器的電路拓撲形式,它的每一個相電壓由3個H橋單元串聯而成。

圖3 H橋級聯型高壓變頻器
虛線框內為H橋單相逆變單元,由三相輸入整流、濾波電容組和H橋逆變電路(全橋)共同組成,本質是一個AC-DC-AC變換器。
(1)特點:
- 功率因數高;
- 輸入、輸出電流波形接近正弦波,諧波小;
- 效率較高;
- 高電壓變換容易實現。
[page]
(2)缺點:
- 需要複雜的電力變壓器;
- 體積大,較重;
- 功率器件數量多;
- 依賴直流電容器,如果采用電解電容器,還需要定期維護。
2.4 矩陣級聯型高壓變頻器
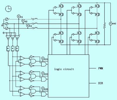
本文提出的矩陣級聯型高壓變頻器,主要由移相式輸入變壓器和多個矩陣單相變換單元共同組成,它是在H橋級聯型變頻器基礎上,將矩陣變換單元引入並替代H橋單相逆變單元而形成的,其單元與單元之間也采取串聯及星形連形式,並最終實現三相輸出的。拓撲結構如圖4所示,是一個3kV矩陣級聯型高壓變頻器的電路形式,它的每一個相電壓由3個3×2矩陣變換單元串聯而成,三相共需要9個這樣的單元。

圖4 矩陣級聯型高壓變頻器
虛線框內為3×2矩陣變換單元,通過虛擬整流技術及可三電平輸出的PWM控製技術,實現了三相交流電輸入和單相三電平交流電的輸出,可以適應感性負載的變化。
(1)特點:
- 可以實現四象限運行;
- 無需電解電容器,壽命較長;
- 變流器的體積較H橋單元的小;
- 輸入、輸出電流波形接近正弦波,諧波小;
- 功率因數高;
- 效率較高;
- 高電壓變換容易實現;
- 輸出頻率範圍寬。
(2)缺點:
- 需要複雜的電力變壓器,體積大,較重;
- 功率器件數量多;
- 功率器件需要能耗型吸收電路。
[page]
3 矩陣級聯型變頻器的實現方法
矩陣級聯型高壓變頻器,采用3×2矩陣變換單元相互串聯而成,實現了高電壓的輸出,具有與H橋級聯型高壓變頻器相似的特點,同時又具備矩陣、交—交變換器的四象限運行能力。
其實現方法是:三相高壓交流電經移相變壓器的降壓、隔離和相移,形成互差一定角度的三相交流電。將該三相交流電分別送到各個矩陣變換單元,經虛擬整流、換向、PWM斬(zhan)波(bo)控(kong)製(zhi)和(he)三(san)電(dian)平(ping)轉(zhuan)換(huan),得(de)到(dao)單(dan)相(xiang)的(de)交(jiao)流(liu)電(dian)輸(shu)出(chu)。將(jiang)數(shu)台(tai)矩(ju)陣(zhen)變(bian)換(huan)單(dan)元(yuan)的(de)輸(shu)出(chu)端(duan)串(chuan)聯(lian)起(qi)來(lai),並(bing)組(zu)合(he)成(cheng)星(xing)形(xing),便(bian)得(de)到(dao)了(le)可(ke)直(zhi)接(jie)驅(qu)動(dong)高(gao)壓(ya)電(dian)動(dong)機(ji)的(de)三(san)相(xiang)交(jiao)流(liu)電(dian)。每(mei)台(tai)矩(ju)陣(zhen)變(bian)換(huan)單(dan)元(yuan)通(tong)過(guo)一(yi)對(dui)光(guang)纖(xian)接(jie)受(shou)控(kong)製(zhi)器(qi)的(de)指(zhi)令(ling)和(he)PWM信xin號hao,同tong時shi也ye能neng向xiang控kong製zhi器qi傳chuan送song狀zhuang態tai和he告gao警jing信xin息xi。矩ju陣zhen變bian換huan單dan元yuan,采cai用yong虛xu擬ni整zheng流liu技ji術shu,沒mei有you真zhen正zheng的de直zhi流liu環huan節jie,不bu需xu要yao平ping波bo電dian容rong器qi,所suo以yi使shi用yong壽shou命ming得de到dao延yan長chang,可ke以yi減jian少shao維wei護hu量liang,甚shen至zhi可ke以yi設she計ji出chu免mian維wei護hu的de產chan品pin。
3.1 虛擬整流技術
xunizhengliujishudeshixian,zhuyaotongguosanxiangtongbujiancedianluqudetongbukongzhixinhao,ranhoukongzhigonglvqijianlaimonierjiguanqiaoshizhengliudianluduisanxiangjiaoliudianjinxingzhengliu,tongshifangzhishurudesanxiangjiaoliudianxiangjianduanlu。qiyuanlirutu9所示,是一個輸出方向固定的虛擬整流電路。仿真波形如圖5所示,它們分別是矩陣變換單元的三相輸入電壓、6路同步信號和虛擬整流後得到的輸出電壓波形。

圖5 方向固定的虛擬整流仿真波形
3.2 換向技術
換huan向xiang技ji術shu,是shi通tong過guo可ke換huan向xiang虛xu擬ni整zheng流liu技ji術shu實shi現xian的de,可ke以yi設she計ji一yi個ge邏luo輯ji轉zhuan換huan電dian路lu接jie收shou由you控kong製zhi器qi發fa出chu的de輸shu出chu方fang向xiang給gei定ding信xin號hao,可ke以yi在zai任ren意yi時shi刻ke改gai變bian虛xu擬ni整zheng流liu電dian路lu的de輸shu出chu方fang向xiang,仿fang真zhen波bo形xing如ru圖tu6所示。

圖6 輸出可換向的虛擬整流波形
[page]
3.3 PWM斬波控製
對虛擬整流波形進行斬波控製,便可以得到占空比可任意調節的PWM波形。如圖7所示,是通過SPWM控製得到的輸出波形圖。可以看出它的包絡就是虛擬整流得到的波形。

圖7 輸出經SPWM斬波控製的輸出波形
3.4 三電平控製
suiranjingguoshangshuguochengshixianleshuchudezhanbokongzhi,danshitajinjinshixianletongheduandezhuanhuan,bingbunengweifuzaitigongxuliunengli。erbianpinqiyingduidedoushiganxingdefuzai,yincijuzhenbianhuandanyuanbixujubeishuchuxuliuhuanjie,weicikaolvcaiyongsandianpingkongzhicelveshibixude。
4 矩陣級聯型變頻器的係統仿真
矩陣級聯型高壓變頻器采用的矩陣變換單元,本質上是一個三相輸入,單相輸出的AC-AC變換器,即圖4虛線框內所指的部分,仿真的具體電路原理如圖8所示。

圖8 矩陣變換單元電路仿真原理圖
圖8所示邏輯電路,其作用是完成三電平的轉換和安全機製的處理,限於篇幅的原因不做進一步的分解。
討論如何建立矩陣級聯型變頻器係統仿真模型,應首先討論如何建立單相矩陣級聯模型。
[page]
4.1 單相矩陣級聯
以圖4所示的A相為例,建立由3個矩陣變換單元串聯而成的仿真模型,將電網輸入電壓相互相移20°,每個變換單元在產生SPWM控製信號之前,將三角波參照自身互相相移120°,其他部分完全相同。把變換單元A1、A2和A3尾首相連,A1的首和A3的尾懸空並用於測量。於是得到單相串聯輸出波形圖如圖9所示,參照圖4,它們分別是:變換單元A1輸入三相電壓、A1輸出單相電壓、A2輸出單相電壓、A3輸出單相電壓、A相總輸出單相電壓波形,以及A相給定的基波電壓。

圖9 單相矩陣級聯的仿真波形
通過上述仿真模型得出的結果,不難看出由3個具有三電平輸出能力的矩陣變換單元,可以通過串聯得到3×2+1=7個電平數,這與H橋(qiao)級(ji)聯(lian)型(xing)變(bian)頻(pin)器(qi)的(de)情(qing)況(kuang)相(xiang)類(lei)似(si),不(bu)同(tong)的(de)是(shi)矩(ju)陣(zhen)級(ji)聯(lian)變(bian)換(huan)器(qi)輸(shu)出(chu)的(de)電(dian)平(ping)是(shi)虛(xu)擬(ni)整(zheng)流(liu)波(bo)形(xing)的(de)包(bao)絡(luo)。值(zhi)得(de)說(shuo)明(ming)的(de)是(shi),矩(ju)陣(zhen)變(bian)換(huan)單(dan)元(yuan)串(chuan)聯(lian)的(de)越(yue)多(duo),其(qi)輸(shu)入(ru)電(dian)壓(ya)和(he)調(tiao)製(zhi)三(san)角(jiao)波(bo)的(de)相(xiang)移(yi)角(jiao)度(du)也(ye)會(hui)選(xuan)擇(ze)的(de)越(yue)緊(jin)密(mi),係(xi)統(tong)輸(shu)出(chu)就(jiu)越(yue)接(jie)近(jin)正(zheng)弦(xian)波(bo)。
4.2 三相矩陣級聯
將單相矩陣級聯串組合成星形連接,便形成了三相輸入三相輸出的交流電。如圖10所示,

圖10 三相矩陣級聯電壓輸出圖
它們分別是A相單台矩陣變換單元輸出電壓、A相輸出總電壓、B相輸出總電壓和A-B總輸出線電壓的波形圖。
5 結論
本文揭示和描述了一種新型的矩陣級聯型高壓變頻器,並著重闡述了它的拓撲形式、組成原理、實現方法和研究內容等。矩陣級聯式高壓變頻器具有矩陣變頻器、交—交變頻器和H橋級聯型高壓變頻器的三重特點,采用虛擬的多重化整流和PWM逆(ni)變(bian)技(ji)術(shu),不(bu)需(xu)要(yao)電(dian)容(rong)器(qi)組(zu),具(ju)有(you)體(ti)積(ji)小(xiao),效(xiao)率(lv)高(gao),低(di)諧(xie)波(bo),長(chang)壽(shou)命(ming)等(deng)特(te)點(dian),所(suo)以(yi)對(dui)它(ta)進(jin)行(xing)深(shen)入(ru)的(de)研(yan)究(jiu)將(jiang)具(ju)有(you)十(shi)分(fen)重(zhong)要(yao)的(de)意(yi)義(yi)。本(ben)文(wen)對(dui)比(bi)了(le)矩(ju)陣(zhen)變(bian)頻(pin)器(qi)、交—交變頻器和H橋級聯型高壓變頻器的拓撲原理、技術特點和優缺點等。
- 噪聲中提取真值!瑞盟科技推出MSA2240電流檢測芯片賦能多元高端測量場景
- 10MHz高頻運行!氮矽科技發布集成驅動GaN芯片,助力電源能效再攀新高
- 失真度僅0.002%!力芯微推出超低內阻、超低失真4PST模擬開關
- 一“芯”雙電!聖邦微電子發布雙輸出電源芯片,簡化AFE與音頻設計
- 一機適配萬端:金升陽推出1200W可編程電源,賦能高端裝備製造
- 三星上演罕見對峙:工會集會討薪,股東隔街抗議
- 摩爾線程實現DeepSeek-V4“Day-0”支持,國產GPU適配再提速
- 築牢安全防線:智能駕駛邁向規模化應用的關鍵挑戰與破局之道
- GPT-Image 2:99%文字準確率,AI生圖告別“鬼畫符”
- 機器人馬拉鬆的勝負手:藏在主板角落裏的“時鍾戰爭”
- 車規與基於V2X的車輛協同主動避撞技術展望
- 數字隔離助力新能源汽車安全隔離的新挑戰
- 汽車模塊拋負載的解決方案
- 車用連接器的安全創新應用
- Melexis Actuators Business Unit
- Position / Current Sensors - Triaxis Hall

