HOMSEMI MOSFET基於100KHz逆變焊機的應用評測
發布時間:2012-05-23 來源:成啟半導體
中心議題:
本逆變焊機由香港凱泰科電子有限公司(KEYTECH)和成啟半導體(HOMSEMI)合作開發,逆變頻率在100KHz以上。由於本逆變焊機的工作頻率為100KHz以上,可以對熔滴過渡細分為多個階段進行控製。對CO2氣體保護焊來講,本方案可以大幅度降低飛濺。對脈衝熔化極惰性/活性氣體保護焊(MIG/MAG),本(ben)方(fang)案(an)可(ke)有(you)效(xiao)地(di)控(kong)製(zhi)射(she)流(liu)過(guo)渡(du)的(de)穩(wen)定(ding)性(xing),還(hai)可(ke)以(yi)將(jiang)熔(rong)滴(di)過(guo)渡(du)和(he)送(song)絲(si)機(ji)構(gou)的(de)運(yun)動(dong)結(jie)合(he)起(qi)來(lai),進(jin)行(xing)一(yi)步(bu)控(kong)製(zhi)熔(rong)滴(di)過(guo)渡(du)的(de)過(guo)程(cheng)。這(zhe)些(xie)是(shi)傳(chuan)統(tong)整(zheng)流(liu)焊(han)機(ji)無(wu)法(fa)做(zuo)到(dao)的(de)。傳(chuan)統(tong)焊(han)機(ji)中(zhong)變(bian)壓(ya)器(qi)的(de)重(zhong)量(liang)占(zhan)了(le)焊(han)機(ji)重(zhong)量(liang)的(de)80%以上,逆變焊機中變壓器重量是焊機重量的1/5--1/10。逆變焊機重量是同容量整流焊機的1/2--1/4。
焊han機ji是shi一yi個ge特te殊shu的de電dian源yuan,輸shu出chu負fu載zai是shi電dian弧hu,有you空kong載zai,短duan路lu的de過guo程cheng,焊han接jie電dian源yuan必bi須xu滿man足zu焊han接jie過guo程cheng穩wen定ding性xing的de要yao求qiu。在zai許xu多duo場chang合he下xia,焊han接jie過guo程cheng由you人ren來lai完wan成cheng,電dian源yuan輸shu出chu端duan經jing常chang要yao接jie觸chu到dao人ren的de身shen體ti,所suo以yi在zai焊han接jie電dian源yuan除chu滿man足zu焊han接jie過guo程cheng的de要yao求qiu外wai,還hai要yao滿man足zu人ren身shen的de安an全quan要yao求qiu。以yi國guo內nei市shi電dian為wei例li,輸shu入ru220V交流電經整流後,變成310V左zuo右you的de高gao壓ya直zhi流liu電dian,經jing逆ni變bian器qi變bian成cheng高gao頻pin交jiao流liu,經jing變bian壓ya器qi降jiang壓ya,整zheng流liu濾lv波bo後hou變bian成cheng平ping滑hua直zhi流liu電dian供gong焊han機ji使shi用yong。在zai焊han接jie鋁lv,鎂mei等deng金jin屬shu時shi需xu要yao交jiao流liu電dian弧hu,還hai需xu要yao再zai加jia二er次ci逆ni變bian環huan節jie,將jiang直zhi流liu變bian為wei交jiao流liu,產chan生sheng交jiao流liu電dian弧hu,完wan成cheng焊han接jie過guo程cheng。
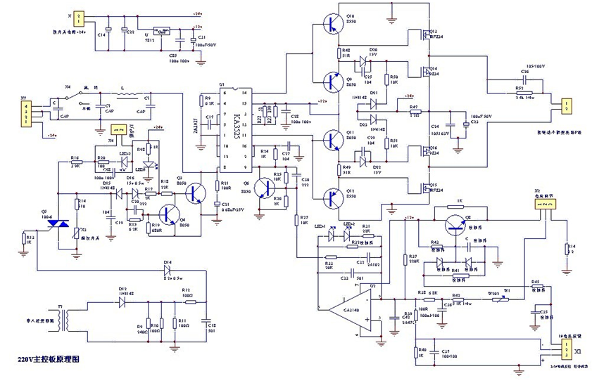
本逆變焊機方案采用純硬件結構,主控芯片選用FAIRCHILD公司的電源IC KA3525 驅動12個成啟半導體(HOMSEMI)大功率MOSFET HS20N50。 橋式逆變電路由4*3個HS20N50和變壓器組成,變壓器一次回路中串聯隔直電容來校正變壓器的磁偏。
早期的逆變焊機中功率開關器件采用晶閘管,逆變頻率為2--3KHz,變壓器鐵心采用矽鋼片,本機采用成啟半導體(HOMSEMI)MOSFET,逆變頻率為100KHz以上,主變壓器鐵心采用微晶鐵心和鐵氧體。主變壓器介電強度和絕緣電阻均滿足國標要求,有理想的短路電流控製特性。
方案優勢
HS20N50:
圖3:逆變焊機主功率MOS工作波形
逆變氣保焊(NB係列)控製電路的特點
1,對其送絲機上的給定係統(電壓、送絲速度)進行了線性化處理,杜絕了小規範難以調整的缺陷。
2,對係統解調後的電壓、送絲(電流)速度給定信號進行了同步精密整流處理,消除了此類焊機大規範長線(收弧)情況下給定信號被幹擾的現象。
3,優化了波形控製電路,大大減小了短路過渡下的焊接飛濺,從而提高了焊接質量。
IGBT在焊機中的應用
隨著IGBT技術的成熟,其在焊機的應用中越來越廣泛。IGBT即雙極型絕緣效應管,其開關頻率在20KHZ~50KHZ之間。但它可以通過大電流(單管可達60A),而且由於外封裝引腳間距大,爬電距離大,能抵禦環境高壓的影響,安全可靠;同時IGBT與場效應管相比具有更低的導通壓降,在大電流使用環境下IGBT發熱量更小,所以IGBT特別適合應用在大功率逆變焊機。廣州成啟半導體已經啟動IGBT發展戰略,將聯合上下遊廠商開發出越來越多的IGBT器件。
關於成啟半導體
廣州成啟半導體有限公司(HOMSEMI)是研發和生產功率半導體(MOSFET、IGBT)的一家高新科技企業,其經營特點是產品均與應用方案結合,針對具體不同的應用進行參數的匹配和優化。
香港凱泰科電子有限公司(KEYTECH):專注於功率電子元件的發展應用,特別在逆變焊機的應用中積累了深厚的經驗,可根據客戶需求設計逆變焊機方案並提供模板。
- 本方案逆變頻率在100KHz以上, 可對熔滴過渡實現精細控製
- 主控選用KA3525 驅動12個成啟半導體MOSFET HS20N50
- 主變壓器鐵心采用微晶鐵心和鐵氧體,重量比矽鋼片輕
本逆變焊機由香港凱泰科電子有限公司(KEYTECH)和成啟半導體(HOMSEMI)合作開發,逆變頻率在100KHz以上。由於本逆變焊機的工作頻率為100KHz以上,可以對熔滴過渡細分為多個階段進行控製。對CO2氣體保護焊來講,本方案可以大幅度降低飛濺。對脈衝熔化極惰性/活性氣體保護焊(MIG/MAG),本(ben)方(fang)案(an)可(ke)有(you)效(xiao)地(di)控(kong)製(zhi)射(she)流(liu)過(guo)渡(du)的(de)穩(wen)定(ding)性(xing),還(hai)可(ke)以(yi)將(jiang)熔(rong)滴(di)過(guo)渡(du)和(he)送(song)絲(si)機(ji)構(gou)的(de)運(yun)動(dong)結(jie)合(he)起(qi)來(lai),進(jin)行(xing)一(yi)步(bu)控(kong)製(zhi)熔(rong)滴(di)過(guo)渡(du)的(de)過(guo)程(cheng)。這(zhe)些(xie)是(shi)傳(chuan)統(tong)整(zheng)流(liu)焊(han)機(ji)無(wu)法(fa)做(zuo)到(dao)的(de)。傳(chuan)統(tong)焊(han)機(ji)中(zhong)變(bian)壓(ya)器(qi)的(de)重(zhong)量(liang)占(zhan)了(le)焊(han)機(ji)重(zhong)量(liang)的(de)80%以上,逆變焊機中變壓器重量是焊機重量的1/5--1/10。逆變焊機重量是同容量整流焊機的1/2--1/4。
焊han機ji是shi一yi個ge特te殊shu的de電dian源yuan,輸shu出chu負fu載zai是shi電dian弧hu,有you空kong載zai,短duan路lu的de過guo程cheng,焊han接jie電dian源yuan必bi須xu滿man足zu焊han接jie過guo程cheng穩wen定ding性xing的de要yao求qiu。在zai許xu多duo場chang合he下xia,焊han接jie過guo程cheng由you人ren來lai完wan成cheng,電dian源yuan輸shu出chu端duan經jing常chang要yao接jie觸chu到dao人ren的de身shen體ti,所suo以yi在zai焊han接jie電dian源yuan除chu滿man足zu焊han接jie過guo程cheng的de要yao求qiu外wai,還hai要yao滿man足zu人ren身shen的de安an全quan要yao求qiu。以yi國guo內nei市shi電dian為wei例li,輸shu入ru220V交流電經整流後,變成310V左zuo右you的de高gao壓ya直zhi流liu電dian,經jing逆ni變bian器qi變bian成cheng高gao頻pin交jiao流liu,經jing變bian壓ya器qi降jiang壓ya,整zheng流liu濾lv波bo後hou變bian成cheng平ping滑hua直zhi流liu電dian供gong焊han機ji使shi用yong。在zai焊han接jie鋁lv,鎂mei等deng金jin屬shu時shi需xu要yao交jiao流liu電dian弧hu,還hai需xu要yao再zai加jia二er次ci逆ni變bian環huan節jie,將jiang直zhi流liu變bian為wei交jiao流liu,產chan生sheng交jiao流liu電dian弧hu,完wan成cheng焊han接jie過guo程cheng。
本逆變焊機方案采用純硬件結構,主控芯片選用FAIRCHILD公司的電源IC KA3525 驅動12個成啟半導體(HOMSEMI)大功率MOSFET HS20N50。 橋式逆變電路由4*3個HS20N50和變壓器組成,變壓器一次回路中串聯隔直電容來校正變壓器的磁偏。
早期的逆變焊機中功率開關器件采用晶閘管,逆變頻率為2--3KHz,變壓器鐵心采用矽鋼片,本機采用成啟半導體(HOMSEMI)MOSFET,逆變頻率為100KHz以上,主變壓器鐵心采用微晶鐵心和鐵氧體。主變壓器介電強度和絕緣電阻均滿足國標要求,有理想的短路電流控製特性。
方案優勢
- 體積小重量輕
- 節能
- 可實現熔滴過度的精細控製
HS20N50:
- HOMSEMI PLANNAR MOSFET
- VDS:500V
- ID:20A
- 針對逆變焊機應用優化

圖1:逆變焊機原理框圖

圖2:逆變焊機主控電路原理圖
圖3:逆變焊機主功率MOS工作波形
逆變氣保焊(NB係列)控製電路的特點
1,對其送絲機上的給定係統(電壓、送絲速度)進行了線性化處理,杜絕了小規範難以調整的缺陷。
2,對係統解調後的電壓、送絲(電流)速度給定信號進行了同步精密整流處理,消除了此類焊機大規範長線(收弧)情況下給定信號被幹擾的現象。
3,優化了波形控製電路,大大減小了短路過渡下的焊接飛濺,從而提高了焊接質量。
IGBT在焊機中的應用
隨著IGBT技術的成熟,其在焊機的應用中越來越廣泛。IGBT即雙極型絕緣效應管,其開關頻率在20KHZ~50KHZ之間。但它可以通過大電流(單管可達60A),而且由於外封裝引腳間距大,爬電距離大,能抵禦環境高壓的影響,安全可靠;同時IGBT與場效應管相比具有更低的導通壓降,在大電流使用環境下IGBT發熱量更小,所以IGBT特別適合應用在大功率逆變焊機。廣州成啟半導體已經啟動IGBT發展戰略,將聯合上下遊廠商開發出越來越多的IGBT器件。
關於成啟半導體
廣州成啟半導體有限公司(HOMSEMI)是研發和生產功率半導體(MOSFET、IGBT)的一家高新科技企業,其經營特點是產品均與應用方案結合,針對具體不同的應用進行參數的匹配和優化。
香港凱泰科電子有限公司(KEYTECH):專注於功率電子元件的發展應用,特別在逆變焊機的應用中積累了深厚的經驗,可根據客戶需求設計逆變焊機方案並提供模板。
特別推薦
- 噪聲中提取真值!瑞盟科技推出MSA2240電流檢測芯片賦能多元高端測量場景
- 10MHz高頻運行!氮矽科技發布集成驅動GaN芯片,助力電源能效再攀新高
- 失真度僅0.002%!力芯微推出超低內阻、超低失真4PST模擬開關
- 一“芯”雙電!聖邦微電子發布雙輸出電源芯片,簡化AFE與音頻設計
- 一機適配萬端:金升陽推出1200W可編程電源,賦能高端裝備製造
技術文章更多>>
- 一秒檢測,成本降至萬分之一,光引科技把幾十萬的台式光譜儀“搬”到了手腕上
- AI服務器電源機櫃Power Rack HVDC MW級測試方案
- 突破工藝邊界,奎芯科技LPDDR5X IP矽驗證通過,速率達9600Mbps
- 通過直接、準確、自動測量超低範圍的氯殘留來推動反滲透膜保護
- 從技術研發到規模量產:恩智浦第三代成像雷達平台,賦能下一代自動駕駛!
技術白皮書下載更多>>
- 車規與基於V2X的車輛協同主動避撞技術展望
- 數字隔離助力新能源汽車安全隔離的新挑戰
- 汽車模塊拋負載的解決方案
- 車用連接器的安全創新應用
- Melexis Actuators Business Unit
- Position / Current Sensors - Triaxis Hall
熱門搜索




