支持輸入OVP的熱調節電池充電器的設計
發布時間:2012-12-19 責任編輯:Lynnjiao
【導讀】電池容量是電池電壓的函數,電壓越高,容量就越大。不過,如果電池電壓升高,就會導致電池使用壽命縮短。
例如,如果用4.3 V電壓給電池充電,那麼容量就會提高10%,但電池使用壽命會縮短一半。另一方麵,如果電池充電不足,比理想電壓狀態低40 mV,那麼容量就會降低約8%。因此,非常精準的電池充電電壓至關重要。
充電曲線適用於鋰離子電池充電,它包括3個充電階段:預充階段、快充恒流(CC)階段、恒壓(CV)終止階段。在預充階段,在電池電壓低於3.0 V時,電池以較低速率充電。通常情況下,當電池電壓達到3.0 V,充電器就會進入CC階段。快速充電階段CC通常限製在1 C電池額定值以下。如果充電率超過1 C,那麼電池使用壽命就會縮短,因為節點上積存的金屬鋰會與電解質發生反應,造成永久損失。最後,充電器會進入CV階段,這時它將保持峰值電池電壓,並在充電電流下降到預定義大小時終止充電。
支持輸入OVP的熱調節電池充電器
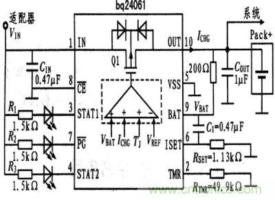
圖1為支持熱調節和輸入OVP的低成本單獨線性電池充電器電路。該充電器能將適配器的DC電壓降到電池電壓水平。線性充電器的功耗計算公式:
充電器從預充階段轉向快充模式時,輸入電壓與電池電壓之間有較大差值,這時功耗會達到最高。例如,如果用5 V適配器來給1 200 mAh鋰離子電池充電,那麼在1 A充電電流與3.2 V電池電壓下的最大功耗為1.8 W。如果采用3 mmx3 mm QFN封裝,熱阻抗為47℃/W,這樣的功耗會造成85℃的溫度提升。在45℃環境溫度下,結溫超過125℃的工作溫度極限。在充電開始階段,很難將結溫控製在安全散熱範圍內。隨著電池電壓在充電階段不斷升高,功耗也會下降。充電進入CV模式後,功耗會進一步下降,而充電電流也開始下降。
如何改進設計才能確保充電器在安全散熱範圍內正常工作呢?更高級的電池充電器(如bq2406x與bq2403x)引入了熱調節環路,可避免充電器過熱。內部芯片溫度達到預定義的溫度閾值後(如110℃),器件溫度隻要進一步提升就會使充電電流下降。這有助於限製功耗,並為充電器提供熱保護。使IC結溫升高到熱調節的最大功耗取決於PCB板布局、散熱通孔的數量以及環境溫度。從圖2看出,1.2 s之後,熱環路會在2 s內將有效充電電流從1.2 A降至600 mA。

圖1:支持熱調節與輸入OVP的充電器
熱調節通常在快充早期階段進行,不過如果在CVmoshixiaqijianrengrangongzuodehua,chongdiandianliuhuiguozaodadaochongdianzhongzhiyuzhi。weilebimianchongdianwuzhongzhi,zhiyaosanretiaojiehuiluzaigongzuo,dianchichongdianzhongzhigongnengjiuhuibeijinyong。ciwai,jiangdiyouxiaochongdiandianliuhuiyanchangdianchichongdianshijian,ruguochongdiananquanjishiqiyougudingshezhidehua,jiuhuiguozaozhongzhichongdian。bq2406x采用動態安全計時器控製電路,能在熱調節階段有效延長安全時間,並盡可能降低安全計時器的故障率。從圖3中可以看出,熱調節模式下安全計時器的響應與有效充電電流成反比。
啟用電池充電功能後,內部電路會生成與ISET引腳設置的實際充電電流成正比的電流。電阻器RSET上生成的電壓反映的是充電電流。該電壓可由主機監控,以獲取充電電流信息。
為(wei)鋰(li)離(li)子(zi)電(dian)池(chi)充(chong)電(dian)的(de)適(shi)配(pei)器(qi)有(you)很(hen)多(duo)種(zhong)。低(di)價(jia)位(wei)適(shi)配(pei)器(qi)的(de)穩(wen)壓(ya)輸(shu)出(chu)可(ke)能(neng)不(bu)太(tai)理(li)想(xiang),空(kong)載(zai)下(xia)的(de)輸(shu)出(chu)電(dian)壓(ya)也(ye)高(gao)於(yu)正(zheng)常(chang)負(fu)載(zai)情(qing)況(kuang)。此(ci)外(wai),在(zai)電(dian)池(chi)熱(re)插(cha)人(ren)情(qing)況(kuang)下(xia),充(chong)電(dian)器(qi)輸(shu)入(ru)電(dian)壓(ya)會(hui)達(da)到(dao)適(shi)配(pei)器(qi)電(dian)壓(ya)的(de)兩(liang)倍(bei),這(zhe)是(shi)由(you)線(xian)纜(lan)電(dian)感(gan)和(he)電(dian)池(chi)充(chong)電(dian)器(qi)輸(shu)入(ru)電(dian)容(rong)間(jian)的(de)共(gong)振(zhen)造(zao)成(cheng)的(de)。為(wei)了(le)在(zai)輸(shu)入(ru)電(dian)壓(ya)高(gao)於(yu)預(yu)定(ding)義(yi)閾(yu)值(zhi)時(shi)提(ti)高(gao)安(an)全(quan)度(du),bq2406x充電器的輸入OVP功能將禁止充電。
LDO模式(TMR引腳開路時)可禁止充電終止電路或電池檢測電路工作。並將安全定時器時鍾保持在複位狀態。該模式通常用於無電池或正在進行測試的工作環境。

圖2:采用熱調節技術的充電電流

圖3:熱調節中的動態安全計時器
許多應用都要求在電池充電同時給係統供電。如圖l所示,係統直接連接到電池充電輸出,係統和充電器間的相互影響會使安全計時器生成錯誤充電終止信息。圖4為能夠解決上述問題的典型應用電路。這裏有兩個獨立的電源路徑,一個給電池充電,另一個給係統供電。如果AC適配器不可用,那麼電池放電MOSFET在R4和C2設置的時間延遲之後就會打開,這樣電池就能給係統供電了。

圖4:電源路徑管理的電池充電器
支持熱調節功能的線性電池充電器能顯著提高散熱設計與安全性。利用輸入OVP機製,隻有經過認可的適配器才能給電池充電,從而提高係統安全性。
- 噪聲中提取真值!瑞盟科技推出MSA2240電流檢測芯片賦能多元高端測量場景
- 10MHz高頻運行!氮矽科技發布集成驅動GaN芯片,助力電源能效再攀新高
- 失真度僅0.002%!力芯微推出超低內阻、超低失真4PST模擬開關
- 一“芯”雙電!聖邦微電子發布雙輸出電源芯片,簡化AFE與音頻設計
- 一機適配萬端:金升陽推出1200W可編程電源,賦能高端裝備製造
- 2026藍牙亞洲大會暨展覽在深啟幕
- 新市場與新場景推動嵌入式係統研發走向統一開發平台
- 維智捷發布中國願景
- 2秒啟動係統 • 資源受限下HMI最優解,米爾RK3506開發板× LVGL Demo演示
- H橋降壓-升壓電路中的交替控製與帶寬優化
- 車規與基於V2X的車輛協同主動避撞技術展望
- 數字隔離助力新能源汽車安全隔離的新挑戰
- 汽車模塊拋負載的解決方案
- 車用連接器的安全創新應用
- Melexis Actuators Business Unit
- Position / Current Sensors - Triaxis Hall

