雙向無線供電技術,輸送距離提高兩倍
發布時間:2013-01-05 責任編輯:hedyxing
【導讀】無線技術日漸盛行,但目前都是單向充電。近日爆出日本一大學研發出雙向無線充電技術,用於純電動汽車(EV)的雙向無線供電係統。
日本埼玉大學試製出了用於純電動汽車(EV)的雙向無線供電係統。該係統除了能通過充電器為EV供電之外,還能從EV反向供電,用於EV和家庭之間進行電力調度的V2H(Vehicle to Home)以及V2G(Vehicle to Grid)等用途。

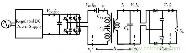
開發該係統的是埼玉大學工學院教授阿部茂等人組成的研究小組。阿部等人以前在為EV非接觸充電用途開發采用方形線圈的供電裝置,目標是采用供電側(一次側)線圈的電容器串聯、受電側(二次側)線圈的電容器並聯的“一次串聯二次並聯電容器方式”(串聯-並聯方式,SP方式)。SP方(fang)式(shi)的(de)特(te)點(dian)是(shi),如(ru)果(guo)選(xuan)擇(ze)線(xian)圈(quan)匝(za)數(shu)比(bi)作(zuo)為(wei)耦(ou)合(he)係(xi)數(shu)的(de)倒(dao)數(shu),就(jiu)能(neng)使(shi)一(yi)次(ci)側(ce)和(he)二(er)次(ci)側(ce)的(de)電(dian)壓(ya)相(xiang)等(deng)。利(li)用(yong)這(zhe)一(yi)特(te)點(dian),可(ke)通(tong)過(guo)進(jin)一(yi)步(bu)改(gai)進(jin)電(dian)路(lu)構(gou)成(cheng),來(lai)實(shi)現(xian)雙(shuang)向(xiang)供(gong)電(dian)。一(yi)般(ban)來(lai)說(shuo),如(ru)果(guo)為(wei)實(shi)現(xian)逆(ni)向(xiang)供(gong)電(dian)而(er)在(zai)二(er)次(ci)側(ce)設(she)置(zhi)逆(ni)變(bian)器(qi)的(de)話(hua),並(bing)聯(lian)電(dian)容(rong)器(qi)就(jiu)會(hui)出(chu)現(xian)問(wen)題(ti)。阿(e)部(bu)等(deng)人(ren)的(de)研(yan)究(jiu)小(xiao)組(zu)通(tong)過(guo)為(wei)二(er)次(ci)側(ce)電(dian)路(lu)追(zhui)加(jia)電(dian)抗(kang)器(qi),並(bing)對(dui)一(yi)次(ci)側(ce)線(xian)圈(quan)的(de)串(chuan)聯(lian)電(dian)容(rong)器(qi)的(de)電(dian)容(rong)值(zhi)進(jin)行(xing)微(wei)調(tiao),解(jie)決(jue)了(le)這(zhe)一(yi)問(wen)題(ti),從(cong)而(er)實(shi)現(xian)了(le)雙(shuang)向(xiang)供(gong)電(dian)。

非接觸供電係統
部等人的研究小組曾在2012年3月底於廣島舉行的電氣學會日本全國大會上介紹過雙向非接觸供電係統的試製結果。但在當時,一次側和二次側之間的距離隻有70mm。而此次試製的係統已通過實驗證明,即使一次側和二次側的間距延長至160mm左右,也就是原來的約2倍,效率也不會明顯降低。阿部教授表示,“我們認為160mm是接近實用的距離”。據介紹,一次側和二次側線圈之間的供電效率方麵,單向約為93%,反向也可達到約93%。另外,此次實驗時的功率為3kW,采用的頻率為50kHz。阿部等人預定在2013年2月舉行的電氣學會相關研究會上介紹此次實驗結果的詳情。
埼埼玉yu大da學xue的de阿e部bu等deng人ren開kai發fa的de係xi統tong采cai用yong方fang形xing線xian圈quan,與yu圓yuan形xing線xian圈quan相xiang比bi,對dui充chong電dian時shi橫heng向xiang位wei置zhi偏pian移yi的de容rong許xu量liang較jiao大da,因yin此ci備bei受shou汽qi車che廠chang商shang等deng的de關guan注zhu。從cong事shiEV用供電係統業務的HaloIPT公司等也在開發方形線圈。據介紹,阿部等人從2007年前後就開始發表方形線圈方麵的研究論文,還申請了相關專利。他們今後打算與企業合作,共同將采用方形線圈和SP方式的供電係統推向實用化。
特別推薦
- 噪聲中提取真值!瑞盟科技推出MSA2240電流檢測芯片賦能多元高端測量場景
- 10MHz高頻運行!氮矽科技發布集成驅動GaN芯片,助力電源能效再攀新高
- 失真度僅0.002%!力芯微推出超低內阻、超低失真4PST模擬開關
- 一“芯”雙電!聖邦微電子發布雙輸出電源芯片,簡化AFE與音頻設計
- 一機適配萬端:金升陽推出1200W可編程電源,賦能高端裝備製造
技術文章更多>>
- 築基AI4S:摩爾線程全功能GPU加速中國生命科學自主生態
- 一秒檢測,成本降至萬分之一,光引科技把幾十萬的台式光譜儀“搬”到了手腕上
- AI服務器電源機櫃Power Rack HVDC MW級測試方案
- 突破工藝邊界,奎芯科技LPDDR5X IP矽驗證通過,速率達9600Mbps
- 通過直接、準確、自動測量超低範圍的氯殘留來推動反滲透膜保護
技術白皮書下載更多>>
- 車規與基於V2X的車輛協同主動避撞技術展望
- 數字隔離助力新能源汽車安全隔離的新挑戰
- 汽車模塊拋負載的解決方案
- 車用連接器的安全創新應用
- Melexis Actuators Business Unit
- Position / Current Sensors - Triaxis Hall
熱門搜索
微波功率管
微波開關
微波連接器
微波器件
微波三極管
微波振蕩器
微電機
微調電容
微動開關
微蜂窩
位置傳感器
溫度保險絲
溫度傳感器
溫控開關
溫控可控矽
聞泰
穩壓電源
穩壓二極管
穩壓管
無焊端子
無線充電
無線監控
無源濾波器
五金工具
物聯網
顯示模塊
顯微鏡結構
線圈
線繞電位器
線繞電阻




