雙金屬鋸帶電子束焊機用的高壓直流電源裝置
發布時間:2013-01-06 責任編輯:Lynnjiao
【導讀】電子束焊接的(de)基(ji)本(ben)原(yuan)理(li)是(shi)電(dian)子(zi)槍(qiang)中(zhong)的(de)陰(yin)極(ji)由(you)於(yu)直(zhi)接(jie)或(huo)間(jian)接(jie)加(jia)熱(re)而(er)發(fa)射(she)電(dian)子(zi),該(gai)電(dian)子(zi)在(zai)高(gao)壓(ya)靜(jing)電(dian)場(chang)的(de)加(jia)速(su)下(xia)再(zai)通(tong)過(guo)電(dian)磁(ci)場(chang)的(de)聚(ju)焦(jiao)就(jiu)可(ke)以(yi)形(xing)成(cheng)能(neng)量(liang)密(mi)度(du)極(ji)高(gao)的(de)電(dian)子(zi)束(shu),用(yong)此(ci)電(dian)子(zi)束(shu)去(qu)轟(hong)擊(ji)工(gong)件(jian),巨(ju)大(da)的(de)動(dong)能(neng)轉(zhuan)化(hua)為(wei)熱(re)能(neng),使(shi)焊(han)接(jie)處(chu)工(gong)件(jian)熔(rong)化(hua),形(xing)成(cheng)熔(rong)池(chi),從(cong)而(er)實(shi)現(xian)對(dui)工(gong)件(jian)的(de)焊(han)接(jie)。
根據電子束焊接的基本原理,西方國家在70年(nian)代(dai)末(mo)期(qi)研(yan)究(jiu)開(kai)發(fa)出(chu)雙(shuang)金(jin)屬(shu)鋸(ju)帶(dai)電(dian)子(zi)束(shu)焊(han)接(jie)新(xin)工(gong)藝(yi)生(sheng)產(chan)線(xian),代(dai)替(ti)傳(chuan)統(tong)的(de)普(pu)通(tong)高(gao)速(su)鋼(gang)鋸(ju)帶(dai)生(sheng)產(chan)工(gong)藝(yi),從(cong)而(er)大(da)量(liang)節(jie)省(sheng)了(le)高(gao)速(su)鋼(gang),並(bing)提(ti)高(gao)了(le)鋸(ju)帶(dai)的(de)使(shi)用(yong)壽(shou)命(ming)。雙(shuang)金(jin)屬(shu)鋸(ju)帶(dai)就(jiu)是(shi)把(ba)具(ju)有(you)彈(dan)性(xing)性(xing)能(neng)好(hao)的(de)彈(dan)簧(huang)鋼(gang)和(he)切(qie)削(xue)能(neng)力(li)強(qiang)的(de)高(gao)速(su)鋼(gang)通(tong)過(guo)電(dian)子(zi)束(shu)焊(han)接(jie)方(fang)法(fa)而(er)獲(huo)得(de)的(de)一(yi)種(zhong)新(xin)型(xing)鋸(ju)帶(dai)。我(wo)國(guo)在(zai)80年代後期相繼從德國引進若幹條生產線以滿足國內市場高速發展的需要,但還不能完全滿足其市場要求[1]。由於電子束焊接包含了機械、真空、高電壓和電磁場理論、電子光學、zidongkongzhihejisuanjidengduoxuekejishu,duiguoneiyibanchangshanglaishuojishunandujiaoda,eryinjinfeiyongyouanggui,weiciguilindianqikexueyanjiusuojieheguowaijishujiduoniancongshidianzishujishuyanjiukaifajingyan,yanzhichenggonglewoguodiyitiaoguochanshuangjinshujudaishengchanxianshebei。qizhonggaoyadianyuanshishuangjinshujudaihanjieshebeideguanjianjishuzhiyi,tazhuyaoweidianziqiangtigongjiasudianya,qixingnenghaohuaizhijiejuedingdianzishuhanjiegongyihehanjiezhiliang。weicixuduodianzishuhanjizhizaoshangjiyanjiujigoujunduigaoyadianyuandekekaoxing、高壓保護、高壓打火對焊件的影響進行了研究,並相應製造出具有較高性能的高壓電源,以滿足不同的電子束焊機的需要[2~3]。由於雙金屬焊接要求平行焊縫,要用高壓電子束焊機(100kV以上)焊han接jie雙shuang金jin屬shu鋸ju帶dai。目mu前qian我wo國guo還hai不bu能neng生sheng產chan高gao壓ya電dian子zi束shu焊han機ji,為wei此ci開kai展zhan高gao壓ya電dian源yuan的de開kai發fa和he研yan究jiu工gong作zuo是shi非fei常chang必bi要yao的de。本ben文wen介jie紹shao的de是shi雙shuang金jin屬shu鋸ju帶dai生sheng產chan線xian上shang的de高gao壓ya焊han機ji用yong的de高gao壓ya電dian源yuan,其qi控kong製zhi方fang式shi、高壓保護技術與其它類高壓電源具有不同之處,對研究高壓電源的調節技術、高壓打火保護具有借鑒意義。

圖1:高壓電源係統框圖

圖2:高壓電源主電路原理圖
電子束焊機用高壓電源的技術要求
電子束焊機用高壓電源與其它類型的高壓電源相比,具有不同的技術特性。根據國外電子束焊機製造商的出廠標準、德國DIN標準和我國電子束焊機的技術要求,電子束焊機用高壓電源的要求具體如下:
技術要求
電(dian)子(zi)束(shu)焊(han)機(ji)用(yong)高(gao)壓(ya)電(dian)源(yuan)的(de)技(ji)術(shu)要(yao)求(qiu)由(you)於(yu)在(zai)國(guo)內(nei)外(wai)還(hai)沒(mei)有(you)一(yi)個(ge)統(tong)一(yi)的(de)標(biao)準(zhun),根(gen)據(ju)一(yi)些(xie)廠(chang)商(shang)提(ti)出(chu)的(de)技(ji)術(shu)要(yao)求(qiu)主(zhu)要(yao)為(wei)紋(wen)波(bo)係(xi)數(shu)和(he)穩(wen)定(ding)度(du),紋(wen)波(bo)係(xi)數(shu)要(yao)求(qiu)小(xiao)於(yu)1%,穩定度為±1%,幾乎所有的電子束焊機製造商都提出這樣要求。其中德國PTR公司還提出了中壓型的技術要求,它要求相對紋波係數小於0.5%,穩定度為±0.5%,同時還提出了重複性要求小於0.5%。以上要求均根據電子束斑和焊接工藝所決定。
性能要求
電子束焊機用高壓電源在操作時必須與有關係統進行連鎖保護,主要有真空連鎖、陰極連鎖、閘閥連鎖、聚焦連鎖等,以確保設備和人身安全。高壓電源必須符合EMC標準,具有軟起動功能,防止突然合閘對電源的衝擊。
其它要求
較高的可靠性,屬戶內設備,要求連續工作,外觀滿足工業設備要求,維修方便等。
高壓電源的工作原理和主電路
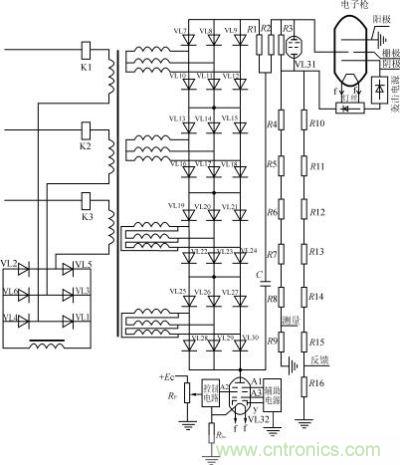
高壓電源的係統框圖如圖1所示,電網電壓經過流抑製電路進入高壓升壓整流變壓器的一次,二次升壓到100kV左右。此交流高壓再經12相整流濾波獲得160kV左右的直流高壓,加到高壓真空電子管和電子槍上,其中高壓電子管在工作時承受的電壓為40kV,這樣加在電子槍上的高壓為120kV。高壓真空電子管是用來調節和穩定高壓輸出的。根據圖1設計的高壓電源的主電路原理圖見圖2,由圖2知本電源為典型的串聯型直接在高壓側調節的高壓直流穩壓電源,其主電路主要由過流抑製電路、高壓升壓整流變壓器、高壓整流電路、高壓濾波及阻容和過壓、過流保護電路、高壓真空電子管調節電路等組成。高壓升壓整流變壓器、高壓整流電路、高壓濾波及阻容和過壓、過(guo)流(liu)保(bao)護(hu)電(dian)路(lu)都(dou)放(fang)在(zai)油(you)箱(xiang)內(nei),油(you)箱(xiang)內(nei)充(chong)滿(man)變(bian)壓(ya)器(qi)油(you),保(bao)證(zheng)電(dian)源(yuan)本(ben)體(ti)在(zai)工(gong)作(zuo)時(shi)的(de)絕(jue)緣(yuan)和(he)散(san)熱(re)需(xu)要(yao)。由(you)於(yu)高(gao)壓(ya)電(dian)源(yuan)需(xu)連(lian)續(xu)工(gong)作(zuo),為(wei)確(que)保(bao)工(gong)作(zuo)時(shi)的(de)熱(re)量(liang)能(neng)及(ji)時(shi)散(san)出(chu),油(you)箱(xiang)內(nei)部(bu)還(hai)設(she)計(ji)了(le)水(shui)冷(leng)卻(que)係(xi)統(tong)。
電源各電路的組成和作用如下:過(guo)流(liu)抑(yi)製(zhi)電(dian)路(lu)由(you)三(san)相(xiang)橋(qiao)式(shi)整(zheng)流(liu)電(dian)路(lu)和(he)扼(e)流(liu)電(dian)感(gan)器(qi)組(zu)成(cheng),如(ru)果(guo)負(fu)載(zai)出(chu)現(xian)過(guo)流(liu)或(huo)電(dian)源(yuan)由(you)於(yu)突(tu)然(ran)合(he)閘(zha)在(zai)變(bian)壓(ya)器(qi)內(nei)引(yin)起(qi)電(dian)磁(ci)暫(zan)態(tai)過(guo)程(cheng)而(er)出(chu)現(xian)大(da)電(dian)流(liu)等(deng)現(xian)象(xiang)時(shi),過(guo)流(liu)抑(yi)製(zhi)電(dian)路(lu)能(neng)有(you)效(xiao)限(xian)製(zhi)電(dian)源(yuan)內(nei)部(bu)出(chu)現(xian)過(guo)電(dian)流(liu),以(yi)保(bao)護(hu)電(dian)源(yuan)不(bu)受(shou)損(sun)壞(huai)。其(qi)原(yuan)理(li)主(zhu)要(yao)是(shi)利(li)用(yong)電(dian)感(gan)電(dian)流(liu)不(bu)能(neng)突(tu)變(bian)的(de)特(te)性(xing)限(xian)製(zhi)過(guo)電(dian)流(liu),確(que)保(bao)高(gao)壓(ya)變(bian)壓(ya)器(qi)不(bu)損(sun)壞(huai)。正(zheng)常(chang)時(shi),三(san)相(xiang)電(dian)流(liu)平(ping)衡(heng),流(liu)入(ru)過(guo)流(liu)抑(yi)製(zhi)電(dian)路(lu)的(de)電(dian)流(liu)很(hen)小(xiao)。整(zheng)流(liu)變(bian)壓(ya)器(qi)二(er)次(ci)為(wei)四(si)線(xian)圈(quan)分(fen)別(bie)接(jie)成(cheng)星(xing)型(xing)和(he)三(san)角(jiao)型(xing)各(ge)2組,各組整流後串聯獲得12相直流脈動電壓,有利於降低諧波電流對電網的汙染、減(jian)少(shao)濾(lv)波(bo)電(dian)容(rong)量(liang)和(he)減(jian)小(xiao)電(dian)源(yuan)的(de)紋(wen)波(bo)係(xi)數(shu),提(ti)高(gao)電(dian)源(yuan)本(ben)身(shen)性(xing)能(neng)。整(zheng)流(liu)電(dian)路(lu)由(you)高(gao)壓(ya)矽(gui)堆(dui)和(he)阻(zu)容(rong)元(yuan)件(jian)組(zu)成(cheng),阻(zu)容(rong)電(dian)路(lu)主(zhu)要(yao)防(fang)止(zhi)高(gao)壓(ya)矽(gui)堆(dui)產(chan)生(sheng)的(de)過(guo)電(dian)壓(ya),保(bao)證(zheng)高(gao)壓(ya)矽(gui)堆(dui)不(bu)致(zhi)損(sun)壞(huai)。限(xian)流(liu)電(dian)阻(zu)和(he)保(bao)護(hu)電(dian)阻(zu)分(fen)別(bie)用(yong)來(lai)限(xian)製(zhi)電(dian)源(yuan)內(nei)部(bu)的(de)過(guo)電(dian)流(liu)、過電壓,保證電源的正常工作,要求電阻耐壓水平較高、承(cheng)受(shou)發(fa)熱(re)功(gong)率(lv)較(jiao)大(da)。當(dang)電(dian)源(yuan)外(wai)部(bu)短(duan)路(lu)時(shi),保(bao)護(hu)電(dian)路(lu)能(neng)在(zai)盡(jin)可(ke)能(neng)短(duan)的(de)時(shi)間(jian)內(nei)動(dong)作(zuo),使(shi)得(de)各(ge)有(you)關(guan)元(yuan)器(qi)件(jian)不(bu)致(zhi)損(sun)壞(huai)。高(gao)壓(ya)濾(lv)波(bo)電(dian)容(rong)器(qi)濾(lv)除(chu)直(zhi)流(liu)輸(shu)出(chu)中(zhong)的(de)交(jiao)流(liu)脈(mai)動(dong)成(cheng)份(fen),保(bao)證(zheng)加(jia)在(zai)電(dian)子(zi)槍(qiang)和(he)調(tiao)整(zheng)管(guan)上(shang)的(de)電(dian)壓(ya)平(ping)直(zhi)。電(dian)容(rong)芯(xin)子(zi)直(zhi)接(jie)放(fang)置(zhi)在(zai)高(gao)壓(ya)油(you)箱(xiang)內(nei),能(neng)減(jian)小(xiao)電(dian)源(yuan)本(ben)體(ti)的(de)體(ti)積(ji)。調(tiao)整(zheng)管(guan)為(wei)一(yi)多(duo)極(ji)高(gao)壓(ya)真(zhen)空(kong)電(dian)子(zi)管(guan),其(qi)工(gong)作(zuo)耐(nai)壓(ya)水(shui)平(ping)達(da)160kV,主要有陽極、控製極、第一、二、三(san)陽(yang)極(ji)等(deng)組(zu)成(cheng),調(tiao)整(zheng)管(guan)的(de)陽(yang)極(ji)接(jie)在(zai)高(gao)壓(ya)整(zheng)流(liu)器(qi)的(de)正(zheng)極(ji),調(tiao)整(zheng)管(guan)陰(yin)極(ji)通(tong)過(guo)束(shu)流(liu)取(qu)樣(yang)電(dian)阻(zu)連(lian)接(jie)到(dao)大(da)地(di)。調(tiao)整(zheng)管(guan)能(neng)在(zai)控(kong)製(zhi)電(dian)路(lu)的(de)作(zuo)用(yong)下(xia)自(zi)動(dong)調(tiao)節(jie)和(he)穩(wen)定(ding)高(gao)壓(ya)輸(shu)出(chu)。高(gao)壓(ya)調(tiao)整(zheng)管(guan)由(you)於(yu)工(gong)作(zuo)電(dian)壓(ya)高(gao),在(zai)工(gong)作(zuo)時(shi)會(hui)產(chan)生(sheng)大(da)量(liang)的(de)熱(re)量(liang),為(wei)此(ci)設(she)計(ji)了(le)特(te)殊(shu)的(de)散(san)熱(re)裝(zhuang)置(zhi),即(ji)把(ba)整(zheng)個(ge)調(tiao)整(zheng)管(guan)放(fang)在(zai)一(yi)裝(zhuang)絕(jue)緣(yuan)油(you)的(de)油(you)箱(xiang)中(zhong),以(yi)確(que)保(bao)冷(leng)卻(que)和(he)絕(jue)緣(yuan)需(xu)要(yao),油(you)箱(xiang)內(nei)部(bu)還(hai)裝(zhuang)有(you)專(zhuan)用(yong)散(san)熱(re)的(de)水(shui)冷(leng)係(xi)統(tong),以(yi)保(bao)證(zheng)調(tiao)整(zheng)管(guan)能(neng)長(chang)期(qi)可(ke)靠(kao)工(gong)作(zuo)。調(tiao)整(zheng)管(guan)的(de)輔(fu)助(zhu)電(dian)源(yuan)很(hen)多(duo),考(kao)慮(lv)到(dao)散(san)熱(re)和(he)布(bu)局(ju)需(xu)要(yao)也(ye)放(fang)在(zai)油(you)箱(xiang)內(nei)。調(tiao)整(zheng)管(guan)的(de)調(tiao)節(jie)原(yuan)理(li)是(shi)其(qi)陰(yin)極(ji)由(you)於(yu)加(jia)熱(re)而(er)發(fa)射(she)電(dian)子(zi)。電(dian)子(zi)在(zai)陽(yang)極(ji)高(gao)壓(ya)的(de)加(jia)速(su)下(xia),分(fen)別(bie)到(dao)達(da)第(di)二(er)陽(yang)極(ji)和(he)陽(yang)極(ji),如(ru)果(guo)第(di)二(er)陽(yang)極(ji)的(de)電(dian)壓(ya)很(hen)高(gao),受(shou)加(jia)速(su)的(de)電(dian)子(zi)就(jiu)會(hui)全(quan)部(bu)到(dao)達(da)第(di)二(er)陽(yang)極(ji),此(ci)時(shi)電(dian)子(zi)管(guan)處(chu)於(yu)高(gao)阻(zu)狀(zhuang)態(tai),電(dian)源(yuan)上(shang)的(de)電(dian)壓(ya)全(quan)加(jia)在(zai)調(tiao)整(zheng)管(guan)上(shang)。隻(zhi)要(yao)調(tiao)節(jie)第(di)二(er)陽(yang)極(ji)電(dian)壓(ya)的(de)大(da)小(xiao),調(tiao)整(zheng)管(guan)上(shang)的(de)電(dian)壓(ya)也(ye)得(de)以(yi)調(tiao)節(jie),這(zhe)樣(yang)加(jia)在(zai)電(dian)子(zi)槍(qiang)上(shang)的(de)高(gao)壓(ya)也(ye)得(de)以(yi)調(tiao)節(jie),最(zui)終(zhong)實(shi)現(xian)對(dui)高(gao)壓(ya)輸(shu)出(chu)的(de)穩(wen)定(ding)調(tiao)節(jie)。
電源的控製電路
電源的控製電路如圖3所示,由圖3知,控製電路由反饋信號隔離電路、PI給定調節電路、自動重加高壓電路、功率放大電路及其附屬電路等組成,各電路的組成及工作原理如下:
反饋電路
反饋電路由高壓電阻分壓器、信號隔離電路、過壓過流抑製元件等組成。高壓電阻分壓器由2路相互獨立的精密金屬膜電阻製成,1路用來測量高壓,1路(lu)提(ti)供(gong)反(fan)饋(kui)信(xin)號(hao)給(gei)控(kong)製(zhi)電(dian)路(lu)用(yong)以(yi)控(kong)製(zhi)和(he)調(tiao)節(jie)高(gao)壓(ya)。高(gao)壓(ya)電(dian)阻(zu)分(fen)壓(ya)器(qi)放(fang)置(zhi)在(zai)由(you)有(you)機(ji)玻(bo)璃(li)製(zhi)成(cheng)的(de)支(zhi)架(jia)上(shang),考(kao)慮(lv)到(dao)絕(jue)緣(yuan)和(he)散(san)熱(re)的(de)需(xu)要(yao)將(jiang)其(qi)放(fang)在(zai)高(gao)壓(ya)油(you)箱(xiang)裏(li),以(yi)保(bao)證(zheng)電(dian)源(yuan)工(gong)作(zuo)時(shi)電(dian)阻(zu)值(zhi)的(de)穩(wen)定(ding),最(zui)終(zhong)保(bao)證(zheng)取(qu)樣(yang)信(xin)號(hao)的(de)穩(wen)定(ding)。高(gao)壓(ya)電(dian)源(yuan)在(zai)工(gong)作(zuo)時(shi),由(you)於(yu)電(dian)子(zi)槍(qiang)放(fang)電(dian)或(huo)外(wai)部(bu)其(qi)它(ta)原(yuan)因(yin),電(dian)源(yuan)內(nei)部(bu)會(hui)產(chan)生(sheng)過(guo)電(dian)壓(ya),為(wei)防(fang)止(zhi)過(guo)電(dian)壓(ya)竄(cuan)入(ru)控(kong)製(zhi)電(dian)路(lu)損(sun)壞(huai)低(di)壓(ya)電(dian)子(zi)元(yuan)器(qi)件(jian),在(zai)取(qu)樣(yang)電(dian)阻(zu)兩(liang)端(duan)並(bing)聯(lian)高(gao)壓(ya)放(fang)電(dian)管(guan)、壓ya敏min電dian阻zu及ji電dian容rong吸xi收shou電dian路lu,同tong時shi取qu樣yang電dian阻zu都dou放fang在zai電dian磁ci屏ping蔽bi盒he裏li,能neng有you效xiao地di防fang止zhi各ge種zhong電dian磁ci幹gan擾rao信xin號hao進jin入ru控kong製zhi電dian路lu。高gao壓ya分fen壓ya器qi的de取qu樣yang信xin號hao在zai進jin入ru控kong製zhi電dian路lu以yi前qian還hai設she置zhi了le信xin號hao隔ge離li電dian路lu使shi得de反fan饋kui信xin號hao與yu控kong製zhi電dian路lu相xiang互hu隔ge離li,並bing同tong時shi轉zhuan化hua為wei標biao準zhun電dian平ping信xin號hao給gei控kong製zhi電dian路lu,以yi上shang措cuo施shi確que保bao了le控kong製zhi電dian路lu中zhong的de反fan饋kui信xin號hao的de準zhun確que性xing。

圖3:高壓電源控製電路電原理圖
PI調節電路
PI調節電路[4]由運算放大器及外接電阻、電容元件組成,它把給定信號與反饋信號進行比較,其差值經放大後給預放大管,以控製放大管的輸出。在PI調節電路中還設置了調試給定電路,其目的是為了高壓電源調試用。在試驗時,給定信號由Rtest供給,調節Rp的值,高壓輸出即可由零到額定值調節,有利於焊接工藝試驗和高壓電源的參數調整。
自動重加高壓電路
自(zi)動(dong)重(zhong)加(jia)高(gao)壓(ya)電(dian)路(lu)的(de)原(yuan)理(li)是(shi)利(li)用(yong)三(san)極(ji)管(guan)的(de)控(kong)製(zhi)原(yuan)理(li)來(lai)實(shi)現(xian)對(dui)高(gao)壓(ya)的(de)快(kuai)速(su)截(jie)止(zhi)和(he)導(dao)通(tong)。它(ta)由(you)運(yun)算(suan)放(fang)大(da)器(qi)和(he)三(san)極(ji)管(guan)等(deng)電(dian)路(lu)組(zu)成(cheng)。它(ta)的(de)工(gong)作(zuo)原(yuan)理(li)是(shi)當(dang)反(fan)饋(kui)信(xin)號(hao)超(chao)過(guo)給(gei)定(ding)信(xin)號(hao)時(shi),比(bi)例(li)放(fang)大(da)器(qi)IC2的輸出為高電平,V4導通,IC3輸出低電平,V3導通,V2截止,封鎖PI調節器的輸出,從而關斷高壓調整管以切斷高壓。反之,當反饋信號小於給定時IC2輸出低電平,V4截止,IC3輸出高電平,V3截止,PItiaojieqizhengchanggongzuo,youyusanjiguancongdaotongdaojiezhi,huifushijianhenkuai,yincijiazaidianziqiangshanggaoyazaikongzhidianludezuoyongxiahenkuaihuifuzhengchanggongzuozhuangtaierbutingji,quebaodianzishuhanjinenggouzhengchangshengchan。
功率放大電路
功率放大電路由前級預放管VL33和功率放大管VL32組成,工作過程是V2在負電源的作用下,由PI調節器輸入的調節量經V2放大後送到真空管VL33的控製極,陽極接到輔助電源的正極,陰極接地,控製極電壓越高(負),VL33的陽極對地電壓越高,高壓調整管VL32的陽極電壓越高,電子槍上的電壓越低,相反時控製電路按以上相反的過程調節電子槍上的高壓,最終實現電子槍上高壓的穩定。
高壓電源的技術指標
高壓電源應用到雙金屬鋸帶焊接生產線時,工作穩定,通過對電源技術指標的測量,具體參數如下:
額定加速電壓:120kV,紋波係數<1%,穩定度<1%;
額定電子束流:50mA,紋波係數<1%,穩定度<1%。
電源在電子槍內打火時,高壓電源能快速恢複而不停機。
zaigaoyaceyougaoyazhenkongguantiaojiegaoyazhiliudianyuandeshuchu,qishuchutexinghao,wenboxishuxiao,wendingdugao。youyutiaozhengguangelilvbodianrongqi,dianyuanzaiguoyabaohutingjishi,dianrongqishangdenengliangbuhuixiefangdaogongjianshangerdaozhigongjiandesunhuai。jingzaishuangjinshujudaishengchanxianshangdeshijiyunxing,dianyuandegexiangjishuzhibiaojunmanzushengchanxiandegongyiyaoqiu。
- 噪聲中提取真值!瑞盟科技推出MSA2240電流檢測芯片賦能多元高端測量場景
- 10MHz高頻運行!氮矽科技發布集成驅動GaN芯片,助力電源能效再攀新高
- 失真度僅0.002%!力芯微推出超低內阻、超低失真4PST模擬開關
- 一“芯”雙電!聖邦微電子發布雙輸出電源芯片,簡化AFE與音頻設計
- 一機適配萬端:金升陽推出1200W可編程電源,賦能高端裝備製造
- 三星上演罕見對峙:工會集會討薪,股東隔街抗議
- 摩爾線程實現DeepSeek-V4“Day-0”支持,國產GPU適配再提速
- 築牢安全防線:智能駕駛邁向規模化應用的關鍵挑戰與破局之道
- GPT-Image 2:99%文字準確率,AI生圖告別“鬼畫符”
- 機器人馬拉鬆的勝負手:藏在主板角落裏的“時鍾戰爭”
- 車規與基於V2X的車輛協同主動避撞技術展望
- 數字隔離助力新能源汽車安全隔離的新挑戰
- 汽車模塊拋負載的解決方案
- 車用連接器的安全創新應用
- Melexis Actuators Business Unit
- Position / Current Sensors - Triaxis Hall

