四張電路圖帶你了解步進電機的驅動器
發布時間:2013-03-08 責任編輯:easonxu
【導讀】對於伺服電機和步進電機,由於結構簡單,原理上也不是太複雜,看到實物,再配合應用,就了解了。本文通過4張步進電機的整機電路圖,帶你了解步進電機驅動的“本來麵目”。
在由上位機或PLC為主的工控係統中,尤其是在對各種機械設備的控製中,常常看到PLC、觸摸屏、伺服電機驅動器、伺服電機或步進電機驅動器、步進電機的組合應用。但對電機驅動器的結構和電路,限於各種條件,就難以知道其“本來麵目”了。在此將步進電機的整機電路圖奉獻於大家。
步進電機的整機電路圖共4張:

圖1:步進電機驅動的主電路和開關電源電路
步進電機驅動器的功率輸出電路的形式同變頻器主電路是相似的。每一路皆由兩隻IGBT管子做推挽式輸出,在管子上也反向並聯了二極管,以提供反向電流的通路,進而保護IGBT管子的安全。IGBT管子的過流保護信號由AR1、BR1兩隻電阻上取得,此兩隻電阻將流經IGBT管子的電流信號轉化為電壓信號,經後級保護電路處理,送入單片機。開關電源輸出的+5V,作為單片機的電源。另外,+5V、-5V還作為保護電路的雙電路供電。一路+15V電源,經PIC和PT1轉化為四路15V電源,供四路驅動電路用。

圖2:驅動電源及端子信號來源
由電源板來的+15V電源,經NE555時基電路振蕩逆變,開關變壓器PT1四個次級繞組輸出四組互相隔離的15V直流電壓,供驅動IC的供電;

圖3:步進電機驅動器的脈衝驅動電路及步時電機的工作電流設定電路等
驅動IC采用IS2110S專用的驅動芯片,單片機輸出的四路脈衝信號經由74LS08四二輸入與門電路處理後,送入四片IS2110S驅動電路,經光電隔離和功率放大後,送放逆變功率電路,輸入步進脈衝到步時電機;

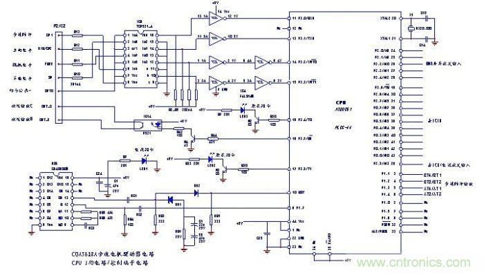
圖4:CPU(單片機)電路和控製端子內電路圖
步進電機驅動器是由單片機生成四路脈衝信號,經後續電路驅動功率輸出電路,進而驅動步進電機的。該圖將單片機的O/I口kou都dou詳xiang細xi標biao出chu,便bian於yu進jin行xing分fen析xi原yuan理li和he故gu障zhang檢jian測ce。控kong製zhi端duan子zi,除chu步bu進jin脈mai衝chong和he方fang向xiang電dian平ping信xin號hao輸shu入ru外wai,還hai提ti供gong步bu進jin驅qu動dong器qi的de故gu障zhang信xin號hao輸shu出chu,用yong於yu故gu障zhang狀zhuang態tai的de顯xian示shi等deng。
- 噪聲中提取真值!瑞盟科技推出MSA2240電流檢測芯片賦能多元高端測量場景
- 10MHz高頻運行!氮矽科技發布集成驅動GaN芯片,助力電源能效再攀新高
- 失真度僅0.002%!力芯微推出超低內阻、超低失真4PST模擬開關
- 一“芯”雙電!聖邦微電子發布雙輸出電源芯片,簡化AFE與音頻設計
- 一機適配萬端:金升陽推出1200W可編程電源,賦能高端裝備製造
- 突破工藝邊界,奎芯科技LPDDR5X IP矽驗證通過,速率達9600Mbps
- 通過直接、準確、自動測量超低範圍的氯殘留來推動反滲透膜保護
- 從技術研發到規模量產:恩智浦第三代成像雷達平台,賦能下一代自動駕駛!
- 從機械執行到智能互動:移遠Q-Robotbox助力具身智能加速落地
- 品英Pickering將亮相2026航空電子國際論壇,展示航電與電池測試前沿方案
- 車規與基於V2X的車輛協同主動避撞技術展望
- 數字隔離助力新能源汽車安全隔離的新挑戰
- 汽車模塊拋負載的解決方案
- 車用連接器的安全創新應用
- Melexis Actuators Business Unit
- Position / Current Sensors - Triaxis Hall





