安森美汽車空調係統四大類高能效器件盤點
發布時間:2013-07-21 來源:電子元件技術網 責任編輯:Cynthiali
【導讀】現代汽車空調係統由製冷係統、供暖係統、通tong風feng和he空kong氣qi淨jing化hua裝zhuang置zhi及ji控kong製zhi係xi統tong等deng組zu成cheng,已yi成cheng為wei衡heng量liang汽qi車che功gong能neng是shi否fou齊qi全quan的de標biao誌zhi之zhi一yi。為wei了le滿man足zu汽qi車che空kong調tiao中zhong越yue來lai越yue苛ke刻ke的de需xu求qiu,需xu要yao優you秀xiu的de產chan品pin不bu斷duan提ti高gao汽qi車che空kong調tiao係xi統tong的de安an全quan性xing、可靠性及燃油經濟性。本文以安森美半導體為例對汽車空調係統四大類器件進行盤點。
汽車空調係統是實現對車廂內空氣進行製冷、加熱、huanqihekongqijinghuadezhuangzhi,keyiweichengcherenyuantigongshushidechengchehuanjing,jiangdijiashiyuandepilaoqiangdu,tigaoxingcheanquan。jintian,kongtiaozhuangzhiyichengweihengliangqichegongnengshifouqiquandebiaozhizhiyi。weilemanzuqichekongtiaozhongyuelaiyuekekedexuqiu,xuyaoyouxiudechanpinbuduantigaoqichekongtiaoxitongdeanquanxing、可靠性及燃油經濟性。
汽車空調係統結構及供電要求
現代汽車空調係統由製冷係統、供暖係統、通風和空氣淨化裝置及控製係統等組成。圖1中的綠色部分是安森美半導體為汽車空調係統提供的各種器件。

圖1:安森美半導體為汽車空調係統提供的器件(綠色方框)
汽車空調係統典型的供電架構是為微控製器(MCU,亦俗稱“單片機”)、傳感器及其他板載控製芯片、LED供電。通常,單片機消耗電流一般小於50mA;風門位置傳感器、光線傳感器、溫度傳感器等需要的電流也小於50 mA;板載控製芯片,如A/D芯片、總線並轉串或運放等也是這樣;作為背光和按鈕顯示的LED的電流消耗取決於按鈕的數量及整體亮度,通常與單片機相關。所以,整個係統的電流一般在150mA以內。
24 V係統電源供電需要考慮高耐壓產品,滿足熱管理要求,以及電源效率和成本控製等問題。其結構有兩種,一種是24 V電源經大功率TVS(瞬態電壓抑製器),由低壓降穩壓器(LDO)轉換為5 V,同時為電機驅動供電,TVS可用來防止易受攻擊的電路受到電氣過應力及快速過電壓的影響;另一種是24 V電源經成本較高的DC/DC降壓到12 V,再經LDO轉換為5 V並為電機驅動供電。
12 V係統電源供電經LDO為MCU、傳感器及其他器件供電,同時直接為DC電機和步進電機等電機驅動供電。12 V係統要考慮的是係統成本、低靜態電流(Iq)和封裝。適用於汽車空調的LDO包括NCV4264-2、NCV8660B、NCV8664、NCV8669、NCV4269A、NCV4279A、NCV4299、NCV4299AD、NCV4266、NCV8501、NCV8502、NCV2931、NCV8768和NCV8769。
安森美半導體還提供為傳感器供電、具有完善保護功能的電壓跟隨器,如NCV8184。這是一款單片LDO跟隨穩壓器,提供可調節的緩衝輸出電壓,可密切匹配參考輸入電壓(精度可達±3 mV)。該器件的輸出電流能力(Iout)為70 mA,在50 mA電流時的典型壓降僅為0.35 V;靜態電流僅為70 μA,並有使能引腳。

圖2:電壓跟隨器框圖
豐富的汽車空調係統驅動方案
下頁內容:汽車空調係統驅動的四大類對象
[page]
汽車空調係統驅動的對象主要有風門執行器、智能高低邊、鼓風機和LED。
1. 風門執行器驅動
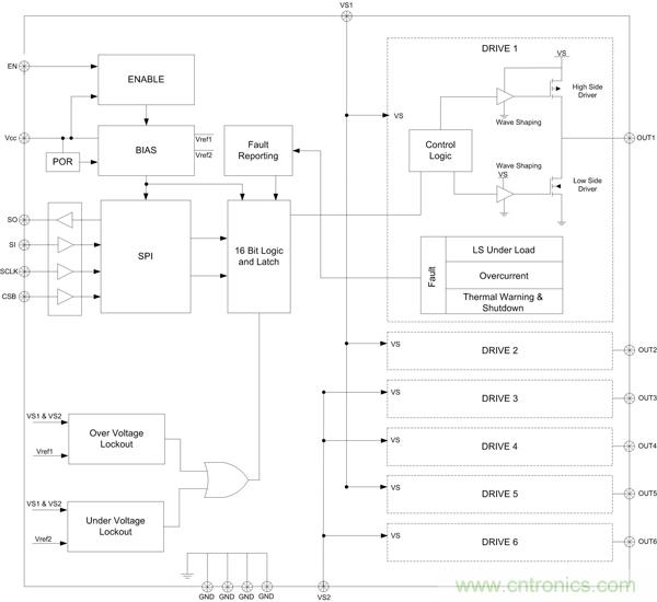
風門執行器驅動的拓撲結構因不同整車廠的配置需求而異,有直流電機、單dan極ji性xing步bu進jin電dian機ji及ji雙shuang極ji性xing步bu進jin電dian機ji幾ji種zhong。直zhi流liu電dian機ji集ji成cheng了le位wei置zhi傳chuan感gan器qi,將jiang風feng門men位wei置zhi信xin號hao反fan饋kui給gei單dan片pian機ji。為wei控kong製zhi直zhi流liu電dian機ji的de正zheng轉zhuan或huo反fan轉zhuan,需xu要yao使shi用yong2個高邊(HS)開關及2個低邊(LS)開關組成全橋電路。通常,這些高邊或低邊開關已經集成各種完善的保護,如過壓保護、過載保護及過溫保護等。單極性步進電機需使用4個低邊開關,而雙極性步進電機需使用4個高邊開關和4個低邊開關來驅動。
直流電機風門執行器的正常工作電流約為100 mA,最大堵轉電流小於450 mA;另外需要H橋驅動來改變運行方向,以及故障診斷報告功能和芯片內保護功能。安森美半導體的NCV77xx係列器件(如NCV7718)可用於驅動直流電機風門執行器,其中NCV7718是一款6路半橋驅動器,芯片內部連接了高低邊,以H半橋作為輸出。
該器件以6路PMOS作為高邊驅動,6路NMOS作為低邊驅動,能夠提供0.55 A持續驅動電流,內部集成了續流二極管。NCV7718最大功耗僅為5 μA,能以正向、反向、製動及高阻態工作,通過16位SPI接口控製,帶有專門設計用於汽車及工業運行控製應用的保護功能,如欠壓及過壓鎖定、過流關斷、過溫保護、診斷、驅動狀態、低負載保護及故障報告等。

圖3:NCV7718 6路半橋驅動
安森美半導體還提供用於汽車空調的單極性及雙極性步進電機驅動器。單極性步進電機驅動器包括NCV7608和NCV7240等。NCV7608是8路高低邊可配置驅動器,每通道能提供350 mA驅動電流及完善的保護功能;NCV7240是8路低邊驅動器,每通道能提供600 mA驅動電流,可采用16位SPI接口控製,具有完善的保護功能(如開路診斷、過載保護及過溫保護等)。這兩款器件分別采用SOIC28和SSOP24封裝。

圖4:汽車空調雙極性步進電機驅動器AMIS30730
雙極性步進電機驅動器包括AMIS-30730和NCV70501等。AMIS-30730是LIN接口單芯片智能步進電機驅動器方案,驅動電流為300 mA,內部包含MCU、ROM、RAM、EEPROM。NCV70501是SPI接口步進電機驅動器,驅動電流為300 mA,可以實現進氣風門的低噪聲設計,可以通過設置內部寄存器來改變電機的方向和步數等。

圖5:汽車空調雙極性步進電機驅動器NCV70501
下頁內容:智能高低邊驅動、 鼓風機驅動和LED驅動
[page]
2. 智能高低邊驅動
SmartFET是用於外部負載(如中央電器盒中的繼電器)的高/低邊驅動。這些驅動自身需要額外的保護功能,如短路保護、熱關斷(有或者沒有自動恢複功能)、過壓保護、邏輯電平控製(單片機直接控製)和ESD保護等。安森美半導體的高/低邊智能驅動器件有NCV8440、NCV8440、NCV8401、NCV8402、NCV8403、NCV8406等低邊驅動器,以及NCV8450、NCV8452等高邊驅動器。這些器件是帶保護的MOSFET,在其基礎上增加了多種保護功能及高邊或低邊驅動等。例如,NCV8452高邊SmartFET,器件的導通阻抗為200 mΩ,過壓保護等級為41 V,輸出電流限製值為1 A,集成了豐富的保護特性,如短路保護、過載保護、過溫關斷及自動重啟、內部鉗位二極管過壓保護、ESD保護及邏輯電平控製等。

圖6:NCV8452高邊SmartFET框圖
3. 鼓風機驅動
鼓風機驅動包含有刷直流電機及無刷直流電機(BLDC)等類型。有刷直流電機采用PWM控製,最大工作電流為30 A,需要功率MOSFET。無刷直流電機需要用到預驅動器及功率MOSFET。安森美半導體提供用於無刷直流電機的三相預驅動器,如LV8901、LV8902及MC33033/5等。安森美半導體還提供用於鼓風機驅動的一係列功率MOSFET,如NVB5860N/NL、NVMFS5830NL、NVMFS5832NL、NVB5404N、NVB5405N、NVD5802及NVD5890N等。

圖7:三相電機預驅動
4. LED驅動
安森美半導體采用恒流穩流器(CCR)的LED驅動器可用來驅動汽車空調應用中的LED。其中包括適合低噪聲係統的雙端可調節輸出版本及三端可調節輸出版本。這些器件內置LED熱保護,能夠替代低成本LDO,可抑製由於電壓波動引起的LED亮度變化,有助於縮短設計和認證時間。這些低電流CCR LED驅動器包括NSI50010YT1G、NSI45015WT1G、NSI45020T1G、NSI45020AT1G及NSI45020JZT1G等。
車載總線收發器及係統基礎芯片
汽車中使用的分散、分布式係統需要通過LIN、CAN及FlexRay™ 等行業標準接口進行互連。安森美半導體提供符合這些標準接口技術的車載總線收發器,如用於汽車空調的NCV7321 LIN收發器。該器件的最高通信速率為20 kbps,具備高壓模擬和數字功能,符合歐洲LIN物理層規範2.1版及美國SAE J2602-2規範,符合OEM要求,同時具有出色的電磁兼容(EMC)性能,係統ESD保護能力高達13 kV。
在係統基礎芯片(SBC)方麵,安森美半導體提供多種集成了車載網絡、電源(如線性穩壓器、DC-DC穩壓器)、監控(如看門狗、SPI、狀態、中斷)及I/O的器件,如NCV7420和NCV7425,兩款器件都集成了LIN收發器及3.3 V或5 V穩壓器,輸出電流能力分別為50 mA及150 mA。
汽車空調是安森美半導體在汽車應用中所關注的核心應用之一。安森美半導體提供一係列應用於汽車空調應用的產品,包括電源供電、電機驅動、SmartFET和he分fen立li器qi件jian。這zhe些xie器qi件jian均jun通tong過guo了le汽qi車che級ji產chan品pin認ren證zheng,有you助zhu於yu汽qi車che整zheng車che廠chang商shang滿man足zu汽qi車che空kong調tiao中zhong越yue來lai越yue苛ke刻ke的de需xu求qiu,不bu斷duan提ti高gao汽qi車che空kong調tiao係xi統tong的de安an全quan性xing可ke靠kao性xing及ji燃ran油you經jing濟ji性xing。
特別推薦
- 噪聲中提取真值!瑞盟科技推出MSA2240電流檢測芯片賦能多元高端測量場景
- 10MHz高頻運行!氮矽科技發布集成驅動GaN芯片,助力電源能效再攀新高
- 失真度僅0.002%!力芯微推出超低內阻、超低失真4PST模擬開關
- 一“芯”雙電!聖邦微電子發布雙輸出電源芯片,簡化AFE與音頻設計
- 一機適配萬端:金升陽推出1200W可編程電源,賦能高端裝備製造
技術文章更多>>
- 一秒檢測,成本降至萬分之一,光引科技把幾十萬的台式光譜儀“搬”到了手腕上
- AI服務器電源機櫃Power Rack HVDC MW級測試方案
- 突破工藝邊界,奎芯科技LPDDR5X IP矽驗證通過,速率達9600Mbps
- 通過直接、準確、自動測量超低範圍的氯殘留來推動反滲透膜保護
- 從技術研發到規模量產:恩智浦第三代成像雷達平台,賦能下一代自動駕駛!
技術白皮書下載更多>>
- 車規與基於V2X的車輛協同主動避撞技術展望
- 數字隔離助力新能源汽車安全隔離的新挑戰
- 汽車模塊拋負載的解決方案
- 車用連接器的安全創新應用
- Melexis Actuators Business Unit
- Position / Current Sensors - Triaxis Hall
熱門搜索




