一款穩定高效的功率穩壓逆變電源設計
發布時間:2013-10-09 責任編輯:eliane
【導讀】本文介紹了一款功率穩壓逆變電源,應用於低壓電器長延時熱脫扣試驗,適用於對斷路器、熱繼電器等低壓電器作長延時特性的校驗和測試,具有工作穩定可靠、輸入功率因數高、輸出精度高、波形失真度小、效率高的優點。
目(mu)前(qian)國(guo)內(nei)大(da)多(duo)數(shu)采(cai)用(yong)的(de)長(chang)延(yan)時(shi)熱(re)脫(tuo)扣(kou)試(shi)驗(yan)方(fang)案(an)是(shi)通(tong)過(guo)變(bian)壓(ya)器(qi)直(zhi)接(jie)對(dui)斷(duan)路(lu)器(qi)施(shi)加(jia)一(yi)個(ge)電(dian)壓(ya)以(yi)獲(huo)得(de)測(ce)試(shi)電(dian)流(liu)。在(zai)測(ce)試(shi)過(guo)程(cheng)中(zhong),由(you)於(yu)電(dian)網(wang)電(dian)壓(ya)的(de)波(bo)動(dong)、載流電路中引線電阻變化、負載本身電阻發熱變化,使測試電流隨之變動,難以滿足國家標準的要求。本文介紹了一種功率穩壓逆變電源,具有工作穩定可靠、輸入功率因數高、輸出精度高、波形失真度小、效率高的優點。
標稱功率300W的逆變電源,用於家庭電風扇、電視機,以及日常照明等是不成問題的。300W逆變器,利用12V/60AH蓄電池向上述家用電器供電,一次充滿電後,可使用近5小時。不過,即使蓄電池電壓充足,啟動180立升的電冰箱仍有困難,因啟動瞬間輸出電壓下降為不足180V而失敗。電冰箱壓縮機標稱功率多為100W左右,實際啟動瞬間電流可達2A以上,若欲使啟動瞬間降壓不十分明顯,必須將輸出功率提高至600VA.如在增大輸出功率的同時,采用PWM穩壓係統,可使啟動瞬間降壓幅度明顯減小。無論電風扇還是電冰箱,應用逆變電源供電時,均應在逆變器輸出端增設圖1中的LC濾波器,以改善波形,避免脈衝上升沿尖峰擊穿電機繞組。

圖1
采用雙極型開關管的逆變器,基極驅動電流基本上為開關電流的1/β,yincidadianliukaiguandianlubixucaiyongduojifangda,bujinshidianlufuzahua,kekaoxingyebianchaerqiesuizheshuchugonglvdezengda,kaiguanguanqudongdianliuxudayujidianjidianliude1/β,致使普通驅動IC無法直接驅動。雖說采用多級放大可以達到目的,但是波形失真卻明顯增大,從而導致開關管的導通/截止損耗也增大。目前解決大功率逆變電源及UPS的驅動方案,大多采用MOSFET管作開關器件。
MOSFET管的應用
近年來,金屬氧化物絕緣柵場效應管的製造工藝飛速發展,使之漏源極耐壓(VDS)達kV以上,漏源極電流(IDS)達50A已不足為奇,因而被廣泛用於高頻功率放大和開關電路中。
除此而外,還有雙極性三極管與MOSFET管的混合產品,即所謂IGBT絕緣柵雙極晶體管。顧名思義,它屬MOSFET管作為前級、雙極性三極管作為輸出的組合器件。因此,IGBT既有絕緣柵場效應管的電壓驅動特性,又有雙極性三極管飽合壓降小和耐壓高的輸出特性,其關斷時間達到0.4μs以下,VCEO達到1.8kV,ICM達到100A的水平,目前常用於電機變頻調速、大功率逆變器和開關電源等電路中。
一般中功率開關電源逆變器常用MOSFET管的並聯推挽電路。MOSFET管漏-源極間導通電阻,具有電阻的均流特性,並聯應用時不必外加均流電阻,漏源極直接並聯應用即可。而柵源極並聯應用,則每隻MOSFET管guan必bi須xu采cai用yong單dan獨du的de柵zha極ji隔ge離li電dian阻zu,避bi免mian各ge開kai關guan管guan柵zha極ji電dian容rong並bing聯lian形xing成cheng總zong電dian容rong增zeng大da,導dao致zhi充chong電dian電dian流liu增zeng大da,使shi驅qu動dong電dian壓ya的de建jian立li過guo程cheng被bei延yan緩huan,開kai關guan管guan導dao通tong損sun耗hao增zeng大da。
MOSFET的驅動
近年來,隨著MOSFET生產工藝的改進,各種開關電源、變換器都廣泛采用MOSFET管作為高頻高壓開關電路,但是,專用於驅動MOSFET管的集成電路國內極少見。驅動MOSFET管的要求是,低輸出阻抗,內設灌電流驅動電路。所以,普通用於雙極型開關管的驅動IC不能直接用於驅動場效應管。
目前就世界範圍來說,可直接驅動MOSFET管的IC品種仍不多,單端驅動器常用的是UC3842係列,而用於推挽電路雙端驅動器有SG3525A(驅動 N溝道場效應管)、SG3527A(驅動P溝道場效應管)和SG3526N(驅動N溝道場效應管)。然而在開關電源快速發展的近40年中,畢竟有了一大批優秀的、功能完善的雙端輸出驅動IC.同時隨著MOSFET管應用普及,又開發了不少新電路,可將其用於驅動MOSFET管,解決MOSFET的驅動無非包括兩個內容:一是降低驅動IC的輸出阻抗;二是增設MOSFET管的灌電流通路。為此,不妨回顧SG3525A、SG3527A、SG3526N以及單端驅動器UC3842係列的驅動級。

圖2
圖2a為上述IC的驅動輸出電路(以其中一路輸出為例)。振蕩器的輸出脈衝經或非門,將脈衝上升沿和下降沿輸出兩路時序不同的驅動脈衝。在脈衝正程期間,Q1導通,Q2截止,Q1發射極輸出的正向脈衝,向開關管柵極電容充電,使漏-源極很快達到導通閾值。當正程脈衝過後,若開關管柵-源極間充電電荷不能快速放完,將使漏源極驅動脈衝不能立即截止。為此,Q1截止後,或非門立即使Q2導通,為柵源極電容放電提供通路。此驅動方式中,Q1提供驅動電流,Q2提供灌電流(即放電電流)。Q1為發射極輸出器,其本身具有極低的輸出阻抗。
[page]
為了達到上述要求,將普通用於雙極型開關管驅動輸出接入圖2b的外設驅動電路,也可以滿足MOSFETguandequdongyaoqiu。shejiqudongshuangjixingkaiguanguandejichengdianlu,changcaiyongshuangduantutengzhushishuchulianglumaichong,jilianglushuchumaichongjixingshixiangtongde,yiqudongtuiwandeliangzhiNPN型xing三san極ji管guan。為wei了le讓rang推tui挽wan兩liang管guan輪lun流liu導dao通tong,兩liang路lu驅qu動dong脈mai衝chong的de時shi間jian次ci序xu不bu同tong。如ru果guo第di一yi路lu輸shu出chu正zheng脈mai衝chong,經jing截jie止zhi後hou,過guo一yi死si區qu時shi間jian,第di二er路lu方fang開kai始shi輸shu出chu。兩liang路lu驅qu動dong級ji采cai用yong雙shuang極ji型xing三san極ji管guan集ji射she極ji開kai路lu輸shu出chu,以yi便bian於yu取qu得de不bu同tong的de脈mai衝chong極ji性xing,用yong於yu驅qu動dong NPN型或PNP型開關管。
前級驅動IC內部緩衝器的發射極,在負載電阻R1上建立未倒相的正極性驅動脈衝使三極管Q截止。在驅動脈衝上升沿開始,正極性脈衝通過二極管D加到MOSFET開關管柵-源極,對柵源極電容CGS充電,當充電電壓達到開關管柵極電壓閾值時,其漏源極導通。正脈衝持續期過後,IC內部緩衝放大器發射極電平為零,輸出端將有一定時間的死區。此時,Q的發射極帶有CGS充電電壓,因而Q導通,CGS通過Q的ec極放電,Q的集電極電流為灌電流通路。R2為開關管的柵極電阻,目的是避免開關管的柵極在Q、D轉換過程中懸空,否則其近似無窮大的高輸入阻抗極容易被幹擾電平所擊穿。采用此方式利用普通雙端輸出集成電路,驅動MOSFET開關管,可達到比較理想的效果。為降低導通/截止損耗,D應選用快速開關二極管.Q的集電極電流應根據開關管決定,若為了提高輸出功率,每路輸出采用多隻MOSFET管並聯應用,則應選擇ICM足夠大的灌流三極管和高速開關二極管。
TL494應用
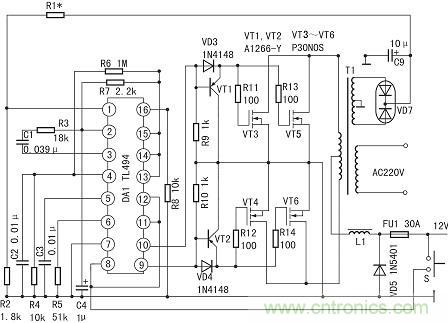
目前所有的雙端輸出驅動IC中,可以說美國德州儀器公司開發的TL494功能最完善、驅動能力最強,其兩路時序不同的輸出總電流為SG3525的兩倍,達到400mA.僅此一點,使輸出功率千瓦級及以上的開關電源、DC/DC變換器、逆變器,幾乎無一例外地采用TL494.雖然TL494設計用於驅動雙極型開關管,然而目前絕大部分采用MOSFET開關管的設備,利用外設灌流電路,也廣泛采用TL494。為此,本節中將詳細介紹其功能及應用電路。其內部方框圖如圖3所示。其內部電路功能、特點及應用方法如下:
A.內置RC定時電路設定頻率的獨立鋸齒波振蕩器,其振蕩頻率fo(kHz)=1.2/R(kΩ)。C(μF),其最高振蕩頻率可達300kHz,既能驅動雙極性開關管,增設灌電流通路後,還能驅動MOSFET開關管。
B.內(nei)部(bu)設(she)有(you)比(bi)較(jiao)器(qi)組(zu)成(cheng)的(de)死(si)區(qu)時(shi)間(jian)控(kong)製(zhi)電(dian)路(lu),用(yong)外(wai)加(jia)電(dian)壓(ya)控(kong)製(zhi)比(bi)較(jiao)器(qi)的(de)輸(shu)出(chu)電(dian)平(ping),通(tong)過(guo)其(qi)輸(shu)出(chu)電(dian)平(ping)使(shi)觸(chu)發(fa)器(qi)翻(fan)轉(zhuan),控(kong)製(zhi)兩(liang)路(lu)輸(shu)出(chu)之(zhi)間(jian)的(de)死(si)區(qu)時(shi)間(jian)。當(dang)第(di)4腳電平升高時,死區時間增大。
C.觸發器的兩路輸出設有控製電路,使Q1、Q2既可輸出雙端時序不同的驅動脈衝,驅動推挽開關電路和半橋開關電路,同時也可輸出同相序的單端驅動脈衝,驅動單端開關電路。
D.內nei部bu兩liang組zu完wan全quan相xiang同tong的de誤wu差cha放fang大da器qi,其qi同tong相xiang輸shu入ru端duan均jun被bei引yin出chu芯xin片pian外wai,因yin此ci可ke以yi自zi由you設she定ding其qi基ji準zhun電dian壓ya,以yi方fang便bian用yong於yu穩wen壓ya取qu樣yang,或huo利li用yong其qi中zhong一yi種zhong作zuo為wei過guo壓ya、過流超閾值保護。
E.輸出驅動電流單端達到400mA,能直接驅動峰值電流達5A的開關電路。雙端輸出脈衝峰值為2×200mA,加入驅動級即能驅動近千瓦的推挽式和橋式電路。

圖3
TL494的各腳功能及參數如下:第1、16腳為誤差放大器A1、A2的同相輸入端。最高輸入電壓不超過VCC+0.3V.第2、15腳為誤差放大器A1、A2的反相輸入端。可接入誤差檢出的基準電壓。第3腳為誤差放大器A1、A2的輸出端。集成電路內部用於控製PWM比較器的同相輸入端,當A1、A2任一輸出電壓升高時,控製PWM比較器的輸出脈寬減小。同時,該輸出端還引出端外,以便與第2、15腳間接入RC頻率校正電路和直接負反饋電路,一則穩定誤差放大器的增益,二則防止其高頻自激。另外,第3腳電壓反比於輸出脈寬,也可利用該端功能實現高電平保護。第4腳為死區時間控製端。當外加1V以下的電壓時,死區時間與外加電壓成正比。如果電壓超過1V,內部比較器將關斷觸發器的輸出脈衝。第5腳為鋸齒波振蕩器外接定時電容端,第6腳為鋸齒波振蕩器外接定時電阻端,一般用於驅動雙極性三極管時需限製振蕩頻率小於40kHz.第7腳為接地端。第8、11腳為兩路驅動放大器NPN管的集電極開路輸出端。當第8、11腳接Vcc,第9、10腳接入發射極負載電阻到地時,兩路為正極性圖騰柱式輸出,用以驅動各種推挽開關電路。當第8、11腳接地時,兩路為同相位驅動脈衝輸出。第8、11腳和9、10腳可直接並聯,雙端輸出時最大驅動電流為2×200mA,並聯運用時最大驅動電流為400mA.第14腳為內部基準電壓精密穩壓電路端。輸出5V±0.25V的基準電壓,最大負載電流為10mA.用於誤差檢出基準電壓和控製模式的控製電壓。TL494的極限參數:最高瞬間工作電壓(12腳)42V,最大輸出電流250mA,最高誤差輸入電壓Vcc+0.3V,測試/環境溫度≤45℃,最大允許功耗1W,最高結溫 150℃,使用溫度範圍0~70℃,保存溫度-65~+150℃。
[page]
TL494的標準應用參數:Vcc(第12腳)為7~40V,Vcc1(第8腳)、Vcc2(第11腳)為40V,Ic1、Ic2為200mA,RT取值範圍1.8~500kΩ,CT取值範圍4700pF~10μF,最高振蕩頻率(fOSC)≤300kHz。

圖4
圖4為外刊介紹的利用TL494組成的400W大功率穩壓逆變器電路。它激式變換部分采用TL494,VT1、VT2、VD3、VD4構成灌電流驅動電路,驅動兩路各兩隻60V/30A的MOSFET開關管。如需提高輸出功率,每路可采用3~4隻開關管並聯應用,電路不變。TL494在該逆變器中的應用方法如下:
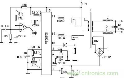
第1、2腳構成穩壓取樣、誤差放大係統,正相輸入端1腳輸入逆變器次級取樣繞組整流輸出的15V直流電壓,經R1、R2分壓,使第1腳在逆變器正常工作時有近4.7~5.6V取樣電壓。反相輸入端2腳輸入5V基準電壓(由14腳輸出)。當輸出電壓降低時,1腳電壓降低,誤差放大器輸出低電平,通過PWM電路使輸出電壓升高。正常時1腳電壓值為5.4V,2腳電壓值為5V,3腳電壓值為0.06V.此時輸出AC電壓為235V(方波電壓)。第4腳外接R6、 R4、C2設定死區時間。正常電壓值為0.01V.第5、6腳外接CT、RT設定振蕩器三角波頻率為100Hz.正常時5腳電壓值為1.75V,6腳電壓值為3.73V.第7腳為共地。第8、11腳為內部驅動輸出三極管集電極,第12腳為TL494前級供電端,此三端通過開關S控製TL494的啟動/停止,作為逆變器的控製開關。當S1關斷時,TL494無輸出脈衝,因此開關管VT4~VT6無任何電流。S1接通時,此三腳電壓值為蓄電池的正極電壓。第9、10腳為內部驅動級三極管發射極,輸出兩路時序不同的正脈衝。正常時電壓值為1.8V.第13、14、15腳其中14腳輸出5V基準電壓,使13腳有5V高電平,控製門電路,觸發器輸出兩路驅動脈衝,用於推挽開關電路。第15腳外接5V電壓,構成誤差放大器反相輸入基準電壓,以使同相輸入端16腳構成高電平保護輸入端。此接法中,當第16腳輸入大於5V的高電平時,可通過穩壓作用降低輸出電壓,或關斷驅動脈衝而實現保護。在它激逆變器中輸出超壓的可能性幾乎沒有,故該電路中第16腳未用,由電阻R8接地。
該逆變器采用容量為400VA的工頻變壓器,鐵芯采用45×60mm2的矽鋼片。初級繞組采用直徑1.2mm的漆包線,兩根並繞2×20匝。次級取樣繞組采用0.41mm漆包線繞36匝,中心抽頭。次級繞組按230V計算,采用0.8mm漆包線繞400匝。開關管VT4~VT6可用60V/30A任何型號的N溝道MOSFET管代替。VD7可用1N400X係列普通二極管。該電路幾乎不經調試即可正常工作。當C9正極端電壓為12V時,R1可在3.6~4.7kΩ之間選擇,或用10kΩ電位器 調整,使輸出電壓為額定值。如將此逆變器輸出功率增大為近600W,為了避免初級電流過大,增大電阻性損耗,宜將蓄電池改用24V,開關管可選用VDS為 100V的大電流MOSFET管。需注意的是,寧可選用多管並聯,而不選用單隻IDS大於50A的開關管,其原因是:一則價格較高,二則驅動太困難。建議選用100V/32A的 2SK564,或選用三隻2SK906並聯應用。同時,變壓器鐵芯截麵需達到50cm2,按普通電源變壓器計算方式算出匝數和線徑,或者采用廢UPS- 600中變壓器代用。如為電冰箱、電風扇供電,請勿忘記加入LC低通濾波器。
youyubenwenzhongdejiaoliuwenliuyuanshizhishangshiyigedianyaxingdianliuyuan,jitongguokuaisutiaojieshuchudianyalaishixianshuchuwenliu。dangshuchukailushi,shuchudianyahuixunsushangshengdaodaozhiliumuxiandianyafujin,erbuhuixiangdianliuxingdianliuyuannayangshengdehengao。jinguanruci,fuzaikailushi,shuchudianyarenghuixunsushangsheng,bingyinqishuchudianyayiLC諧振頻率進行振蕩,這兩者均會導致輸出波形嚴重畸變;ciwai,dangshuchufuzaizhongxinjieshangshihuiyinqishuchushuntaiguoliu。yinci,suomiaoshudejiaoliuwenliunibiandianyuanyingyongyudiyadianqichangyanshiretuokoushiyan,shiyongyuduiduanluqi、熱繼電器等低壓電器作長延時特性的校驗和測試。
相關閱讀:
工程師分享:一款可調穩壓電源電路設計方案
http://wap.0-fzl.cn/power-art/80021586
DIY必備!自製大功率穩壓電源【附詳細電路】
http://wap.0-fzl.cn/power-art/80021443
應對汽車PMIC挑戰:一款高功率電源管理解決方案
http://wap.0-fzl.cn/power-art/80021508
特別推薦
- 噪聲中提取真值!瑞盟科技推出MSA2240電流檢測芯片賦能多元高端測量場景
- 10MHz高頻運行!氮矽科技發布集成驅動GaN芯片,助力電源能效再攀新高
- 失真度僅0.002%!力芯微推出超低內阻、超低失真4PST模擬開關
- 一“芯”雙電!聖邦微電子發布雙輸出電源芯片,簡化AFE與音頻設計
- 一機適配萬端:金升陽推出1200W可編程電源,賦能高端裝備製造
技術文章更多>>
- 一秒檢測,成本降至萬分之一,光引科技把幾十萬的台式光譜儀“搬”到了手腕上
- AI服務器電源機櫃Power Rack HVDC MW級測試方案
- 突破工藝邊界,奎芯科技LPDDR5X IP矽驗證通過,速率達9600Mbps
- 通過直接、準確、自動測量超低範圍的氯殘留來推動反滲透膜保護
- 從技術研發到規模量產:恩智浦第三代成像雷達平台,賦能下一代自動駕駛!
技術白皮書下載更多>>
- 車規與基於V2X的車輛協同主動避撞技術展望
- 數字隔離助力新能源汽車安全隔離的新挑戰
- 汽車模塊拋負載的解決方案
- 車用連接器的安全創新應用
- Melexis Actuators Business Unit
- Position / Current Sensors - Triaxis Hall
熱門搜索
按鈕開關
白色家電
保護器件
保險絲管
北鬥定位
北高智
貝能科技
背板連接器
背光器件
編碼器型號
便攜產品
便攜醫療
變容二極管
變壓器
檳城電子
並網
撥動開關
玻璃釉電容
剝線機
薄膜電容
薄膜電阻
薄膜開關
捕魚器
步進電機
測力傳感器
測試測量
測試設備
拆解
場效應管
超霸科技




