全橋式變壓器開關電源參數計算
——陶顯芳老師談開關電源原理與設計
發布時間:2013-12-31 來源:陶顯芳老師 責任編輯:eliane
【導讀】全橋式變壓器開關電dian源yuan的de工gong作zuo原yuan理li與yu推tui挽wan式shi變bian壓ya器qi開kai關guan電dian源yuan的de工gong作zuo原yuan理li是shi非fei常chang接jie近jin的de,隻zhi是shi變bian壓ya器qi的de激ji勵li方fang式shi與yu工gong作zuo電dian源yuan的de接jie入ru方fang式shi有you點dian不bu同tong,在zai學xue習xi了le推tui挽wan式shi變bian壓ya器qi開kai關guan電dian源yuan參can數shu計ji算suan後hou我wo們men再zai來lai看kan看kan全quan橋qiao式shi變bian壓ya器qi開kai關guan電dian源yuan參can數shu計ji算suan以yi及ji全quan橋qiao式shi變bian壓ya器qi開kai關guan電dian源yuan又you有you什shen麼me優you缺que點dian吧ba。
1-8-3-3.全橋式開關電源儲能濾波電感、電容參數的計算
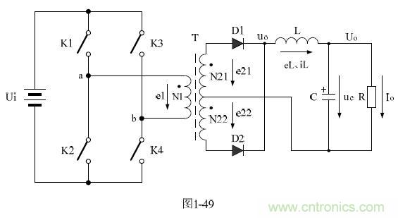
全橋式開關電源儲能濾波電感、電容參數的計算主要是針對如圖1-49 輸出電壓可調的全橋式變壓器開關電源中的儲能濾波電感、電容參數選擇進行計算。實際上,圖1-49 輸出電壓可調的全橋式變壓器開關電源中的儲能濾波電感、電容參數選擇方法,與圖1-33 輸出電壓可調的推挽式變壓器開關電源的儲能濾波電感、電容參數選擇方法是基本相同的,因此,這裏隻列出計算儲能濾波電感、電容參數的公式,對於詳細分析請參考《1-8-1-3.推挽式變壓器開關電源儲能濾波電感、電容參數的計算》章節的內容。

A)全橋式開關電源儲能濾波電感參數的計算
根據前麵分析,以及由圖1-35 可以看出,輸出電壓可調的推挽式變壓器開關電源的兩個控製開關K1、K2 的占空比必須小於0.5,開關電源電源才能正常工作;當要求輸出電壓可調範圍為最大時,占空比最好取值為0.25。此分析結果對於全橋式開關電源同樣有效。
當兩個控製開關K1、K2 的占空比取值均為0.25 時,輸出電壓可調的推挽式變壓器開關電源中的儲能濾波電感L 以及輸出電壓Uo 的計算由(1-144)和(1-145)式決定,即:

(1-144)和(1-145)式既是計算輸出電壓可調的推挽式變壓器開關電源儲能濾波電感和濾波輸出電壓的表達式(D 為0.25 時),也是計算輸出電壓可調的全橋式變壓器開關電源儲能濾波電感和濾波輸出電壓的表達式(D 為0.25 時)。式中:Ui 為全橋式變壓器開關電源輸入電壓,Uo為全橋式變壓器開關電源的輸出電壓,T 為控製開關的工作周期,F 為控製開關的工作頻率,n 為開關電源次級線圈N2 繞組與初級線圈N1 繞組的匝數比。
往期閱讀:
專題:陶顯芳老師30年經驗大分享,開關電源設計那些事兒
http://wap.0-fzl.cn/special/181
【連載7】陶顯芳老師談開關電源原理與設計
http://wap.0-fzl.cn/power-art/80021940
【連載8】全橋式變壓器開關電源工作原理
http://wap.0-fzl.cn/power-art/80022082
[page]
上麵(1-144)和(1-145)式的計算結果,隻給出了計算輸出電壓可調的全橋式變壓器開關電源儲能濾波電感L 的中間值,或平均值,對於極端情況可以在平均值的計算結果上再乘以一個大於1 的係數。
B)全橋式開關電源儲能濾波電容參數的計算
根據前麵分析,以及由圖1-35 可以看出,當兩個控製開關K1、K2 的占空比取值均為0.25 時,輸出電壓可調的推挽式變壓器開關電源中的儲能濾波電容C 參數的計算由(1-149)式決定,即:

(1-149)式中:Io 是流過負載的電流,T 為控製開關K1 和K2 的工作周期,ΔUP-P 為輸出電壓的波紋電壓。波紋電壓ΔUP-P 一般都取峰-峰值,所以波紋電壓正好等於電容器充電或放電時的電壓增量,即:ΔUP-P = 2ΔUc
(1-149)式,雖然是計算輸出電壓可調的推挽式變壓器開關電源儲能濾波電容的公式(D = 0.25時),但對於輸出電壓可調的全橋式變壓器開關電源中的儲能濾波電容的計算同樣有效。
同理,(1-149)式的計算結果,隻給出了計算全橋式變壓器開關電源儲能濾波電容C 的中間值或平均值,即控製開關工作於占空比D 為0.25 時的情況,對於極端情況可以在平均值的計算結果上再乘以一個大於1 的係數。
1-8-3-4.全橋式開關變壓器參數的計算
quanqiaoshibianyaqikaiguandianyuandegongzuoyuanliyutuiwanshibianyaqikaiguandianyuandegongzuoyuanlishifeichangjiejinde,zhishibianyaqidejilifangshiyugongzuodianyuandejierufangshiyoudianbutong;因此,用於計算推挽式變壓器開關變壓器初級線圈N1 繞組匝數的數學表達式,同樣可以用於全橋式變壓器開關變壓器初級線圈N1 繞組匝數的計算。
A)全式開關變壓器初級線圈匝數的計算
全橋式變壓器開關電源與推挽式開關電源一樣,也屬於雙激式開關電源,因此用於全橋式開關電源的變壓器鐵心的磁感應強度B,可從負的最大值-Bm,變化到正的最大值+Bm,並(bing)且(qie)變(bian)壓(ya)器(qi)鐵(tie)心(xin)可(ke)以(yi)不(bu)用(yong)留(liu)氣(qi)隙(xi)。全(quan)橋(qiao)式(shi)開(kai)關(guan)變(bian)壓(ya)器(qi)的(de)計(ji)算(suan)方(fang)法(fa)與(yu)前(qian)麵(mian)推(tui)挽(wan)式(shi)開(kai)關(guan)變(bian)壓(ya)器(qi)的(de)計(ji)算(suan)方(fang)法(fa)基(ji)本(ben)相(xiang)同(tong),根(gen)據(ju)推(tui)挽(wan)式(shi)開(kai)關(guan)變(bian)壓(ya)器(qi)初(chu)級(ji)線(xian)圈(quan)匝(za)數(shu)計(ji)算(suan)公(gong)式(shi)(1-150)和(1-151)式:

上麵(1-150)和(1-151)式,雖然是用來計算推挽式變壓器開關變壓器初級線圈N1 繞組匝數的公式,但對於全橋式變壓器開關變壓器初級線圈匝數的計算同樣有效。
(1-150)和(1-151)式中,N1 為變壓器初級線圈N1 繞組的最少匝數,S 為變壓器鐵心的導磁麵積(單位:平方厘米),Bm 為變壓器鐵心的最大磁感應強度(單位:高斯);Ui 為開關電源的工作電壓,即加到變壓器初級線圈N1 繞組兩端的電壓,單位為伏;τ = Ton,為控製開關的接通時間,簡稱脈衝寬度,或電源開關管導通時間的寬度(單位:秒);
[page]
F 為工作頻率,單位為赫芝,一般雙激式開關變壓器工作於正、反激輸出的情況下,其伏秒容量必須相等,因此,可以直接用工作頻率來計算變壓器初級線圈N1 繞組的匝數;F 和τ 取值要預留20%左右的餘量。式中的指數是統一單位用的,選用不同單位,指數的值也不一樣,這裏選用CGS 單位製,即:長度為厘米(cm),磁感應強度為高斯(Gs),磁通單位為麥克斯韋(Mx)。
B)交流輸出全橋式開關變壓器初、次級線圈匝數比的計算
全橋式變壓器開關電源如果用於DC/AC 或AC/AC 逆(ni)變(bian)電(dian)源(yuan),即(ji)把(ba)直(zhi)流(liu)逆(ni)變(bian)成(cheng)交(jiao)流(liu),或(huo)把(ba)交(jiao)流(liu)整(zheng)流(liu)成(cheng)直(zhi)流(liu)後(hou)再(zai)逆(ni)變(bian)成(cheng)交(jiao)流(liu),這(zhe)種(zhong)逆(ni)變(bian)電(dian)源(yuan)一(yi)般(ban)輸(shu)出(chu)電(dian)壓(ya)都(dou)不(bu)需(xu)要(yao)調(tiao)整(zheng),工(gong)作(zuo)效(xiao)率(lv)很(hen)高(gao)。請(qing)參(can)考(kao)圖(tu)1-47。
用於逆變的全橋式變壓器開關電源一般輸出電壓uo 都是占空比等於0.5 的方波,由於方波的波形係數(有效值與半波平均值之比)等於1,因此,方波的有效值Uo 與半波平均值Upa 相等,並且方波的幅值Up 與半波平均值Upa 也相等。所以,隻要知道輸出電壓的半波平均值就可以知道有效值,再根據半波平均值,就可以求得半橋式開關變壓器初、次級線圈匝數比。
根據前麵分析,全橋式變壓器開關電源的輸出電壓uo,主要由開關變壓器次級線圈輸出的正激電壓來決定。因此,根據(1-182)、(1-183)式就可以出全橋式變壓器開關電源的輸出電壓的半波平均值。由此求得全橋式逆變開關變壓器初、次級線圈匝數比:

(1-188)式就是計算全橋式逆變開關變壓器初、次級線圈匝數比的公式。式中,N1 為變壓器初級線圈N1 繞組的匝數,N2 為變壓器次級線圈的匝數,Uo 輸出電壓的有效值,或平均值,Ui 為直流輸入電壓,Upa 輸出電壓的半波平均值。
(1-188)式還沒有考慮變壓器的工作效率,當把變壓器的工作效率也考慮進去時,最好在(1-188)式的右邊乘以一個略大於1 的係數。
C)直流輸出電壓非調整式全橋開關變壓器初、次級線圈匝數比的計算
直流輸出電壓非調整式全橋開關電源,就是在DC/AC 逆變電源的交流輸出電路後麵再接一級整流濾波電路,請參考1-48。這種直流輸出電壓非調整式全橋開關電源的兩組控製開關K1 和K4、K2 和K3 的占空比與DC/AC 逆變電源一樣,一般都是0.5,整流輸出電壓的有效值Uo 與半波平均值Upa 基本相等。因此,直流輸出電壓非調整式全橋開關變壓器初、次級線圈匝數比可直接利用(1-188)式來計算。即:

同樣,在低電壓、大電流輸出的情況下,一定要考慮變壓器的工作效率以及整流二極管的電壓降和4 個開關器件接通時的電壓降。
[page]
D)直流輸出電壓可調整式全橋開關變壓器初、次級線圈匝數比的計算
直流輸出電壓可調整式全橋開關電源的功能就要求輸出電壓可調,因此,全橋式變壓器開關電源的兩組控製開關K1、K4 和K2、K3 的占空比必須要小於0.5;因為全橋式變壓器開關電源正反激兩種狀態都有電壓輸出,所以在同樣輸出電壓(平均值)的情況下,兩組控製開關K1、K4 和K2、K3 的占空比相當於要小一倍。當要求輸出電壓可調範圍為最大時,占空比最好取值為0.25。
根據(1-140)和(1-145)式可求得:

(1-189)(1-190)式就是計算直流輸出電壓可調整式全橋開關變壓器初、次級線圈匝數比公式。式中,N1 為變壓器初級線圈的最少匝數,N2 為變壓器次級線圈的匝數,Uo 為直流輸出電壓,Ui 為開關電源的工作電壓。
1-8-3-5.全橋式變壓器開關電源的優缺點
全(quan)橋(qiao)式(shi)變(bian)壓(ya)器(qi)開(kai)關(guan)電(dian)源(yuan)與(yu)推(tui)挽(wan)式(shi)變(bian)壓(ya)器(qi)開(kai)關(guan)電(dian)源(yuan)一(yi)樣(yang),由(you)於(yu)兩(liang)組(zu)開(kai)關(guan)管(guan)輪(lun)流(liu)交(jiao)替(ti)工(gong)作(zuo),相(xiang)當(dang)於(yu)兩(liang)個(ge)開(kai)關(guan)電(dian)源(yuan)同(tong)時(shi)輸(shu)出(chu)功(gong)率(lv),其(qi)輸(shu)出(chu)功(gong)率(lv)約(yue)等(deng)於(yu)單(dan)一(yi)開(kai)關(guan)電(dian)源(yuan)輸(shu)出(chu)功(gong)率(lv)的(de)兩(liang)倍(bei)。因(yin)此(ci),全(quan)橋(qiao)式(shi)變(bian)壓(ya)器(qi)開(kai)關(guan)電(dian)源(yuan)輸(shu)出(chu)功(gong)率(lv)很(hen)大(da),工(gong)作(zuo)效(xiao)率(lv)很(hen)高(gao),經(jing)橋(qiao)式(shi)整(zheng)流(liu)或(huo)全(quan)波(bo)整(zheng)流(liu)後(hou),其(qi)輸(shu)出(chu)電(dian)壓(ya)的(de)電(dian)壓(ya)脈(mai)動(dong)係(xi)數(shu)Sv 和電流脈動係數Si 都很小,僅需要一個很小值的儲能濾波電容或儲能濾波電感,就可以得到一個電壓紋波和電流紋波都很小的輸出電壓。
[page]
全橋式變壓器開關電源最大的優點是,對4 個開關器件的耐壓要求比推挽式變壓器開關電源對兩個開關器件的耐壓要求可以降低一半。因為,全橋式變壓器開關電源4 個開關器件分成兩組,工作時2 個ge開kai關guan器qi件jian互hu相xiang串chuan聯lian,關guan斷duan時shi,每mei個ge開kai關guan器qi件jian所suo承cheng受shou的de電dian壓ya,隻zhi有you單dan個ge開kai關guan器qi件jian所suo承cheng受shou電dian壓ya的de一yi半ban。其qi最zui高gao耐nai壓ya等deng於yu工gong作zuo電dian壓ya與yu反fan電dian動dong勢shi之zhi和he的de一yi半ban,這zhe個ge結jie果guo正zheng好hao是shi推tui挽wan式shi變bian壓ya器qi開kai關guan電dian源yuan兩liang個ge開kai關guan器qi件jian耐nai壓ya的de一yi半ban。
全quan橋qiao式shi變bian壓ya器qi開kai關guan電dian源yuan主zhu要yao用yong於yu輸shu入ru電dian壓ya比bi較jiao高gao的de場chang合he,在zai輸shu入ru電dian壓ya很hen高gao的de情qing況kuang下xia,采cai用yong全quan橋qiao式shi變bian壓ya器qi開kai關guan電dian源yuan,其qi輸shu出chu功gong率lv要yao比bi半ban橋qiao式shi變bian壓ya器qi開kai關guan電dian源yuan的de輸shu出chu功gong率lv大da很hen多duo。因yin此ci,一yi般ban電dian網wang電dian壓ya為wei交jiao流liu220 fugongdiandedagonglvkaiguandianyuandabufendoushishiyongquanqiaoshibianyaqikaiguandianyuan。erzaishurudianyajiaodideqingkuangxia,tuiwanshibianyaqikaiguandianyuandeshuchugonglvyouyaobiquanqiaoshibianyaqikaiguandianyuandeshuchugonglvdahenduo。
全橋式變壓器開關電源的電源利用率比推挽式變壓器開關電源的電源利用率低一些,因為2 組開關器件互相串聯,兩個開關器件接通時總的電壓降要比單個開關器件接通時的電壓降大一倍;但比半橋式變壓器開關電源的電源利用率高很多。因此,全橋式變壓器開關電源也可以用於工作電源電壓比較低的場合。
與yu半ban橋qiao式shi開kai關guan電dian源yuan一yi樣yang,全quan橋qiao式shi變bian壓ya器qi開kai關guan電dian源yuan的de變bian壓ya器qi初chu級ji線xian圈quan隻zhi需xu要yao一yi個ge繞rao組zu,這zhe也ye是shi它ta的de優you點dian,這zhe對dui小xiao功gong率lv開kai關guan變bian壓ya器qi的de線xian圈quan繞rao製zhi多duo少shao帶dai來lai一yi些xie方fang便bian。但dan對dui於yu大da功gong率lv開kai關guan變bian壓ya器qi的de線xian圈quan繞rao製zhi沒mei有you優you勢shi,因yin為wei,大da功gong率lv開kai關guan變bian壓ya器qi的de線xian圈quan需xu要yao用yong多duo股gu線xian來lai繞rao。
quanqiaoshibianyaqikaiguandianyuandequedianzhuyaoshigonglvsunhaobijiaojiaoda,yinci,quanqiaoshibianyaqikaiguandianyuanbushiyiyongyugongzuodianyajiaodidechanghe,fouzegongzuoxiaolvhuihendi。lingwai,quanqiaoshibianyaqikaiguandianyuanzhongde4 個開關器件連接沒有公共地,與驅動信號連接比較麻煩。
全橋式開關電源最大的缺點是,當兩組控製開關K1、K4 和K2、K3 處於交替轉換工作狀態的時候,4 個開關器件會同時出現一個很短時間的半導通區域,即兩組控製開關同時處於接通狀態。
這是因為開關器件在開始導通的時候,相當於對電容充電,它從截止狀態到完全導通狀態需要一個過渡的過程;而開關器件從導通狀態轉換到截止狀態的時候,相當於對電容放電,它從導通狀態到完全截止狀態也需要一個過渡的過程。
當dang兩liang組zu開kai關guan器qi件jian分fen別bie處chu於yu導dao通tong和he截jie止zhi過guo渡du過guo程cheng時shi,即ji兩liang組zu開kai關guan器qi件jian都dou處chu於yu半ban導dao通tong狀zhuang態tai時shi,相xiang當dang於yu兩liang組zu控kong製zhi開kai關guan同tong時shi接jie通tong,它ta們men會hui造zao成cheng對dui電dian源yuan電dian壓ya產chan生sheng短duan路lu;此時,在4 個控製開關的串聯回路中將出現很大的電流,而這個電流並沒有通過變壓器負載。因此,在4 個控製開關K1、K4 和K2、K3 同時處於過渡過程期間,4 個ge開kai關guan器qi件jian將jiang會hui產chan生sheng很hen大da的de功gong率lv損sun耗hao。為wei了le降jiang低di控kong製zhi開kai關guan過guo渡du過guo程cheng產chan生sheng的de損sun耗hao,一yi般ban在zai全quan橋qiao式shi開kai關guan電dian源yuan電dian路lu中zhong,都dou有you意yi讓rang兩liang組zu控kong製zhi開kai關guan的de接jie通tong和he截jie止zhi時shi間jian錯cuo開kai一yi小xiao段duan時shi間jian。
相關閱讀:
工程師實戰經驗(二):PSR開關電源設計之EMC設計技巧
http://wap.0-fzl.cn/emc-art/80022039
PCB布局該這麼做!150W LED驅動電源拆解學習
http://wap.0-fzl.cn/power-art/80021947
由簡到難,大師教你一步一步設計開關電源
http://wap.0-fzl.cn/power-art/80021972
大牛獨創(五):反激式開關電源設計方法及參數計算
http://wap.0-fzl.cn/power-art/80021975
特別推薦
- 噪聲中提取真值!瑞盟科技推出MSA2240電流檢測芯片賦能多元高端測量場景
- 10MHz高頻運行!氮矽科技發布集成驅動GaN芯片,助力電源能效再攀新高
- 失真度僅0.002%!力芯微推出超低內阻、超低失真4PST模擬開關
- 一“芯”雙電!聖邦微電子發布雙輸出電源芯片,簡化AFE與音頻設計
- 一機適配萬端:金升陽推出1200W可編程電源,賦能高端裝備製造
技術文章更多>>
- 一秒檢測,成本降至萬分之一,光引科技把幾十萬的台式光譜儀“搬”到了手腕上
- AI服務器電源機櫃Power Rack HVDC MW級測試方案
- 突破工藝邊界,奎芯科技LPDDR5X IP矽驗證通過,速率達9600Mbps
- 通過直接、準確、自動測量超低範圍的氯殘留來推動反滲透膜保護
- 從技術研發到規模量產:恩智浦第三代成像雷達平台,賦能下一代自動駕駛!
技術白皮書下載更多>>
- 車規與基於V2X的車輛協同主動避撞技術展望
- 數字隔離助力新能源汽車安全隔離的新挑戰
- 汽車模塊拋負載的解決方案
- 車用連接器的安全創新應用
- Melexis Actuators Business Unit
- Position / Current Sensors - Triaxis Hall
熱門搜索
按鈕開關
白色家電
保護器件
保險絲管
北鬥定位
北高智
貝能科技
背板連接器
背光器件
編碼器型號
便攜產品
便攜醫療
變容二極管
變壓器
檳城電子
並網
撥動開關
玻璃釉電容
剝線機
薄膜電容
薄膜電阻
薄膜開關
捕魚器
步進電機
測力傳感器
測試測量
測試設備
拆解
場效應管
超霸科技



