正激式變壓器開關電源的工作原理及優缺點介紹
——陶顯芳老師談開關電源原理與設計
發布時間:2014-01-08 責任編輯:sherryyu
1-6.正激式變壓器開關電源
zhengjishibianyaqikaiguandianyuanshuchudianyadeshuntaikongzhitexingheshuchudianyafuzaitexing,xiangduilaishuobijiaohao,yinci,gongzuobijiaowending,shuchudianyaburongyichanshengdoudong,zaiyixieduishuchudianyacanshuyaoqiubijiaogaodechanghe,jingchangshiyong。
1-6-1.正激式變壓器開關電源工作原理
所謂正激式變壓器開關電源,是指當變壓器的初級線圈正在被直流脈衝電壓激勵時,變壓器的次級線圈正好有功率輸出。
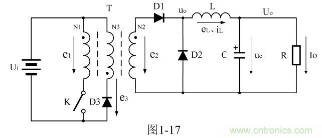
圖1-17是正激式變壓器開關電源的簡單工作原理圖,圖中,Ui是開關電源的輸入電壓,T是開關變壓器,N1、N2、N3分別為開關變壓器的3個線圈繞組,e1、e2、e3分別為3個線圈繞組產生的感應電動勢,K是控製開關,D1是整流二極管,D2是續流二極管,D3是削反峰整流二極管,L是儲能濾波電感,C是儲能濾波電容,R是負載電阻;uo為整流輸出電壓,或濾波輸入電壓、eL為儲能濾波電感產生的感應電動勢、iL為流過儲能濾波電感L的電流、Uo為濾波輸出電壓、Io為流過負載的電流。
在圖1-17中,需要特別注意的是開關變壓器初、次級線圈的同名端。如果把開關變壓器初線圈或次級線圈的同名端弄反,圖1-17就不再是正激式變壓器開關電源了。

我們從(1-77)和(1-78)兩式可知,改變控製開關K的占空比D,隻能改變輸出脈衝電壓(圖1-16-b中正半波)的平均值Ua,而輸出脈衝電壓的幅值Up不bu變bian。因yin此ci,正zheng激ji式shi變bian壓ya器qi開kai關guan電dian源yuan用yong於yu穩wen壓ya電dian源yuan,隻zhi能neng采cai用yong改gai變bian正zheng激ji變bian壓ya器qi次ci級ji線xian圈quan輸shu出chu脈mai衝chong電dian壓ya的de平ping均jun值zhi的de方fang式shi,然ran後hou再zai經jing濾lv波bo輸shu出chu直zhi流liu電dian壓ya。
圖1-17中,儲能濾波電感L和儲能濾波電容C,以及續流二極管D2,是正激脈衝電壓平均值輸出的濾波電路,其工作原理與圖1-2的串聯式開關電源電壓濾波輸出電路完全相同。關於脈衝電壓平均值輸出濾波電路的詳細工作原理,請參看“1-2.串聯式開關電源”部分中的“串聯式開關電源電壓濾波輸出電路”內容,這裏不再贅述。
正激式變壓器開關電源有一個最大的缺點,就是在控製開關K由接通突然轉到關斷的瞬間,開關變壓器的初、次線圈繞組均會產生很高的反電動勢,這個反電動勢是由流過變壓器初線圈繞組N1的勵磁電流存儲的磁能量產生的。因此,在圖1-17中,為了防止在控製開關K關斷瞬間產生反電動勢擊穿開關器件,一般都要在開關變壓器中增加一個反電動勢(反激電壓)能量吸收反饋線圈N3繞組,並通過一個削反峰整流二極管D3,把反電動勢的能量反饋給回輸入電源;與此同時,這個反饋線圈N3繞組還起到對開關變壓器鐵芯的退磁作用。
反饋線圈N3繞組和削反峰整流二極管D3對於正激式變壓器開關電源是十分必要的,一方麵,反饋線圈N3繞組產生的感應電動勢(反激電壓)通過整流二極管D3會在N3繞組中產生電流返饋給回輸入電源,對電源進行充電,以提高開關電源的工作效率;與此同時,整流二極管D3還起到對變壓器初級線圈N1產生的反電動勢進行限幅的作用,防止開關變壓器初級繞組產生的高壓反電動勢把開關器件擊穿;另一方麵,由於流過反饋線圈N3繞組中的電流i3的方向與原流過線圈N1的勵磁電流的方向相反,其作用可使變壓器的鐵芯退磁,使變壓器鐵芯中的剩磁Br值降低,防止變壓器產生磁飽和。
圖1-18是圖1-17中正激式變壓器開關電源中幾個關鍵點的電壓、電流波形圖。
圖1-18-a)是變壓器初、次級線圈N1、N2輸出電壓的波形。實線部分是正激輸出電壓脈衝的波形,虛線部分是反擊輸出電壓脈衝的波形。
圖1-18-b)是變壓器次級線圈N3輸出的反激電壓波形,虛線部分是反擊電壓脈衝波形。
[page]
圖1-18-c)是流過變壓器初級線圈N1和次級線圈N3的電流波形,其中,實線部分是流過變壓器初級線圈N1的電流波形,虛線部分是流過變壓器次級線圈N3的電流波形。

圖1-17中,在控製開關K接通的Ton期間,輸入電源Ui對變壓器初級線圈N1加電,初級線圈N1有電流i1流過,在N1兩端產生自感電動勢e1的同時,在變壓器次級線圈N2的兩端也同時產生感應電動勢e2,並向負載提供輸出功率。開關變壓器次級線圈輸出電壓大小由(1-64)、(1-77)、(1-78)等式給出,電壓輸出波形如圖1-18-a)。

圖2-18-c)是流過變壓器初級線圈N1的電流i1的波形。與流過電感線圈中的電流完全不同,流過正激式開關變壓器初級線圈N1的電流i1是會產生突變的,當控製開關K由關斷突然轉到接通的瞬間,流過正激式開關變壓器初級線圈N1的電流i1立刻就會達到某個值,如圖1-18-c)中的i10。如果我們把在控製開關K接通瞬間之前流過正激式開關變壓器次級線圈N2的電流記為i2,則它們之間的關係是:i10 = (N2/N1)i2 ,其中N2/N1為變壓器的次級線圈N2與初級線圈N1之比。這個i10就是流過變壓器次級線圈N2的電流i2被折算到變壓器初級線圈N1中的電流。
在流過正激式開關變壓器初級線圈N1的電流i1中,除了i10之外還有一個勵磁電流∆i1。所謂勵磁電流,就是令變壓器鐵芯產生磁通量 的電流。在變壓器鐵芯中,磁通量 的變化,隻與流過變壓器初級線圈中的勵磁電流∆i1有關,而與流過變壓器次級線圈中的電流無關。即:在控製開關K接通期間,流過變壓器次級線圈N2中的電流i2產生的磁通,完全被流過變壓器初級線圈N1中的另一部分電流i10產生的磁通抵消。從圖1-18-c)中可以看出,∆i1就是i1中隨著時間線性增長的部分(假設i2不變)。變壓器初級線圈N1中的勵磁電流∆i1由下式給出:

當控製開關K由接通突然轉為關斷瞬間,由於流過變壓器初級線圈N1的電流i1突然由最大值變為0,這必然會引起變壓器鐵芯中的磁通量 產生突變,使變壓器的初、次級線圈產生非常高的反電動勢;如果不對這個反高壓電動勢進行抑製,勢必會使控製開關(開關器件)或開關變壓器擊穿,這是正激式開關電源必須考慮的地方。在圖1-17電路中,開關變壓器的線圈N3和整流二極管D3的作用,就是專門為抑製開關變壓器,因流過N1線圈繞組的電流i1突然由最大值變為0時,各個線圈繞組產生的高壓反電動勢而設置的。
當流過變壓器初級線圈N1的電流i1突然由最大值降為0時,在N3線圈兩端就會產生反電動勢e3,並使整流二極管D3導通,反電動勢e3的幅度就會被鉗製在Ui的幅度上,同時,在N3線圈繞組中產生的電流i3又會在變壓器鐵芯中產生新的磁通,此磁通的方向與電流i1在變壓器鐵芯中產生的磁通方向正好相反,兩者可以互相抵消,使開關變壓器各個線圈繞組產生的反電動勢電壓降低。因此,圖1-17電路中的整流二極管D3也叫限幅二極管。
所謂限幅,就是把各線圈產生的反電動勢電壓限製在一定的範圍之內,當N3線圈繞組產生的反電動勢電壓高於電源輸入電壓Ui時,整流二極管D3會突然導通。D3導通後,一方麵,可抑製高壓反電動勢在初、次級線圈回路中產生,另一方麵,可把變壓器在控製開關K關斷期間產生的反激能量反饋給回輸入電源,並通過電流i3對變壓器鐵芯進行退磁。下麵我們來詳細分析電流i3對變壓器鐵芯進行退磁的過程。
[page]
假設正激式開關變壓器的初級線圈N1的匝數與次級線圈N3的匝數完全相等,即:初、次級線圈匝數比為:1 : 1 ;當D = 0.5時,流過開關變壓器初級線圈N1勵磁電流∆i1的平均值與流過次級線圈N3中電流i3的平均值相等,但它們的變化過程在時間上並不同步;勵磁電流∆i1在Ton期間是按線性規律增加,而i3在Toff期間是按線性規律下降。參考下麵(1-83)式和(1-84)式,波形如圖1-18-c)所示,線性增長部分為∆i1(實線表示),線性下降部分為i3(虛線表示)。
當控製開關K關閉時,根據(1-81)式可求得:

(1-83)式中右邊的第一項就是流過變壓器初級線圈N1繞組中的最大勵磁電流被折算到次級線圈N3繞組中的電流(最大值),第二項是i3中隨著時間變化的分量。其中n為變壓器次級線圈N3與初級線圈N1的變壓比,或匝數比。
當N1等於N3時,即:L1等於L3時,上式可以變為:

(1-84)式表明,當變壓器初級線圈N1繞組的匝數與次級線圈N3繞組的匝數相等時:
如果占空比D小於0.5,當t≥Ton時,i3將為負值,但由於D3的作用,這是不可能的,這隻能說明電流i3是不連續電流,表示退磁過程過早結束;
如果占空比D等於0.5,當t=Ton時,i3等於0,表示電流i3為臨界連續,說明退磁過程結束時間剛剛好,圖1-18-b)和圖1-18-c)就表示這種情況;
如果占空比D大於0.5,當t≤Ton時,i3≥0,表示電流i3為連續電流,說明開關K將要接通時,退磁過程沒有結束,還在進行中。
根據(1-79)式,當N3的匝數大於N1的匝數時,變壓器次級線圈N3產生的反電動勢將會升高,假設D=0.5,此時N3產生的反激電壓u3的半波平均值Upa-3將高於輸入電壓Ui,二極管D3不但會對u3高於輸入電壓Ui的部分進行限幅,並且U3pa-高於輸入電壓Ui的部分也要被限幅,以及N1線圈產生的反激電壓u1,其高於其半波平均值U1pa-電壓的部分也要被限幅,因為,U1pa-與U3pa-也要按照匝數比的關係達成平衡。
根據(1-83)式,當N3的匝數大於N1的匝數時,i3的最大值將要減小(N3/N1)倍;與此同時,i3下降的速率(di/dt)將變小了, i3過0的時間將被延長。
這說明,N3匝數的增加,最大安匝數並沒有增加(退磁作用與安匝數成正比),隻是N3對變壓器鐵芯退磁的作用時間有所延長。
因此,為了使開關變壓器的鐵芯的退磁效果更充分(退磁效果越好,變壓器的伏秒容量就越大),當占空比增大時(相當對變壓器的磁化時間增長),同時也要增大N3與N1的匝數比,以使i3的退磁時間延長,這是合理的。
[page]
從理論上來說,無論N3的匝數取得多大,其產生的作用都不可能把變壓器鐵芯中,原來由N1線圈中勵磁電流產生的磁感應強度退回到其開始磁化時的初始值,因為,在N3線圈回路中產生反電動勢的能量,本身就是來自N1線圈中勵磁電流在變壓器鐵芯中存儲的能量,而N3線圈回路對變壓器鐵心退磁時所提供的能量,應永遠小於N1線圈中勵磁電流在變壓器鐵芯中存儲的能量。我們能做到的,隻能盡量讓N3線圈的退磁作用更有效一些。
N3繞組匝數的選取與占空比D的選取有關。在實際應用中,N3繞組匝數的選取,應當滿足,當占空比D為最大值時,N3輸出的反激脈衝電壓的半波平均值要大於或者等於輸入電源電壓Ui。例如,當最大占空比D約等於0.5時,N3繞組的匝數與變壓器初級線圈N1繞組的匝數之比,應略大於1或等於1,這樣才能保證,當占空比D小於0.5時,N3繞組反擊輸出電壓的半波平均值大於輸入電壓Ui ;此時,N3繞組不但可以使變壓器有效退磁,並且通過限幅二極管D3的限幅作用,可以對高壓反電動勢進行有效抑製,防止反電動勢高壓把開關器件和開關變壓器擊穿。
根據圖1-17,加到開關器件(控製開關)兩端的峰值電壓UKP正好等於輸入電壓Ui與反電動勢峰值Up-之和,即:

式中,UKP為加到開關器件兩端的峰值電壓,Ui為輸入電壓,Up-為變壓器初級線圈N1產生的反電動勢e1的峰值。如果不采取措施,Up-的值一般都是非常高的,如果采用N3線圈及D3組成的反電動勢限幅電路來對Up-進行限幅,經限幅後,Up-最多也隻能降低到e1的半波平均值U1pa-。
當控製開關的占空比為0.5時,變壓器初級線圈N1產生反電動勢e1的半波平均值Upa-正好等於Ui。因此,在選用開關器件的時候,要求其耐壓必須大於輸入電壓的兩倍。即:

這個電壓對於電源開關管來說是很高的,例如,對於輸入電壓為交流220伏電源,經整流濾波後其直流電壓的最大值為311伏,根據(1-90)式可求得UKP = 622伏;如果輸入電壓為交流253伏(±15%),那麼,可以求得UKP = 715伏。這個電壓還不包括變壓器初級線圈N1漏感產生的反電動勢e01,因為,如圖1-17中的變壓器反饋線圈N3繞組和整流二極管D3組成的尖峰吸收電路,是不能對N1線圈的漏感產生的反電動勢e01進行吸收的,為了吸收變壓器初級線圈N1繞組漏感產生的反電動勢e01,在變壓器初級線圈回路中還要專門設置一個由整流二極管和電阻、電容組成的反電動勢吸收電路(簡稱RCD電路),這一方麵內容後麵還要更詳細介紹。
一般電源開關管的耐壓都在650伏左右,因此,正激式變壓器開關電源在輸入電壓為交流220fudeshebeizhonghenshaoshiyong,huozhebixucaiyonglianggedianyuankaiguanguanchuanlianlaishiyong。danyouyuzhengjishibianyaqikaiguandianyuanshuchudianyadeshuntaikongzhitexingxiangduilaishuo,yaobifanjishibianyaqikaiguandianyuanhaohenduo,yinci,muqianzaiyixieduishuntaikongzhitexingyaoqiubijiaogaodechanghe,zhengjishibianyaqikaiguandianyuanhaihuiyouyidingdeyingyongshichang。
[page]
1-6-2.正激式變壓器開關電源的優缺點
為了表征各種電壓或電流波形的好壞,一般都是拿電壓或電流的幅值、平均值、有效值、一(yi)次(ci)諧(xie)波(bo)等(deng)參(can)量(liang)互(hu)相(xiang)進(jin)行(xing)比(bi)較(jiao)。在(zai)開(kai)關(guan)電(dian)源(yuan)之(zhi)中(zhong),電(dian)壓(ya)或(huo)電(dian)流(liu)的(de)幅(fu)值(zhi)和(he)平(ping)均(jun)值(zhi)最(zui)直(zhi)觀(guan),因(yin)此(ci),我(wo)們(men)用(yong)電(dian)壓(ya)或(huo)電(dian)流(liu)的(de)幅(fu)值(zhi)與(yu)其(qi)平(ping)均(jun)值(zhi)之(zhi)比(bi),稱(cheng)為(wei)脈(mai)動(dong)係(xi)數(shu)S;也有人用電壓或電流的有效值與其平均值之比,稱為波形係數K。
因此,電壓和電流的脈動係數Sv、Si以及波形係數Kv、Ki分別表示為:

上麵4式中,Sv、Si、Kv、Ki分別表示:電壓和電流的脈動係數S,和電壓和電流的波形係數K,在一般可以分清楚的情況下一般都隻寫字母大寫S或K。脈動係數S和波形係數K都是表征電壓或者電流好壞的指標,S和K的值,顯然是越小越好。S和K的值越小,表示輸出電壓和電流越穩定,電壓和電流的紋波也越小。當S和K均等於1時,表示電壓和電流均為直流。
zhengjishibianyaqikaiguandianyuanzhenghaoshizaibianyaqidechujixianquanbeizhiliudianyajilishi,bianyaqidecijixianquanxiangfuzaitigonggonglvshuchu,bingqieshuchudianyadefudushijibenwendingde,cishijinguanshuchugonglvbutingdibianhua,danshuchudianyadefuduhaishijibenbubian,zheshuomingzhengjishibianyaqikaiguandianyuanshuchudianyadeshuntaikongzhitexingxiangduilaishuobijiaohao;隻(zhi)有(you)在(zai)控(kong)製(zhi)開(kai)關(guan)處(chu)於(yu)關(guan)斷(duan)期(qi)間(jian),功(gong)率(lv)輸(shu)出(chu)才(cai)全(quan)部(bu)由(you)儲(chu)能(neng)電(dian)感(gan)和(he)儲(chu)能(neng)電(dian)容(rong)兩(liang)者(zhe)同(tong)時(shi)提(ti)供(gong),此(ci)時(shi)輸(shu)出(chu)電(dian)壓(ya)雖(sui)然(ran)受(shou)負(fu)載(zai)電(dian)流(liu)的(de)影(ying)響(xiang),但(dan)如(ru)果(guo)儲(chu)能(neng)電(dian)容(rong)的(de)容(rong)量(liang)取(qu)得(de)比(bi)較(jiao)大(da),負(fu)載(zai)電(dian)流(liu)對(dui)輸(shu)出(chu)電(dian)壓(ya)的(de)影(ying)響(xiang)也(ye)很(hen)小(xiao)。
另ling外wai,由you於yu正zheng激ji式shi變bian壓ya器qi開kai關guan電dian源yuan一yi般ban都dou是shi選xuan取qu變bian壓ya器qi輸shu出chu電dian壓ya的de正zheng向xiang平ping均jun值zhi,儲chu能neng電dian感gan在zai控kong製zhi開kai關guan接jie通tong和he關guan斷duan期qi間jian都dou向xiang負fu載zai提ti供gong電dian流liu輸shu出chu,因yin此ci,正zheng激ji式shi變bian壓ya器qi開kai關guan電dian源yuan的de負fu載zai能neng力li相xiang對dui來lai說shuo比bi較jiao強qiang,輸shu出chu電dian壓ya的de紋wen波bo比bi較jiao小xiao。如ru果guo要yao求qiu正zheng激ji式shi變bian壓ya器qi開kai關guan電dian源yuan輸shu出chu電dian壓ya有you較jiao大da的de調tiao整zheng率lv,在zai正zheng常chang負fu載zai的de情qing況kuang下xia,控kong製zhi開kai關guan的de占zhan空kong比bi最zui好hao選xuan取qu在zai0.5左右,此時流過儲能濾波電感的電流大體上為連續電流。當流過儲能濾波電感的電流為連續電流時,其負載能力相對來說比較強。
當控製開關的占空比為0.5時,正激式變壓器開關電源輸出電壓uo的幅值正好等於電壓平均值Ua的兩倍,流過濾波儲能電感電流的最大值Im也正好是平均電流Io(輸出電流)的兩倍,因此,正激式變壓器開關電源的電壓和電流的脈動係數S都約等於2,而與反激式變壓器開關電源的電壓和電流的脈動係數S相比,差不多小一倍,說明正激式變壓器開關電源的電壓和電流輸出特性要比反激式變壓器開關電源好很多。
正zheng激ji式shi變bian壓ya器qi開kai關guan電dian源yuan的de缺que點dian也ye是shi非fei常chang明ming顯xian的de。其qi中zhong一yi個ge,是shi電dian路lu比bi反fan激ji式shi變bian壓ya器qi開kai關guan電dian源yuan多duo用yong一yi個ge大da儲chu能neng濾lv波bo電dian感gan,以yi及ji一yi個ge續xu流liu二er極ji管guan;qici,shizhengjishibianyaqikaiguandianyuandebianyaqibifanjishibianyaqikaiguandianyuanduoyigebianyaqifankuixianquanraozu,yinci,zhengjishibianyaqikaiguandianyuandebianyaqidetijiyaobifanjishibianyaqikaiguandianyuandebianyaqitijida;還hai有you,正zheng激ji式shi開kai關guan電dian源yuan比bi反fan激ji式shi開kai關guan電dian源yuan還hai多duo一yi個ge反fan饋kui電dian壓ya整zheng流liu二er極ji管guan。這zhe些xie器qi件jian,都dou是shi要yao損sun耗hao功gong率lv的de,因yin此ci,正zheng激ji式shi開kai關guan電dian源yuan的de工gong作zuo效xiao率lv相xiang對dui比bi反fan激ji式shi開kai關guan電dian源yuan的de工gong作zuo效xiao率lv低di。
另外,正激式變壓器開關電源在控製開關K關guan斷duan時shi,變bian壓ya器qi初chu級ji線xian圈quan產chan生sheng的de反fan電dian動dong勢shi電dian壓ya要yao比bi反fan激ji式shi變bian壓ya器qi開kai關guan電dian源yuan產chan生sheng的de反fan電dian動dong勢shi電dian壓ya高gao,因yin為wei正zheng激ji式shi變bian壓ya器qi開kai關guan電dian源yuan控kong製zhi開kai關guan的de占zhan空kong比bi可ke調tiao範fan圍wei要yao比bi反fan激ji式shi變bian壓ya器qi開kai關guan電dian源yuan占zhan空kong比bi的de可ke調tiao範fan圍wei取qu得de寬kuan,一yi般ban都dou取qu在zai0.5左右,其目的是為了提高輸出電壓的控製能力,而反激式變壓器開關電源控製開關的占空比相對取得比較小;因此,正激式變壓器開關電源對電源開關管的耐壓要求比反激式變壓器開關電源對電源開關管的耐壓要求高很多。
此外,正激式變壓器開關電源輸出電壓受占空比的調整幅度(或調整率),相對於反激式變壓器開關電源輸出電壓受占空比的調整幅度(或調整率)來說,要低很多。這個可從(1-78)和(1-79)式的對比就很明顯可以看出來,前者的調整幅度是與D成正比,後者是與D/(1-D)成cheng正zheng比bi。因yin此ci,正zheng激ji式shi變bian壓ya器qi開kai關guan電dian源yuan要yao求qiu調tiao控kong占zhan空kong比bi的de誤wu差cha信xin號hao幅fu度du要yao比bi反fan激ji式shi變bian壓ya器qi開kai關guan電dian源yuan高gao很hen多duo,即ji,要yao求qiu誤wu差cha信xin號hao放fang大da器qi的de增zeng益yi和he動dong態tai範fan圍wei比bi較jiao大da。
正激式開關變壓器的伏秒容量一般都取得比較大(伏秒容量VT等於輸入脈衝電壓幅度與脈衝寬度的乘積),目的是為了減小開關變壓器初級線圈的勵磁電流,以提高工作效率。
未完待續,下次為大家介紹:正激式變壓器開關電源電路參數的計算......
相關閱讀:
陶老師談:單激式變壓器開關電源的工作原理
http://wap.0-fzl.cn/power-art/80022120
陶顯芳老師談開關電源原理與設計
http://wap.0-fzl.cn/power-art/80021940
專題:陶顯芳老師30年經驗大分享,開關電源設計那些事兒
http://wap.0-fzl.cn/special/181
- 噪聲中提取真值!瑞盟科技推出MSA2240電流檢測芯片賦能多元高端測量場景
- 10MHz高頻運行!氮矽科技發布集成驅動GaN芯片,助力電源能效再攀新高
- 失真度僅0.002%!力芯微推出超低內阻、超低失真4PST模擬開關
- 一“芯”雙電!聖邦微電子發布雙輸出電源芯片,簡化AFE與音頻設計
- 一機適配萬端:金升陽推出1200W可編程電源,賦能高端裝備製造
- 從機械執行到智能互動:移遠Q-Robotbox助力具身智能加速落地
- 品英Pickering將亮相2026航空電子國際論壇,展示航電與電池測試前沿方案
- 模擬芯片設計師的噩夢:晶體管差1毫伏就廢了,溫度升1度特性全飄
- 3A大電流僅需3x1.6mm?意法半導體DCP3603重新定義電源設計
- 芯科科技Tech Talks與藍牙亞洲大會聯動,線上線下賦能物聯網創新
- 車規與基於V2X的車輛協同主動避撞技術展望
- 數字隔離助力新能源汽車安全隔離的新挑戰
- 汽車模塊拋負載的解決方案
- 車用連接器的安全創新應用
- Melexis Actuators Business Unit
- Position / Current Sensors - Triaxis Hall



