一款電視機頂盒的開關電源電路設計
發布時間:2014-06-27 責任編輯:sherryyu
【導讀】本文將介紹一款數字有線電視機頂盒中的開關電源電路設計。該電路主要是由交流輸入電路、整流濾波電路、開關振蕩電路、開關變壓器T602、次級整流濾波和穩壓電路等構成的。這款開關電源設計到底有什麼好的作用呢?請看下文詳解。
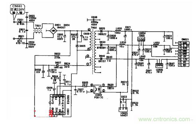
數字有線電視機頂盒中的開關電源電路如圖所示。從圖可見,它主要是由交流輸入電路、整流濾波電路、開關振蕩電路、開關變壓器T602、次級整流濾波和穩壓電路等構成的。
(l)交流輸入電路
交流輸入電路是由熔斷器F601、互感濾波器T601.濾波電容器C601、C603、C604等構成的。其功能是濾除交流輸入信號中的脈衝幹擾。

(2)整流濾波電路
交流220V電壓經濾波後由橋式整流堆D601、整流和濾波電容器C605,濾波、橋式整流電路輸出的約300V直流電壓送到開關變壓器T602④腳。
(3)開關振蕩電路
開關振蕩電路主要是由JC601和外圍電路等構成的。振蕩電路、穩壓控製電路和開關場效應晶體管等部分都集成在IC6(tl(E2A265)之中.開機後,交流220V整流輸出的300V直流電壓經開關變壓器T601初級繞組④~@加到IC601的固、⑤腳,IC601④、@腳內接開關場效應晶體管的漏極。開機的同時,直流300V經R603。形成寤動電壓加到IC601的⑦腳,為IC601內的電路供電,使IC601內的振蕩電路啟振,開關變壓囂T601的初級繞組④一@中開始有開關電流。
T601的淡級繞組④~②中會感應出開關信號,①腳的輸出經整流濾波和穩壓電路形成正反饋信號疊加到1C601的⑦腳,保持⑦腳有足夠的直流電壓,便可維持IC601中的振蕩,使開關電路進入穩定的振蕩狀態。
(4)次級整流輸出電路
次級繞組有多個抽頭,每個繞組抽頭的輸出端都接有整流、濾波電路,分別輸出3.3V、Sv和12V等電壓。
誤差檢測電路設在3.3V輸出電踣中,3.3V與地之間串接兩個分壓電阻器.R622、R623的分壓點作為電壓取樣端,取樣電壓加到誤差放大器IC603的輸入端R。光電耦台器IC602②接在IC603的C端。當輸出電壓變化時會引起IC602中發光二極管發光強度的變化,這樣會使IC602中光敏晶體管集電極和發射極之間阻抗的變化。IC602的④端接在IC601的②腳,@腳為IC601穩壓負反饋信號的輸入端。這個負反饋環路可以使輸出電壓得到穩定。
特別推薦
- 噪聲中提取真值!瑞盟科技推出MSA2240電流檢測芯片賦能多元高端測量場景
- 10MHz高頻運行!氮矽科技發布集成驅動GaN芯片,助力電源能效再攀新高
- 失真度僅0.002%!力芯微推出超低內阻、超低失真4PST模擬開關
- 一“芯”雙電!聖邦微電子發布雙輸出電源芯片,簡化AFE與音頻設計
- 一機適配萬端:金升陽推出1200W可編程電源,賦能高端裝備製造
技術文章更多>>
- 築基AI4S:摩爾線程全功能GPU加速中國生命科學自主生態
- 一秒檢測,成本降至萬分之一,光引科技把幾十萬的台式光譜儀“搬”到了手腕上
- AI服務器電源機櫃Power Rack HVDC MW級測試方案
- 突破工藝邊界,奎芯科技LPDDR5X IP矽驗證通過,速率達9600Mbps
- 通過直接、準確、自動測量超低範圍的氯殘留來推動反滲透膜保護
技術白皮書下載更多>>
- 車規與基於V2X的車輛協同主動避撞技術展望
- 數字隔離助力新能源汽車安全隔離的新挑戰
- 汽車模塊拋負載的解決方案
- 車用連接器的安全創新應用
- Melexis Actuators Business Unit
- Position / Current Sensors - Triaxis Hall
熱門搜索
微波功率管
微波開關
微波連接器
微波器件
微波三極管
微波振蕩器
微電機
微調電容
微動開關
微蜂窩
位置傳感器
溫度保險絲
溫度傳感器
溫控開關
溫控可控矽
聞泰
穩壓電源
穩壓二極管
穩壓管
無焊端子
無線充電
無線監控
無源濾波器
五金工具
物聯網
顯示模塊
顯微鏡結構
線圈
線繞電位器
線繞電阻



