家用電磁爐原理電路設計
發布時間:2014-08-18 責任編輯:sherryyu
【導讀】電(dian)磁(ci)爐(lu)是(shi)一(yi)種(zhong)利(li)用(yong)電(dian)磁(ci)感(gan)應(ying)原(yuan)理(li)將(jiang)電(dian)能(neng)轉(zhuan)換(huan)為(wei)熱(re)能(neng)的(de)廚(chu)房(fang)電(dian)器(qi)。那(na)麼(me)家(jia)用(yong)電(dian)磁(ci)爐(lu)到(dao)底(di)是(shi)怎(zen)麼(me)工(gong)作(zuo)的(de)呢(ne)?本(ben)文(wen)將(jiang)為(wei)大(da)家(jia)詳(xiang)解(jie)家(jia)用(yong)電(dian)磁(ci)爐(lu)的(de)工(gong)作(zuo)原(yuan)理(li),同(tong)時(shi)分(fen)享(xiang)大(da)家(jia)其(qi)工(gong)作(zuo)原(yuan)理(li)電(dian)路(lu)圖(tu)。

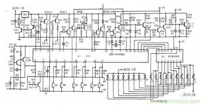
電磁爐是一種利用電磁感應原理將電能轉換為熱能的廚房電器。在電磁灶內部,由整流電路將50/60Hz的交流電壓變成直流電壓,再經過控製電路將直流電壓轉換成頻率為20-40KHz的高頻電壓,高速變化的電流流過線圈會產生高速變化的磁場,當磁場內的磁力線通過金屬器皿(導磁又導電材料)底部金屬體內產生無數的小渦流,使器皿本身自行高速發熱,然後再加熱器皿內的東西。如下圖所示,為家用電磁爐的原理電路圖。
特別推薦
- 噪聲中提取真值!瑞盟科技推出MSA2240電流檢測芯片賦能多元高端測量場景
- 10MHz高頻運行!氮矽科技發布集成驅動GaN芯片,助力電源能效再攀新高
- 失真度僅0.002%!力芯微推出超低內阻、超低失真4PST模擬開關
- 一“芯”雙電!聖邦微電子發布雙輸出電源芯片,簡化AFE與音頻設計
- 一機適配萬端:金升陽推出1200W可編程電源,賦能高端裝備製造
技術文章更多>>
- 邊緣AI的發展為更智能、更可持續的技術鋪平道路
- 每台智能體PC,都是AI時代的新入口
- IAR作為Qt Group獨立BU攜兩項重磅汽車電子應用開發方案首秀北京車展
- 構建具有網絡彈性的嵌入式係統:來自行業領袖的洞見
- 數字化的線性穩壓器
技術白皮書下載更多>>
- 車規與基於V2X的車輛協同主動避撞技術展望
- 數字隔離助力新能源汽車安全隔離的新挑戰
- 汽車模塊拋負載的解決方案
- 車用連接器的安全創新應用
- Melexis Actuators Business Unit
- Position / Current Sensors - Triaxis Hall
熱門搜索
Future
GFIVE
GPS
GPU
Harting
HDMI
HDMI連接器
HD監控
HID燈
I/O處理器
IC
IC插座
IDT
IGBT
in-cell
Intersil
IP監控
iWatt
Keithley
Kemet
Knowles
Lattice
LCD
LCD模組
LCR測試儀
lc振蕩器
Lecroy
LED
LED保護元件
LED背光


