福利到!半橋高頻變壓器電路及波形
發布時間:2014-09-24 責任編輯:sherryyu
【導讀】福利到了,電子元件技術網的網友們,小編這裏整理關於半橋高頻變壓器電(dian)路(lu)及(ji)波(bo)形(xing),主(zhu)要(yao)針(zhen)對(dui)新(xin)手(shou),適(shi)合(he)作(zuo)為(wei)參(can)考(kao)資(zi)料(liao)供(gong)各(ge)位(wei)進(jin)行(xing)查(zha)閱(yue),也(ye)可(ke)作(zuo)為(wei)新(xin)手(shou)入(ru)門(men)的(de)指(zhi)導(dao)。希(xi)望(wang)在(zai)閱(yue)讀(du)過(guo)本(ben)篇(pian)文(wen)章(zhang)之(zhi)後(hou)能(neng)夠(gou)有(you)所(suo)收(shou)獲(huo)。
banqiaobianyaqidegongzuoyuanliqishiyutuiwanshibianyaqishifenxiangsi,zhishizaijilifangshihegongzuodianyuandejierufangshishangyousuobutong。benpianwenzhangzhenduixinshou,geichulebanqiao
變換器當中的高頻變壓器的一些設計資料。

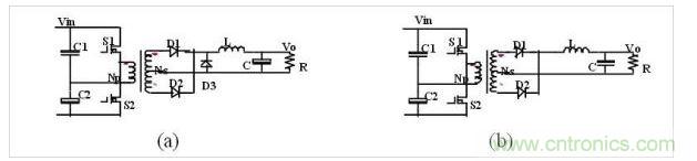
電路圖

主要波形

J:為變壓器原副邊導線的電流密度(A/mm2);
fs:為變換器的開關頻率;
K:為變壓器的窗口係數;
η 1:為變換器在低限滿載時的效率。
從麵積積公式可知,副邊有續流二極管的變壓器,其拓撲係數小一些,如對於Dmax=0.45,KT(a)=0.57,KT(b)=0.58
本篇文章針對新手,適合作為參考資料供各位進行查閱,也可作為新手入門的指導。希望大家在閱讀過本篇文章之後能夠有所收獲。
特別推薦
- 噪聲中提取真值!瑞盟科技推出MSA2240電流檢測芯片賦能多元高端測量場景
- 10MHz高頻運行!氮矽科技發布集成驅動GaN芯片,助力電源能效再攀新高
- 失真度僅0.002%!力芯微推出超低內阻、超低失真4PST模擬開關
- 一“芯”雙電!聖邦微電子發布雙輸出電源芯片,簡化AFE與音頻設計
- 一機適配萬端:金升陽推出1200W可編程電源,賦能高端裝備製造
技術文章更多>>
- 一秒檢測,成本降至萬分之一,光引科技把幾十萬的台式光譜儀“搬”到了手腕上
- AI服務器電源機櫃Power Rack HVDC MW級測試方案
- 突破工藝邊界,奎芯科技LPDDR5X IP矽驗證通過,速率達9600Mbps
- 通過直接、準確、自動測量超低範圍的氯殘留來推動反滲透膜保護
- 從技術研發到規模量產:恩智浦第三代成像雷達平台,賦能下一代自動駕駛!
技術白皮書下載更多>>
- 車規與基於V2X的車輛協同主動避撞技術展望
- 數字隔離助力新能源汽車安全隔離的新挑戰
- 汽車模塊拋負載的解決方案
- 車用連接器的安全創新應用
- Melexis Actuators Business Unit
- Position / Current Sensors - Triaxis Hall
熱門搜索
按鈕開關
白色家電
保護器件
保險絲管
北鬥定位
北高智
貝能科技
背板連接器
背光器件
編碼器型號
便攜產品
便攜醫療
變容二極管
變壓器
檳城電子
並網
撥動開關
玻璃釉電容
剝線機
薄膜電容
薄膜電阻
薄膜開關
捕魚器
步進電機
測力傳感器
測試測量
測試設備
拆解
場效應管
超霸科技



