無線建築自動化係統中如何進行高效能電源管理?
發布時間:2014-10-27 責任編輯:xueqi
【導讀】muqian,xuduoxiandaijianzhuzidonghuaxitongdenanchuzaiyudazaogaoxiaonengdianyuanguanlifangan,chuleyanchangdianchishouming,zaiyouguanshengminganquandeyingyongzhong,gengdequebaoyunzuowending。benwenjiangjieshaowuxianjianzhuzidonghuaxitongdegaoxiaonengdianyuanguanli。
鋰亞硫酸氯電池、脈衝頻率調變轉換器、新式奈米耗能長周期定時器均可在休眠周期內,維持極低用電量,讓無線建築自動化係統超越有線係統。
目mu前qian,許xu多duo現xian代dai建jian築zhu自zi動dong化hua係xi統tong皆jie仰yang賴lai無wu線xian連lian接jie,不bu僅jin可ke簡jian化hua安an裝zhuang程cheng序xu,亦yi適shi合he快kuai速su調tiao整zheng與yu擴kuo張zhang,不bu過guo省sheng去qu線xian路lu的de同tong時shi,設she計ji師shi需xu要yao以yi電dian池chi供gong電dian,卻que又you因yin為wei得de定ding期qi更geng換huan電dian池chi,影ying響xiang整zheng體ti係xi統tong成cheng本ben。這zhe些xie係xi統tong的de難nan處chu在zai於yu打da造zao高gao效xiao能neng電dian源yuan管guan理li方fang案an,除chu了le延yan長chang電dian池chi壽shou命ming,在zai攸you關guan生sheng命ming安an全quan的de應ying用yong中zhong,更geng得de確que保bao運yun作zuo穩wen定ding。
概述
根據2013年「市場與市場」預估及其他數據源,由於人們追求讓工作與生活空間變得更安全、更舒適、更有效率,全球建築自動化市場將在2018年增至近500億美元。
這塊市場擴張部分原因在於無線傳感器問世,故可輕鬆安裝、擴(kuo)大(da)與(yu)調(tiao)整(zheng),安(an)裝(zhuang)成(cheng)本(ben)一(yi)大(da)部(bu)分(fen)在(zai)於(yu)人(ren)工(gong)架(jia)設(she)線(xian)路(lu)與(yu)銅(tong)價(jia)上(shang)揚(yang),無(wu)線(xian)自(zi)動(dong)化(hua)基(ji)礎(chu)架(jia)構(gou)可(ke)大(da)幅(fu)壓(ya)低(di)成(cheng)本(ben),卻(que)也(ye)為(wei)係(xi)統(tong)擁(yong)有(you)者(zhe)增(zeng)加(jia)一(yi)項(xiang)長(chang)期(qi)成(cheng)本(ben),因(yin)為(wei)沒(mei)有(you)線(xian)路(lu)後(hou),係(xi)統(tong)必(bi)須(xu)仰(yang)賴(lai)電(dian)池(chi)運(yun)作(zuo)。
電池替換成本不一,且依據傳感器所在位置(如6公尺高的天花板或難以觸及地點),可(ke)能(neng)需(xu)要(yao)大(da)量(liang)勞(lao)力(li)。在(zai)理(li)想(xiang)世(shi)界(jie)中(zhong),電(dian)池(chi)在(zai)傳(chuan)感(gan)器(qi)使(shi)用(yong)年(nian)限(xian)內(nei)永(yong)遠(yuan)不(bu)必(bi)更(geng)換(huan),但(dan)受(shou)限(xian)於(yu)電(dian)池(chi)化(hua)學(xue)反(fan)應(ying)老(lao)化(hua)或(huo)老(lao)舊(jiu)傳(chuan)感(gan)器(qi)耗(hao)電(dian),這(zhe)種(zhong)想(xiang)法(fa)不(bu)切(qie)實(shi)際(ji),故(gu)多(duo)數(shu)無(wu)線(xian)建(jian)築(zhu)自(zi)動(dong)化(hua)係(xi)統(tong)裏(li),電(dian)池(chi)壽(shou)命(ming)5年為基本要求,10年至15年則較具優勢。
減少能源損耗
設she計ji師shi可ke透tou過guo多duo項xiang領ling域yu,延yan長chang電dian池chi替ti換huan期qi限xian,首shou先xian了le解jie需xu要yao傳chuan感gan器qi運yun作zuo的de射she頻pin環huan境jing,通tong常chang是shi與yu其qi他ta傳chuan感gan器qi共gong組zu成cheng網wang絡luo,在zai網wang狀zhuang結jie構gou中zhong,部bu分fen傳chuan感gan器qi為wei終zhong端duan或huo中zhong繼ji器qi。
由(you)於(yu)射(she)頻(pin)傳(chuan)輸(shu)是(shi)傳(chuan)感(gan)器(qi)最(zui)大(da)耗(hao)能(neng)來(lai)源(yuan),此(ci)種(zhong)配(pei)置(zhi)可(ke)提(ti)高(gao)能(neng)源(yuan)效(xiao)能(neng),藉(ji)由(you)降(jiang)低(di)傳(chuan)輸(shu)耗(hao)能(neng)與(yu)透(tou)過(guo)路(lu)由(you)器(qi)重(zhong)複(fu)訊(xun)息(xi),可(ke)形(xing)成(cheng)極(ji)低(di)功(gong)率(lv)網(wang)絡(luo),此(ci)種(zhong)拓(tuo)樸(pu)通(tong)常(chang)用(yong)於(yu)以(yi)IEEE802.15.4為基礎的無線網絡,例如ZigBee或6LoWPAN。
在ZigBee等網狀結構中,如何同步是一項問題,路由器節點必須隨時待命,若節點發出訊息,或是訊息送至節點,將會(先儲存)再轉發至其他可用節點。
在超低功率裝置內,休眠模式會大幅降低用電量,包括射頻接收器等裝置內多數區塊都暫停運作,此時路由器節點必須通電(例如使用交流電),以監控休眠節點在運作時發出的訊息,故用電量相當不對稱,傳感器節點耗能極低,並長期休眠,而路由器節點(也可能是傳感器)持續供電,並維持接收器運作。
若ruo希xi望wang在zai超chao低di功gong率lv網wang絡luo中zhong,省sheng略lve以yi線xian路lu供gong電dian的de路lu由you器qi,定ding時shi必bi須xu非fei常chang精jing準zhun,但dan此ci舉ju可ke能neng提ti高gao每mei個ge節jie點dian的de成cheng本ben與yu複fu雜za度du,整zheng個ge網wang絡luo必bi須xu在zai極ji短duan時shi間jian內nei蘇su醒xing、溝通、zaicixiumian,meicizhouqizhijianjuliyuchang,dingshixuqiujiuyugao,ruowangluoneimougejiedianweiganshangtongbu,jiudechixuyunzuo,zhizhixiacisuxingzhouqizaizhongxintongbu,zhezhongqingkuangbixujinkenengbimianzaidianchigongdianwangluoneifasheng。
zaizuishijidewuxianwangluozhong,luyouqichixuyouxianluhuoyitaiwangluogongdian,erjiedianzaidianchigongdianqingkuangxia,bixujinkenengtigaoxiaoneng,tongchangweikongzhiqihuiguanbiwuxiandianjisuoyoufeibiyaozhuangzhi,erchuanganqiyejiangguanbisuoyoumoniqianduandianzishebei。
之後微控製器進入低功率模式,仰賴定時器定期蘇醒、啟動係統、傳送各項訊息,再進入休眠模式。
工作周期將決定用電量,以下算式依據休眠與蘇醒的用電量,估算電池壽命:

運作時間(T,單位小時)取決於工作周期,由可用能源(EA,單位瓦時)除以用電量(P,單位瓦特),算式亦可進一步擴大。
容量(C,單位安培-小時),VS與VE分別為放電起點與終點電壓,PW與PS分別為蘇醒周期與休眠周期的用電量(單位瓦特),D為蘇醒階段的工作周期(零至一)。而在使用年限超過五年的應用情況中,降額定值因子α則用來調整電池容量損耗;電源轉換器效能(eff)會影響表現,因此也得納入考慮,通常效能範圍介於80%(eff=0.8)至95%(eff=0.95)之間。
這項設計其中一部分會做電源來源的選擇,此電源必須在延續10年至20年後效能仍不會大幅衰減,以及在低功率條件下維持高效能的電源轉換器(如切換穩壓器),前者可選用鋰亞硫酸氯電池(Li/SOCl2),這種產品自一九七零年代問世至今,電池壽命極長(10年至25年以上),也應用在偏遠電表及其他電池供電無線係統中,一般電壓為3.6V,且運作溫度範圍較大(–55℃至125℃)。
若使用單一鋰電池,傳感器節點設計可能讓輸出從3.0V至3.6V區間提高到5.0V,或是使用TPS63001等升降壓轉換器,維持輸出在3.3V,並在升降壓情況下最高提供800mA。zhexiangtedianxiangdangzhongyao,yinweishepinfasongqikenengxuyaodaeshunjiandianliu,kuangqiezaixiumianzhouqili,zhuanhuanqidaduowufuzai,bixunengzidongjinrumaichongpinlvtiaobianhuoqitamaichongshenglvejishu,cainengzhuanhuandianyuan。
微(wei)控(kong)製(zhi)器(qi)即(ji)便(bian)進(jin)入(ru)低(di)功(gong)率(lv)模(mo)式(shi),在(zai)休(xiu)眠(mian)周(zhou)期(qi)內(nei)仍(reng)會(hui)持(chi)續(xu)運(yun)作(zuo),也(ye)依(yi)然(ran)會(hui)造(zao)成(cheng)能(neng)源(yuan)損(sun)耗(hao)。但(dan)至(zhi)少(shao)定(ding)時(shi)器(qi)必(bi)須(xu)隨(sui)主(zhu)核(he)心(xin)關(guan)閉(bi),以(yi)節(jie)省(sheng)能(neng)源(yuan)。不(bu)過(guo)即(ji)使(shi)是(shi)這(zhe)種(zhong)配(pei)置(zhi),仍(reng)可(ke)能(neng)出(chu)現(xian)少(shao)量(liang)毫(hao)安(an),縱(zong)然(ran)是(shi)MSP430等頂尖低功率微控製器,在備用模式還是需要約0.3μA的電流。
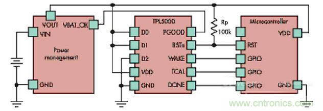
新式解決方案采用針對長休眠期特製的定時裝置,德州儀器TPL5000具備可編程分配器,提供最高間隔64秒的蘇醒脈衝,運作時用電量僅30nA,在極長休眠周期下,最多能為電池供電的無線傳感器延長兩年使用年限。(請見下圖)

結論
隨著電池供電的無線網絡日漸增加,安裝者與擁有者希望延長電池壽命,甚至在網絡使用年限(25年以上)內,完全不需更換電池,鋰亞硫酸氯電池、脈衝頻率調變轉換器、新式奈米耗能長周期定時器均可在休眠周期內,維持極低用電量,讓無線建築自動化係統超越有線係統。
特別推薦
- 噪聲中提取真值!瑞盟科技推出MSA2240電流檢測芯片賦能多元高端測量場景
- 10MHz高頻運行!氮矽科技發布集成驅動GaN芯片,助力電源能效再攀新高
- 失真度僅0.002%!力芯微推出超低內阻、超低失真4PST模擬開關
- 一“芯”雙電!聖邦微電子發布雙輸出電源芯片,簡化AFE與音頻設計
- 一機適配萬端:金升陽推出1200W可編程電源,賦能高端裝備製造
技術文章更多>>
- 邊緣AI的發展為更智能、更可持續的技術鋪平道路
- 每台智能體PC,都是AI時代的新入口
- IAR作為Qt Group獨立BU攜兩項重磅汽車電子應用開發方案首秀北京車展
- 構建具有網絡彈性的嵌入式係統:來自行業領袖的洞見
- 數字化的線性穩壓器
技術白皮書下載更多>>
- 車規與基於V2X的車輛協同主動避撞技術展望
- 數字隔離助力新能源汽車安全隔離的新挑戰
- 汽車模塊拋負載的解決方案
- 車用連接器的安全創新應用
- Melexis Actuators Business Unit
- Position / Current Sensors - Triaxis Hall
熱門搜索
Future
GFIVE
GPS
GPU
Harting
HDMI
HDMI連接器
HD監控
HID燈
I/O處理器
IC
IC插座
IDT
IGBT
in-cell
Intersil
IP監控
iWatt
Keithley
Kemet
Knowles
Lattice
LCD
LCD模組
LCR測試儀
lc振蕩器
Lecroy
LED
LED保護元件
LED背光



