醫學史上的突破:應用於醫學的便攜式電源管理方案
發布時間:2014-12-02 責任編輯:echolady
【導讀】便bian攜xie式shi電dian源yuan係xi統tong在zai很hen多duo領ling域yu都dou有you應ying用yong,但dan是shi應ying用yong在zai醫yi學xue史shi上shang非fei常chang稀xi少shao。本ben文wen的de電dian源yuan係xi統tong設she計ji方fang案an適shi用yong於yu便bian攜xie式shi的de醫yi療liao設she備bei,不bu僅jin能neng夠gou提ti高gao係xi統tong效xiao率lv,同tong時shi也ye能neng夠gou降jiang低di成cheng本ben和he內nei部bu溫wen度du。
在zai醫yi師shi辦ban公gong室shi或huo醫yi院yuan內nei外wai診zhen斷duan健jian康kang問wen題ti的de便bian攜xie式shi醫yi療liao設she備bei迅xun速su增zeng多duo。在zai將jiang病bing人ren送song往wang醫yi院yuan之zhi前qian,便bian攜xie式shi醫yi療liao保bao健jian設she備bei可ke幫bang助zhu醫yi療liao專zhuan業ye人ren士shi監jian控kong生sheng命ming體ti征zheng、恢複心髒跳動、利用超聲檢查體內狀況。便攜式醫療的目標是提供易於使用、可(ke)互(hu)操(cao)作(zuo)並(bing)具(ju)有(you)診(zhen)斷(duan)價(jia)值(zhi)的(de)家(jia)庭(ting)醫(yi)療(liao)保(bao)健(jian)設(she)備(bei),以(yi)便(bian)將(jiang)相(xiang)關(guan)費(fei)用(yong)納(na)入(ru)醫(yi)療(liao)保(bao)險(xian)範(fan)圍(wei)。這(zhe)樣(yang)就(jiu)避(bi)免(mian)了(le)醫(yi)院(yuan)出(chu)診(zhen),降(jiang)低(di)了(le)醫(yi)療(liao)成(cheng)本(ben)。病(bing)人(ren)在(zai)家(jia)也(ye)可(ke)以(yi)使(shi)用(yong)便(bian)攜(xie)式(shi)醫(yi)療(liao)設(she)備(bei)來(lai)監(jian)控(kong)血(xue)壓(ya)、肺活量、血糖水平,以及記錄心髒事件。許多此類便攜式醫療設備都帶有USB或無線數據連接,允許醫療專業人員在醫院和在家不間斷地監控病人狀況。同時,Continua Alliance正在製定基於USB、Zigbee和藍牙標準的互通協議,這將加速上述通信接口的采用。對於采用電池供電的便攜式醫療設備,提高計算能力、減小尺寸和延長運行時間的要求使得電源係統設計極具挑戰性。電源係統對電池大小、運行時間、待機時間、物料(BOM)成本和可靠性均有影響。
便攜式醫療係統所涵蓋的應用極其廣泛,包括血壓監控、血糖儀、maiboxueyangyihechaoshengyingyongdeng。yixieyingyongyaoqiuyingjianchangshijiangongzuo,erlingyixieyingyongzeyaoqiujiaoduandegongzuoshijianhejiaochangdedaijishijian。suiranzhongduanyingyongqianchawanbie,dandaduoshubianxieshixitongdoukeyijianhuaweiyixiliehexingongneng:傳感器采集數據,微處理器(帶專用軟件)分析數據,存儲器存儲軟件和數據,以及數據連接用於訪問結果。圖1顯示了一個帶鍵盤和顯示器的典型手持式便攜係統。當連接市電時,便攜式係統必須能夠發揮最大處理能力,同時不會產生過多熱量;當dang保bao持chi便bian攜xie狀zhuang態tai時shi,電dian池chi使shi用yong時shi間jian必bi須xu最zui大da化hua。電dian池chi最zui長chang使shi用yong時shi間jian,即ji便bian攜xie式shi設she備bei在zai需xu要yao充chong電dian或huo更geng換huan電dian池chi前qian所suo能neng工gong作zuo的de時shi間jian,取qu決jue於yu電dian源yuan係xi統tong因yin素su,如ru電dian池chi容rong量liang、電源係統效率和電源管理軟件。隻有充分利用所有這些因素降低電池消耗,才能使電池壽命達到最長。大多數高性能便攜式係統采用3.6V標稱輸出的鋰離子充電電池供電。
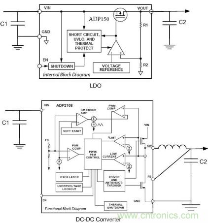
便攜式係統包含多個集成電路,各集成電路都有自己的優化半導體工藝和工作電壓要求。便攜式應用的IC采用比電池更低的工作電壓,因此需要使用降壓調節器。當今最常用的調節器是低壓差(LDO)和降壓型開關調節器,如圖2所示。LDO由基準電壓源、誤差放大器、分壓器和傳輸管(pass transistor)組成。低壓差調節器隻需使用兩個外部電容就能用較高直流電壓產生較低直流電壓,十分簡便。不過,當Vin遠高於Vout時,LDO效率低下,這是因為未輸送到負載的功率會以熱量形式損失。LDO效率約為(Vo/Vin)×100%。LDO無法儲存大量未使用的能量,因此未輸送到負載的功率以熱量形式在LDO內部耗散。例如,連接到3.6V電池的2.6V LDO的效率為72%。此外,當要求LDO最大程度地省電時,必須檢查其靜態電流和使能功能。當係統處於正常工作模式與休眠模式之間的空閑模式時,低靜態電流(Iq)可以減少係統的功耗,從而提高係統的自主性。使能輸入引腳允許LDO關斷,使休眠模式下的功耗不到1 μA,從而延長電池使用時間。例如,ADP150就是一款出色的低靜態電流LDO。

圖1. 通用手持便攜式係統
當電源電壓比工作電壓高得多時,開關DC/DC轉zhuan換huan器qi是shi更geng好hao的de選xuan擇ze,它ta能neng夠gou實shi現xian更geng高gao的de效xiao率lv,因yin為wei在zai將jiang一yi個ge直zhi流liu電dian壓ya轉zhuan換huan為wei另ling一yi個ge直zhi流liu電dian壓ya時shi,它ta能neng夠gou將jiang能neng量liang臨lin時shi儲chu存cun在zai電dian感gan的de磁ci場chang中zhong,然ran後hou釋shi放fang給gei負fu載zai。便bian攜xie式shi開kai關guan調tiao節jie器qi以yi500 kHz到3 MHz的頻率工作。DC/DCkaiguanzhuanhuanqiyouduozhongtuopujiegou。neizhikaiguanyuanjiandetongbujiangyaxingtiaojieqiyongyushuchudianyayuandiyushurudianyadechanghe,zaibianxieshixitongzhongzuiweichangyong。yongjiangyatiaojieqitihuanLDO可以提高係統效率。例如,當利用LDO將係統電壓從3.6 V降至1.2 V,為負載電流為300 mA的微處理器內核供電時,LDO效率約為1.2V/3.6V × 100% = 33%,67%的輸入功率以熱量形式損失。為了提高效率並降低工作溫度,應當用ADP2108等降壓轉換器取代LDO。降壓轉換器能將能量儲存在電感的磁場中,因而效率更高。使用ADIsimPower?可知,在相同條件下ADP2108的效率為80%,比LDO提高47%。設計工程師會發現,ADP2108尺寸較小,僅使用兩個去耦電容和一個1 μH芯片電感,幾乎可以直接取代LDO。選擇降壓轉換器時需要考慮的其它省電特性包括:低靜態電流、使能功能以及負載電流較小情況下的省電模式。

圖2. LDO和降壓轉換器的功能框圖
為(wei)使(shi)電(dian)池(chi)使(shi)用(yong)時(shi)間(jian)達(da)到(dao)最(zui)長(chang),除(chu)了(le)優(you)化(hua)便(bian)攜(xie)式(shi)係(xi)統(tong)硬(ying)件(jian)效(xiao)率(lv)以(yi)外(wai),還(hai)必(bi)須(xu)優(you)化(hua)電(dian)源(yuan)管(guan)理(li)軟(ruan)件(jian)。運(yun)行(xing)複(fu)雜(za)的(de)專(zhuan)用(yong)軟(ruan)件(jian)對(dui)計(ji)算(suan)能(neng)力(li)提(ti)出(chu)了(le)更(geng)高(gao)要(yao)求(qiu),需(xu)要(yao)使(shi)用(yong)高(gao)耗(hao)電(dian)量(liang)的(de)高(gao)速(su)微(wei)處(chu)理(li)器(qi)。降(jiang)低(di)處(chu)理(li)器(qi)速(su)度(du)可(ke)以(yi)降(jiang)低(di)功(gong)耗(hao),延(yan)長(chang)電(dian)池(chi)運(yun)行(xing)時(shi)間(jian),但(dan)軟(ruan)件(jian)性(xing)能(neng)會(hui)下(xia)降(jiang)。係(xi)統(tong)架(jia)構(gou)師(shi)可(ke)以(yi)通(tong)過(guo)選(xuan)擇(ze)最(zui)適(shi)合(he)應(ying)用(yong)的(de)處(chu)理(li)器(qi)速(su)度(du)來(lai)提(ti)高(gao)係(xi)統(tong)效(xiao)率(lv)。便(bian)攜(xie)式(shi)係(xi)統(tong)的(de)另(ling)一(yi)種(zhong)省(sheng)電(dian)方(fang)法(fa)是(shi)關(guan)斷(duan)不(bu)用(yong)的(de)子(zi)係(xi)統(tong),如(ru)微(wei)處(chu)理(li)器(qi)、顯示器背光、數據端口和處於測量間隙的傳感器,使用調節器的使能輸入或ADP190/ADP195等負載開關來隔離電池,如圖1所示。
shejibianxieshidianyuanxitongshi,bingbucunzaiwanyongdejiejuefangan。yanchangdianchishiyongshijiandefangfayouxuduozhong,mouzhongfangfakenengyouyuqitafangfa。benwensuoshudejishutongshishiyongyubianxieshiheshidiangongdiandeyiliaoshebei,nenggoutigaoxitongxiaolv,jiangdineibuwenduheyunxingchengben。
相關閱讀:
電源管理技術的8大“熱門”
透析移動電源管理芯片的三大模塊
通信係統設計:基於CAN 總線的電動汽車電源管理設計
特別推薦
- 噪聲中提取真值!瑞盟科技推出MSA2240電流檢測芯片賦能多元高端測量場景
- 10MHz高頻運行!氮矽科技發布集成驅動GaN芯片,助力電源能效再攀新高
- 失真度僅0.002%!力芯微推出超低內阻、超低失真4PST模擬開關
- 一“芯”雙電!聖邦微電子發布雙輸出電源芯片,簡化AFE與音頻設計
- 一機適配萬端:金升陽推出1200W可編程電源,賦能高端裝備製造
技術文章更多>>
- 邊緣AI的發展為更智能、更可持續的技術鋪平道路
- 每台智能體PC,都是AI時代的新入口
- IAR作為Qt Group獨立BU攜兩項重磅汽車電子應用開發方案首秀北京車展
- 構建具有網絡彈性的嵌入式係統:來自行業領袖的洞見
- 數字化的線性穩壓器
技術白皮書下載更多>>
- 車規與基於V2X的車輛協同主動避撞技術展望
- 數字隔離助力新能源汽車安全隔離的新挑戰
- 汽車模塊拋負載的解決方案
- 車用連接器的安全創新應用
- Melexis Actuators Business Unit
- Position / Current Sensors - Triaxis Hall
熱門搜索
Future
GFIVE
GPS
GPU
Harting
HDMI
HDMI連接器
HD監控
HID燈
I/O處理器
IC
IC插座
IDT
IGBT
in-cell
Intersil
IP監控
iWatt
Keithley
Kemet
Knowles
Lattice
LCD
LCD模組
LCR測試儀
lc振蕩器
Lecroy
LED
LED保護元件
LED背光



