不容錯過!開關電源功能電路及其原理詳解
發布時間:2014-12-22 責任編輯:xueqi
【導讀】開關電源的主要電路是由輸入電磁幹擾濾波器(EMI)、整流濾波電路、功率變換電路、PWM控製器電路、輸出整流濾波電路組成。下文將分別介紹開關電源的各種功能電路及其原理。
一、 開關電源的電路組成
開關電源的主要電路是由輸入電磁幹擾濾波器(EMI)、整流濾波電路、功率變換電路、PWM控製器電路、輸出整流濾波電路組成。輔助電路有輸入過欠壓保護電路、輸出過欠壓保護電路、輸出過流保護電路、輸出短路保護電路等。開關電源的電路組成方框圖如下:

開關電源的電路組成方框圖
二、 輸入電路的原理及常見電路
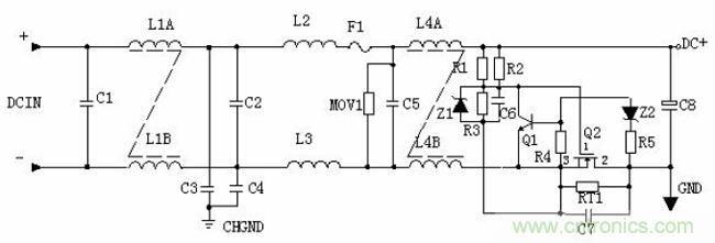
1、AC輸入整流濾波電路原理:

輸入濾波、整流回路原理圖
① 防雷電路:當有雷擊,產生高壓經電網導入電源時,由MOV1、MOV2、MOV3:F1、F2、F3、FDG1組成的電路進行保護。當加在壓敏電阻兩端的電壓超過其工作電壓時,其阻值降低,使高壓能量消耗在壓敏電阻上,若電流過大,F1、F2、F3會燒毀保護後級電路。
② 輸入濾波電路:C1、L1、C2、C3組成的雙π型(xing)濾(lv)波(bo)網(wang)絡(luo)主(zhu)要(yao)是(shi)對(dui)輸(shu)入(ru)電(dian)源(yuan)的(de)電(dian)磁(ci)噪(zao)聲(sheng)及(ji)雜(za)波(bo)信(xin)號(hao)進(jin)行(xing)抑(yi)製(zhi),防(fang)止(zhi)對(dui)電(dian)源(yuan)幹(gan)擾(rao),同(tong)時(shi)也(ye)防(fang)止(zhi)電(dian)源(yuan)本(ben)身(shen)產(chan)生(sheng)的(de)高(gao)頻(pin)雜(za)波(bo)對(dui)電(dian)網(wang)幹(gan)擾(rao)。當(dang)電(dian)源(yuan)開(kai)啟(qi)瞬(shun)間(jian),要(yao)對(dui)C5充電,由於瞬間電流大,加RT1(熱敏電阻)就能有效的防止浪湧電流。因瞬時能量全消耗在RT1電阻上,一定時間後溫度升高後RT1阻值減小(RT1是負溫係數元件),這時它消耗的能量非常小,後級電路可正常工作。
③ 整流濾波電路:交流電壓經BRG1整流後,經C5濾波後得到較為純淨的直流電壓。若C5容量變小,輸出的交流紋波將增大。
2、 DC輸入濾波電路原理:

① 輸入濾波電路:C1、L1、C2組成的雙π型濾波網絡主要是對輸入電源的電磁噪聲及雜波信號進行抑製,防止對電源幹擾,同時也防止電源本身產生的高頻雜波對電網幹擾。C3、C4為安規電容,L2、L3為差模電感。
② R1、R2、R3、Z1、C6、Q1、Z2、R4、R5、Q2、RT1、C7組成抗浪湧電路。在起機的瞬間,由於C6的存在Q2不導通,電流經RT1構成回路。當C6上的電壓充至Z1的穩壓值時Q2導通。如果C8漏電或後級電路短路現象,在起機的瞬間電流在RT1上產生的壓降增大,Q1導通使Q2沒有柵極電壓不導通,RT1將會在很短的時間燒毀,以保護後級電路。
三、 功率變換電路
1、 MOS管的工作原理:目前應用最廣泛的絕緣柵場效應管是MOSFET(MOS管),是shi利li用yong半ban導dao體ti表biao麵mian的de電dian聲sheng效xiao應ying進jin行xing工gong作zuo的de。也ye稱cheng為wei表biao麵mian場chang效xiao應ying器qi件jian。由you於yu它ta的de柵zha極ji處chu於yu不bu導dao電dian狀zhuang態tai,所suo以yi輸shu入ru電dian阻zu可ke以yi大da大da提ti高gao,最zui高gao可ke達da105歐姆,MOS管是利用柵源電壓的大小,來改變半導體表麵感生電荷的多少,從而控製漏極電流的大小。
2、 常見的原理圖:

3、工作原理:
R4、C3、R5、R6、C4、D1、D2組成緩衝器,和開關MOS管並接,使開關管電壓應力減少,EMI減少,不發生二次擊穿。在開關管Q1關斷時,變壓器的原邊線圈易產生尖峰電壓和尖峰電流,這些元件組合一起,能很好地吸收尖峰電壓和電流。從R3測得的電流峰值信號參與當前工作周波的占空比控製,因此是當前工作周波的電流限製。當R5上的電壓達到1V時,UC3842停止工作,開關管Q1立即關斷。
R1和Q1中的結電容CGS、CGD一起組成RC網絡,電容的充放電直接影響著開關管的開關速度。R1過小,易引起振蕩,電磁幹擾也會很大;R1過大,會降低開關管的開關速度。Z1通常將MOS管的GS電壓限製在18V以下,從而保護了MOS管。
Q1的柵極受控電壓為鋸形波,當其占空比越大時,Q1導通時間越長,變壓器所儲存的能量也就越多;當Q1截止時,變壓器通過D1、D2、R5、R4、C3釋放能量,同時也達到了磁場複位的目的,為變壓器的下一次存儲、傳遞能量做好了準備。IC根據輸出電壓和電流時刻調整著⑥腳鋸形波占空比的大小,從而穩定了整機的輸出電流和電壓。
C4和R6為尖峰電壓吸收回路。
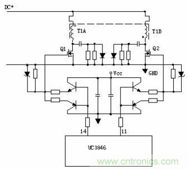
4、推挽式功率變換電路: Q1和Q2將輪流導通。

5、有驅動變壓器的功率變換電路:T2為驅動變壓器,T1為開關變壓器,TR1為電流環。

四、 輸出整流濾波電路
1、 正激式整流電路:

T1為開關變壓器,其初極和次極的相位同相。D1為整流二極管,D2為續流二極管,R1、C1、R2、C2為削尖峰電路。L1為續流電感,C4、L2、C5組成π型濾波器。
2、 反激式整流電路:

T1為開關變壓器,其初極和次極的相位相反。D1為整流二極管,R1、C1為削尖峰電路。L1為續流電感,R2為假負載,C4、L2、C5組成π型濾波器。
3、 同步整流電路:

工作原理:當變壓器次級上端為正時,電流經C2、R5、R6、R7使Q2導通,電路構成回路,Q2為整流管。Q1柵極由於處於反偏而截止。當變壓器次級下端為正時,電流經C3、R4、R2使Q1導通,Q1為續流管。Q2柵極由於處於反偏而截止。L2為續流電感,C6、L1、C7組成π型濾波器。R1、C1、R9、C4為削尖峰電路。
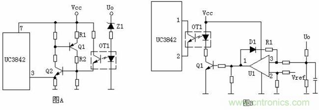
五、穩壓環路原理
1、反饋電路原理圖:

2、工作原理:
當輸出U0升高,經取樣電阻R7、R8、R10、VR1分壓後,U1③腳電壓升高,當其超過U1②腳基準電壓後U1①腳輸出高電平,使Q1導通,光耦OT1發光二極管發光,光電三極管導通,UC3842①腳電位相應變低,從而改變U1⑥腳輸出占空比減小,U0降低。
當輸出U0降低時,U1③腳電壓降低,當其低過U1②腳基準電壓後U1①腳輸出低電平,Q1不導通,光耦OT1發光二極管不發光,光電三極管不導通,UC3842①腳電位升高,從而改變U1⑥腳輸出占空比增大,U0降低。周而複始,從而使輸出電壓保持穩定。調節VR1可改變輸出電壓值。
反饋環路是影響開關電源穩定性的重要電路。如反饋電阻電容錯、漏、虛焊等,會產生自激振蕩,故障現象為:波形異常,空、滿載振蕩,輸出電壓不穩定等。
六、短路保護電路
1、在輸出端短路的情況下,PWM控kong製zhi電dian路lu能neng夠gou把ba輸shu出chu電dian流liu限xian製zhi在zai一yi個ge安an全quan範fan圍wei內nei,它ta可ke以yi用yong多duo種zhong方fang法fa來lai實shi現xian限xian流liu電dian路lu,當dang功gong率lv限xian流liu在zai短duan路lu時shi不bu起qi作zuo用yong時shi,隻zhi有you另ling增zeng設she一yi部bu分fen電dian路lu。
2、短路保護電路通常有兩種,下圖是小功率短路保護電路,其原理簡述如下:

當輸出電路短路,輸出電壓消失,光耦OT1不導通,UC3842①腳電壓上升至5V左右,R1與R2的分壓超過TL431基準,使之導通,UC3842⑦腳VCC電位被拉低,IC停止工作。UC3842停止工作後①腳電位消失,TL431不導通UC3842⑦腳電位上升,UC3842重新啟動,周而複始。當短路現象消失後,電路可以自動恢複成正常工作狀態。
3、下圖是中功率短路保護電路,其原理簡述如下:

當輸出短路,UC3842①腳電壓上升,U1 ③腳 電位高於②腳時,比較器翻轉①腳輸出高電位,給 C1充電,當C1兩端電壓超過⑤腳基準電壓時 U1⑦腳輸出低電位,UC3842①腳低於1V,UCC3842 停止工作,輸出電壓為0V,周而複始,當短路 消失後電路正常工作。R2、C1是充放電時間常數, 阻值不對時短路保護不起作用。
4、下圖是常見的限流、短路保護電路。其工作原理簡述如下:

當輸出電路短路或過流,變壓器原邊電流增大,R3 兩端電壓降增大,③腳電壓升高,UC3842⑥腳輸出占空 比逐漸增大,③腳電壓超過1V時,UC3842關閉無輸出。
5、下圖是用電流互感器取樣電流的保護電路

有著功耗小,但成本高和電路較為複雜,其工作原 理簡述如下: 輸出電路短路或電流過大,TR1次級線圈感 應的電壓就越高,當UC3842③腳超過1伏,UC3842 停止工作,周而複始,當短路或過載消失,電路自行恢複。
[page]
七、輸出端限流保護

上圖是常見的輸出端限流保護電路,其工作原理簡述如上圖:當輸出電流過大時,RS(錳銅絲)兩端電壓上升,U1③腳電壓高於②腳基準電壓,U1①腳輸出高電壓,Q1導通,光耦發生光電效應,UC3842①腳電壓降低,輸出電壓降低,從而達到輸出過載限流的目的。
八、輸出過壓保護電路的原理
輸出過壓保護電路的作用是:當dang輸shu出chu電dian壓ya超chao過guo設she計ji值zhi時shi,把ba輸shu出chu電dian壓ya限xian定ding在zai一yi安an全quan值zhi的de範fan圍wei內nei。當dang開kai關guan電dian源yuan內nei部bu穩wen壓ya環huan路lu出chu現xian故gu障zhang或huo者zhe由you於yu用yong戶hu操cao作zuo不bu當dang引yin起qi輸shu出chu過guo壓ya現xian象xiang時shi,過guo壓ya保bao護hu電dian路lu進jin行xing保bao護hu以yi防fang止zhi損sun壞huai後hou級ji用yong電dian設she備bei。應ying用yong最zui為wei普pu遍bian的de過guo壓ya保bao護hu電dian路lu有you如ru下xia幾ji種zhong:
1、可控矽觸發保護電路:

如上圖,當Uo1輸出升高,穩壓管(Z3)擊穿導通,可控矽(SCR1)的控製端得到觸發電壓,因此可控矽導通。Uo2dianyaduididuanlu,guoliubaohudianluhuoduanlubaohudianlujiuhuigongzuo,tingzhizhenggedianyuandianludegongzuo。dangshuchuguoyaxianxiangpaichu,kekongguidekongzhiduanchufadianyatongguoR對地泄放,可控矽恢複斷開狀態。
2、光電耦合保護電路:

如上圖,當Uo有過壓現象時,穩壓管擊穿導通,經光耦(OT2)R6到地產生電流流過,光電耦合器的發光二極管發光,從而使光電耦合器的光敏三極管導通。Q1基極得電導通, 3842的③腳電降低,使IC關閉,停止整個電源的工作,Uo為零,周而複始。
3、輸出限壓保護電路:
輸出限壓保護電路如下圖,當輸出電壓升高,穩壓管導通光耦導通,Q1基極有驅動電壓而道通,UC3842③電壓升高,輸出降低,穩壓管不導通,UC3842③電壓降低,輸出電壓升高。周而複始,輸出電壓將穩定在一範圍內(取決於穩壓管的穩壓值)。

4、輸出過壓鎖死電路:

圖A的工作原理是,當輸出電壓Uo升高,穩壓管導通,光耦導通,Q2基極得電導通,由於Q2的導通Q1基極電壓降低也導通,Vcc電壓經R1、Q1、R2使Q2始終導通,UC3842③腳始終是高電平而停止工作。在圖B中,UO升高U1③腳電壓升高,①腳輸出高電平,由於D1、R1的存在,U1①腳始終輸出高電平Q1始終導通,UC3842①腳始終是低電平而停止工作。正反饋?
[page]
九、功率因數校正電路(PFC)
1、原理示意圖:

2、工作原理:
輸入電壓經L1、L2、L3等組成的EMI濾波器,BRG1整流一路送PFC電感,另一路經R1、R2分壓後送入PFC控製器作為輸入電壓的取樣,用以調整控製信號的占空比,即改變Q1的導通和關斷時間,穩定PFC輸出電壓。L4是PFC電感,它在Q1導通時儲存能量,在
Q1關斷時施放能量。D1是啟動二極管。D2是PFC整流二極管,C6、C7濾波。PFC電壓一路送後級電路,另一路經R3、R4分壓後送入PFC控製器作為PFC輸出電壓的取樣,用以調整控製信號的占空比,穩定PFC輸出電壓。
十、輸入過欠壓保護
1、 原理圖:

2、工作原理:
AC輸入和DC輸入的開關電源的輸入過欠壓保護原理大致相同。保護電路的取樣電壓均來自輸入濾波後的電壓。
取樣電壓分為兩路,一路經R1、R2、R3、R4分壓後輸入比較器3腳,如取樣電壓高於2腳基準電壓,比較器1腳輸出高電平去控製主控製器使其關斷,電源無輸出。另一路經R7、R8、R9、R10分壓後輸入比較器6腳,如取樣電壓低於5腳基準電壓,比較器7腳輸出高電平去控製主控製器使其關斷,電源無輸出。
特別推薦
- 噪聲中提取真值!瑞盟科技推出MSA2240電流檢測芯片賦能多元高端測量場景
- 10MHz高頻運行!氮矽科技發布集成驅動GaN芯片,助力電源能效再攀新高
- 失真度僅0.002%!力芯微推出超低內阻、超低失真4PST模擬開關
- 一“芯”雙電!聖邦微電子發布雙輸出電源芯片,簡化AFE與音頻設計
- 一機適配萬端:金升陽推出1200W可編程電源,賦能高端裝備製造
技術文章更多>>
- 一秒檢測,成本降至萬分之一,光引科技把幾十萬的台式光譜儀“搬”到了手腕上
- AI服務器電源機櫃Power Rack HVDC MW級測試方案
- 突破工藝邊界,奎芯科技LPDDR5X IP矽驗證通過,速率達9600Mbps
- 通過直接、準確、自動測量超低範圍的氯殘留來推動反滲透膜保護
- 從技術研發到規模量產:恩智浦第三代成像雷達平台,賦能下一代自動駕駛!
技術白皮書下載更多>>
- 車規與基於V2X的車輛協同主動避撞技術展望
- 數字隔離助力新能源汽車安全隔離的新挑戰
- 汽車模塊拋負載的解決方案
- 車用連接器的安全創新應用
- Melexis Actuators Business Unit
- Position / Current Sensors - Triaxis Hall
熱門搜索
按鈕開關
白色家電
保護器件
保險絲管
北鬥定位
北高智
貝能科技
背板連接器
背光器件
編碼器型號
便攜產品
便攜醫療
變容二極管
變壓器
檳城電子
並網
撥動開關
玻璃釉電容
剝線機
薄膜電容
薄膜電阻
薄膜開關
捕魚器
步進電機
測力傳感器
測試測量
測試設備
拆解
場效應管
超霸科技



