經驗之談:解析三相電供電故障及其改善措施
發布時間:2015-01-08 責任編輯:echolady
【導讀】shebeiguzhangdeyuanyinyouhenduo,zuijingdiandejiushidianlixitongzhong,youyudianyuanshejidebuhelisuozaochengdeshebeiguzhang。youcikejian,gongdiandianludekekaoxinghewendingxingshiduomezhongyao。benwenjiuxiangxijiexilesanxiangdiangongdianguochengzhongsuofashengdeguzhangyijigaishanfangan。
chuantongdegongdiandianluduocaiyonggongpinbianyaqijiahoujijiangyadianlulaishixian。youyujinnianlaisanxiangdiangongdianguzhangpinfa,weilehenhaodejiejuesanxiangdiangongdianchuxianguzhanghou,gongdianxitongrengnengwendingkekaodeweidianlijianceshebeigongdian。xuduodianyuanchangjiatuichudianlizhuanyongdedegaopinkaiguandianyuan,zhezhongdianyuanjuyouxuduoyoudian:安全、可靠、體積小、重量輕、綜合效率高以及噪音低等優點,非常適應電網設備的應用,目前很多大型設備廠家已開始批量使用。
一、三相電供電常見故障分析
我國供電大多都采用三相四線供電方式。下圖為三相四線製示意圖,從圖中可以看出此種供電方式可以提供兩種不同的電壓——線電壓(380V)和相電壓(220V),keyishiyingyonghubutongdexuyao。sanxiangsixianzhigongdianjiaoweilixiangdezhuangtaishisanxiangfuzaipingheng,cishizhongxiandianliuweiling,conglilunfenxicishizhongxiankeyoukewu,buyingxiangshebeidezhengchangyunxing。danxianshiqingkuangsanxiangpinghengzhishixiangduide,bupinghengzeshijueduide,suoyixianshiyingyongzhongdezhongxianshibixuyoude,zheyangcainengbaozhenggexiangdianyadewendingshuchu。suizhejingjidefazhan,yongdianqidafuduzengjia,danxiangduanlujilvbiranshenggao,danxiangduanluheshunjianduanluyinqilingpiaoguodianyawentijiweipubian。xiamianwomenzhenduiciyixiechangjianguzhangwentijinxingfenxi,weiwomenshejidianlishebeigongdianxitongshitigongfangxiang,congershigongdianxitongwendingkekaodeyunxing。

圖1 三相電壓示意圖
1、單相短路故障xianzaihenduochangheweilequdianfangbian,zhijiecaiyongsanxiangdiandexiangdianyagongdian。baokuomuqianhenduonongcundianwangshejidoushijiangsanxiangdianzhongdesanxiangpingjunfengeisanzuyonghushiyong,congershengdiaolesanxiangbianyaqi。zhezhonggongdianfangshisuiranjieshengleyixieshebeidetouru,danshiduiyonghudeyongdianshebeidailaihendayinhuan。zaishijiyingyongzhong,單相短路接地故障發生的概率最高可達65%,兩相短路約占10%,兩相短路接地約占20%,三相短路約占5%。下麵簡單分析一下單相短路的威脅。

圖2 三相電單相短路示意圖
如上圖所示,一旦出現單相短路現象,會抬高中線電位,對用電人員的安全有較大威脅(有零線接外殼保護的設備)。同時在短路瞬間,負載2與負載3需要承受瞬間大電壓衝擊,嚴重時電壓值直接上升到線電壓(380VAC)。致使用電設備出現過電壓損壞現象。2、輸電線中線開路
在(zai)實(shi)際(ji)用(yong)電(dian)環(huan)境(jing)環(huan)境(jing)中(zhong),往(wang)往(wang)會(hui)由(you)於(yu)線(xian)路(lu)安(an)裝(zhuang)不(bu)當(dang),或(huo)熔(rong)斷(duan)器(qi)及(ji)開(kai)關(guan)安(an)裝(zhuang)位(wei)置(zhi)不(bu)當(dang),導(dao)致(zhi)中(zhong)線(xian)斷(duan)開(kai)。如(ru)果(guo)中(zhong)線(xian)斷(duan)了(le),三(san)相(xiang)負(fu)荷(he)中(zhong)性(xing)點(dian)電(dian)位(wei)就(jiu)要(yao)發(fa)生(sheng)位(wei)移(yi)。中(zhong)性(xing)點(dian)電(dian)位(wei)位(wei)移(yi)直(zhi)接(jie)導(dao)致(zhi)各(ge)相(xiang)的(de)輸(shu)出(chu)電(dian)壓(ya)不(bu)平(ping)衡(heng),而(er)相(xiang)電(dian)壓(ya)太(tai)高(gao)會(hui)使(shi)設(she)備(bei)過(guo)電(dian)壓(ya)而(er)直(zhi)接(jie)燒(shao)毀(hui),而(er)相(xiang)電(dian)壓(ya)偏(pian)低(di)的(de)相(xiang),可(ke)能(neng)會(hui)由(you)於(yu)電(dian)壓(ya)降(jiang)低(di),電(dian)流(liu)增(zeng)大(da)而(er)損(sun)壞(huai)設(she)備(bei)。由(you)於(yu)三(san)相(xiang)電(dian)電(dian)壓(ya)計(ji)算(suan)非(fei)常(chang)複(fu)雜(za),由(you)於(yu)負(fu)載(zai)矢(shi)量(liang)的(de)引(yin)入(ru),最(zui)終(zhong)詳(xiang)細(xi)計(ji)算(suan)公(gong)式(shi)也(ye)異(yi)常(chang)難(nan)懂(dong)。下(xia)麵(mian)以(yi)一(yi)種(zhong)簡(jian)單(dan)的(de)方(fang)式(shi)解(jie)釋(shi)一(yi)下(xia)中(zhong)線(xian)短(duan)路(lu)對(dui)線(xian)電(dian)壓(ya)的(de)影(ying)響(xiang)。

圖3 三相電中線開路示意圖
如上圖,假設負載3開路,同時中線出現中斷。此時負載1與負載2串聯後接在線電壓UUV(380VAC)上,兩個負載上的電壓主要取決於Z1與Z2的大小。若Z1遠遠大於Z2時,則負載1的的電壓會接近與380VAC的線電壓,此時負載1就很可能由於過電壓而損壞,而負載2可能會由於電壓過低而停止工作。在正常情況下,相電壓之間影響較小,可正常使用。[page]
3、設備供電中線開路
dianlishebeichuleshudianxianrongyichuxianguzhangwai,shebeidianyuanshurujichazuodengchuxianguzhangyeyoukenengshishebeichuxiansunhui。youyudaduoshuchanghejuncaiyongsanxiangsixianzhidianyuan,tongshisanxiangsixianzhidianyuanhaiyouyigebijiaoteshudeyingyong,jicaiyongsanxiangsixianzhiquanbozhengliushi,zhiyaorenheyixiangyoudianshebeijunnengzhengchangyunzhuan。

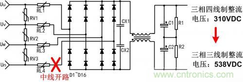
圖4 供電設備中線開路示意圖
如(ru)上(shang)圖(tu)所(suo)示(shi),三(san)相(xiang)四(si)線(xian)製(zhi)全(quan)波(bo)整(zheng)流(liu),此(ci)電(dian)路(lu)好(hao)處(chu)在(zai)在(zai)三(san)相(xiang)電(dian)任(ren)意(yi)兩(liang)相(xiang)出(chu)現(xian)問(wen)題(ti)時(shi),此(ci)供(gong)電(dian)電(dian)路(lu)任(ren)然(ran)可(ke)以(yi)繼(ji)續(xu)工(gong)作(zuo)。但(dan)是(shi)一(yi)旦(dan)整(zheng)流(liu)電(dian)路(lu)中(zhong)的(de)中(zhong)線(xian)中(zhong)斷(duan)或(huo)則(ze)未(wei)連(lian)接(jie),此(ci)電(dian)路(lu)就(jiu)變(bian)為(wei)三(san)相(xiang)三(san)線(xian)製(zhi)整(zheng)流(liu)電(dian)路(lu),此(ci)時(shi)電(dian)壓(ya)有(you)原(yuan)來(lai)310VDC升高到538VDC,若後級設備無法承受538VDC高壓,將後損壞後級設備。二、三相電供電改善措施
由(you)於(yu)在(zai)實(shi)際(ji)應(ying)用(yong)中(zhong)有(you)較(jiao)多(duo)限(xian)製(zhi),不(bu)可(ke)能(neng)避(bi)免(mian)很(hen)多(duo)電(dian)力(li)故(gu)障(zhang)的(de)發(fa)生(sheng),但(dan)我(wo)們(men)能(neng)可(ke)以(yi)通(tong)過(guo)一(yi)些(xie)手(shou)段(duan)減(jian)少(shao)設(she)備(bei)損(sun)壞(huai)概(gai)率(lv),從(cong)而(er)提(ti)升(sheng)產(chan)品(pin)的(de)可(ke)靠(kao)性(xing)。具(ju)體(ti)改(gai)善(shan)措(cuo)施(shi)如(ru)下(xia):
1、單相短路故障改善措施
此故障可適當提高電源輸入端的抗衝擊能力,一般需要抗335VAC衝chong擊ji。這zhe樣yang可ke以yi在zai瞬shun時shi短duan路lu時shi,保bao護hu到dao後hou級ji電dian路lu不bu會hui因yin過guo電dian壓ya而er損sun壞huai。為wei了le減jian小xiao因yin零ling飄piao而er照zhao成cheng的de電dian壓ya升sheng高gao,可ke適shi當dang加jia大da零ling線xian截jie麵mian積ji,降jiang低di零ling點dian飄piao移yi,來lai縮suo小xiao另ling外wai兩liang相xiang電dian壓ya抬tai高gao幅fu度du。
2、輸電線中線開路改善措施
從(cong)故(gu)障(zhang)分(fen)析(xi)我(wo)們(men)可(ke)以(yi)看(kan)出(chu),中(zhong)線(xian)開(kai)路(lu)主(zhu)要(yao)是(shi)影(ying)響(xiang)到(dao)相(xiang)電(dian)壓(ya)的(de)電(dian)流(liu)回(hui)路(lu),使(shi)電(dian)流(liu)未(wei)能(neng)回(hui)到(dao)中(zhong)性(xing)點(dian)。隻(zhi)能(neng)通(tong)過(guo)兩(liang)根(gen)相(xiang)線(xian)形(xing)成(cheng)回(hui)路(lu),從(cong)而(er)增(zeng)加(jia)了(le)設(she)備(bei)過(guo)電(dian)壓(ya)的(de)風(feng)險(xian)。為(wei)了(le)給(gei)相(xiang)電(dian)壓(ya)提(ti)供(gong)可(ke)靠(kao)的(de)電(dian)流(liu)回(hui)路(lu),在(zai)布(bu)線(xian)中(zhong)可(ke)采(cai)取(qu)三(san)相(xiang)三(san)零(ling)六(liu)線(xian)供(gong)電(dian)方(fang)式(shi),三(san)相(xiang)三(san)零(ling)獨(du)立(li)工(gong)作(zuo)。此(ci)布(bu)線(xian)缺(que)點(dian)是(shi)增(zeng)加(jia)零(ling)線(xian)投(tou)資(zi)和(he)線(xian)損(sun),但(dan)這(zhe)樣(yang)能(neng)有(you)效(xiao)抑(yi)製(zhi)零(ling)飄(piao),減(jian)小(xiao)了(le)每(mei)相(xiang)電(dian)壓(ya)的(de)相(xiang)互(hu)影(ying)響(xiang)。
3、設備供電中線開路改善措施
一(yi)般(ban)設(she)備(bei)采(cai)取(qu)三(san)相(xiang)四(si)線(xian)全(quan)波(bo)整(zheng)流(liu)電(dian)路(lu),主(zhu)要(yao)是(shi)考(kao)慮(lv)其(qi)供(gong)電(dian)的(de)冗(rong)餘(yu)設(she)計(ji),隻(zhi)要(yao)三(san)相(xiang)電(dian)任(ren)意(yi)一(yi)相(xiang)電(dian)設(she)備(bei)就(jiu)能(neng)正(zheng)常(chang)工(gong)作(zuo)。但(dan)是(shi)一(yi)旦(dan)在(zai)中(zhong)線(xian)未(wei)連(lian)接(jie)上(shang)設(she)備(bei),整(zheng)流(liu)電(dian)路(lu)電(dian)壓(ya)就(jiu)會(hui)急(ji)劇(ju)升(sheng)高(gao)。解(jie)決(jue)此(ci)問(wen)題(ti),需(xu)要(yao)在(zai)電(dian)壓(ya)升(sheng)高(gao)時(shi)切(qie)斷(duan)後(hou)級(ji)電(dian)路(lu),從(cong)而(er)保(bao)護(hu)後(hou)級(ji)電(dian)路(lu)不(bu)受(shou)損(sun)壞(huai)。但(dan)在(zai)設(she)計(ji)時(shi)需(xu)保(bao)證(zheng)檢(jian)測(ce)控(kong)製(zhi)電(dian)路(lu)穩(wen)定(ding)供(gong)電(dian)。
三、從根源解決電力係統供電故障
隨sui著zhe社she會hui的de發fa展zhan,用yong電dian設she備bei的de功gong率lv逐zhu漸jian增zeng加jia,同tong時shi各ge種zhong設she備bei質zhi量liang也ye參can差cha不bu齊qi。這zhe些xie設she備bei不bu但dan對dui電dian網wang形xing成cheng了le較jiao大da幹gan擾rao,而er且qie還hai存cun在zai較jiao大da的de短duan路lu風feng險xian。電dian力li故gu障zhang誘you因yin很hen多duo,不bu可ke能neng做zuo到dao完wan全quan避bi免mian其qi發fa生sheng。但dan是shi一yi旦dan故gu障zhang發fa生sheng後hou,我wo們men需xu要yao及ji時shi反fan饋kui並bing處chu理li。此ci時shi就jiu需xu要yao有you電dian力li檢jian測ce設she備bei對dui電dian網wang實shi時shi檢jian測ce,並bing在zai故gu障zhang發fa生sheng時shi采cai取qu必bi要yao措cuo施shi,避bi免mian造zao成cheng更geng大da損sun失shi。
在zai電dian網wang在zai出chu現xian異yi常chang時shi,電dian力li檢jian測ce設she備bei仍reng需xu要yao保bao證zheng正zheng常chang工gong作zuo。此ci時shi電dian力li係xi統tong的de供gong電dian設she計ji就jiu顯xian得de尤you為wei重zhong要yao。供gong電dian係xi統tong需xu要yao保bao證zheng在zai大da多duo數shu電dian力li故gu障zhang發fa生sheng時shi,其qi仍reng能neng為wei電dian力li檢jian測ce設she備bei提ti供gong穩wen定ding的de電dian能neng。電dian力li故gu障zhang一yi般ban表biao現xian為wei:缺項運行、單相電壓飄高、電路過負載電壓拉低、中線開路、雷擊事故等。故此供電電源需要較寬的電壓輸入範圍及較強的抗擾度。
單相電路應用特點:單相電路簡單,可適應市電大幅的電壓波動。

圖5

圖6

圖7
特別推薦
- 噪聲中提取真值!瑞盟科技推出MSA2240電流檢測芯片賦能多元高端測量場景
- 10MHz高頻運行!氮矽科技發布集成驅動GaN芯片,助力電源能效再攀新高
- 失真度僅0.002%!力芯微推出超低內阻、超低失真4PST模擬開關
- 一“芯”雙電!聖邦微電子發布雙輸出電源芯片,簡化AFE與音頻設計
- 一機適配萬端:金升陽推出1200W可編程電源,賦能高端裝備製造
技術文章更多>>
- 一秒檢測,成本降至萬分之一,光引科技把幾十萬的台式光譜儀“搬”到了手腕上
- AI服務器電源機櫃Power Rack HVDC MW級測試方案
- 突破工藝邊界,奎芯科技LPDDR5X IP矽驗證通過,速率達9600Mbps
- 通過直接、準確、自動測量超低範圍的氯殘留來推動反滲透膜保護
- 從技術研發到規模量產:恩智浦第三代成像雷達平台,賦能下一代自動駕駛!
技術白皮書下載更多>>
- 車規與基於V2X的車輛協同主動避撞技術展望
- 數字隔離助力新能源汽車安全隔離的新挑戰
- 汽車模塊拋負載的解決方案
- 車用連接器的安全創新應用
- Melexis Actuators Business Unit
- Position / Current Sensors - Triaxis Hall
熱門搜索
按鈕開關
白色家電
保護器件
保險絲管
北鬥定位
北高智
貝能科技
背板連接器
背光器件
編碼器型號
便攜產品
便攜醫療
變容二極管
變壓器
檳城電子
並網
撥動開關
玻璃釉電容
剝線機
薄膜電容
薄膜電阻
薄膜開關
捕魚器
步進電機
測力傳感器
測試測量
測試設備
拆解
場效應管
超霸科技




