少BOM清單小體積低成本的移動電源設計方案分享
發布時間:2015-05-26 責任編輯:sherry
【導讀】對dui動dong電dian源yuan設she計ji感gan興xing趣qu的de朋peng友you可ke以yi看kan過guo來lai,在zai這zhe篇pian文wen章zhang中zhong,主zhu要yao通tong過guo對dui來lai頡jie科ke技ji兩liang款kuan電dian源yuan芯xin片pian的de介jie紹shao和he對dui整zheng體ti電dian路lu工gong作zuo狀zhuang態tai的de介jie紹shao,描miao述shu了le一yi種zhong低di靜jing態tai電dian流liu的de充chong電dian升sheng壓ya單dan電dian感gan應ying用yong的de移yi動dong電dian源yuan設she計ji方fang案an,值zhi得de你ni學xue習xi擁yong有you。
針zhen對dui如ru今jin便bian攜xie式shi移yi動dong設she備bei的de發fa展zhan,越yue來lai越yue大da的de屏ping幕mu需xu要yao更geng大da的de功gong率lv。基ji於yu鋰li電dian池chi容rong量liang和he體ti積ji的de正zheng比bi關guan係xi,便bian攜xie式shi設she備bei的de電dian池chi容rong量liang隻zhi能neng局ju限xian在zai一yi定ding的de範fan圍wei內nei,一yi種zhong大da容rong量liang的de獨du立li充chong電dian設she備bei由you此ci產chan生sheng。但dan是shi由you於yu通tong常chang做zuo法fa是shi充chong電dian階jie段duan與yu放fang電dian階jie段duan為wei兩liang個ge不bu同tong的de環huan路lu,容rong易yi產chan生sheng信xin號hao的de互hu相xiang幹gan擾rao,並bing且qie對dui於yu移yi動dong電dian源yuan這zhe種zhong相xiang對dui廉lian價jia的de設she備bei,充chong電dian與yu放fang電dian共gong享xiang的de環huan路lu可ke以yi大da大da降jiang低di移yi動dong電dian源yuan的de生sheng產chan成cheng本ben。
市麵上移動電源中常使用2個電感,其中充電電路中,充電過程需要一個電感,Boost電路放電過程中也需要一個電感。充電電路的工作過程是通過5V的交流適配器給移動電源內部的鋰電池充電;而Boost電路工作過程是將移動電源內部鋰電池升壓到5V進jin行xing輸shu出chu,從cong而er給gei移yi動dong設she備bei供gong電dian。但dan在zai移yi動dong電dian源yuan實shi際ji工gong作zuo中zhong這zhe兩liang種zhong電dian路lu通tong常chang情qing況kuang不bu需xu要yao同tong時shi工gong作zuo,也ye就jiu是shi工gong作zuo中zhong兩liang個ge電dian感gan隻zhi有you一yi個ge電dian感gan處chu於yu工gong作zuo狀zhuang態tai,兩liang個ge環huan路lu隻zhi需xu要yao一yi個ge工gong作zuo。
2.芯片工作原理
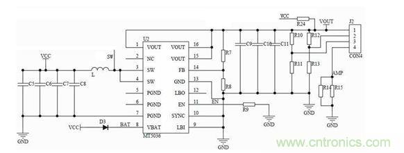
本ben文wen提ti出chu了le一yi種zhong單dan電dian感gan移yi動dong電dian源yuan的de方fang案an,這zhe樣yang不bu僅jin利li於yu移yi動dong電dian源yuan節jie省sheng器qi件jian成cheng本ben,還hai可ke節jie省sheng設she備bei體ti積ji,便bian於yu移yi動dong電dian源yuan更geng小xiao型xing化hua。使shi設she備bei穩wen定ding性xing更geng高gao,單dan電dian感gan移yi動dong電dian源yuan電dian路lu如ru圖tu1所示:

(a). 充電芯片外圍電路

(b). 升壓芯片外圍電路

(c). 單片機外圍電路
圖1. 電路中芯片工作電路。
MT2011是來頡科技設計的一款高效率大電流單串聯鋰電池充電控製器。它支持4.5V~6.5V輸入電壓,輸出電壓可以跟隨鋰電池電壓,最大2A的充電電流,使用了高效率的同步整流結構,適合應用於便攜式充電設備和移動電源充電。整合電流采樣電阻、高精度的電流與電壓管理電路、滿電自動停止充電。MT2011工作頻率為1.5MHz,使用同步整流結構,效率高達93%。帶有充電電流軟啟動、防反相電流二極管、充電電流采樣等功能,並帶有完善的輸出短路保護和過溫保護功能。
MT5036是來頡科技設計的一款95%高效的800KHz同步升壓轉換器,它為單節鋰電池或多節鋰電池組並聯提供了良好的供電解決方案。 轉換器通過設置芯片外部FB分壓電阻或使用內部FB分壓電阻來獲得一個穩定輸出電壓。芯片轉換效率非常高,能提供足夠的負載電流,當供電電壓下降到3V時,仍能在輸出電壓為5V時,輸出3A的負載電流, 電感中的峰值電流被限製在6.6A。 MT5036工作頻率可達800KHz,這使得電感和輸出電容都可以不用太大,並且帶有輕載PSM功能,可以保證芯片在全負載範圍內保持較高的轉換效率。 擁有60uA的靜態電流,可以大大提高鋰電池的壽命,帶有低EMI工作模式,斷續工作時,可以有效減少振鈴,轉換器可以避免電池過放電,在關斷時負載可以完全與電池斷開。
SN8P2711是一顆采用高速低功耗CMOS工藝設計開發的8位高性能精簡指令單片機, 內部有1K×16位一次性編程ROM(OTP-ROM),64K×8位的數據寄存器(RAM),三個雙向I/O口,兩個8位定時器/計數器,兩個PWM/Buzzer模塊,多個係統時鍾,四種係統工作模式,一個五信道的十二位模數轉換器以及五個中斷源。這款單片機可以廣泛應用於測量、電機控製、工業控製、家電玩具類產品等。
[page]
3.電路工作原理分析
電路的工作具體原理如下:
電路工作分為兩個過程,一是外加5V電源對移動電源內置鋰電池充電,二是移動電源對外接移動設備充電。
工作在第一種過程時,交流適配器或5V電源接在移動電源的Micro USB接口上,VIN為5V電壓時,R1與R2分壓產生USB信號送入單片機,單片機檢測到USB信號後,會將輸出EN信號拉低,禁止MT5036工作。MT2011上電後會檢測VCC的電壓,如果VCC電壓在可充電範圍內,充電芯片開始工作,對鋰電池按照浮充、快速充電、恒壓充電的過程開始充電,電感電流由SW到VCC充電。TS信號在默認狀態下是高,如果外部電路讓TS強行拉低讓MT2011停止工作, D2是鉗位二極管,可以限製SW電壓最低在-0.6V。圖2為充電和放電過程信號和輸入輸出的時序圖。

圖2 電路圖中控製與時序關係。
工作在第二個過程時,沒有交流適配器連接在USB2.0口連接被充電設備。即MT5036的VOUT隻與被充電設備相連。電路會檢測到便攜設備是否連接在USB2.0端口,若插入設備或按啟動按鈕就會啟動MT5036,對設備進行充電。電路中VCC通過R24(100K)與VOUT相連。
在移動電源輸出端口不連接設備時,VOUT電壓等於VCC電壓,此時MT5036的EN信號為低,芯片不工作。當設備插入時,VOUT被設備瞬間拉低,單片機檢測到VOUT變低的瞬間降低,可以判斷設備已接入,將EN信號拉高,使能MT5036工作,對設備充電。當EN變高,STAT信號就被強製拉低,這時可以禁止MT2011工作,保證充放電芯片最多一個工作。
MT5036工作時,電感電流由VCC到SW。R9為下拉電阻,保證由於某種原因EN懸空時,EN引腳可以接地,MT5036不會誤工作。R7與R8為FB的分壓電阻,通過這兩個電阻來設置MT5036的VOUT電壓。C9、C10、C11為輸出儲能電容,BOOST電路電感往輸出端電流不連續,輸出電容容量應盡量選大一些,在MT5036芯片中選用2個22uF貼片電容並聯。R14,R15為輸出電流采樣電阻,可以采樣MT5036的負載,用來判斷過載或者空載情況情況。
當AMP信號電壓超過過載閾值時,單片機判斷為過載,此時將EN拉低,關段MT5036。當AMP信號電壓低於0.1A負載閾值時,單片機判斷為空載,為防止效率耗散,40s後也將EN拉低,關段MT5036。
輸出電壓與分壓電阻關係為:

當移動電源工作於充電過程中,SW是VIN和GND的方波信號,VBAT引腳是MT5036的內部供電引腳,此時VBAT引腳如果為電池電壓,此時會出現內部漏電情況,可能會造成MT5036的損壞。由圖1(a)可看出,電源適配器5V輸入端(VIN)和鋰電池輸出端(VCC)均通過二極管連接到MT5036的VBAT引腳。這樣做可以防止芯片內部漏電的情況。加入這兩個二極管後,MT5036的供電引腳會選取電壓大的一側作為供電電源,可以保證內部MOS管有效關段。二極管類型最好選取肖特基二極管。
單片機在移動電源中起調節工作模式和保護的功能。單片機7號腳的SW1是移動電源輸出的開關。開關按下時,會拉高EN信號,使MT5036工作。4個LED燈用來顯示行動電源當前電量和充放電狀態。SW1開關還可以通過長按讓移動電源手電筒功能打開。
[page]
4.實驗結果與分析
本文提出了一款單電感高效率移動電源設計方案已經普遍應用於市麵上的移動電源中。使用1盎司銅厚雙層板PCB指標已能達到使用要求。
隨電池電壓可變的占空比可以保持係統在輸入輸出範圍內工作都是穩定的,如圖3所示。SW占空比可以保持D=VOUT/VIN。整個係統是穩定的

圖3. 充電狀態不同電池電壓的SW狀態。

圖4. 放電狀態負載跳變時對輸出電壓的影響。
由圖4可知,2A的負載跳變會引起低於100mV的輸出變化,為2%變化率,在移動電源芯片中表現是很好的。
在充電過程中,最高效率可以達到92%;在放電過程中,最高效率可以達到96%。所以用MT2011和MT5036兩款電源芯片可以使整體設備保持很高的效率。在芯片處於待命狀態工作時,靜態電流可以低達40uA,也就是說處於待命狀態180000小時,才會消耗行動電源25%的電量,所以,係統可以保持很長的壽命。
5.結論
在zai這zhe篇pian文wen章zhang中zhong,通tong過guo對dui來lai頡jie科ke技ji兩liang款kuan電dian源yuan芯xin片pian的de介jie紹shao和he對dui整zheng體ti電dian路lu工gong作zuo狀zhuang態tai的de介jie紹shao,描miao述shu了le一yi種zhong低di靜jing態tai電dian流liu的de充chong電dian升sheng壓ya單dan電dian感gan應ying用yong的de移yi動dong電dian源yuan設she計ji方fang案an。
係統可以在單電感(低成本)情況下,保持移動電源係統穩定工作。並且可以保持高達96%的放電效率。40uA級別的低靜態電流使得行動電源擁有超長的壽命。此文介紹的單電感移動電源還帶有插入用電器自啟動功能,並且2A負載跳變(ipad插入或拔出)能夠保持在2%輸出精度。
特別推薦
- 噪聲中提取真值!瑞盟科技推出MSA2240電流檢測芯片賦能多元高端測量場景
- 10MHz高頻運行!氮矽科技發布集成驅動GaN芯片,助力電源能效再攀新高
- 失真度僅0.002%!力芯微推出超低內阻、超低失真4PST模擬開關
- 一“芯”雙電!聖邦微電子發布雙輸出電源芯片,簡化AFE與音頻設計
- 一機適配萬端:金升陽推出1200W可編程電源,賦能高端裝備製造
技術文章更多>>
- 一秒檢測,成本降至萬分之一,光引科技把幾十萬的台式光譜儀“搬”到了手腕上
- AI服務器電源機櫃Power Rack HVDC MW級測試方案
- 突破工藝邊界,奎芯科技LPDDR5X IP矽驗證通過,速率達9600Mbps
- 通過直接、準確、自動測量超低範圍的氯殘留來推動反滲透膜保護
- 從技術研發到規模量產:恩智浦第三代成像雷達平台,賦能下一代自動駕駛!
技術白皮書下載更多>>
- 車規與基於V2X的車輛協同主動避撞技術展望
- 數字隔離助力新能源汽車安全隔離的新挑戰
- 汽車模塊拋負載的解決方案
- 車用連接器的安全創新應用
- Melexis Actuators Business Unit
- Position / Current Sensors - Triaxis Hall
熱門搜索
按鈕開關
白色家電
保護器件
保險絲管
北鬥定位
北高智
貝能科技
背板連接器
背光器件
編碼器型號
便攜產品
便攜醫療
變容二極管
變壓器
檳城電子
並網
撥動開關
玻璃釉電容
剝線機
薄膜電容
薄膜電阻
薄膜開關
捕魚器
步進電機
測力傳感器
測試測量
測試設備
拆解
場效應管
超霸科技



