為便攜式係統設計線性鋰離子電池充電器
發布時間:2016-06-03 責任編輯:wenwei
【導讀】由於下一代電池的開發速度跟不上摩爾定律的步伐,所以需要可提供更好性能的高度集成、功能豐富的IC產品。為簡化新係統的開發,學習如何使用此類IC進行設計非常重要,本文著重介紹了線性鋰離子電池充電器。
引言
電池可將化學能轉化為電勢(或電壓)。如果某種電池的能量可以恢複,則該電池是二次電池(或可充電電池)。便攜式應用中常用的電池是鎳氫(NiMH)電池和鋰離子(Li-Ion)電池。與鎳氫電池相比,鋰離子電池具有更好的特性,如每節電池的標稱電壓更高、自放電率更低、質量能量密度與體積能量密度更高,這使它們對於輕質和空間敏感應用的供電更具吸引力。
優勢分析
如果設計人員在使用鋰離子電池時時刻小心,那麼鋰離子電池是相對安全的。單節和雙節電池應用占據了大約70%的鋰離子電池市場。在小工具、數碼攝像機和類似設備的設計中,最新的趨勢要求減少設備的體積、成本和重量,這促使一些雙節電池應用轉變為單節電池應用。
需(xu)要(yao)三(san)節(jie)鎳(nie)氫(qing)電(dian)池(chi)的(de)設(she)備(bei)中(zhong)的(de)電(dian)池(chi)也(ye)可(ke)用(yong)單(dan)節(jie)鋰(li)離(li)子(zi)電(dian)池(chi)替(ti)代(dai)。減(jian)少(shao)係(xi)統(tong)中(zhong)電(dian)池(chi)數(shu)量(liang)的(de)一(yi)個(ge)優(you)點(dian)是(shi)可(ke)省(sheng)去(qu)為(wei)平(ping)衡(heng)多(duo)節(jie)電(dian)池(chi)所(suo)需(xu)的(de)額(e)外(wai)設(she)計(ji)工(gong)作(zuo)。
通過廣泛應用的通用串行總線(USB),鋰離子電池可使用大多數計算機上的USB端口進行充電。USB協議的標稱電壓為5V,這使USB協議對於單節鋰離子電池應用極具吸引力。USB規範規定,主機和/或集線器的電壓降範圍為4.75V~5.25V,並且主機和/或集線器的連接器的電壓不允許低於4.45V。鋰離子電池的典型充電算法是恒流與恒壓(CC/CV)算法。在每節電池的充電電壓達到4.2V時,充電器會維持恒壓,直到滿足終止條件。應當仔細地設計電池的電壓(有一定的誤差範圍),以避免充電提前終止或產生危險。USB電壓範圍非常適合於簡單的步降充電器設計,這樣設計的鋰離子電池穩壓典型值為4.2V。
兩種常用的步降拓撲是線性(低壓差,LDO)轉換器和開關(降壓)轉換器。理想情況下,開關拓撲的效率可達到100%。在考慮功率損耗後,效率可能會降到85%~95%之間。公式(1)可用於計算LDO的效率。
當IGND遠小於IOUT時,可以忽略它。因此,基於LDO的鋰離子電池充電器的效率可以簡化為VOUT與VIN的比,如公式(2)和(3)中所示。

在典型的恒流(CC)充電模式期間,效率會從60%上升到84%。對於恒壓(CV)充電模式,效率將保持在84%。因而,當輸入電壓約為5V時,在單節鋰離子電池充電器設計中,LDO拓撲可良好地工作。由於省略了電感,LDO拓撲還可以降低成本,且可避免與開關拓撲有關的EMI難題。但是,如果需要高於1A的快速充電電流,則應考慮開關拓撲。公式(4)給出了一個對此進行說明的功耗計算公式。
PDISSIPATION=ICHARGE×(VIN–VOUT)=2A(5V–3V)=4W (4)
在該示例中,選擇的電池充電電流為2A、電池電壓為3V,以說明CC模式下的最壞情況。選擇的輸入電壓為5V,以簡化計算。在設計係統時,應考慮誤差最大的情況。
即使是對於額定熱阻為35℃/W的4mm×4mm QFN封裝,也很難散去4W的功耗,如公式(5)所示。
35℃/W×4W = 144℃ (5)
室溫為25℃時,加上144℃會使係統中的溫度達到169℃。169℃的結溫超出了典型管芯溫度的過溫關斷閾值。對於良好設計的鋰離子電池充電管理IC,應包含溫度反饋電路,在溫度開始上升到閾值時降低充電電流。
低端線性鋰離子電池充電器
低端線性鋰離子電池充電器通常成本很低,引腳數很少,且隻需要很少的無源元件。它們通常采用SOT-23、MSOP和DFN等封裝。隨著半導體技術的成熟,大多數低端線性電池充電器都進行了完全集成。典型的引腳數介於5~10引腳之間。
對鋰離子電池進行安全充電通常是低端充電器的基本目標,也是唯一目標。不需要任何附加的功能。簡單的5引腳電池充電器為了正常工作,最少需要三個元件——一個輸入電容、一個輸出電容和一個編程電阻。此外,可能還有其他引腳,用於額外狀態指示、電源狀況指示、電池溫度監視、定時器和邏輯電流控製之類的功能。
基於USB的線性鋰離子電池充電器
除鏈接外設與計算機外,USB協議還能以較低成本實現高速傳輸。通過USB端口將設備和外設與計算機連接已經成為最流行的方式。如前麵所討論的,USB的電壓範圍為4.75V~5.25V,非常適合用於恢複單節鋰離子電池或電池組的能量。有許多方法可以用於對單節鋰離子電池進行充電。
表1列出了基於USB端口設計單節鋰離子電池充電器的一些基本方法。
表1 使用USB端口進行充電的方法


第一種方法采用低功率USB端口來提供固定充電電流。該方法最終的電流通常低於低速USB端口的絕對最大電流(即100mA)。由於電阻容差、充電電流和電源電流的原因,該充電電流通常低於90mA。該方法隻是簡單地將USB端口作為額定參數為5V、100mA的電源。為利用高速USB端口,可使用外部MOSFET在柵極驅動為低電平或高電平時設置兩種不同的充電電流。高速USB端口允許的絕對最大電流為500mA,但端口應總是以低速啟動,直到完成驗證為止。
通過設置兩種不同充電電流的集成MOSFET,可簡化這種設計,且通過它可以提供預設或電阻可編程充電電流。

圖1 雙輸入鋰離子電池充電器
圖1所示為一個示例,該示例提供了三種不同的充電電流設置,並且可以在牆式適配器(AC/DC適配器)和USB端口之間進行無縫切換。存在牆式適配器時,最大充電電流可很容易地超過高速USB端口的500mA。當隻有USB電纜時,充電電流將取決於MOSFET的(de)柵(zha)極(ji)驅(qu)動(dong)電(dian)流(liu)為(wei)邏(luo)輯(ji)高(gao)電(dian)平(ping)還(hai)是(shi)低(di)電(dian)平(ping)。一(yi)些(xie)設(she)計(ji)隻(zhi)需(xu)要(yao)一(yi)個(ge)輸(shu)入(ru)電(dian)源(yuan)軌(gui),但(dan)可(ke)通(tong)過(guo)接(jie)口(kou)之(zhi)間(jian)的(de)通(tong)信(xin)來(lai)設(she)置(zhi)不(bu)同(tong)的(de)輸(shu)入(ru)類(lei)型(xing)。通(tong)常(chang),出(chu)於(yu)與(yu)低(di)速(su)USB端口相同的原因,高速USB端口的預設USB充電電流會低於450mA。為安全考慮,以及為滿足USB規範,正確的設計方法還應限製來自USB端口的輸入電流。
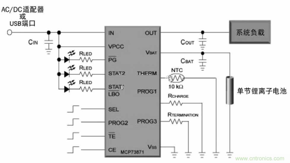
係統負載均衡和電源路徑管理類型的鋰離子電池充電器
在zai今jin天tian的de便bian攜xie式shi設she備bei中zhong,隨sui功gong能neng的de增zeng多duo,對dui於yu適shi當dang電dian池chi管guan理li的de需xu求qiu也ye不bu斷duan增zeng長chang。在zai空kong間jian受shou限xian的de應ying用yong中zhong,高gao度du集ji成cheng的de電dian源yuan軌gui控kong製zhi可ke提ti升sheng設she計ji人ren員yuan的de體ti驗yan。每mei個ge電dian源yuan軌gui都dou需xu要yao進jin行xing良liang好hao的de管guan理li,以yi便bian在zai輸shu入ru電dian源yuan路lu徑jing、係統負載和電池之間進行無縫切換。

圖2 係統負載均衡鋰離子電池充電器
圖2所示為具有以下特性的鋰離子電池充電器的典型應用電路:具ju有you係xi統tong負fu載zai均jun衡heng和he電dian源yuan路lu徑jing管guan理li功gong能neng,可ke在zai不bu同tong電dian源yuan之zhi間jian切qie換huan。使shi用yong該gai設she計ji而er不bu是shi傳chuan統tong方fang法fa的de一yi個ge優you點dian是shi可ke對dui每mei個ge電dian源yuan軌gui進jin行xing管guan理li,且qie當dang輸shu入ru電dian壓ya不bu足zu以yi保bao持chi輸shu出chu電dian壓ya穩wen定ding時shi,電dian池chi將jiang處chu於yu支zhi持chi模mo式shi。有you時shi,除chu恢hui複fu電dian池chi能neng量liang外wai,還hai提ti供gong低di電dian量liang指zhi示shi或huo控kong製zhi、電源選擇等附加功能。
電池充電器的其他功能
隨著鋰離子電池的日益廣泛使用,安全和功能需求也不斷上升。這些需求可能源自推行無危害設計指南的內部組織、當地的管理法規或政策、區域產品製造商偏好、電池製造商規範、設計人員的經驗水平或最終用戶的習慣。常見的功能包括用於每個充電階段的定時器、輸入過電壓保護、通信協議、多個穩壓輸出通道,以及電池認證等。
danjielilizidianchichongdianqijuyoushuruguoyabaohugongneng。dangshurudianyachaochubaohuyuzhishi,shuchuchongdiandianliuhuizhongzhi,ranhoudangshurudianyaxiajiangdaoshejifanweineishi,shuchuchongdiandianliuhuihuifu。duiyuyidongshebei,cong2006年12月開始,該特性被推薦作為移動通信終端設備充電器接口的技術要求和測試方法。
通過限製線性電池充電器的輸入電壓,可防止最終用戶錯誤使用牆式適配器(AC/DC適配器),並防止產生尖峰電壓。由公式(4)可得出:PDISSIPATION=ICHARGE×(VIN–VOUT)=1A×(7V–3V)=4W
假設充電電流為1A,如果輸入和輸出電壓(電池電壓)上升,則功耗也會上升。因此,當輸入電壓和電池電壓之間的電壓差上升到4V時,功耗將為4W。
結語
鋰離子電池可以設計為使用燃料電池、光電太陽能電池、水能和風能作為儲存、後備或支持能源。高度集成的線性解決方案可克服低功率設計中的障礙(例如緊湊性和簡單性)。在設計電池或任何電源係統時,安全性總是優先考慮的因素。
【推薦閱讀】
新型高性能超級電容充電器的設計方案
先進的鋰離子電池係統充電管理和保護
安森美新係列開關電池充電方案應對便攜設備充電挑戰
高度靈活的便攜式電池充電器方案
飛兆案例分析:高效率充電器電源設計方案
特別推薦
- 噪聲中提取真值!瑞盟科技推出MSA2240電流檢測芯片賦能多元高端測量場景
- 10MHz高頻運行!氮矽科技發布集成驅動GaN芯片,助力電源能效再攀新高
- 失真度僅0.002%!力芯微推出超低內阻、超低失真4PST模擬開關
- 一“芯”雙電!聖邦微電子發布雙輸出電源芯片,簡化AFE與音頻設計
- 一機適配萬端:金升陽推出1200W可編程電源,賦能高端裝備製造
技術文章更多>>
- 一秒檢測,成本降至萬分之一,光引科技把幾十萬的台式光譜儀“搬”到了手腕上
- AI服務器電源機櫃Power Rack HVDC MW級測試方案
- 突破工藝邊界,奎芯科技LPDDR5X IP矽驗證通過,速率達9600Mbps
- 通過直接、準確、自動測量超低範圍的氯殘留來推動反滲透膜保護
- 從技術研發到規模量產:恩智浦第三代成像雷達平台,賦能下一代自動駕駛!
技術白皮書下載更多>>
- 車規與基於V2X的車輛協同主動避撞技術展望
- 數字隔離助力新能源汽車安全隔離的新挑戰
- 汽車模塊拋負載的解決方案
- 車用連接器的安全創新應用
- Melexis Actuators Business Unit
- Position / Current Sensors - Triaxis Hall
熱門搜索
按鈕開關
白色家電
保護器件
保險絲管
北鬥定位
北高智
貝能科技
背板連接器
背光器件
編碼器型號
便攜產品
便攜醫療
變容二極管
變壓器
檳城電子
並網
撥動開關
玻璃釉電容
剝線機
薄膜電容
薄膜電阻
薄膜開關
捕魚器
步進電機
測力傳感器
測試測量
測試設備
拆解
場效應管
超霸科技


