新一代智能型電能計量,三相四線智能電表的電源解決方案
發布時間:2016-08-11 責任編輯:susan
【導讀】目前,三相四線數字化電能表是新一代智能型電能計量產品,主要應用於能源管理係統、數字化變電站、配電網自動化、工gong業ye自zi動dong化hua等deng場chang合he,是shi電dian力li負fu載zai管guan理li係xi統tong的de配pei套tao終zhong端duan產chan品pin,由you電dian力li控kong製zhi中zhong心xin調tiao配pei,實shi現xian電dian網wang的de合he理li配pei置zhi和he監jian測ce,為wei電dian力li營ying銷xiao自zi動dong化hua提ti供gong終zhong端duan數shu據ju。在zai智zhi能neng電dian表biao、電力轉換開關、消防監控等係統中,很多都采用三相四線接線方式。
1、引言
傳統的三相四線製智能電表,為解決高壓輸入及四線製的供電要求,采用3PCS工頻變壓器進行電壓變換,再通過整流及濾波電路實現直流電壓的輸出,這種方案的優勢是成本低,缺點是體積大。同時不同國家、不同區域,三相四線智能電表的工作電壓存在很大的區別。目前一些國家(如中國、俄羅斯)實際供電電壓達到380VAC、而有的國家(如美國)則達到了480VAC。如果把如此高的供電電壓通過線-線直接接入85-264VAC輸入的AC/DC電源中,則電源將出現過壓損壞等情況。因此,85-264VAC輸入的常規電源已經不能滿足此應用需求。
2、三相智能電表電源方案
微功率三相四線製電力專用電源LS03-16BxxSS或LD03-16BxxSS係列能夠解決工頻變壓器的體積大、設計複雜、輸入電壓高等問題。下麵為三相智能電表的電源解決方案。

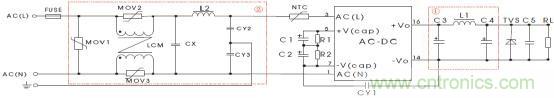
圖一 三相四線製智能電表方案框圖
圖(一)為三相四線智能電表功能框圖,主要由EMC防護、電源模塊、網絡模塊、人機交互模塊、高速數據處理器、實時時鍾、數據接口及采集模塊等組成。該方案推薦選用LS03-16BxxSS(或LD03-16BxxSS)係列開關電源。此電源輸入電壓為90-528VAC,可從前端三相輸入中的任何相電壓或線電壓中直接取電,而不因過壓導致模塊損壞。經過LS03-16BxxSS轉換為隔離的DC電源,再經過LDOdezhuanhuangeixitongdeqitagongnengmokuaigongdian。kaolvdaozhinengdianbiaoxuxiangwaibujiekoutigongxinxihejinxingshujujiaohuan,weishixinhaochuanshuwendingkekao,jianyixuanzedaijichenggelidianyuandetongxinmokuai,nengyouxiaoyizhidianciganraohexiaochudihuanluyingxiang。
3、LS03-16BxxSS係列模塊電源簡介
LS03-16BxxSS 係列是小體積開關模塊電源。該係列電源具有全球輸入電壓範圍、交直流兩用、低功耗、高效率、高可靠性、安全隔離等優點。同時,該係列電源也滿足國際UL60950/EN60950 標準。能夠廣泛適用於工控和電力儀器儀表等對體積要求苛刻、輸入電壓要求寬、需要滿足UL/CE 認證並對EMC 要求不高的場合。

產品特點:
● 超寬輸入電壓:90~ 528VAC
● 交直流兩用(同一端子輸入電壓)
● 4000VAC 高隔離電壓
● 小體積、高功率密度
● 輸出短路、過流保護功能
● 工業級工作溫度範圍:-40℃~+85℃
● 符合UL60950/EN60950 認證標準
4、LD03-16Bxx係列模塊電源簡介
針對寬電壓輸入微功率三相四線製電源,為滿足不同環境應用需求,不僅提供小體積、高功率密度、經濟型的SIP封裝,而且還提供內置EMC防護濾波電路的DIP封裝LD03-16Bxx,此產品在環境不是很惡劣的情況下,無需增加任何EMC器件即可滿足IEC 61000-6-3、IEC 61000-6-1標準要求,為客戶係統設計提供便利。

產品特點:
● 超寬輸入電壓:90~ 528VAC/100~745VDC
● 交直流兩用(同一端子輸入電壓)
● 3000VAC 高隔離電壓
● 小體積、高功率密度
● 產品裸機即可以滿足IEC 61000-6-1、IEC 61000-6-3 EMC標準要求
5、LO10-26D0512-04三相四線製電力儀表專用電源介紹
儀表接入電網的方式有兩種,直接接入或經電壓互感器接入。如果是經電壓互感器接入,根據IEC 62052-11:2003標準要求,輸入電壓會低至60V。為(wei)滿(man)足(zu)智(zhi)能(neng)電(dian)表(biao)更(geng)低(di)輸(shu)入(ru)電(dian)壓(ya)和(he)電(dian)力(li)行(xing)業(ye)單(dan)相(xiang)或(huo)三(san)相(xiang)輸(shu)入(ru)的(de)要(yao)求(qiu),推(tui)出(chu)專(zhuan)為(wei)電(dian)力(li)儀(yi)表(biao)三(san)相(xiang)四(si)線(xian)製(zhi)設(she)計(ji)的(de)超(chao)寬(kuan)輸(shu)入(ru)電(dian)壓(ya)範(fan)圍(wei)的(de)開(kai)關(guan)電(dian)源(yuan)。
LO10-26D0512-04可在65-460VAC 或90-650VDC 超寬輸入電壓下工作,符合額定電壓380/220VAC(三相四線)、任接2 根線工作的供電要求。當供電係統發生故障導致輸入過壓時,電源會自動關機,從而保障電源及終端不受損。

產品特點:
● 三相四線超寬輸入: 65~460VAC/90~650VDC
● 接入三相四線供電係統任意兩線,電源正常工作
● 傳導/輻射:CLASS B
● 群脈衝/浪湧:四級
● 具有輸出短路、過流和輸入過壓關斷保護功能
● 高效率、高可靠性,低紋波噪聲、低待機功耗
● 采用長壽命低阻抗電解電容
6、應用注意事項
LS03-16BxxSS係列電源,如果需應用在電磁環境比較惡劣的場合中,為使產品工作穩定且不被電磁幹擾輕易損壞,建議在電源輸入端口增加相應的EMC外圍電路,以滿足一定指標的電磁兼容性能,如圖(二)所示為推薦電路供參考:

圖二 LS03-16BxxSS EMC外圍推薦電路
注:具體元器件選型參數請參考LS03-16BxxSS技術手冊。
7、總 結
隨著智能電表在全球各地廣泛普及,其不僅要求開關電源具有小體積、高可靠性等,更要求開關電源能夠同時兼容多種輸入電壓。
特別推薦
- 噪聲中提取真值!瑞盟科技推出MSA2240電流檢測芯片賦能多元高端測量場景
- 10MHz高頻運行!氮矽科技發布集成驅動GaN芯片,助力電源能效再攀新高
- 失真度僅0.002%!力芯微推出超低內阻、超低失真4PST模擬開關
- 一“芯”雙電!聖邦微電子發布雙輸出電源芯片,簡化AFE與音頻設計
- 一機適配萬端:金升陽推出1200W可編程電源,賦能高端裝備製造
技術文章更多>>
- 三星上演罕見對峙:工會集會討薪,股東隔街抗議
- 摩爾線程實現DeepSeek-V4“Day-0”支持,國產GPU適配再提速
- 築牢安全防線:智能駕駛邁向規模化應用的關鍵挑戰與破局之道
- GPT-Image 2:99%文字準確率,AI生圖告別“鬼畫符”
- 機器人馬拉鬆的勝負手:藏在主板角落裏的“時鍾戰爭”
技術白皮書下載更多>>
- 車規與基於V2X的車輛協同主動避撞技術展望
- 數字隔離助力新能源汽車安全隔離的新挑戰
- 汽車模塊拋負載的解決方案
- 車用連接器的安全創新應用
- Melexis Actuators Business Unit
- Position / Current Sensors - Triaxis Hall
熱門搜索
NFC
NFC芯片
NOR
ntc熱敏電阻
OGS
OLED
OLED麵板
OmniVision
Omron
OnSemi
PI
PLC
Premier Farnell
Recom
RF
RF/微波IC
RFID
rfid
RF連接器
RF模塊
RS
Rubycon
SATA連接器
SD連接器
SII
SIM卡連接器
SMT設備
SMU
SOC
SPANSION

