高可靠、小體積三相四線智能電表的電源設計
發布時間:2016-10-31 責任編輯:sherry
【導讀】隨著智能電表在全球各地廣泛普及,其不僅要求開關電源具有小體積、高可靠性等,更要求開關電源能夠同時兼容多種輸入電壓。
傳統的三相四線製智能電表,為解決高壓輸入及四線製的供電要求,采用3PCS工頻變壓器進行電壓變換,再通過整流及濾波電路實現直流電壓的輸出,這種方案的優勢是成本低,缺點是體積大。同時不同國家、不同區域,三相四線智能電表的工作電壓存在很大的區別。目前一些國家(如中國、俄羅斯)實際供電電壓達到380VAC、而有的國家(如美國)則達到了480VAC。如果把如此高的供電電壓通過線-線直接接入85-264VAC輸入的AC/DC電源中,則電源將出現過壓損壞等情況。因此,85-264VAC輸入的常規電源已經不能滿足此應用需求。為滿足全球單相或三相輸入電壓(100VAC~480VAC)和智能電表小體積的要求,金升陽推出了90-528VAC輸入的小體積高性價比開關電源LS03-16BXXSS係列。
三相智能電表電源方案
金升陽微功率三相四線製電力專用電源LS03-16BxxSS或LD03-16BxxSS係列能夠解決工頻變壓器的體積大、設計複雜、輸入電壓高等問題。下麵為三相智能電表的電源解決方案。

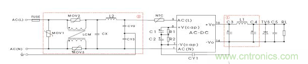
圖一 三相四線製智能電表方案框圖
圖(一)為三相四線智能電表功能框圖。主要由EMC防護、電源模塊、網絡模塊、人機交互模塊、高速數據處理器、實時時鍾、數據接口及采集模塊等組成。該方案推薦選用金升陽LS03-16BxxSS(或LD03-16BxxSS)係列開關電源。此電源輸入電壓為90-528VAC,可從前端三相輸入中的任何相電壓或線電壓中直接取電,而不因過壓導致模塊損壞。經過LS03-16BxxSS轉換為隔離的DC電源,再經過LDO的(de)轉(zhuan)換(huan)給(gei)係(xi)統(tong)的(de)其(qi)他(ta)功(gong)能(neng)模(mo)塊(kuai)供(gong)電(dian)。考(kao)慮(lv)到(dao)智(zhi)能(neng)電(dian)表(biao)需(xu)向(xiang)外(wai)部(bu)接(jie)口(kou)提(ti)供(gong)信(xin)息(xi)和(he)進(jin)行(xing)數(shu)據(ju)交(jiao)換(huan),為(wei)使(shi)信(xin)號(hao)傳(chuan)輸(shu)穩(wen)定(ding)可(ke)靠(kao),建(jian)議(yi)選(xuan)擇(ze)帶(dai)集(ji)成(cheng)隔(ge)離(li)電(dian)源(yuan)的(de)通(tong)信(xin)模(mo)塊(kuai),如(ru)金(jin)升(sheng)陽(yang)TDX01D485係列485通信模塊,能有效抑製電磁幹擾和消除地環路影響。
應用注意事項
LS03-16BxxSS係列電源,如果需應用在電磁環境比較惡劣的場合中,為使產品工作穩定且不被電磁幹擾輕易損壞,建議在電源輸入端口增加相應的EMC外圍電路,以滿足一定指標的電磁兼容性能,如圖五所示為推薦電路供參考:

特別推薦
- 噪聲中提取真值!瑞盟科技推出MSA2240電流檢測芯片賦能多元高端測量場景
- 10MHz高頻運行!氮矽科技發布集成驅動GaN芯片,助力電源能效再攀新高
- 失真度僅0.002%!力芯微推出超低內阻、超低失真4PST模擬開關
- 一“芯”雙電!聖邦微電子發布雙輸出電源芯片,簡化AFE與音頻設計
- 一機適配萬端:金升陽推出1200W可編程電源,賦能高端裝備製造
技術文章更多>>
- 從機械執行到智能互動:移遠Q-Robotbox助力具身智能加速落地
- 品英Pickering將亮相2026航空電子國際論壇,展示航電與電池測試前沿方案
- 模擬芯片設計師的噩夢:晶體管差1毫伏就廢了,溫度升1度特性全飄
- 3A大電流僅需3x1.6mm?意法半導體DCP3603重新定義電源設計
- 芯科科技Tech Talks與藍牙亞洲大會聯動,線上線下賦能物聯網創新
技術白皮書下載更多>>
- 車規與基於V2X的車輛協同主動避撞技術展望
- 數字隔離助力新能源汽車安全隔離的新挑戰
- 汽車模塊拋負載的解決方案
- 車用連接器的安全創新應用
- Melexis Actuators Business Unit
- Position / Current Sensors - Triaxis Hall
熱門搜索
按鈕開關
白色家電
保護器件
保險絲管
北鬥定位
北高智
貝能科技
背板連接器
背光器件
編碼器型號
便攜產品
便攜醫療
變容二極管
變壓器
檳城電子
並網
撥動開關
玻璃釉電容
剝線機
薄膜電容
薄膜電阻
薄膜開關
捕魚器
步進電機
測力傳感器
測試測量
測試設備
拆解
場效應管
超霸科技



