可承受整個汽車電源範圍的2MHz開關電源
發布時間:2016-12-23 責任編輯:wenwei
【導讀】本文舉例說明用於汽車收音機和娛樂係統供電的8V中等電壓開關電源。此設計可以接受任何汽車工作條件下的輸入電壓範圍(包括冷啟動、拋負載等),保證穩定的8V輸出,為常見的娛樂設施子係統(如CD驅動器、LCD顯示器和收音機模塊)供電。為了避免幹擾AM/FM頻段,開關電源工作在2MHz開關頻率,非常適合車載應用。
簡介
隨著汽車啟停技術(空閑狀態自動關閉引擎)應用的普及,越來越多的車載係統要求能夠工作在較低的輸入電壓,低壓輸入往往發生在熱啟動(電池電壓低於6V)或冷啟動(電池電壓低於3V)條件下。圖1介紹了常見的汽車係統供電架構方案。
在一些主電源為3.3V的供電係統中,前端采用低壓差的buck轉換器即可滿足要求(CASE 1)。需要時,可以選擇一路boost轉換器將3.3V升壓到5V (例如為CAN總線收發器供電)或更高電壓(CASE2)。有些係統采用5V或更高電壓供電,此時需要在前端進行“預升壓”,保證buck的輸入電壓不會低於指定電壓(CASE 3),本設計適用於後者。

圖1. 汽車電源方案。
汽車設計中,低電磁輻射也是一項重要的考核指標,特別是在敏感的AM頻段。本設計中,電源的開關工作頻率遠高於AM頻段(例如:開關頻率在1.71MHz以上,位於MW頻段的高端),進而解決了幹擾問題。較高的開關頻率也有助於減少係統尺寸,降低外圍元件的成本。
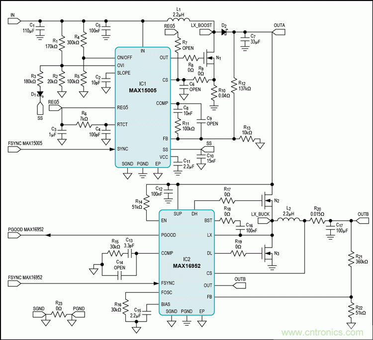
圖2是開關電源的原理圖,MAX15005升壓控製器與MAX16952降壓控製器相組合,配合外圍電路提供合理的車載係統供電方案。兩款IC均同步到控處理器或專用IC提供的外部2MHz時鍾,便於優化電源的開關頻率。電池正常供電的條件下,MAX15005不工作,通過MAX16952提供穩定的8V OUTB電壓。冷啟動時,由於電池電壓降低,則通過MAX15005提升節點OUTA的電壓,確保MAX16952提供穩定的8V OUTB電壓。兩款IC的高可靠性,可以滿足汽車環境中高達40V的拋負載。該方案已經通過測試,在OUTB節點提供高達20W的輸出功率(8V@2.5A)。更換外圍電路,可以獲得更高的輸出功率。

圖2. 開關電源原理圖。
MAX16952的外圍元件
輸出電壓和開關頻率
為了在OUTB端獲得穩定的8V輸出,需要合理選擇反饋分壓電阻(R22和R21)。選擇R22 = 51KΩ (MAX16952數據資料推薦低邊電阻R22 < 100kΩ),R21根據下式計算:
式中,VFB = 1V (典型值)。
選擇標準阻值R22 = 360kΩ ,典型輸出電壓為:
假設阻值誤差為1%,最小和最大OUTB輸出電壓為:
(式3)
(式4)其中,VFB(MIN) = 0.985V,VFB(MAX) = 1.015V。
按照規格書推薦,外部時鍾頻率必須高於MAX16952內部時鍾頻率的1.1倍。由於我們采用2MHz外部時鍾同步MAX16952的開關頻率,須合理選擇內部振蕩器阻抗R16,控製內部開關頻率<1.8MHz。本設計中,R16選擇為30kΩ。為確保MAX16952開關頻率固定在2MHz,必須避免發生電壓跌落。MAX16952隻有在關斷時間(tOFF)>100ns (典型值)時,才可避免電壓跌落的情況,這意味著係統不能超出最大占空比:
考慮到降壓轉換器的效率為90%,保證工作在2MHz固定開關頻率的最小輸入電壓(OUTA)是:
這意味著OUTA電壓不能低於11.11V閾值。為保證OUTA電壓始終高於11.11V,當電池電壓(IN節點)低於11.5V時,需要開啟MAX15005工作(考慮到L1、D2肖特基二極管的壓降,留出大約390mV的裕量)。
達到40V拋負載峰值電壓時,OUTA達到其高壓點,MAX16952必須將輸出電壓穩定在8V。因此,發生拋負載期間,MAX16952占空比為:
MAX16952的最小開啟時間(tON)為80ns,因此最小占空比(2MHz開關頻率下)為:
0.16最小占空比可確保拋負載條件下(輸入電壓高達40V時)提供穩定的8V輸出。
電感和電流檢測

圖3. MAX16952電感電流。
使用大電感可以降低電感電流峰值,提高降壓轉換器的效率;但也占用更大的電路板(PCB)麵積,降低負載調整率。一種可以接受的折中方法是選擇適當的電感值,使LIR (電感AC電流峰-峰值與DC平均電流的比值) ≤ 0.3。基於圖3,利用下式計算:
根據以上方程組,可以得到電感計算公式:
由此,常規條件下(OUTA = 12V)滿足LIR ≤ 0.3的最小電感值為:
選擇標準電感L2 = 2.2µH,LIR = 0.24,電感峰值電流為:
當測流電阻R20的電壓達到68mV (最小值)時,達到電流上限。為了留出一定裕量,選擇檢流電阻時,應使電感電流達到峰值(IPEAK)時,檢流電阻的壓降是電流門限的60%:
R20選擇為15mΩ標準電阻。
MAX15005的外圍元件
UVLO閾值
選擇MAX15005升壓轉換器外圍元件的第一步是確定UVLO閾值,通過選擇輸入IN、ON/OFF、GND之間的分壓電阻設定欠壓門限。本設計當輸入電壓< 5V時,關閉MAX15005,假設冷啟動期間能夠保持在較高電壓。選擇R5 = 100kΩ,利用下式計算R4:
R4選擇為300kΩ標準電阻。
過壓輸入(OVI)
按照前麵有關MAX16952的討論,OUTA不能低於11.11V,以保持MAX16952的最小壓差要求。考慮到該電壓閾值,以及L1、D2產生的壓降,MAX1005必須在輸入電壓低於11.5V時開啟。而為了優化效率,正常輸入電壓(IN=12V)下,MAX15005必須關閉。
為了達到這一目的,利用IN、OVI、GND引腳之間的分壓電阻設置過壓門限,正確開啟或關閉MAX15005。MAX15005在OVI引腳電壓超過1.228V閾值時關閉,OVI引腳電壓比1.228V閾值電壓低125mV時,再次開啟。選擇低邊電阻R2 = 20kΩ,考慮到在輸入電壓高於11.6V時MAX15005關斷,按照下式選擇R1:
選擇R1為170kΩ標準電阻,則當主電源超出11.67V時關斷MAX15005,相對於常規電壓12V,預留330mV的裕量。考慮到OVI比較器的滯回,可以按照下式估算電壓下限,即當主電源電壓下降到下式決定的數值時開啟MAX15005:
由此可見,比較器的滯回過大,需要將主電源的電壓跌落門限調整到至少11.5V。可以在OVI引腳與SS引腳之間增加一個串聯電阻R3和肖特基二極管D1。當關斷MAX15005時,SS引腳在內部接地,使得R3與R2並聯,從而減小滯回。選擇R3 = 180kΩ,忽略二極管壓降,則可得到新的電壓跌落閾值:
按照這一配置,可以得到所要求的開啟/關閉MAX15005的輸入電壓閾值。另一方法可以使用外部比較器監測主電壓,用其直接驅動OVI引腳。
輸出電壓

圖4. MAX15005電感電流。
為了維持2MHz的開關頻率,須注意tON最小值為170ns (參見MAX15005數據資料)。最小tON對應於34%的最小占空比(2MHz開關頻率下),這限製了MAX15005的最小穩壓輸出。估算電壓閾值時,有必要考慮boost穩壓器的占空比公式:
當輸入電壓VIN達到最大值11.67V時,對應於最小占空比,且MAX15005保持工作。按照之前的公式可以估算MAX15005的最小穩壓輸出:
計算考慮了最小占空比、最大輸入電壓條件,假設D2壓降為0.3V,忽略NMOS管N1上的壓降。由此,MAX15005必須將輸出電壓穩定在17.38V以上,以保證任何條件下維持2MHz的開關頻率。
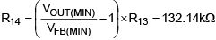
選擇低邊反饋電阻R13 = 10kΩ,計算高邊反饋電阻R14:
其中,VFB(MIN) = 1.215V。
最後,選擇R14 = 137kΩ (1%誤差),MAX15005最小穩壓輸出為:
可確保MAX15005始終工作在2MHz開關頻率。
假設MAX16952的輸出功率為20W (8V,2.5A)、效率為90%,MAX15005的輸出功率必須在至少22.3W。考慮到17.53V的穩壓輸出,MAX15005的平均輸出電流為1.27A。如果MAX15005輸出電壓設置在更高值,則會降低輸出電流。D2可以選用低成本的肖特基二極管,輸出電容C7必須能夠支持MAX15005的穩壓輸出。
同步和最大占空比
為了保證MAX15005開關頻率的外同步,外部時鍾頻率必須比內部振蕩頻率高出至少102%。選擇R6 = 7kΩ、C4 = 100pF,MAX15005內部振蕩頻率約為1MHz,外部同步時鍾頻率為2MHz。
當SYNC輸入檢測到同步信號的上升沿時,C4通過內部1.33mA (典型值)電流源放電。該電容(RTCT引腳)電壓達到500mV時,C4通過R6充電(R6連接在VREG5引腳),直到檢測到下一個同步信號的上升沿。放電時間(TDISCHARGE)決定了穩壓器的最小關斷時間tOFF。如果時間小於160ms,則將最小tOFF鉗製在160ns。實際上,假設充電時間(TCHARGE)為340ns (TP = 500ns),RTCT電壓升至:
(式24)考慮到放電電流為615µA¹,在RTCT引腳增加的放電時間為:
最小tOFF = 160ns對應的最大占空比為68%。當最大占空比受限製時(輸入電壓較低,這裏為5V),根據boost占空比公式(式20),MAX15005在OUTA端能夠提供的最大穩定電壓是:
此電壓確保MAX16952在超出電壓跌落條件限製時仍可正常工作。
電感選擇
合理選擇電感值,以滿足boost轉換器的最小輸出電流要求。為保證穩壓器始終工作在連續模式,最小電感值為:
此設計中,最差工作條件發生在VIN的最大輸入電壓(11.67V)下,對應占空比為37%。
配合8V、最小輸出電流為1A、效率為90%的buck轉換器工作時,boost轉換器的最小輸出功率為9.44W,對應的最小輸出電流IOUTA(MIN)為538mA。綜合這些因素,根據前麵的公式計算得到1.32µH電感值。此設計中選擇L1 = 2.2µH。
電流檢測
MAX15005在檢流電阻的電壓達到305mV時觸發電流限製。因此,為了合理選擇檢流電阻,需首先計算boost電感的峰值電流:
輸入電壓處於最小值時達到電感峰值電流,本應用中最小輸入為5V,最大占空比為68%。按照之前的計算,boost輸出電壓(OUTA引腳)為15.23V,需要1.46A的IOUTA以支持MAX16952的功率需求。最惡劣的工作情況對應於電感電流峰值達到4.95A時,留出適當的裕量,選擇檢流電阻使得電感電流達到峰值時,壓降為200mV:
選擇:R10 = 40MΩ。
實驗室測試
冷啟動測試
在實驗室進行冷啟動測試,在10ms內將主電源輸入(IN)從12V降到7V。如曲線圖1所示,當輸入電壓降低時,MAX15005開始將OUTA充電至17.5V,以保證OUTB輸出8V。另外,當輸入電壓恢複到正常電壓時,MAX15005停止工作,OUTA輸出電壓降到正常的IN輸入水平,在D2和L1上有較小壓降。每次測試都基於2.5A的OUTB輸出。
曲線圖1

曲線圖2和曲線圖3分別描述了冷啟動下降和上升階段的狀況。
曲線圖2

曲線圖3

頻域分析
基於示波器的FFT分析工具,冷啟動下MAX16952開關節點LX_BUCK引腳的電壓頻譜如曲線圖4 (IN電壓下降階段)和曲線圖5 (IN電壓電壓上升階段)。注意到頻譜中包括2MHz頻率,相關諧波為直流分量。沒有低於2MHz的交流分量,避免對AM頻帶產生幹擾。
曲線圖4

曲線圖5

對MAX15005開關節點LX_BOOST進行同樣測試,用彩色表示2MHz頻率、諧波和直流分量,在AM頻帶具有極低噪聲。
曲線圖6

曲線圖7

電路優化
為了優化效率,可以在MAX15005不工作時旁路D2肖特基二極管。當主電源處於正常電壓範圍時,利用一個N-MOSFET旁路D2。為降低電磁幹擾,可以增加電阻(R8、R17、R18和R19)來降低在MOSFET柵極電壓的擺率,當然,這會增大功耗,需要折中考慮。為了濾除MAX15005檢測電流的毛刺,增加由C6和R9組成的RC濾波器。也可以通過增加R7電阻—來降低MAX15005電流門限閾值,以降低檢流電阻R10的功耗。
本文來源於Maxim。
本文來源於Maxim。
推薦閱讀:
特別推薦
- 噪聲中提取真值!瑞盟科技推出MSA2240電流檢測芯片賦能多元高端測量場景
- 10MHz高頻運行!氮矽科技發布集成驅動GaN芯片,助力電源能效再攀新高
- 失真度僅0.002%!力芯微推出超低內阻、超低失真4PST模擬開關
- 一“芯”雙電!聖邦微電子發布雙輸出電源芯片,簡化AFE與音頻設計
- 一機適配萬端:金升陽推出1200W可編程電源,賦能高端裝備製造
技術文章更多>>
- 從機械執行到智能互動:移遠Q-Robotbox助力具身智能加速落地
- 品英Pickering將亮相2026航空電子國際論壇,展示航電與電池測試前沿方案
- 模擬芯片設計師的噩夢:晶體管差1毫伏就廢了,溫度升1度特性全飄
- 3A大電流僅需3x1.6mm?意法半導體DCP3603重新定義電源設計
- 芯科科技Tech Talks與藍牙亞洲大會聯動,線上線下賦能物聯網創新
技術白皮書下載更多>>
- 車規與基於V2X的車輛協同主動避撞技術展望
- 數字隔離助力新能源汽車安全隔離的新挑戰
- 汽車模塊拋負載的解決方案
- 車用連接器的安全創新應用
- Melexis Actuators Business Unit
- Position / Current Sensors - Triaxis Hall
熱門搜索





