開關電源“各種拓撲結構”的對比與分析!
發布時間:2019-04-04 責任編輯:wenwei
【導讀】Power Supply是一種提供電力能源的設備,它可以將一種電力能源形式轉換成另外一種電力能源形式,並能對其進行控製和調節。
什麼是Power Supply?

開關電源的元件構成

三種基本的非隔離開關電源

三種基本的隔離開關電源

反激變換器(Flyback)工作原理 (電流連續模式)

反激變換器(Flyback)工作原理 (電流斷續模式)

反激變換器(Flyback)工作原理(1)

反激變換器(Flyback)工作原理(2)

反激變換器(Flyback)工作原理(3)

反激變換器(Flyback)工作原理(4)

反激變換器(Flyback)特征總結

諧振複位正激變換器(Resonant Reset Forward)(1)

諧振複位正激變換器(Resonant Reset Forward)(2)

諧振複位正激變換器(Resonant Reset Forward)(3)

諧振複位正激變換器(Resonant Reset Forward)(4)

諧振複位正激變換器(Resonant Reset Forward)(5)

諧振複位正激變換器(Resonant Reset Forward)特征

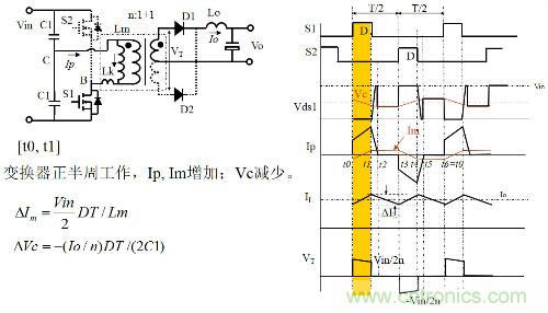
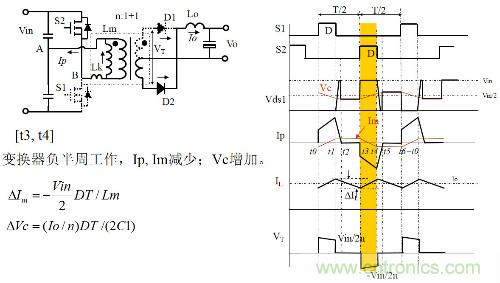
有源鉗位正激變換器(Active Clamped Forward)(1)

有源鉗位正激變換器(Active Clamped Forward)(2)

有源鉗位正激變換器(Active Clamped Forward)(3)

有源鉗位正激變換器(Active Clamped Forward)(4)

有源鉗位正激變換器(Active Clamped Forward)(5)

有源鉗位正激變換器(Active Clamped Forward)(6)

有源鉗位正激變換器(Active Clamped Forward)(7)

有源鉗位正激變換器(Active Clamped Forward)(8)

有源鉗位正激變換器(Active Clamped Forward)(9)

有源鉗位正激變換器(Active Clamped Forward)(10)

橋式變換器(Bridge Type Converter)

橋式變換器(Bridge Type Converter)(1)

橋式變換器(Bridge Type Converter)(2)

橋式變換器(Bridge Type Converter)(3)

橋式變換器(Bridge Type Converter)(4)

橋式變換器(Bridge Type Converter)(5)

橋式變換器(Bridge Type Converter)(6)

橋式變換器(Bridge Type Converter)(7)

幾種隔離式變換器之比較

推薦閱讀:
特別推薦
- 噪聲中提取真值!瑞盟科技推出MSA2240電流檢測芯片賦能多元高端測量場景
- 10MHz高頻運行!氮矽科技發布集成驅動GaN芯片,助力電源能效再攀新高
- 失真度僅0.002%!力芯微推出超低內阻、超低失真4PST模擬開關
- 一“芯”雙電!聖邦微電子發布雙輸出電源芯片,簡化AFE與音頻設計
- 一機適配萬端:金升陽推出1200W可編程電源,賦能高端裝備製造
技術文章更多>>
- 一秒檢測,成本降至萬分之一,光引科技把幾十萬的台式光譜儀“搬”到了手腕上
- AI服務器電源機櫃Power Rack HVDC MW級測試方案
- 突破工藝邊界,奎芯科技LPDDR5X IP矽驗證通過,速率達9600Mbps
- 通過直接、準確、自動測量超低範圍的氯殘留來推動反滲透膜保護
- 從技術研發到規模量產:恩智浦第三代成像雷達平台,賦能下一代自動駕駛!
技術白皮書下載更多>>
- 車規與基於V2X的車輛協同主動避撞技術展望
- 數字隔離助力新能源汽車安全隔離的新挑戰
- 汽車模塊拋負載的解決方案
- 車用連接器的安全創新應用
- Melexis Actuators Business Unit
- Position / Current Sensors - Triaxis Hall
熱門搜索



