集成電源路徑管理功能的電池充電方案
發布時間:2020-01-20 來源:Min Xu 責任編輯:wenwei
【導讀】隨(sui)著(zhe)電(dian)池(chi)供(gong)電(dian)設(she)備(bei)的(de)設(she)計(ji)變(bian)得(de)越(yue)來(lai)越(yue)緊(jin)湊(cou),功(gong)耗(hao)功(gong)能(neng)越(yue)來(lai)越(yue)多(duo),留(liu)給(gei)電(dian)池(chi)的(de)空(kong)間(jian)也(ye)變(bian)得(de)越(yue)來(lai)越(yue)局(ju)限(xian),且(qie)大(da)部(bu)分(fen)電(dian)池(chi)均(jun)不(bu)可(ke)拆(chai)卸(xie),因(yin)此(ci),設(she)備(bei)的(de)工(gong)作(zuo)時(shi)長(chang)變(bian)成(cheng)了(le)頭(tou)等(deng)大(da)事(shi)。為(wei)了(le)提(ti)高(gao)設(she)備(bei)的(de)便(bian)攜(xie)性(xing),大(da)家(jia)經(jing)常(chang)會(hui)使(shi)用(yong)更(geng)大(da)電(dian)池(chi)容(rong)量(liang)的(de)輔(fu)助(zhu)充(chong)電(dian)設(she)備(bei),比(bi)如(ru)智(zhi)能(neng)手(shou)機(ji)的(de)移(yi)動(dong)電(dian)源(yuan)、用於耳塞和電子煙的充電盒等。
由(you)於(yu)便(bian)攜(xie)式(shi)設(she)備(bei)性(xing)能(neng)的(de)增(zeng)長(chang)需(xu)求(qiu)與(yu)電(dian)池(chi)大(da)小(xiao)和(he)容(rong)量(liang)限(xian)製(zhi)之(zhi)間(jian)的(de)衝(chong)突(tu),移(yi)動(dong)電(dian)源(yuan)多(duo)年(nian)來(lai)廣(guang)泛(fan)用(yong)作(zuo)輔(fu)助(zhu)充(chong)電(dian)設(she)備(bei)。但(dan)是(shi),若(ruo)想(xiang)要(yao)移(yi)動(dong)電(dian)源(yuan)具(ju)有(you)更(geng)良(liang)好(hao)的(de)性(xing)能(neng),則(ze)需(xu)要(yao)更(geng)緊(jin)湊(cou)的(de)設(she)計(ji)(重量更輕)和更高的效率(操作時間更長),充電盒之類的設備也同樣如此。
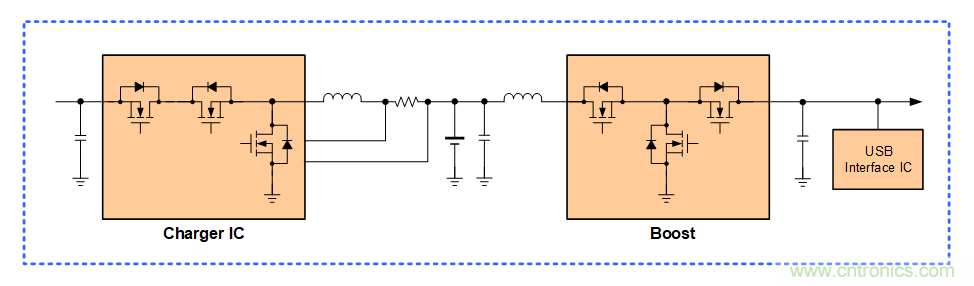
傳統解決方案是采用單獨的充電設備-線性充電器IC或開關充電器IC,以及帶阻斷FET的升壓變換器分別作為電源的輸入和輸出 (見圖1) 。然而,這並不能滿足消費者/製造商的需求。

圖 1:傳統IC充電器+升壓變換器
新款產品
MPS最新推出的一款高集成單節電源管理IC MP2696A 配置靈活,功能豐富。MP2696A 集成了盡可能多的模擬電路,搭配最經濟、最簡單的單片機 (MCU) ,為移動電源提供了可編程、全功能的極簡解決方案(見圖 2)。

圖 2:高度集成的雙向工作模式
與傳統解決方案相比,此方案可以為客戶節省一個開關充電器、一個電感和一個USB接口IC。 MP2696A 功能豐富,在效率和性能提升方麵都可圈可點:
● 雙向工作模式,可以使用單個電感進行充電和放電
● 集成了帶有保護和獨立控製功能的直通路徑
● 可編程的JEITA電池溫度保護閾值
● 集成低導通阻抗的FETs
● 集成可編程的輸入電流限製和輸入電壓限製功能
● 空載時自動休眠模式
● 連接至智能手機時,自動INT輸出
● 集成USB協議接口,可為智能手機提供最大輸出功率
MP2696A可由MCU通過I2C接口通信,它能工作在充電或升壓放電的雙向工作模式下,是移動電源和充電應用的完美之選。且可以通過 MCU 靈活地設置工作模式和參數,還可以通過狀態和故障寄存器指示工作狀態和故障事件。
充電模式
MP2696A為USB接口設計,可以耐受高達16V的輸入電壓。由於USB端口的典型輸入電壓為5V,故即使在線纜插拔瞬間產生高的脈衝電壓也不會對移動電源產生任何威脅。
它還集成了一個可編程的輸入電流限製和輸入電壓限製功能。高達3A的輸入電流限製允許 MP2696A 兼容 15W Type-C 電氣特性要求 (見圖 3)。配合MCU程序,MP2696A可以依據輸入電源來設置輸入電流的限值,確保其滿足BC1.2和USB Type-C 規格要求。
鑒於額外的輸入電壓限製功能,MP2696A可以使用優化後的充電電流進行充電,無論采用何種適配器,都能縮短充電時間。

圖 3:充電模式下的功率流動
放電模式
MP2696A 同時具有放電功能,可以提供5V的放電輸出,最大輸出電流可以達到3.6A (見圖 4)。MP2696A具有輸出電流環路,當負載電流達到輸出電流限製時,MP2696A 會通過輸出電流環路限製輸出電流。MP2696A 具有輸出線纜壓降補償功能,當負載電流增加時,MP2696A 會略微調高輸出電壓,這樣可以保證通過電纜後的輸出電壓恒定,而且補償的幅度也可以自由設置。
極低導通阻抗的FET使得MP2696A具有非常高的效率,特別適用於高度集成的小型設計應用。

圖 4:放電模式下的功率流動

圖 5:放電模式下的效率
保護功能和獨有的智能檢測功能
The MP2696A 在所有模式下都能提供可靠的保護功能。在充電模式中,它具有輸入過壓保護、電池過壓保護、安全充電定時器。在放電模式下,它具有電池欠壓鎖定保護和輸出短路保護。這些硬件保護功能可以保證在MCU軟件故障時安全充電。
電池溫度檢測和保護功能對於受電便攜式設備來說,變得越來越重要。日本電子和信息技術工業協會(JEITA)標準--優化不同電池溫度條件下的充電參數,已成為電池充電應用中的強製性功能。MP2696A 不僅支持JEITA標準,還具有可編程的溫度保護閾值調節功能 (見圖 6)。由於熱敏電阻值會隨溫度的變化而變化,所以 MP2696A 可以監控NTC與VNTC之間的電壓比例,提供電池溫度信息。然後 MP2696A 會將測量的額定值與內部額定值進行對比,以確定溫度範圍以及如何調節充電電壓和電流。因此,客戶可以通過更改I2C寄存器內的參數來調整溫度閾值,無需更改電路板上的寄存器分壓器。這種方式配置I2C寄存器可使軟件工程師節省大量的MCU編碼工作。

圖 6:溫度保護
在放電工況中,如果負載電流小於設定的可編程閾值,MP2696A 會通知 MCU:負載已經解除,此時 MCU 經過若幹計時時間後,可停止升壓放電,從而使MP2696A進入待機模式。在待機模式中,MP2696A可以檢測負載插入的動作並且報告給MCU,由MCU決定響應與否並且喚醒放電輸出。這樣就無需使用過多的外部分立元器件來檢測負載插入。
The MP2696A還能提供電池電流的信息,不管是充電時還是放電時,電池電流的信息都會成比例的顯示在IB管腳上,可以幫助係統更精確地了解電池容量。
結論
MP2696A結合簡單的MCU,可以為移動電源或充電盒應用提供緊湊高效的設計解決方案。MP2696A 集成了低導通阻抗的功率FET,可支持雙向工作模式,還含有負載連接檢測電路和USB放電協議接口,實現了更緊湊的設計和更低的BOM成本。此款芯片支持可編程的JEITA保護,可輕鬆滿足不同客戶的電池特性要求,並且具有傑出的效率性能和各種硬件保護功能。最重要的是,MP2696A易於使用,可以利用提供的參考設計節省設計時間。
推薦閱讀:
特別推薦
- 噪聲中提取真值!瑞盟科技推出MSA2240電流檢測芯片賦能多元高端測量場景
- 10MHz高頻運行!氮矽科技發布集成驅動GaN芯片,助力電源能效再攀新高
- 失真度僅0.002%!力芯微推出超低內阻、超低失真4PST模擬開關
- 一“芯”雙電!聖邦微電子發布雙輸出電源芯片,簡化AFE與音頻設計
- 一機適配萬端:金升陽推出1200W可編程電源,賦能高端裝備製造
技術文章更多>>
- 邊緣AI的發展為更智能、更可持續的技術鋪平道路
- 每台智能體PC,都是AI時代的新入口
- IAR作為Qt Group獨立BU攜兩項重磅汽車電子應用開發方案首秀北京車展
- 構建具有網絡彈性的嵌入式係統:來自行業領袖的洞見
- 數字化的線性穩壓器
技術白皮書下載更多>>
- 車規與基於V2X的車輛協同主動避撞技術展望
- 數字隔離助力新能源汽車安全隔離的新挑戰
- 汽車模塊拋負載的解決方案
- 車用連接器的安全創新應用
- Melexis Actuators Business Unit
- Position / Current Sensors - Triaxis Hall
熱門搜索
Future
GFIVE
GPS
GPU
Harting
HDMI
HDMI連接器
HD監控
HID燈
I/O處理器
IC
IC插座
IDT
IGBT
in-cell
Intersil
IP監控
iWatt
Keithley
Kemet
Knowles
Lattice
LCD
LCD模組
LCR測試儀
lc振蕩器
Lecroy
LED
LED保護元件
LED背光



