真無線耳機高效充電的秘訣:拒絕“頭腦發熱”
發布時間:2020-05-05 來源:Josh Fankhauser,Michael Jackson 責任編輯:wenwei
【導讀】真無線耳機常常使用3個(或更多)引yin腳jiao與yu其qi充chong電dian盒he連lian接jie,用yong於yu傳chuan輸shu數shu據ju和he電dian源yuan。額e外wai的de引yin腳jiao則ze需xu要yao更geng大da的de空kong間jian,同tong時shi也ye會hui導dao致zhi可ke靠kao性xing隱yin患huan。此ci外wai,耳er機ji電dian池chi充chong電dian期qi間jian常chang采cai用yong固gu定ding電dian壓ya,該gai方fang法fa會hui引yin起qi有you害hai發fa熱re。本ben設she計ji方fang案an中zhong,我wo們men詳xiang細xi考kao察cha了le這zhe些xie方fang法fa的de缺que點dian,然ran後hou提ti出chu一yi種zhong采cai用yong兩liang片pianIC解決這些問題的混合方法。
概述
在東方文化中,大耳朵象征著好運和財富。遺憾的是,世界上大部分人都沒有與生俱來的好運和財富——每個人耳朵的形狀與大小都不盡相同。真無線耳機(圖1)製造商當然不能指望每位用戶都長著一對能夠自如佩戴耳機的大耳朵,相反,他們需要攻克一項巨大的挑戰:耳機能夠適應各種大小和形狀的雙耳,同時讓用戶感到佩戴舒適。

圖1(a). 真無線耳機。圖1(b). 真無線耳機及其充電盒
chicunyueshubushitamenweiyidetiaozhan。congbenzhishangjiang,zhenwuxianerjibiranshikezhongfuchongdiande。raner,ruguochongdianxiaolvbugao,erjihuikuaisufare,dadaogaowen,congerxianzhileqichongdiansudu,bingqieshiqipeidaibushushi。benshejifanganzhong,womentaolunwuxianerjidianchichongdiandeguanlifangshi,yijijiangzhexieweixiaowaikeneidezhanweimianjizuixiaohuasuomianlindetiaozhan。womentichuyizhongliyongIC來節省空間的途徑,該IC采用創新的方法來管理耳機與其充電盒之間的電源和數據傳輸。最後,我們介紹一款DC-DC轉換器IC,該IC能夠自適應優化電池充電條件,從而最大程度減小以熱形式浪費的功率,有助於縮短充電時間。
耳機充電接口
真無線耳機被放入充電盒時,其中的耳機開始充電。圖2所示為該配置方案的簡化框圖。

圖2. 耳機和充電盒簡化圖
耳機製造商常常使用3個(或更多)引腳接口來管理電池充電過程。兩個引腳用於充電,其他引腳提供充電盒和耳機之間的通信(或數據)通tong道dao。該gai通tong道dao用yong於yu在zai充chong電dian盒he和he耳er機ji中zhong跟gen蹤zong電dian池chi的de狀zhuang態tai,意yi味wei著zhe用yong戶hu和he係xi統tong都dou能neng夠gou持chi續xu獲huo得de充chong電dian過guo程cheng狀zhuang態tai的de相xiang關guan信xin息xi。該gai通tong信xin接jie口kou也ye可ke用yong於yu設she備bei固gu件jian升sheng級ji以yi及ji/或者工廠調試。有些耳機型號使用專用的(pogo)引腳來檢測耳機是否被放入充電盒。雖然有些製造商使用霍爾效應傳感器,以避免使用專用pogo引腳,但這要求充電盒中具有額外附加元件。
為wei了le在zai微wei小xiao的de耳er機ji內nei部bu容rong納na附fu加jia引yin腳jiao,無wu論lun出chu於yu什shen麼me目mu的de,都dou為wei製zhi造zao商shang帶dai來lai了le挑tiao戰zhan,不bu僅jin限xian於yu空kong間jian,而er且qie關guan乎hu可ke靠kao性xing,因yin為wei每mei個ge引yin腳jiao在zai製zhi造zao過guo程cheng中zhong都dou會hui引yin入ru潛qian在zai故gu障zhang點dian。理li想xiang情qing況kuang下xia,應ying隻zhi使shi用yong兩liang個ge引yin腳jiao將jiang耳er機ji連lian接jie到dao充chong電dian盒he。實shi現xian以yi上shang目mu的de的de一yi種zhong途tu徑jing是shi使shi用yong兩liang個ge傳chuan輸shu電dian源yuan的de引yin腳jiao和he一yi路lu獨du立li的deBluetooth®通道實現與充電盒之間的數據通信。然而,這要求在充電盒內擁有額外的藍牙收發器,會占用甚至更大的空間和功耗。
將數據和電源傳輸組合在一起
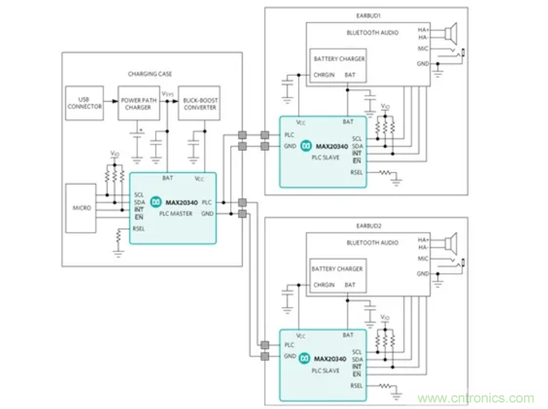
對於耳機與其充電盒通信,一種更高效的方法是將數據和電源傳輸組合到單個通道,有效地將數據信號疊加到電源上。這被稱為“電力線通信”(類似於電源插座被用於擴展有線網絡通信)。MAX20340實現了這種技術的創新,提供雙向直流電力線通信接口,適用於空間受限的便攜式消費類電子設備。利用這種方法,引腳數量可減少到2個,堪稱完美的方案。圖3所示為MAX20340直流電力線通信管理IC被集成到耳機及其充電盒的方式,支持速率高達166.7kbps的雙向數據傳輸。主機IC位於充電盒內,每個耳機內各有可尋址的從機IC。

圖3. 利用MAX20340實現耳機和充電盒之間的數據和電源傳輸
接口僅使用兩個引腳,有效減少故障點數量,從而提高可靠性。MAX20340擁有其他諸多優勢。器件的最大充電電流為1.2A,電池充電更快速。器件具有自動從機檢測功能,意味著既不需要霍爾效應傳感器,也不需要pogo引腳,充電盒即可識別耳機是否已放入。器件包括高ESD保護,無需附加TVS二極管。IC采用9焊球、0.4mm焊距、1.358mm x 1.358mm晶圓級封裝(WLP)。
減少發熱
為防止發熱,耳機電池充電應盡量高效。通過分析這一過程,會發現不為人知的功耗源。電池盒中的鋰離子電池(典型為3.7V)通常利用DC-DC轉換器IC被升壓到5V,然後被耳機中的線性充電器用於為電池充電。然而,即使耳機電池電壓在充電期間升高,但始終保持低於5V。這種過高電壓會造成功率被以熱量的形式浪費掉。為防止浪費,在充電過程中,線性充電器的輸入(由升壓轉換器提供)與電池電壓之間的電壓差,應隨著電池電壓升高而改變,從而持續實現最小化。
圖4所示的升/降壓轉換器能夠實現這一目的,該IC采用稱為動態電壓調節(DVS)的技術

圖4. MAX20343升/降壓DC-DC轉換器,帶DVS
圖5所示為MAX20343如何與MAX20340配合使用,以降低散熱。MAX20340間歇地查詢耳機電池電壓,並將該信息提供給充電盒側的微控製器。然後微控製器調節MAX20343的(de)輸(shu)出(chu)電(dian)壓(ya),使(shi)其(qi)與(yu)耳(er)機(ji)電(dian)池(chi)電(dian)壓(ya)加(jia)上(shang)線(xian)性(xing)充(chong)電(dian)器(qi)所(suo)需(xu)的(de)附(fu)加(jia)裕(yu)量(liang)相(xiang)匹(pi)配(pei)。這(zhe)樣(yang)的(de)優(you)勢(shi)是(shi)最(zui)大(da)程(cheng)度(du)降(jiang)低(di)充(chong)電(dian)盒(he)側(ce)電(dian)池(chi)的(de)能(neng)源(yuan)浪(lang)費(fei),降(jiang)低(di)耳(er)機(ji)內(nei)的(de)散(san)熱(re)。散(san)熱(re)降(jiang)低(di)就(jiu)意(yi)味(wei)著(zhe)耳(er)機(ji)能(neng)夠(gou)以(yi)較(jiao)快(kuai)的(de)速(su)率(lv)進(jin)行(xing)充(chong)電(dian)。MAX20343可選擇16焊球、1.77mm x 2.01mm、0.4mm焊距、WLP封裝,或12引腳、2.50mm x 2.50mm、0.5mm焊距FC2QFN封裝。

圖5. 使用MAX20340和MAX20343進行充電
總結
真(zhen)無(wu)線(xian)耳(er)機(ji)體(ti)積(ji)微(wei)小(xiao),帶(dai)來(lai)了(le)諸(zhu)多(duo)設(she)計(ji)挑(tiao)戰(zhan)。我(wo)們(men)已(yi)經(jing)看(kan)到(dao),除(chu)電(dian)源(yuan)傳(chuan)輸(shu)介(jie)質(zhi)外(wai),真(zhen)無(wu)線(xian)係(xi)統(tong)需(xu)要(yao)一(yi)種(zhong)途(tu)徑(jing)來(lai)實(shi)現(xian)耳(er)機(ji)和(he)充(chong)電(dian)盒(he)之(zhi)間(jian)的(de)雙(shuang)向(xiang)數(shu)據(ju)通(tong)信(xin)。許(xu)多(duo)型(xing)號(hao)的(de)耳(er)機(ji)使(shi)用(yong)額(e)外(wai)引(yin)腳(jiao)來(lai)提(ti)供(gong)數(shu)據(ju)通(tong)道(dao),同(tong)時(shi)也(ye)通(tong)過(guo)專(zhuan)用(yong)的(de)pogoyinjiaoshichongdianhenenggoushibieerjishifouyifangru。raner,ewaiyinjiaohuizhanyongyouxiandekongjian,zengjiafujiaguzhangdian。zhehuidaozhizhizaoguochengzhongdekekaoxingwenti。womenyetaolunleerjichongdianguochengzhongdenengyuanlangfeixingshi。womenjieshaolenenggoukefuzhexietiaozhandeliangkuanIC。MAX20340將電源和數據傳輸組合到一個通道,意味著隻需兩個引腳即可實現耳機與其充電盒的連接。MAX20343通過提高電池充電過程的效率,減少發熱。無論是配合使用還是獨立使用,這些IC都是類似應用的理想選擇,例如助聽器、遊戲手柄、手持無線電對講機、銷售終端。
推薦閱讀:
特別推薦
- 噪聲中提取真值!瑞盟科技推出MSA2240電流檢測芯片賦能多元高端測量場景
- 10MHz高頻運行!氮矽科技發布集成驅動GaN芯片,助力電源能效再攀新高
- 失真度僅0.002%!力芯微推出超低內阻、超低失真4PST模擬開關
- 一“芯”雙電!聖邦微電子發布雙輸出電源芯片,簡化AFE與音頻設計
- 一機適配萬端:金升陽推出1200W可編程電源,賦能高端裝備製造
技術文章更多>>
- 2026藍牙亞洲大會暨展覽在深啟幕
- 新市場與新場景推動嵌入式係統研發走向統一開發平台
- 維智捷發布中國願景
- 2秒啟動係統 • 資源受限下HMI最優解,米爾RK3506開發板× LVGL Demo演示
- H橋降壓-升壓電路中的交替控製與帶寬優化
技術白皮書下載更多>>
- 車規與基於V2X的車輛協同主動避撞技術展望
- 數字隔離助力新能源汽車安全隔離的新挑戰
- 汽車模塊拋負載的解決方案
- 車用連接器的安全創新應用
- Melexis Actuators Business Unit
- Position / Current Sensors - Triaxis Hall
熱門搜索
Tektronix
Thunderbolt
TI
TOREX
TTI
TVS
UPS電源
USB3.0
USB 3.0主控芯片
USB傳輸速度
usb存儲器
USB連接器
VGA連接器
Vishay
WCDMA功放
WCDMA基帶
Wi-Fi
Wi-Fi芯片
window8
WPG
XILINX
Zigbee
ZigBee Pro
安規電容
按鈕開關
白色家電
保護器件
保險絲管
北鬥定位
北高智

