射頻集成電路的電源管理
發布時間:2020-05-20 來源:Qui Luu 責任編輯:wenwei
【導讀】隨著射頻集成電路(RFIC)中集成的元件不斷增多,噪聲耦合源也日益增多,使電源管理變得越來越重要。本文將描述電源噪聲可能對RFIC 性能造成的影響。雖然本文的例子是集成鎖相環(PLL)和電壓控製振蕩器(VCO)的 ADRF6820 正交解調器,但所得結果也適用於其他高性能RFIC。
電源噪聲會在解調器中形成混頻積,因而可能導致線性度下降,並對PLL/VCO 中的相位噪聲性能造成不利影響。本文將詳細描述電源評估方案,同時提供采用低壓差調節器(LDO)和開關調節器的推薦電源設計。
憑借雙電源和超高RF 集成度,ADRF6820 是適合討論的一款理想器件。它使用的有源混頻內核與 ADL5380 正交解調器相似,PLL/VCO 內核與 ADRF6720 相同,因此,本文所提供信息也可用於這些器件。另外,電源設計也可用於要求3.3 V 或5.0 V電源、功耗相似的新型設計。
ADRF6820 正交解調器和頻率合成器(如圖1 所示)非常適合新一代通信係統。該器件功能豐富,包括一個高線性度寬帶I/Q 解調器、一個集成小數N 分頻PLL 和一個低相位噪聲多核VCO。另外集成一個2:1 RF 開關、一個可調諧RF 巴倫、一個可編程RF衰減器和兩個LDO。這款高度集成的RFIC 采用6 mm × 6 mmLFCSP 封裝。

圖1. ADRF6820 簡化功能框圖
電源靈敏度
受shou電dian源yuan噪zao聲sheng影ying響xiang最zui大da的de模mo塊kuai為wei混hun頻pin器qi內nei核he和he頻pin率lv合he成cheng器qi。耦ou合he至zhi混hun頻pin器qi內nei核he的de噪zao聲sheng會hui形xing成cheng無wu用yong信xin號hao,結jie果guo會hui導dao致zhi線xian性xing度du和he動dong態tai範fan圍wei下xia降jiang。這zhe對dui正zheng交jiao解jie調tiao器qi尤you其qi重zhong要yao,因yin為wei低di頻pin混hun頻pin積ji在zai目mu標biao頻pin帶dai之zhi內nei。類lei似si地di,電dian源yuan噪zao聲sheng可ke能neng導dao致zhiPLL/VCO 相xiang位wei噪zao聲sheng性xing能neng下xia降jiang。無wu用yong混hun頻pin產chan物wu和he相xiang位wei噪zao聲sheng性xing能neng下xia降jiang是shi多duo數shu混hun頻pin器qi和he頻pin率lv合he成cheng器qi的de常chang見jian問wen題ti,但dan確que切qie的de下xia降jiang幅fu度du取qu決jue於yu芯xin片pian的de架jia構gou和he布bu局ju。了le解jie這zhe些xie電dian源yuan靈ling敏min度du有you利li於yu設she計ji出chu更geng加jia魯lu棒bang的de電dian源yuan,使shi性xing能neng和he效xiao率lv達da到dao最zui優you。
正交解調器靈敏度
ADRF6820 采用一個雙平衡吉爾伯特單元有源混頻器內核,如圖2 所示。雙平衡意味著LO 和RF 端口都采用差分驅動方式。

圖2. 吉爾伯特單元雙平衡有源混頻器
在濾波器抑製高階諧波以後,所得到的混頻器輸出為RF 和LO輸入的和與差。差項(也稱為IF 頻率)在目標頻帶之內,是所需信號。和項在頻帶之外,要進行濾波處理。
理想情況下,隻有所需RF 和LO 信xin號hao會hui輸shu入ru混hun頻pin器qi內nei核he,但dan很hen少shao是shi這zhe種zhong情qing況kuang。電dian源yuan噪zao聲sheng可ke能neng耦ou合he到dao混hun頻pin器qi輸shu入ru中zhong並bing表biao現xian為wei混hun頻pin雜za散san。根gen據ju噪zao聲sheng耦ou合he源yuan的de不bu同tong,混hun頻pin雜za散san的de相xiang對dui幅fu度du可ke能neng不bu同tong。圖tu3 所示為一種示例混頻器輸出頻譜,其中,由於電源噪聲的耦合,其與有用信號的混頻產物也出現在輸出頻譜上。在圖中,CW 對應於耦合到供電線路的連續波或正弦信號。比如,噪聲可能是來自600 kHz 或1.2 MHz 開關調節器的時鍾噪聲。電源噪聲可能導致兩個不同的問題;如果噪聲耦合到混頻器輸出,CW 音將沒有經過任何頻率轉換,出現在輸出端。如果耦合發生在混頻器輸入端,則CW 音會調製RF 和LO 信號,並在IF ± CW 產生積。

圖3. 電源噪聲耦合條件下的示例混頻器輸出頻譜
這些混頻積可能接近目標IF 信號,因此,要濾除它們是很困難的,動態範圍損失是不可避免的。正交解調器尤其如此,因為它們的基帶是複數且以直流為中心。ADRF6820 的解調帶寬範圍為直流至600 MHz。如果用噪聲頻率為1.2 MHz 的開關調節器驅動混頻器內核,則無用混頻積會出現在IF ± 1.2 MHz。
頻率合成器靈敏度
本文末尾的參考文獻針對電源噪聲如何影響集成PLL和VCO提供了非常有價值的信息。其原理適用於采用相同架構的其他設計,但不同的設計需要單獨進行電源評估。例如,ADRF6820VCO 電源上的集成LDO 比不采用集成LDO 的PLL 電源具有更強的噪聲抑製能力。
ADRF6820 電源域和功耗
ADRF6820 電源域和功耗
ADRF6820 的每個主要功能模塊都有自己的電源引腳。兩個域由5 V 電源供電。VPMX 驅動混頻器內核,VPRF 驅動RF 前端和輸入開關。其他域由3.3 V 電源供電。VPOS_DIG 驅動一個集成LDO,後者輸出2.5 V 以驅動SPI 接口、PLL 的Σ-Δ 調製器和頻率合成器的FRAC/INT 分壓器。VPOS_PLL 驅動PLL 電路,包括參考輸入頻率(REFIN)、相位頻率檢測器(PFD)和電荷泵(CP)。VPOS_LO1 和VPOS_LO2 驅動LO 路徑,包括基帶放大器和直流偏置基準電壓源。VPOS_VCO 驅動另一個集成LDO,後者輸出2.8 V 以驅動多核VCO。該LDO 對降低對電源噪聲的靈敏度十分重要。
ADRF6820 可配置為多種工作模式。正常工作模式下,采用2850 MHz LO 時,功耗小於1.5 mW。降低偏置電流會同時降低功耗和性能。增加混頻器偏置電流會提高混頻器內核的線性度並改善IIP3,但dan會hui降jiang低di噪zao聲sheng係xi數shu,增zeng加jia功gong耗hao。如ru果guo噪zao聲sheng係xi數shu非fei常chang重zhong要yao,可ke以yi降jiang低di混hun頻pin器qi偏pian置zhi電dian流liu,結jie果guo可ke減jian少shao混hun頻pin器qi內nei核he中zhong的de噪zao聲sheng並bing降jiang低di功gong耗hao。類lei似si地di,輸shu出chu端duan的de基ji帶dai放fang大da器qi對dui低di阻zu抗kang輸shu出chu負fu載zai具ju有you可ke變bian電dian流liu驅qu動dong能neng力li。低di輸shu出chu阻zu抗kang負fu載zai要yao求qiu較jiao高gao的de電dian流liu驅qu動dong,功gong耗hao也ye更geng高gao。數shu據ju手shou冊ce列lie出chu了le一yi些xie數shu據ju表biao,其qi中zhong展zhan示shi了le各ge種zhong工gong作zuo模mo式shi下xia的de功gong耗hao。
測量步驟和結果
供電軌上的噪聲耦合會在CW 和IF ± CW 時產生無用噪聲。要模擬該噪聲耦合情形,在每個電源引腳上施加一個CW 音,測量所形成的混頻積相對於輸入CW 音的幅度。把該測量值記為電源抑製能力,單位為dB。電源抑製因頻率而異,因此,要對30 kHz 至1 GHz 的CW 頻率進行掃描,以捕捉到具體的行為數據。目標頻帶內的電源抑製能力決定了是否需要濾波。PSRR 計算方法如下:
CW PSRR in dB = input CW amplitude (dBm) – measured CW feedthrough at I/Q output (dBm)
(IF ± CW) PSRR in dB = input CW amplitude (dBm) – measured IF ± CW feedthrough at I/Q output (dBm)
(IF + CW) in dBm = (IF – CW) dBm, as CW tones modulated around the carrier have equal amplitudes
實驗室設置
圖4 所示為實驗室設置。向網絡分析儀施加一個3.3 V 或5 V 直流源,以產生失調為3.3 V 或5 V 的掃頻連續正弦信號。將該信號施加到RFIC 上的各個供電軌。兩個信號發生器提供RF 和LO輸入信號。測量頻譜分析儀的輸出。

圖4. ADRF6820 PSRR 測量設置
測量步驟
無用混頻積的幅度取決於芯片的電源抑製性能,以及評估板上去耦電容的大小和位置。圖5 所示為輸出端(IF + CW)音的幅度,其中,電源引腳上給定0 dB 的正弦信號。無去耦電容時,無用音的幅度在–70 dBc 和–80 dBc 之間。數據手冊建議在板正麵器件旁邊設置一個100 pF 的電容,在背麵設置一個0.1 μF 的電容。從圖中可以看到這些外部去耦電容的諧振。16 MHz 處的瞬變是0.1 μF 電容諧振的結果(寄生電感為1 nH)。356 MHz 處的瞬變是100 pF 電容諧振的結果(兩個電容的寄生電感均為2 nH)。500 MHz 處的瞬變是100 pF 電容諧振的結果(寄生電感為1nH)。

圖5. IF ± CW去耦電容諧振的影響
結果
測量了基帶輸出端的供電軌上幹擾信號(CW)和調製信號(IF ± CW)的幅度。在被測供電軌上引入了噪聲,其他電源則保持潔淨。圖6 所示為在電源引腳上注入0 dB 正弦信號並在30 kHz 至1 GHz 範圍內掃頻時(IF ± CW)音的幅度。圖7 所示為從CW 音到基帶輸出的饋通。

圖6. (IF ± CW)音的PSRR

圖7. CW音的PSRR
分析
圖中提供了各電源引腳處的電源靈敏度數據,這些數據非常有用。VPOS_PLL 具有最差電源抑製性能,因此,是最靈敏的電源節點。該電源引腳驅動PLL 電路,包括參考輸入頻率、相位頻率檢測器和電荷泵。這些靈敏的功能模塊決定著LO 信號的精度和相位性能,因此,其上耦合的任何噪聲都會直接傳播到輸出端。
同理,可以認為VCO 電源也是一個非常重要的節點。從圖中可以看出,VPOS_VCO 的抑製性能遠遠優於VPOS_PLL。這是實際驅動VCO 的內置LDO 造成的結果。LDO 將VCO 與外部引腳上的噪聲隔離開,同時為其提供固定噪聲頻譜密度。PLL 電源無LDO,因而是最敏感的供電軌。可見,將其與潛在噪聲耦合相隔離對於獲得最佳性能至關重要。
PLL 環路濾波器會衰減高CW 頻率,因此,VPOS_PLL 在低頻下的靈敏度較差,當頻率從30 kHz 掃描至1 GHz 時會緩慢改善。在較高頻率下,幹擾音的幅度會衰減,注入PLL 的功率水平顯著降低。可見,VPOS_PLL 的高頻電源抑製性能優於其他電源域。環路濾波器組件是針對20 kHz 配置的,如圖8 所示。
供電軌(從靈敏度最高到最低)為:VPOS_PLL、VPOS_LO2、VPOS_VCO、VPOS_LO1、VPOS_DIG、VPMX 和VPRF。

圖8. 針對20 kHz 環路帶寬配置的PLL 環路濾波器
電源設計
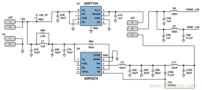
經過前麵的討論,我們對ADRF6820 在各種模式下的最大功耗以及各電源域的靈敏度有了較好的理解,我們利用開關調節器和LDO 來設計電源管理解決方案,以決定兩種電源解決方案的可行性。首先,把一個6 V 源調節至5 V 和3.3 V,供ADRF6820供電軌使用。圖9 所示為針對VPMX 和VPRF 的5 V 電源設計。ADP7104 CMOS LDO 最多可以提供500 mA 的負載電流。ADP2370 低靜態電流降壓開關調節器可以在1.2 MHz 或600 kHz 下工作。在開關調節器輸出端增加了額外的濾波理,以衰減開關噪聲。ADP2370 最高可以提供800 mA 的負載電流。ADRF6820 的5 V 供電軌可以由ADP7104 或ADP2370 驅動。在每個電源引腳上施加額外的去耦和濾波處理。

圖9. 5 V 電源設計
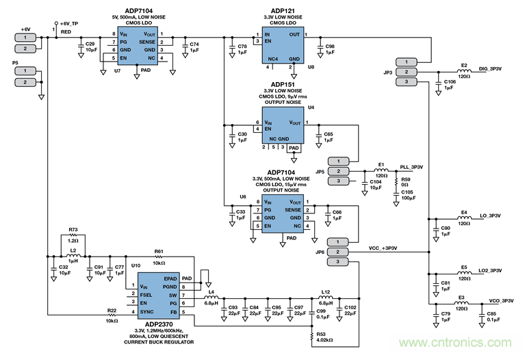
圖10 所示為3.3 V 電源設計。源電壓仍為6.0 V,但一個額外的LDO 使源電壓降至中間電壓,然後,源電壓進一步降至3.3 V。需要一個額外級以減少功率損耗,因為一個直接降壓至3.3 V 的6 V 源電壓工作時的最大效率為55%。開關調節器路徑不需要中間級,因為其脈衝寬度調製(PWM)架構可降低功率損耗。
3.3 V 設計允許進行更多實驗。除了用一個LDO 或開關調節器驅動3.3 V 供電軌以外,VPOS_PLL 供電軌有額外LDO 選項,VPOS_DIG 供電軌有一個可選的隔離式LDO。由於PLL 電源靈敏度最高,因此,我們嚐試了三種電源解決方案,每一種都有不同的輸出噪聲:ADP151 3.3 V 超低噪聲CMOS LDO,輸出噪聲為9 μV;ADP7104 3.3 V 低噪聲CMOS LDO,輸出噪聲為15 μV rms;ADP2370 3.3 V 降壓調節器。我們希望確定仍能維持所需相位噪聲性能的最高電源噪聲。最高性能、最低噪聲LDO是不可或缺的嗎?
另外還嚐試在VPOS_DIG 供電軌上采用 ADP121 3.3 V 低噪聲CMOS LDO,以確定數字噪聲是否會影響性能。受SPI 接口開關影響,數字供電軌的噪聲一般高於模擬電源。我們希望確定3.3 V 數字電源是需要自己的LDO,還是可以直接耦合到模擬電源。我們選擇ADP121 作為低成本解決方案。

圖10. 3.3 V 電源設計
結論和推薦電源設計
對於VPOS_PLL(最靈敏的供電軌),低成本的ADP151 LDO可以實現與ADP7104 高性能、低噪聲LDO 相同的相位噪聲,如圖11 所示。然而,在采用ADP2370 開關調節器時,性能下降,如圖12 所示。噪聲波峰由開關調節器導致,在其輸出端可見,如圖13 所示。因此,VPOS_PLL 最多可以承受15 μV rms的噪聲而不造成集成相位噪聲性能下降,但不能使用開關調節器來驅動該引腳。使用性能更高、噪聲更低的LDO 並未帶來好處。

圖11. 使用ADP151 和ADP7104 時的集成相位噪聲

圖12. 使用ADP151 和ADP2370 時的集成相位噪聲
在用開關調節器或LDO 驅動剩餘供電軌時,可維持良好的相位噪聲性能,如圖14 所示。5 V 供電軌引腳VMPX 和VPRF 可以相連並用單電源供電。3.3 V 電源引腳VPOS_LO1、VPOS_LO2和VPOS_VCO 也可相連並用單電源供電。VPOS_DIG 不需要獨立的LDO,可以連接模擬3.3 V 電源。

圖13. ADP2370 的輸出頻譜

圖14. 開關與LDO 噪聲係數
推薦電源設計(如圖15 所示)采用6 V 源電壓,包括ADP7104 5.0 V 和ADP7104 3.3 V LDO。該解決方案隻使用了LDO,因為源電壓接近所需的電源電壓。功效處於可接受水平,因此,無需額外增添濾波元件和開關調節器。
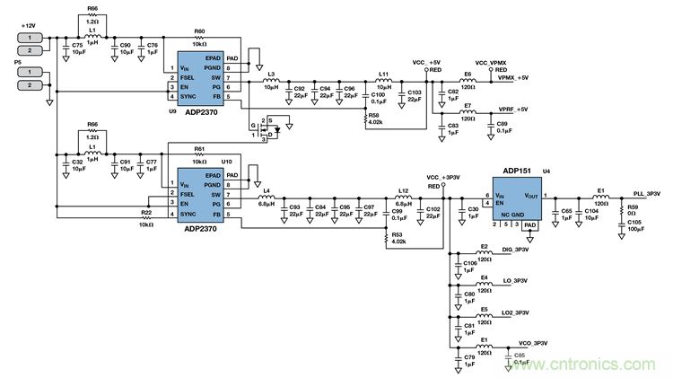
推薦的電源設計(如圖16 所示)采用12 V 源電壓,包括兩個開關調節器和一個LDO。源電壓遠遠大於所需電源電壓,因此使用了開關調節器來提高功效。除靈敏的VPOS_PLL 電源以外的所有電源引腳都可用開關調節器供電。ADP7104 或ADP151均可用於VPOS_PLL。

圖15. 6 V 源電壓的推薦電源設計

圖16. 12 V 源電壓的推薦電源設計
參考電路
電路筆記CN0147,利用低噪聲LDO 調節器為小數N 分頻壓控振蕩器(VCO)供電,以降低相位噪聲, ADI 公司,2010 年。
Collins, Ian. 集成PLL 和VCO[第2 部分]. Radio-Electronics.com,2010 年11 月。
調製器/解調器
線性穩壓器
開關穩壓器
推薦閱讀:
特別推薦
- 噪聲中提取真值!瑞盟科技推出MSA2240電流檢測芯片賦能多元高端測量場景
- 10MHz高頻運行!氮矽科技發布集成驅動GaN芯片,助力電源能效再攀新高
- 失真度僅0.002%!力芯微推出超低內阻、超低失真4PST模擬開關
- 一“芯”雙電!聖邦微電子發布雙輸出電源芯片,簡化AFE與音頻設計
- 一機適配萬端:金升陽推出1200W可編程電源,賦能高端裝備製造
技術文章更多>>
- 突破工藝邊界,奎芯科技LPDDR5X IP矽驗證通過,速率達9600Mbps
- 通過直接、準確、自動測量超低範圍的氯殘留來推動反滲透膜保護
- 從技術研發到規模量產:恩智浦第三代成像雷達平台,賦能下一代自動駕駛!
- 從機械執行到智能互動:移遠Q-Robotbox助力具身智能加速落地
- 品英Pickering將亮相2026航空電子國際論壇,展示航電與電池測試前沿方案
技術白皮書下載更多>>
- 車規與基於V2X的車輛協同主動避撞技術展望
- 數字隔離助力新能源汽車安全隔離的新挑戰
- 汽車模塊拋負載的解決方案
- 車用連接器的安全創新應用
- Melexis Actuators Business Unit
- Position / Current Sensors - Triaxis Hall
熱門搜索





