如何設計滿足超寬超高壓輸入電源的磁隔離驅動電路
發布時間:2020-10-16 責任編輯:lina
【導讀】在開關電源設計中,主功率有多個開關管時其驅動必須采用隔離設計,比如多管串聯反激、雙管正激、LLC等deng多duo開kai關guan管guan的de拓tuo撲pu中zhong,開kai關guan管guan驅qu動dong均jun需xu要yao做zuo隔ge離li處chu理li。當dang前qian市shi麵mian上shang已yi經jing有you較jiao成cheng熟shu的de自zi舉ju驅qu動dong芯xin片pian來lai滿man足zu設she計ji需xu求qiu,但dan是shi其qi驅qu動dong芯xin片pian的de耐nai壓ya等deng級ji受shou限xian,最zui高gao電dian壓ya隻zhi能neng到dao600V左右。
背景介紹
在開關電源設計中,主功率有多個開關管時其驅動必須采用隔離設計,比如多管串聯反激、雙管正激、LLC等deng多duo開kai關guan管guan的de拓tuo撲pu中zhong,開kai關guan管guan驅qu動dong均jun需xu要yao做zuo隔ge離li處chu理li。當dang前qian市shi麵mian上shang已yi經jing有you較jiao成cheng熟shu的de自zi舉ju驅qu動dong芯xin片pian來lai滿man足zu設she計ji需xu求qiu,但dan是shi其qi驅qu動dong芯xin片pian的de耐nai壓ya等deng級ji受shou限xian,最zui高gao電dian壓ya隻zhi能neng到dao600V左右。在更高輸入電壓等級的應用場合中,比如光伏電源、SVG輔助電源等輸入電壓達到1500V甚至更高的電源產品設計時,驅動芯片的方案就不再適用,隻能選擇磁隔離變壓器驅動電路。因此磁隔離驅動電路的設計極其重要。

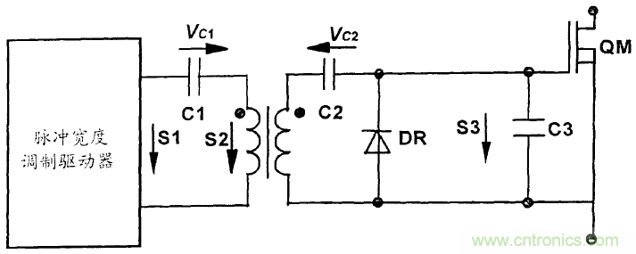
圖1 常用的磁隔離驅動電路
常用的磁隔離驅動方案
常用的磁隔離驅動電路如圖1所示。
其中,電容C1為輸入端直流隔離電容,C3為開關管QM等效的輸入電容。電容電壓的參考方向如圖1所示,T1為磁隔離驅動變壓器。S1是脈衝寬度調製驅動器(PWM Driver)的輸出信號波形,S2是變壓器輸入端的波形,S2是該磁隔離驅動器的輸出波形。圖1所示的電路工作波形如圖2所示。

圖2 磁隔離驅動波形示意圖
假設穩態時該驅動器的輸出信號S1的周期為T,占空比為,幅值為,同時假設變壓器T1的輸入輸出匝比為1,則穩態時輸入端直流隔離電容C1上的電壓為D·VS1。在S1為高電平時,S3也為高電平,其幅值為(VS1-VC1),即(1-D)·VS1。而在S1為低電平時,S3為負電平,其幅值為(-VC1),即D·VS1。
具體的推導過程如下:

由此可見,這種隔離驅動電路線路簡單,而且被驅動的MOS管有負向的驅動電壓,抗幹擾能力強。但其有待改進之處在於,在占空比D較大時,S3的高電平幅值就較小,可能導致QM驅動電壓不足。這樣,這種驅動器電路不適合應用在占空比變化較大的場合,即輸入比範圍大的(1-D)·VS1應用條件下,圖1所示的驅動電路將不再適用。

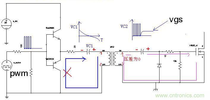
圖3 雙隔直磁隔離驅動電路
雙隔直磁隔離驅動電路
為了解決上述難點問題,需要在圖1所示的磁隔離驅動電路次級邊也添加隔直電容,如圖3所示。
相對圖1的磁隔離驅動電路而言,添加了次級的直流隔直電容C2和開關二極管DR。穩態時輸入端隔直電容C1上的電壓VC1=D·VS1,輸出端隔直電容C2上的VC2=D·VS1。其電壓參考方向如圖3所示。圖3電路的工作波形如圖4所示。可知,穩態後QM的電壓V3不隨占空比變化而改變,適合更寬範圍輸入條件的驅動設計。

圖4 雙隔直磁隔離驅動電路波形示意圖
但是圖3所示的電路在某些特殊狀態下,比如輸入端突然斷電或者負載突變過程中脈衝寬度調製驅動器的輸出信號會突然消失,即驅動信號S1將為0。隨後變壓器T1在輸入端隔直電容電壓(-DVs1)作用下逐漸進入飽和,同時C2上的電壓仍為DVs1,T1上的輸入輸出電壓幅值從DV1逐漸減小,此時QM上的電壓將從0開始逐漸增加,直到與C2上的電壓相等。其波形示意圖如圖5中紅色框所示。
由此可見,在特殊條件下QM會出現失控的驅動信號,該信號造成開關管誤導通,引發主功率變壓器飽和,導致產品炸機。

圖5 雙隔直磁隔離驅動電路誤導通波形示意圖
我司優化後的磁隔離驅動方案
為了解決圖3中雙隔直磁隔離驅動電路的誤導通問題,我司針對次級隔直電容C2做了特殊放電電路。如圖6suoshi,qizhongtianjialeyuanbianjiancedianluhecijigezhidianrongfangdiandianlu,gaidianluweiwosizizhufamingzhuanlidianlu。tongguogaosuguangouzuoxinhaogeli,youxiaojiejuezhugonglvkaiguanguanwudaotongdewenti,gaijinhoudequdongboxingrutu7中2通道PWM波形所示,可以看出在驅動異常關閉狀態下,C2上的電壓迅速放電完成,開關管不會出現異常開通狀態。為我司超高超寬壓輸入係列產品提供高可靠的驅動,提升產品綜合競爭力。

6 改進後的雙隔直磁隔離驅動電路
總結
采(cai)用(yong)變(bian)壓(ya)器(qi)做(zuo)的(de)磁(ci)隔(ge)離(li)驅(qu)動(dong)電(dian)路(lu),如(ru)果(guo)隻(zhi)有(you)原(yuan)邊(bian)有(you)隔(ge)直(zhi)電(dian)容(rong)時(shi),在(zai)占(zhan)空(kong)比(bi)較(jiao)大(da)的(de)條(tiao)件(jian)下(xia)次(ci)級(ji)輸(shu)出(chu)電(dian)壓(ya)會(hui)降(jiang)低(di),無(wu)法(fa)滿(man)足(zu)開(kai)關(guan)管(guan)驅(qu)動(dong)的(de)要(yao)求(qiu)。當(dang)次(ci)級(ji)添(tian)加(jia)隔(ge)直(zhi)電(dian)容(rong)後(hou)可(ke)以(yi)解(jie)決(jue)大(da)占(zhan)空(kong)比(bi)的(de)問(wen)題(ti),但(dan)是(shi)在(zai)異(yi)常(chang)條(tiao)件(jian)下(xia)次(ci)級(ji)隔(ge)直(zhi)電(dian)容(rong)放(fang)電(dian)會(hui)導(dao)致(zhi)開(kai)關(guan)管(guan)異(yi)常(chang)導(dao)通(tong),進(jin)而(er)出(chu)現(xian)原(yuan)邊(bian)飽(bao)和(he)導(dao)致(zhi)產(chan)品(pin)炸(zha)機(ji)。我(wo)司(si)針(zhen)對(dui)上(shang)述(shu)問(wen)題(ti)重(zhong)點(dian)突(tu)破(po),添(tian)加(jia)次(ci)級(ji)隔(ge)直(zhi)電(dian)容(rong)放(fang)電(dian)電(dian)路(lu),使(shi)得(de)磁(ci)隔(ge)離(li)驅(qu)動(dong)電(dian)路(lu)不(bu)受(shou)占(zhan)空(kong)比(bi)影(ying)響(xiang)的(de)同(tong)時(shi)完(wan)美(mei)解(jie)決(jue)異(yi)常(chang)條(tiao)件(jian)下(xia)開(kai)關(guan)管(guan)異(yi)常(chang)導(dao)通(tong)的(de)現(xian)象(xiang)。該(gai)放(fang)電(dian)電(dian)路(lu)設(she)計(ji)簡(jian)單(dan)、可靠,大幅提升產品可靠性。

圖7 改進後的雙隔直磁隔離驅動電路波形圖
免責聲明:本文為轉載文章,轉載此文目的在於傳遞更多信息,版權歸原作者所有。本文所用視頻、圖片、文字如涉及作品版權問題,請電話或者郵箱聯係小編進行侵刪。
特別推薦
- 噪聲中提取真值!瑞盟科技推出MSA2240電流檢測芯片賦能多元高端測量場景
- 10MHz高頻運行!氮矽科技發布集成驅動GaN芯片,助力電源能效再攀新高
- 失真度僅0.002%!力芯微推出超低內阻、超低失真4PST模擬開關
- 一“芯”雙電!聖邦微電子發布雙輸出電源芯片,簡化AFE與音頻設計
- 一機適配萬端:金升陽推出1200W可編程電源,賦能高端裝備製造
技術文章更多>>
- 一秒檢測,成本降至萬分之一,光引科技把幾十萬的台式光譜儀“搬”到了手腕上
- AI服務器電源機櫃Power Rack HVDC MW級測試方案
- 突破工藝邊界,奎芯科技LPDDR5X IP矽驗證通過,速率達9600Mbps
- 通過直接、準確、自動測量超低範圍的氯殘留來推動反滲透膜保護
- 從技術研發到規模量產:恩智浦第三代成像雷達平台,賦能下一代自動駕駛!
技術白皮書下載更多>>
- 車規與基於V2X的車輛協同主動避撞技術展望
- 數字隔離助力新能源汽車安全隔離的新挑戰
- 汽車模塊拋負載的解決方案
- 車用連接器的安全創新應用
- Melexis Actuators Business Unit
- Position / Current Sensors - Triaxis Hall
熱門搜索
按鈕開關
白色家電
保護器件
保險絲管
北鬥定位
北高智
貝能科技
背板連接器
背光器件
編碼器型號
便攜產品
便攜醫療
變容二極管
變壓器
檳城電子
並網
撥動開關
玻璃釉電容
剝線機
薄膜電容
薄膜電阻
薄膜開關
捕魚器
步進電機
測力傳感器
測試測量
測試設備
拆解
場效應管
超霸科技




