斷路器三相不一致保護新型控製回路與檢測裝置改進
發布時間:2021-02-20 來源:柏文健、岑榮佳 責任編輯:wenwei
【導讀】貴州電網有限責任公司都勻供電局的研究人員柏文健、岑榮佳,在2019年第1期《電氣技術》雜誌上撰文,提出一種新型三相不一致保護控製回路,該保護控製回路增加了繼電器和觸點的數目並改變了原有的拓撲結構。
對比傳統三相不一致控製回路中存在的器件易老化、時間繼電器可靠性差等不足,本回路具有對器件依賴性低,防老化性能更好、可靠性更高的特點。同時針對電網故障排查中遇到的時間繼電器校準存在的步驟複雜、需要斷電等問題進行了簡單的探討和分析。
三相不一致運行是指電力係統中某一支路上三相中的單相或者兩相斷開運行的情況。對於部分高壓和所有超高壓、特高壓的電壓等級的電網,出於對高壓絕緣、係統穩定性和係統繼電保護配置的考慮,係統大範圍的采用分相斷路器,並配置有單相重合閘保護且采用後加速保護。
同(tong)時(shi)由(you)於(yu)裝(zhuang)置(zhi)和(he)人(ren)工(gong)操(cao)作(zuo)等(deng)因(yin)素(su),係(xi)統(tong)在(zai)正(zheng)常(chang)工(gong)作(zuo)過(guo)程(cheng)中(zhong)會(hui)不(bu)可(ke)避(bi)免(mian)的(de)處(chu)於(yu)三(san)相(xiang)斷(duan)路(lu)器(qi)分(fen)相(xiang)狀(zhuang)態(tai)不(bu)一(yi)致(zhi)的(de)異(yi)常(chang)運(yun)行(xing)狀(zhuang)態(tai),應(ying)配(pei)置(zhi)可(ke)以(yi)反(fan)映(ying)斷(duan)路(lu)器(qi)非(fei)全(quan)相(xiang)運(yun)行(xing)狀(zhuang)態(tai)的(de)非(fei)全(quan)相(xiang)保(bao)護(hu),作(zuo)用(yong)於(yu)跳(tiao)開(kai)已(yi)處(chu)於(yu)不(bu)正(zheng)常(chang)狀(zhuang)態(tai)的(de)斷(duan)路(lu)器(qi)。根(gen)據(ju)GB/T 14285—2006《繼電保護和安全自動裝置技術規程》,220~500kV斷路器三相不一致,應盡量采用斷路器的本體三相不一致保護,而不再另外設置同類保護。
但是,在實際的工況運行下,斷路器控製回路的可靠性相對較低,主要原因是二次回路中采用的接觸器、繼電器等關鍵元件運行工況較差,斷路器的三相不一致保護控製回路中的時間繼電器需要定時的校檢,從而才能保證供電的可靠性。
關於三相不一致回路改進的研究有很多,各有側重,文獻[7]提出的控製回路降低了對於器件的依賴性,提高了保護的可靠性,但是一定程度上增加了檢修的負擔。文獻[8-9]則提出改變回路拓撲結構以及增加繼電器數量實現防誤動的功能,卻沒有考慮器件的運行工況對可靠性的影響。文獻[10]則通過增加觸點降低對運行工況的要求。
suizhejishushuipingdejinbuheduigongdiankekaoyaoqiudebuduantigao,xindewentizaishijiyunxingzhongbuduandebeifaxian,zonghekaolvbinggaijinbaohuyuanyoucunzaidebuzushihenyoubiyaode。
本文先介紹了傳統的經典三相不一致保護控製回路,分析其中存在的問題。針對這些接觸器、繼(ji)電(dian)器(qi)存(cun)在(zai)的(de)隱(yin)患(huan),提(ti)出(chu)了(le)一(yi)種(zhong)新(xin)型(xing)的(de)三(san)相(xiang)不(bu)一(yi)致(zhi)保(bao)護(hu)控(kong)製(zhi)回(hui)路(lu)。通(tong)過(guo)對(dui)比(bi)發(fa)現(xian),新(xin)型(xing)控(kong)製(zhi)回(hui)路(lu)可(ke)以(yi)有(you)效(xiao)地(di)解(jie)決(jue)回(hui)路(lu)的(de)自(zi)保(bao)持(chi)問(wen)題(ti),實(shi)現(xian)防(fang)跳(tiao),並(bing)有(you)效(xiao)地(di)降(jiang)低(di)了(le)觸(chu)點(dian)損(sun)壞(huai)老(lao)化(hua)對(dui)保(bao)護(hu)回(hui)路(lu)的(de)影(ying)響(xiang)。
同時對於工程校檢時間繼電器存在的步驟複雜、安全風險高等問題,提出了一種新型的實時監測校檢裝置的設想,不僅可以減少工作人員的工作量,還能夠提供記錄曆史數據功能。
1 典型斷路器三相不一致保護
1.1 典型保護控製回路
目前電力係統三相不一致保護的跳閘回路如圖1所示。典型回路中的核心元件是時間繼電器TS和跳閘輔助繼電器K61。

圖1典型斷路器本體三相不一致保護回路
保護控製回路由斷路器的一組三相常開觸點和一組三相常閉觸點串並聯組成。
當出現三相不一致運行的情況時,以上常開和常閉觸點各自至少有一相處於閉合狀態,於是形成了通路,使時間繼電器TS和跳閘繼電器K61處於通電狀態,跳開故障的斷路器,以保證係統的安全運行。
1.2 典型三相不一致保護的缺陷
dianxingdesanxiangbuyizhibaohuzaishijishiyongzhongcunzaizhezhuduodequexian,qizhongzuizhuyaodewentizaiyuhexinshijianjidianqiyuanjiandekekaoxingwenti。ruqidonghuiluzhongzhishiyongleyigeshijianjidianqi,kekaoxingjiaodi,shijianjidianqidezhengdingshijianxuyaomanzuxitongwendingxingyujidianbaohusudongxingdeyaoqiu,tongshixuyaoyudanxiangzhonghezhadezhengdingshijianxiangpeihe,ruoshijianjidianqidefashengdongzuoshijianpianyi,zesanxiangbuyizhibaohukenenghuiyinqiwudongzuo。
三san相xiang不bu一yi致zhi保bao護hu的de整zheng定ding時shi間jian也ye應ying與yu零ling序xu和he負fu序xu保bao護hu的de整zheng定ding時shi間jian相xiang配pei合he。據ju統tong計ji,由you於yu時shi間jian繼ji電dian器qi的de故gu障zhang導dao致zhi的de誤wu動dong作zuo占zhan三san相xiang不bu一yi致zhi保bao護hu誤wu動dong作zuo的de70%。而三相不一致保護的誤動作會對電網、發電機、變壓器等重要電力設備產生諸多危害,嚴重危害電力係統的安全穩定運行。
lingwai,muqianduanluqisanxiangbuyizhibaohudejidianqigongzuohuanjingelie,tebieshiyouyuqichangqizaihuwaiyunxing,neibujingmiqijianyishouyingxiang。tongshijidianqihechudiandeshejiyuxuanxingbiaozhunshangbuwanzheng,fuzadegongzuohuanjingkenengdaozhiqichangkaichudianlaohuahuozheyanghuazaochengbaohujudong,huozheyouyushouchaohejueyuanjiangdicunzaizhewudongdefengxian。jishishiABB、OMRON的部分器件也存在此問題。
綜zong上shang所suo述shu,目mu前qian典dian型xing的de保bao護hu控kong製zhi回hui路lu的de優you點dian在zai於yu結jie構gou簡jian單dan,使shi用yong元yuan件jian較jiao少shao。從cong保bao護hu原yuan理li角jiao度du,回hui路lu采cai用yong更geng簡jian單dan的de結jie構gou提ti高gao了le保bao護hu的de可ke靠kao性xing。然ran而er,典dian型xing控kong製zhi回hui路lu對dui於yu時shi間jian繼ji電dian器qi的de依yi賴lai較jiao高gao,不bu能neng很hen好hao解jie決jue繼ji電dian器qi的de老lao化hua、氧化等問題。
2 新型斷路器三相不一致保護
2.1 新型保護控製回路
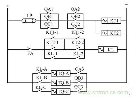
為了保證係統的安全穩定運行,並且克服經典回路存在的不足,本文提出了一種新型的保護控製回路,如圖2所示。

圖2新型斷路器本體三相不一致保護回路
新的控製回路包括改進後的起動回路、跳閘回路、自保持回路、防跳回路。起動回路:由KT1和KT2時間繼電器相並聯,KT1-1、KT2-1、KT1-2、KT2-2分fen別bie是shi其qi對dui應ying的de常chang開kai觸chu點dian。隻zhi需xu要yao有you一yi組zu時shi間jian繼ji電dian器qi動dong作zuo就jiu能neng保bao證zheng跳tiao閘zha回hui路lu通tong電dian。避bi免mian了le一yi個ge時shi間jian繼ji電dian器qi故gu障zhang時shi的de拒ju動dong風feng險xian,也ye很hen大da程cheng度du上shang降jiang低di了le由you於yu某mou一yi個ge或huo者zhe兩liang個ge時shi間jian繼ji電dian器qi觸chu點dian因yin工gong況kuang不bu良liang造zao成cheng的de拒ju動dong情qing況kuang,提ti高gao了le保bao護hu的de可ke靠kao性xing,避bi免mian了le采cai用yong單dan一yi觸chu點dian由you於yu絕jue緣yuan降jiang低di、受潮、髒汙引起的保護誤動。
自保持回路:在跳閘繼電器通電後,對應的常開觸點KL-1,KL-2變(bian)為(wei)閉(bi)合(he)狀(zhuang)態(tai),跳(tiao)閘(zha)回(hui)路(lu)持(chi)續(xu)通(tong)電(dian),形(xing)成(cheng)自(zi)保(bao)持(chi)。補(bu)充(chong)了(le)在(zai)目(mu)前(qian)現(xian)場(chang)應(ying)用(yong)中(zhong)有(you)部(bu)分(fen)國(guo)內(nei)廠(chang)家(jia)斷(duan)路(lu)器(qi)缺(que)乏(fa)該(gai)的(de)回(hui)路(lu),同(tong)時(shi)也(ye)避(bi)免(mian)了(le)采(cai)用(yong)單(dan)一(yi)觸(chu)點(dian)的(de)缺(que)點(dian)。
防跳回路:防跳回路的邏輯如圖3所示。

圖3防跳回路示意圖
在斷路器三相合閘回路前段和後段串聯三相不一致的跳閘繼電器KL所對應的觸點KL-3和KL-4。繼電器KL斷電後常閉觸點跳開,令合閘回路斷電實現防跳功能。在現場應用的斷路器中50%不具備防跳功能,在具備防跳功能的斷路器中在負電側采用了單一觸點,圖3新型控製回路避免了直流接地造成的防跳失效的問題。
除了原理上的分析,對於三相不一致保護繼電器的選型,還應關注其耐壓水平、電容元件、密封性等諸多方麵,需要根據實際工況選擇合適型號的繼電器[15]。
2.2 新型保護控製回路的測試與分析
在某220kV變電站220kV備用線路間隔測試了新型保護回路與傳統控製回路,其結果見表1。

表1傳統控製回路與新型控製回路測試結果
該間隔斷路器為國內某廠家2004年生產。使用原控製回路測試了50次後更改為新型控製回路,又測試了50次。各項功能測試中模擬了絕緣降低、受潮、髒汙、接點粘死、元(yuan)件(jian)故(gu)障(zhang)等(deng)缺(que)陷(xian)。該(gai)間(jian)隔(ge)斷(duan)路(lu)器(qi)本(ben)體(ti)三(san)相(xiang)不(bu)一(yi)致(zhi)保(bao)護(hu)未(wei)設(she)計(ji)防(fang)跳(tiao)功(gong)能(neng),在(zai)斷(duan)路(lu)器(qi)本(ben)體(ti)三(san)相(xiang)不(bu)一(yi)致(zhi)保(bao)護(hu)動(dong)作(zuo)後(hou)斷(duan)路(lu)器(qi)任(ren)能(neng)合(he)閘(zha),故(gu)合(he)格(ge)率(lv)為(wei)0。將時間繼電器動作時間整定為2s,計算標準差以衡量時間繼電器的時間離散程度。
通過測試,表明新型保護控製回路的主要優點有:
1)時間繼電器離散程度低可靠性高,並且降低了由於工況惡劣導致繼電器觸點誤動拒動造成危害的幾率。
2)自保持回路的可靠跳閘,避免了采用一副觸點時由於受潮和絕緣降低,造成繼電器KL誤動的風險。
3)防跳回路避免了斷路器跳閘後再次合閘給電網帶來的二次傷害,避免跳閘回路的觸點粘死或直接接地導致的防跳回路失效。
zongshangsuoshu,duanluqisanxiangbuyizhibaohudexinxingkongzhihuilu,tongguoduiqidonghuiluhetiaozhahuiludegaijin,gaibianshebeidetuopujiegouyijizengjianjidianqiyuchudiandeshuliang,jianshaoleshebeizhijiandexianghuyingxiang,hendachengdushangjiangdileshebeigongkuangwentiduidianwangdeweihai,jianjietigaolebaohudekekaoxing,bingqierengnengbaozhenglianghaodejingjixiaoyi。
3 對新型三相不一致保護的展望
斷duan路lu器qi三san相xiang不bu一yi致zhi保bao護hu新xin型xing控kong製zhi回hui路lu從cong原yuan理li上shang克ke服fu了le傳chuan統tong典dian型xing的de三san相xiang不bu一yi致zhi保bao護hu控kong製zhi回hui路lu存cun在zai的de不bu足zu與yu弊bi端duan。通tong過guo增zeng加jia了le元yuan件jian數shu目mu提ti高gao了le保bao護hu控kong製zhi回hui路lu的de可ke靠kao性xing,但dan與yu此ci同tong時shi也ye不bu可ke避bi免mian地di增zeng加jia了le保bao護hu裝zhuang置zhi校xiao檢jian的de步bu驟zhou,其qi中zhong,校xiao檢jian觸chu點dian的de老lao化hua與yu氧yang化hua工gong作zuo相xiang對dui簡jian單dan,更geng為wei複fu雜za和he重zhong要yao的de是shi對dui於yu時shi間jian繼ji電dian器qi的de校xiao檢jian工gong作zuo。
genjuyanjiubiaoming,shijianjidianqideguzhangzhuyaoyuanyulaohuahoushebeideyingjianguzhanghejishipianyidequexian。tongshi,muqianjidianbaohugongzuorenyuanzaiduishijianjidianqidezhengdingzhijinxingxiaojianshirengyoubushaodemafan。
目前,可將主流的校檢的方式分為以下兩類。
第一類:duandianyihoujiangsanxiangbuyizhidianluchaixiayongzhuanyeyiqijinxingxiaojian。cifangfazaiceliangquanguochengzhongxuyaozaibaozhengduandian,tongshichaichuyijianzhuangjiexiankenengzaochengjiexiandecuowu。gaiguochengxuyaohuafeidaliangdeshijianyurenli。
第二類:jiangshiyantaibanzhiduanluqijigouxiangchujinxingxiaojian。cifangfatongyangxuyaoduandianjinxing,keyizhijieliyongshiyanyiceshixianduishijianjidianqijiadongzuodianyajinxingceliang。gaifangfajiaodiyileifangfadeyoudianzaiyubimianlechaixiananzhuangdefansuoyujiexiancuowudefengxian,henhaojianqinglerengongdefudan。danshiyouyuxuyaowaijiadianya,suoyikenengcunzaishebeisunhuaidefengxian。
目mu前qian斷duan路lu器qi三san相xiang不bu一yi致zhi保bao護hu監jian測ce存cun在zai的de主zhu要yao矛mao盾dun是shi校xiao檢jian的de步bu驟zhou過guo於yu複fu雜za或huo者zhe校xiao檢jian的de附fu加jia儀yi器qi過guo於yu繁fan多duo,並bing且qie許xu多duo新xin型xing保bao護hu方fang案an增zeng加jia了le需xu校xiao驗yan的de儀yi器qi和he校xiao驗yan的de步bu驟zhou。一yi種zhong能neng夠gou在zai保bao護hu通tong電dian狀zhuang態tai下xia實shi時shi監jian測ce校xiao檢jian的de配pei套tao係xi統tong或huo者zhe裝zhuang置zhi成cheng為wei了le探tan索suo的de方fang向xiang。這zhe種zhong裝zhuang置zhi既ji可ke以yi避bi免mian拆chai線xian接jie線xian的de複fu雜za步bu驟zhou,又you可ke以yi有you效xiao避bi免mian接jie線xian發fa生sheng錯cuo誤wu對dui電dian網wang安an全quan穩wen定ding運yun行xing的de危wei害hai。同tong時shi這zhe套tao附fu加jia設she備bei必bi須xu是shi精jing簡jian且qie成cheng本ben不bu高gao的de。
為解決以上問題,本文提出了一種新型實時監測校檢裝置的工作原理圖,如圖4suoshi。shishicaijibingjiluduanluqisanxiangbuyizhishijianjidianqiqidongxinhaoyijitiaozhafuzhujidianqidongzuoxinhao,tongguoduiyushijianjidianqideshishijiance,jidajianxiaolebaohuxiaojiandegongzuo,linggengfuzakekaodexinxingkongzhihuiludeshiyongchengweilekeneng。

圖4實時監測校檢裝置的工作原理圖
xinxingdeduanluqisanxiangbuyizhihuilukeyiyuqipeitaodeshishijiancexiaojianxitongxianghudapeishiyong。jinengcongyuanlishangkefuyuanyouchuantongdianxingkongzhihuilucunzaidequexian,youkeyizaiyunxingweihudeguochengzhongjiangdirenlichengben,tigaoshijianjidianqidekekaoxing,manzudianwangchuangxinfazhandexuqiu。
結論
zhenduiduanluqisanxiangbuyizhibaohukongzhihuilu,benwenzaifenxilechuantongercihuiludequexianzhihou,tichulexindesanxiangbuyizhikongzhihuilu。xindehuilujiaozhiyuanlaigaijinlekongzhihuilutuopujiegou,gaijinlezibaochihefangtiaodegongneng,yibaozhengbaohukeyiyouxiaoditiaokaibingqiechuguzhang,shixitonghuifudaosanxiangduichengyunxingzhuangtai。bingzaishejishikaolvleyingjiangongzuogongkuangdewenti,congluojishangjiangdileyingjianguzhangdeweihai。
文章來源: 柏文健、岑榮佳 電氣技術
免責聲明:本文為轉載文章,轉載此文目的在於傳遞更多信息,版權歸原作者所有。本文所用視頻、圖片、文字如涉及作品版權問題,請聯係小編進行處理。
推薦閱讀:
特別推薦
- 噪聲中提取真值!瑞盟科技推出MSA2240電流檢測芯片賦能多元高端測量場景
- 10MHz高頻運行!氮矽科技發布集成驅動GaN芯片,助力電源能效再攀新高
- 失真度僅0.002%!力芯微推出超低內阻、超低失真4PST模擬開關
- 一“芯”雙電!聖邦微電子發布雙輸出電源芯片,簡化AFE與音頻設計
- 一機適配萬端:金升陽推出1200W可編程電源,賦能高端裝備製造
技術文章更多>>
- 從機械執行到智能互動:移遠Q-Robotbox助力具身智能加速落地
- 品英Pickering將亮相2026航空電子國際論壇,展示航電與電池測試前沿方案
- 模擬芯片設計師的噩夢:晶體管差1毫伏就廢了,溫度升1度特性全飄
- 3A大電流僅需3x1.6mm?意法半導體DCP3603重新定義電源設計
- 芯科科技Tech Talks與藍牙亞洲大會聯動,線上線下賦能物聯網創新
技術白皮書下載更多>>
- 車規與基於V2X的車輛協同主動避撞技術展望
- 數字隔離助力新能源汽車安全隔離的新挑戰
- 汽車模塊拋負載的解決方案
- 車用連接器的安全創新應用
- Melexis Actuators Business Unit
- Position / Current Sensors - Triaxis Hall
熱門搜索
按鈕開關
白色家電
保護器件
保險絲管
北鬥定位
北高智
貝能科技
背板連接器
背光器件
編碼器型號
便攜產品
便攜醫療
變容二極管
變壓器
檳城電子
並網
撥動開關
玻璃釉電容
剝線機
薄膜電容
薄膜電阻
薄膜開關
捕魚器
步進電機
測力傳感器
測試測量
測試設備
拆解
場效應管
超霸科技


