二極管仿真模式在同步BUCK裏麵的應用
發布時間:2021-08-09 來源:Stanley Dai 責任編輯:wenwei
【導讀】高效化和小型化,一直都是功率電源發展的兩個方向。同步BUCK在這兩個方麵的卓越表現,也是在越來越多的場合得到了運用,像鋰電池充電、二次磚塊電源等等。如圖1所示,同步BUCK相較傳統BUCK最主要的區別是用MOSFET器件代替了傳統的續流二極管,而MOSFET更低的導通損耗也為整個電源係統帶來了更高的效率。但是在電池充電和其他大容性負載的場合,擁有更高效率的同步BUCK在電路軟起動階段,會遇到比較大的挑戰。甚至在某些惡劣情況下,過大的反向電感電流會導致電感飽和或者下管MOSFET被擊穿的風險。

圖1 異步BUCK和同步BUCK示意圖

圖2 同步BUCK軟起動階段反向電感電流示意圖
原因是同步BUCK在軟起階段,如果輸出端是帶電池或者其他大容性負載情況,重啟時輸出端極易殘餘一定的電壓。而同步BUCK在zai軟ruan起qi動dong階jie段duan,其qi上shang管guan驅qu動dong信xin號hao占zhan空kong比bi會hui從cong小xiao到dao大da逐zhu周zhou期qi釋shi放fang。這zhe就jiu造zao成cheng每mei個ge周zhou期qi電dian感gan電dian流liu上shang升sheng值zhi無wu法fa彌mi補bu由you於yu殘can餘yu電dian壓ya造zao成cheng的de反fan向xiang電dian感gan電dian流liu跌die路lu值zhi。再zai加jia上shang同tong步buBUCK天然支持FCCM模式,電感電流會反向不斷增大,以至於無法遏製。如圖2所示,在這種情況下,過大的反向電感電流會導致電感飽和或者下管過流損壞,對電路造成不可逆的傷害。
為了解決這個問題,最直接有效的方法是在同步BUCK軟啟動階段引入二極管仿真模式,讓下管MOSFET驅動強製拉低,隻讓其寄生的反並聯二極管參與工作。TI在工業界應用極其廣泛的同步BUCK控製器LM5116,就自帶這個功能。下圖3表明了LM5116內部實現該功能的邏輯圖,在LM5116軟起動階段,其通過比較SW和DEMB點電壓判斷電感電流是否為負值。若電感電流為負值,內置的比較器會主動拉低下管MOSFET驅動信號,以強製同步BUCK進入二極管仿真模式,以保護電路不被過大的負電感電流損壞。這個特性,也讓LM5116在市場上廣受歡迎。

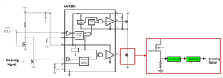
圖3 LM5116內部框圖和二級管仿真模式實現圖
當然,除了上述LM5116自帶的集成功能之外,本文也在下麵介紹了怎麼用分立的方案更靈活地在其他同步BUCK設計中搭建二極管仿真模式以保護下管MOSFET。以半橋驅動LM5102為例,見圖4。

圖4 基於LM5102/TLV6742/LM2903搭建的分立二極管仿真模式實現方案
TI的半橋驅動器LM5102,以其死區時間可控,雙入雙出的架構優點,倍受電源設計市場的喜愛。在圖4中,利用TLV6742運放搭建下管低邊電流信號同向放大電路。當電感電流為一定負值時,超過設定的閾值,會觸發比較器LM2903輸出電平跳變為高,從而輸出關斷信號。該關斷信號連接到LM5102下管PWM信號輸入端的製動MOSFET驅動極,從而拉低LM5102下管輸入端信號,以強製讓同步BUCK進入二極管仿真模式。
免責聲明:本文為轉載文章,轉載此文目的在於傳遞更多信息,版權歸原作者所有。本文所用視頻、圖片、文字如涉及作品版權問題,請聯係小編進行處理。
推薦閱讀:
特別推薦
- 噪聲中提取真值!瑞盟科技推出MSA2240電流檢測芯片賦能多元高端測量場景
- 10MHz高頻運行!氮矽科技發布集成驅動GaN芯片,助力電源能效再攀新高
- 失真度僅0.002%!力芯微推出超低內阻、超低失真4PST模擬開關
- 一“芯”雙電!聖邦微電子發布雙輸出電源芯片,簡化AFE與音頻設計
- 一機適配萬端:金升陽推出1200W可編程電源,賦能高端裝備製造
技術文章更多>>
- 一秒檢測,成本降至萬分之一,光引科技把幾十萬的台式光譜儀“搬”到了手腕上
- AI服務器電源機櫃Power Rack HVDC MW級測試方案
- 突破工藝邊界,奎芯科技LPDDR5X IP矽驗證通過,速率達9600Mbps
- 通過直接、準確、自動測量超低範圍的氯殘留來推動反滲透膜保護
- 從技術研發到規模量產:恩智浦第三代成像雷達平台,賦能下一代自動駕駛!
技術白皮書下載更多>>
- 車規與基於V2X的車輛協同主動避撞技術展望
- 數字隔離助力新能源汽車安全隔離的新挑戰
- 汽車模塊拋負載的解決方案
- 車用連接器的安全創新應用
- Melexis Actuators Business Unit
- Position / Current Sensors - Triaxis Hall
熱門搜索
按鈕開關
白色家電
保護器件
保險絲管
北鬥定位
北高智
貝能科技
背板連接器
背光器件
編碼器型號
便攜產品
便攜醫療
變容二極管
變壓器
檳城電子
並網
撥動開關
玻璃釉電容
剝線機
薄膜電容
薄膜電阻
薄膜開關
捕魚器
步進電機
測力傳感器
測試測量
測試設備
拆解
場效應管
超霸科技



