55V 高效降壓-升壓電源管理器和多化學電池充電器
發布時間:2023-03-28 責任編輯:lina
【導讀】汽車子係統的設計師不斷努力尋找創新的方法來延長 EV 的續航裏程並縮短充電時間。在實現這些目標的過程中,他們將基於矽的技術在尺寸、重量和電源效率方麵推向物理極限,因而需要轉向碳化矽(SiC)來幫助其應對這些挑戰。
rujin,dianchichongdianqiyouwangqingsongzhichigezhongdianchihuaxuechengfenbingjieshouyixiliedianyashuru,baokuofanweiguangfandetaiyangnengdianchiban。shurudianyafanweikuayueshuchudianchidianyashangxiadeqingkuangyuelaiyuepubian,xuyaojiangyaheshengyanengli(降壓-升壓拓撲)。LTC4020 降壓-升壓電源管理器和多化學電池充電控製器可以采用 4.5V 至 55V 的寬範圍輸入並產生高達 55V 的輸出電壓。其降壓-升壓 DC/DC 控製器支持高於、低於或等於輸入電壓的電池和係統電壓。
該充電器可輕鬆針對各種電池化學成分進行優化。例如,它可以遵循恒流/恒壓 (CC/CV) 充電算法,C/10 或用於鋰基電池係統的定時終止,具有定時終止的恒流 (CC) 特性,或優化的 4 步、3 級鉛酸充電曲線。
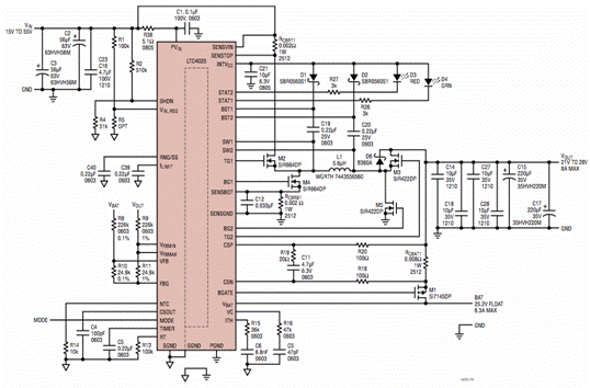
用於 25.2V 電池浮動電壓的 6.3A 充電器
圖 1 顯示了一個 15V 至 55V 輸入、25.2V/6.3A 降壓-升壓電池充電器,具有僅需要一個電感器 (L1) 的高效 4 開關 (M2–M5) 同步降壓-升壓 DC/DC 轉換器。專有的平均電流模式架構使用兩個檢測電阻器(R CBRT1和 R CBRB1)來監控電感器電流。在此降壓-升壓解決方案中,當 V IN 高於 V OUT時,轉換器以降壓(降壓)模式運行;當 V IN 低於 V OUT時,轉換器工作在升壓(升壓)模式。當 V IN 接近 V OUT時,轉換器以 4 開關降壓-升壓模式運行。

圖 1. 15V 至 55V 輸入、25.2V/6.3A 降壓-升壓電池充電器
該轉換器以 50kHz 至 500kHz 範圍內的可編程恒定開關頻率運行,由一個電阻器設置 (R13 = 100k,250kHz)。圖 1 所示的解決方案可為係統負載提供高達 8A 的電流 (V OUT = 25.2V)。圖 2 顯示滿負載效率(I OUT = 8A,V IN = 24V)可以達到 98% 以上。

LTC4020 使用一個來自 BAT 引腳的外部反饋電阻分壓器來通過 V FB 引腳設置電池電壓。“PowerPath”FET (M1) 在正常電池充電期間導通,盡可能在電池和降壓-升壓轉換器輸出之間形成低阻抗連接。電池充電電流通過檢測電阻器 (R CBAT1 ) 進行監控。通過選擇 R CBAT1的值,可以輕鬆設置平均電池充電電流。可通過 RNG/SS 引腳進行動態限流調整。
PowerPath FET 的瞬時接通和理想二極管功能
對於嚴重放電的電池,LTC4020 可自動將 PowerPath FET(圖 1 中的 M1)配置為線性穩壓器,從而允許降壓-升壓轉換器輸出升至高於電池電壓,同時仍向電池提供充電電流。此功能稱為 PowerPath 瞬時啟動,此時 PowerPath FET 充當高阻抗電流源,為電池提供充電電流。
當電池充電器不在充電周期時,LTC4020 自動將 PowerPath FET 配置為理想二極管——也就是說,降壓-升壓轉換器專門為係統負載工作。這允許電池在正常操作中保持與轉換器輸出的斷開連接。然而,如果係統負載電流超過降壓-升壓轉換器的容量,則可以通過這個理想二極管有效地從電池中汲取額外的功率。
附加功能
LTC4020 支持基於定時器的充電算法——一個連接在 TIMER 引腳和地之間的電容器對循環時間的結束進行編程。
LTC4020 具有電池溫度監視和控製功能。通過將 NTC(負溫度係數)熱敏電阻連接到 NTC 引腳,並將熱敏電阻靠近電池組(或其他所需的監控位置)放置,如果 NTC 引腳電壓超出範圍(高於 1.35V 或低於 0.3V) ),LTC4020 觸發 NTC 故障並停止電池充電。
LTC4020 的 V IN_REG 引腳允許輸入電壓調節。該引腳可用於為太陽能電池板設置峰值電源電壓,或幫助維持其他高阻抗輸入電源的電壓。
LTC4020 有兩個集電極開路輸出 STAT1 和 STAT2,用於充電器狀態和故障情況。這兩個引腳是二進製編碼的。
結論
LTC4020 是一款多功能高電壓、高效率降壓-升壓型電源管理器和多化學電池充電器,支持高於、低於或等於輸出電池或係統電壓的輸入電壓。其薄型 (0.75mm) 耐熱增強型 38 引腳 5mm × 7mm QFN 封裝適用於便攜式工業和醫療設備、太陽能供電係統、軍用通信設備以及 12V 至 24V 嵌入式汽車係統。
免責聲明:本文為轉載文章,轉載此文目的在於傳遞更多信息,版權歸原作者所有。本文所用視頻、圖片、文字如涉及作品版權問題,請聯係小編進行處理。
推薦閱讀:
廣汽、比亞迪、豐田、本田等都來參與,AUTO TECH 2023 華南展今年有哪些亮點?
- 噪聲中提取真值!瑞盟科技推出MSA2240電流檢測芯片賦能多元高端測量場景
- 10MHz高頻運行!氮矽科技發布集成驅動GaN芯片,助力電源能效再攀新高
- 失真度僅0.002%!力芯微推出超低內阻、超低失真4PST模擬開關
- 一“芯”雙電!聖邦微電子發布雙輸出電源芯片,簡化AFE與音頻設計
- 一機適配萬端:金升陽推出1200W可編程電源,賦能高端裝備製造
- 從機械執行到智能互動:移遠Q-Robotbox助力具身智能加速落地
- 品英Pickering將亮相2026航空電子國際論壇,展示航電與電池測試前沿方案
- 模擬芯片設計師的噩夢:晶體管差1毫伏就廢了,溫度升1度特性全飄
- 3A大電流僅需3x1.6mm?意法半導體DCP3603重新定義電源設計
- 芯科科技Tech Talks與藍牙亞洲大會聯動,線上線下賦能物聯網創新
- 車規與基於V2X的車輛協同主動避撞技術展望
- 數字隔離助力新能源汽車安全隔離的新挑戰
- 汽車模塊拋負載的解決方案
- 車用連接器的安全創新應用
- Melexis Actuators Business Unit
- Position / Current Sensors - Triaxis Hall



