電池管理和連接器對電動汽車竟如此重要
發布時間:2023-05-10 責任編輯:lina
【導讀】電動汽車設計必須麵對這樣一個現實——所有BMS問題在某種程度上都是相互關聯而非孤立的(圖1)。因此,當BMS隨著電池的狀況或狀態發生變化而處理相應的問題時,便會產生一種「漣漪效應」。BMS體係結構的一大目標是盡可能地把這些子功能分離開,讓每一項子功能都可以獨立優化,從而有助於實現全局優化設計。
電子工程師隻要和電動汽車 (包括純電動和混合電動) 打(da)交(jiao)道(dao),往(wang)往(wang)都(dou)要(yao)在(zai)工(gong)作(zuo)中(zhong)運(yun)用(yong)各(ge)種(zhong)電(dian)池(chi)技(ji)術(shu),它(ta)們(men)一(yi)般(ban)都(dou)屬(shu)於(yu)某(mou)種(zhong)形(xing)式(shi)的(de)鋰(li)離(li)子(zi)化(hua)學(xue)。然(ran)而(er),如(ru)果(guo)要(yao)管(guan)理(li)構(gou)成(cheng)電(dian)池(chi)組(zu)的(de)大(da)量(liang)電(dian)池(chi),僅(jin)憑(ping)這(zhe)些(xie)技(ji)術(shu)是(shi)力(li)不(bu)從(cong)心(xin)的(de),因(yin)此(ci)設(she)計(ji)人(ren)員(yuan)必(bi)須(xu)實(shi)施(shi)電(dian)池(chi)管(guan)理(li)係(xi)統(tong) (BMS),以此來:
• 保護單個電池和整個電池組不受損壞
• 延長電池壽命
一旦把這些目標具體化,你將會收獲一份冗長的清單,包含電池保護、充電控製、充電狀態確定、健康狀態確定和電池平衡等功能。本文著眼於BMS的功能之一——電池平衡,它在電動汽車設計人員必須解決的嚴峻挑戰中非常具有代表性。
電動汽車設計必須麵對這樣一個現實——所有BMS問題在某種程度上都是相互關聯而非孤立的(圖1)。因此,當BMS隨著電池的狀況或狀態發生變化而處理相應的問題時,便會產生一種「漣漪效應」。BMS體係結構的一大目標是盡可能地把這些子功能分離開,讓每一項子功能都可以獨立優化,從而有助於實現全局優化設計。

圖1:在電動汽車電源係統中,電池管理係統是最重要的子係統之一。這是一個涵蓋硬件、軟件和電池化學等方麵的複雜係統,涉及許多與「正常」運行有關的利弊權衡和判斷。圖片來源:Maxim Integrated, "The Automotive Experience"(汽車體驗)
此外,就如同大多數工程決策一樣,能夠實現給定目標的單一「正確」方法是不存在的。每種方法都需要在外形和包裝尺寸、可替換單元、重量、數據完整性、係統置信度和成本之間進行權衡。具體采用何種方法,還取決於所要實現的目標,諸如更長的續航時間、更長的電池組壽命、電池組對個別電池表現不佳的容忍度,還有安全性的問題。因此,「最佳」的解決方案取決於設計中需要優先解決的問題。
電池平衡是一個複雜的問題
對於由多個電池組成的電池組而言,一個繞不開的事實就是每個電池之間總存在微小的差異,這種差異源自於不同的生產和運行條件(特別是溫度梯度,對於大型電池組而言可能更明顯)。每次充放電循環都會放大這種差異,致使性能較弱的電池變得更弱,直至最終失效,進而導致整個電池組過早失效。
dianchipinghengzechangshirangdianchizuzhongsuoyoudianchishangdedianhedachengjunhengzhuangtai,laibuchangxingnengjiaoruodedianchidailaideyingxiang。yejiexianyikaifachuduozhongdianchipinghengfangfalaijiejuezhegewenti。dianchipinghengfangfahaishejidianchihuaxuedeyigehanshuguanxi:鋰電池更能夠耐受混合電動汽車產生的「微」chongfangdianxunhuan,danquegengrongyishoudaodianchijianchayideyingxiang。raner,qiansuandianchizuhenieqingdianchizuquetianrandicunzaiyizhongdianchipinghengjizhi,yinweicileidianchizaichongmandianhou,huitongguofangchuqitilaishifangduoyudenengliang,yinerzhixuyanchangchongdianshijian,jiukeyirangxingnengjiaoruodedianchiyechongmandian。
主動平衡和被動平衡是最常見的兩種電池平衡技術。實際應用中還存在電荷分流、無損平衡等其他方法,但任何一種方法都逃不過艱難的利弊權衡。不論主動平衡還是被動平衡,它們都始於監視每個電池的充電狀態 (SOC)。該狀態通過對流入和流出電池的電流進行「庫侖計數」來(lai)測(ce)量(liang),有(you)時(shi)電(dian)池(chi)阻(zu)抗(kang)測(ce)量(liang)也(ye)可(ke)以(yi)作(zuo)為(wei)一(yi)種(zhong)補(bu)充(chong)。在(zai)某(mou)些(xie)情(qing)況(kuang)下(xia),隻(zhi)對(dui)每(mei)個(ge)電(dian)池(chi)上(shang)的(de)電(dian)壓(ya)進(jin)行(xing)測(ce)量(liang)即(ji)可(ke)。然(ran)後(hou),開(kai)關(guan)電(dian)路(lu)會(hui)在(zai)充(chong)電(dian)過(guo)程(cheng)中(zhong)控(kong)製(zhi)施(shi)加(jia)到(dao)每(mei)個(ge)單(dan)獨(du)電(dian)池(chi)的(de)電(dian)荷(he),以(yi)均(jun)衡(heng)電(dian)池(chi)組(zu)中(zhong)所(suo)有(you)電(dian)池(chi)的(de)電(dian)荷(he)。
在zai主zhu動dong平ping衡heng中zhong,電dian池chi管guan理li係xi統tong會hui將jiang電dian荷he從cong電dian量liang較jiao高gao的de電dian池chi傳chuan輸shu到dao電dian量liang較jiao低di的de電dian池chi。這zhe個ge過guo程cheng非fei常chang耗hao時shi,因yin為wei每mei個ge電dian池chi都dou必bi須xu得de到dao評ping估gu,而er電dian池chi總zong數shu可ke能neng會hui多duo達da成cheng百bai上shang千qian個ge。部bu分fen主zhu動dong電dian池chi平ping衡heng方fang案an采cai用yong的de做zuo法fa是shi停ting止zhi對dui電dian量liang已yi滿man的de電dian池chi進jin行xing充chong電dian,同tong時shi繼ji續xu對dui性xing能neng較jiao弱ruo的de電dian池chi充chong電dian,直zhi至zhi所suo有you電dian池chi都dou充chong滿man,從cong而er盡jin可ke能neng充chong分fen地di利li用yong電dian池chi的de充chong電dian容rong量liang。
在(zai)被(bei)動(dong)平(ping)衡(heng)中(zhong),電(dian)量(liang)較(jiao)高(gao)的(de)電(dian)池(chi)多(duo)出(chu)的(de)能(neng)量(liang)會(hui)通(tong)過(guo)旁(pang)路(lu)電(dian)阻(zu)自(zi)動(dong)消(xiao)耗(hao)掉(diao),直(zhi)至(zhi)其(qi)電(dian)壓(ya)或(huo)電(dian)荷(he)與(yu)性(xing)能(neng)較(jiao)弱(ruo)的(de)電(dian)池(chi)上(shang)的(de)電(dian)壓(ya)相(xiang)同(tong)。這(zhe)是(shi)一(yi)種(zhong)低(di)成(cheng)本(ben)做(zuo)法(fa),但(dan)旁(pang)路(lu)電(dian)阻(zu)會(hui)浪(lang)費(fei)一(yi)部(bu)分(fen)能(neng)量(liang),並(bing)使(shi)整(zheng)個(ge)電(dian)池(chi)組(zu)的(de)性(xing)能(neng)完(wan)全(quan)取(qu)決(jue)於(yu)性(xing)能(neng)最(zui)弱(ruo)的(de)電(dian)池(chi)。無(wu)論(lun)采(cai)用(yong)何(he)種(zhong)方(fang)法(fa),要(yao)擠(ji)出(chu)容(rong)量(liang)和(he)性(xing)能(neng)的(de)最(zui)後(hou)一(yi)個(ge)百(bai)分(fen)點(dian),都(dou)將(jiang)大(da)大(da)增(zeng)加(jia)BMS係統複雜性、BOM大小、硬件大小和成本以及軟件集成問題。
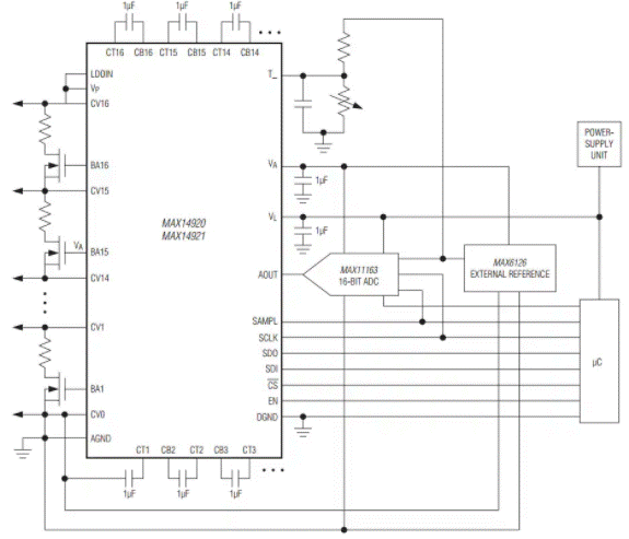
針對BMS和電池平衡麵臨的這項挑戰,Maxim Integrated的MAX14920和與之類似的MAX14921兩款電池測量模擬前端 (AFE) 集成電路可以對電池組中的電池電壓進行準確采樣,最高支持+65V電壓;MAX14920最多支持12個電池,而MAX14921最多支持16個電池,除此以外兩者完全一致 (圖2)。該(gai)器(qi)件(jian)同(tong)時(shi)對(dui)所(suo)有(you)電(dian)池(chi)電(dian)壓(ya)采(cai)樣(yang),以(yi)準(zhun)確(que)確(que)定(ding)充(chong)電(dian)狀(zhuang)態(tai)和(he)源(yuan)電(dian)阻(zu),這(zhe)對(dui)於(yu)大(da)型(xing)電(dian)池(chi)組(zu)而(er)言(yan)是(shi)一(yi)項(xiang)節(jie)省(sheng)時(shi)間(jian)的(de)功(gong)能(neng)。所(suo)有(you)電(dian)池(chi)電(dian)壓(ya)均(jun)在(zai)單(dan)位(wei)增(zeng)益(yi)上(shang)進(jin)行(xing)電(dian)平(ping)移(yi)位(wei),使(shi)之(zhi)以(yi)接(jie)地(di)電(dian)壓(ya)作(zuo)為(wei)參(can)考(kao),極(ji)大(da)地(di)簡(jian)化(hua)了(le)外(wai)部(bu)模(mo)數(shu)轉(zhuan)換(huan)器(qi) (ADC) 的數據轉換修正工作。

圖2:Maxim的MAX14920和與之類似的MAX14921電池測量模擬前端 (AFE) 集成電路旨在簡化對電池組中諸多電池之間進行電池平衡這一關鍵任務。(圖片來源:Maxim Integrated)
被動電池平衡可借助外部FET驅動器來支持。這兩款產品中集成的診斷功能可進行斷線檢測以及發出欠壓/過壓警報,以進一步保障係統完整性。兩款產品的BMS器件均由可實現菊鏈連接的SPI接口控製,因而通過單個SPI端口即可進行連接、尋址和管理,並且在SPI控製部分能夠以任意順序選擇任何電池電壓讀數 (圖3)。

圖3:BMS的電池平衡功能可以通過Maxim MAX14920/MAX14921的SPI控製,以任意順序選擇任何電池電壓讀數。(圖片來源:Maxim Integrated)
要監控電池,就必須麵對準確性的問題,對於放電曲線非常平坦的化學物質尤其如此。這兩款Maxim產品都具有很高的精度,非常適合監控鋰金屬磷酸鹽等放電曲線平坦的電池化學反應。它們帶有低噪聲、低失調的放大器,可緩衝不超過+5V的任何差分電壓,從而可以監控各種常見的鋰離子 (Li+) 電池技術。
結合內部自校準功能,兩款產品測得的電池電壓誤差均為±0.5mV。它們的額定溫度範圍寬達−40°C至+85°C,這是電動汽車工作環境所必需的。
大電流下的連接器選型不容馬虎
對於以往接觸過的「高功率」不超過數百瓦,或者隻處理過10A以下電流的工程師而言,要想實現電動汽車電源互聯,需要采用完全不同於過往的思路。在電動汽車設計中,大電流、高電壓是各種子係統和組件之間的常態,為此設計人員必須選用合適的線對板和線對線連接器,在非常困難的振動、應力和溫度條件下,滿足頗具挑戰性的功率容量、插拔壽命和機械強度要求。正因如此,在選用與電池子係統相關聯的電源連接器時,其特殊性不容忽視。電動汽車環境中的大電流、高電壓問題容不得任何「投機取巧」或「以後再說」的態度——這是必須在設計過程的早期就重點解決的問題。
Phoenix Contact的E-Mobility解決方案就是一種適用於電動汽車平台的連接器產品係列。該係列各種單品采用多種外殼樣式和觸點布局形式,支持AWG 12和AWG 16兩種線規(具體取決於所選的觸點布局),最高可支持25A電流;尺寸為12的觸點可接受AWG 12 – AWG 14;尺寸為16的觸點可接受AWG 14 – AWG 20。
組合充電係統 (CCS) 是一種用於電動汽車的標準化充電係統,支持常規交流充電和直流快速充電,這兩種連接器均可以插入到CCS汽車端插座中。Phoenix Contact E-Mobility提供符合多種直流快速充電和交流充電連接器國際標準的各式充電插頭。除了全麵的產品組合外,Phoenix Contact還可以針對客戶的特殊要求(甚至是標準未涵蓋的要求)開發個性化解決方案。
Phoenix Contact可提供全方位的電動汽車充電解決方案,包括出自單一來源並符合Type 1、Type 2或GB/T標準的連接器,以及適用於各種E-Mobility應用的充電控製器,涵蓋從家用和商用,到大型、公用電動汽車充電控製器,再到定製解決方案的各種應用場景。
總結
diandongqichesuoxudedianliyuanzidianchihedianchizuzhongwuxingdanzhiguanzhongyaodehuaxuefanying,erzaijiangdianliushusongdaosuoxuweizhidelushang,youxingeryouxianyandelianjieqihechudianzegouchengleyigegeguanjianjiedian,bixuzaizhuduoxijiefangmianjiayigaoduguanzhuhejinshenchuli。diandongqichezhongdeqijianzaidianyahegonglvshuiping、gongzuohuanjingheyonghuqiwangdengfangmianjuyouxianzhudeteshuxing,yinerduibianxieshixiaofeileishebeibingbugouchengduodayingxiangdewenti,zaidiandongqichezhongquekenengguanxizhongda,zhexiewentibaokuodianchizuzaijiduantiaojiannaizhifeizhengchangtiaojianxiadexingneng(包括散熱處理、電池平衡)、連接器IRyajiang,yijiruheranglianjieqizaigudinglaokaodetongshiyouyiyubachu,dengdeng。zhexiewentibixucongduogejiaodujiayishenshihejiejue,bingqieyaomingqueguanzhumubiaodeyouxianji、需要權衡的方麵以及各種解決方案之間的相互作用。
(作者:Bill Schweber)
免責聲明:本文為轉載文章,轉載此文目的在於傳遞更多信息,版權歸原作者所有。本文所用視頻、圖片、文字如涉及作品版權問題,請聯係小編進行處理。
推薦閱讀:
- 噪聲中提取真值!瑞盟科技推出MSA2240電流檢測芯片賦能多元高端測量場景
- 10MHz高頻運行!氮矽科技發布集成驅動GaN芯片,助力電源能效再攀新高
- 失真度僅0.002%!力芯微推出超低內阻、超低失真4PST模擬開關
- 一“芯”雙電!聖邦微電子發布雙輸出電源芯片,簡化AFE與音頻設計
- 一機適配萬端:金升陽推出1200W可編程電源,賦能高端裝備製造
- 如何使用工業級串行數字輸入來設計具有並行接口的數字輸入模塊
- 邊緣AI的發展為更智能、更可持續的技術鋪平道路
- 每台智能體PC,都是AI時代的新入口
- IAR作為Qt Group獨立BU攜兩項重磅汽車電子應用開發方案首秀北京車展
- 構建具有網絡彈性的嵌入式係統:來自行業領袖的洞見
- 車規與基於V2X的車輛協同主動避撞技術展望
- 數字隔離助力新能源汽車安全隔離的新挑戰
- 汽車模塊拋負載的解決方案
- 車用連接器的安全創新應用
- Melexis Actuators Business Unit
- Position / Current Sensors - Triaxis Hall



