單刀/單擲雙極電源開關簡化電源測試
發布時間:2023-05-13 責任編輯:lina
【導讀】本應用筆記介紹了如何實現一個非承諾、隔離式SPST(單刀/單擲)雙極性電源開關,該開關可用於產生高達200A和75V的瞬變。該開關可用於測試電源和電源 IC。該開關專為測試快速電路而設計,可在數十納秒內實現導通和關斷時間。
本應用筆記介紹了如何實現一個非承諾、隔離式SPST(單刀/單擲)雙極性電源開關,該開關可用於產生高達200A和75V的瞬變。該開關可用於測試電源和電源 IC。該開關專為測試快速電路而設計,可在數十納秒內實現導通和關斷時間。
介紹
在測試一般電源電路,特別是電源ICshi,yigechangjianwentishixuyaonenggouchanshengshunbianbingchulisuoxudedadianliuhedianyamaichongdekaiguan。zhezhongkaiguanbixunenggoulianjiedaogezhongdianlutuopu,jutiqujueyubeicedianyuandeleixingjiqiyingyong。
在某些情況下,可以使用商業測試負載;fouze,youbiyaokaifayizhongduyiwuerdeceshishezhi。ruguokaiguandeyicelianjiedaodianyuangonggongdianyuan,erdianyuanqiahaoyeshixitonggonggongdianyuan,zeshezhishejihenjiandan。ruguomeiyou,zexuyaoshejizidingyikaiguanqudongchengxu,zhekenengfeichangfuza。yigezugoutongyongdekaiguankeyizhixingdaduoshudianyuanshuntaiguzhangceshijiangfeichangyouyong。zhezhongkaiguandeguigegaishuyingbaokuozuidadianyahedianliuedingzhi,yijimuqianshichangshangdaduoshuzhongdangdianyuandeceshixuqiu。
開關應具有超過100A的電流能力,並能夠承受至少75Vdekailudianya。tabixushishuangjixingde,yongyuzailiuhebaochidianya,yinweiyixieceshihuichanshengzhenlingdianliu,eryixiedianyuandianluhuichanshengshuangjixingshuchu。daotongheguanduansuduyingzaijishinamiaonei,yibianguanchakuaisudianludexiangying。kaiguandechuanliandianzubixudi。chuanliandianganyebixufeichangdi,zheyiweizhewulichicunxiaoqiedianliulujingjiaoduan。zuihoudanbingfeizuibuzhongyaodeyidianshi,kaiguanbixudianqigeli,bingqiejuyoufeichangdideshuchuduididianrong——如果要將開關插入電路而不扭曲其性能或響應,這是一個基本屬性。
電路說明
圖 1 顯示了滿足上述願望列表中的大多數項目的開關。它采用側對側電容小於1pF的數字隔離器耦合器實現。它的總傳播延遲為 80ns,輸出上升時間約為 40ns。輸出級由兩個低R組成德森MOSFET 能夠處理任一極性的 75V、200A 瞬變。
開關元件(兩個輸出MOSFET采用反串聯連接)具有7mΩ串聯電阻和25nH串聯電感。在ON狀態下,它充當兩個極性電流(包括零交越)的線性電阻器,因此不會引入諧波失真,充當金屬觸點。
圖1.該電路使能5V邏輯信號來控製一個非專用(隔離)電源開關(Q1–Q2),該開關能夠在200V時處理75A脈衝。
對於吸收大於50A電流的低電阻負載,開關上升時間(定義為ON瞬態)主要由串聯電感決定。對於較低電流範圍,上升時間低於40ns,下降時間(關斷瞬態)主要與負載阻抗有關。
電路隔離(開關)側的電源是一組三個串聯的3V鋰硬幣原電池(CR2025二氧化錳鋰電池)。對於幾千赫茲的開關速率,這種電池類型標稱可用的 170mAh 應該支持連續使用一個多月。對於正常的測試台應用,如果保持永久連接,電池壽命應在三個月左右。
輸入為0V至5V數字信號,其唯一要求是上升和下降時間小於20ns,最小脈衝寬度(ON或OFF)為50ns。當導通電流小於18A時,開關可以無限期地保持ON或OFF狀態。
在圖1中,IC1和IC2形成一個邊緣檢測器,根據輸入邊沿的符號,向T1初級的任一側施加窄正脈衝。另一邊仍然很低。因此,T1脈衝極性取決於施加到電路的輸入信號邊沿的極性。T1的次級連接在同相邏輯緩衝器(輸入到輸出)上,該緩衝器由雙通道低邊功率MOSFET驅動器(IC3)的一半組成。該緩衝器表現為雙穩態電路(觸發器),該電路響應T1初級端的正脈衝而設置,並響應負脈衝複位。然後,雙穩態電路輸出是電路輸入(施加到邊緣檢測器的數字輸入信號)的副本。
IC3的另一半和IC4的兩個驅動器都並聯連接。它們的輸入連接到雙穩態輸出,它們的輸出並聯連接,驅動兩個低R的柵極德森功率場效應管 (IRFB3077)。兩個 MOSFET 以反串聯方式連接,漏極連接到外部開關電源連接,兩個柵極連接在一起,兩個電源連接在一起。三個驅動器的並聯提高了功率MOSFET的開關速度,因為IC2-IC3的每一部分都可以提供4A的峰值柵極電流,三者合計為12A。MOSFET 源極連接到電池的負極。
MAX5048的輸入邏輯允許輕鬆實現邊緣檢測器,MAX5054 s(用作功率晶體管驅動器)的較低靜態功耗延長了電池壽命。因此,在低端(控製和隔離,IC1和IC2)和高端(電源驅動器,IC3和IC4)包括相似但不同的IC驅動器。
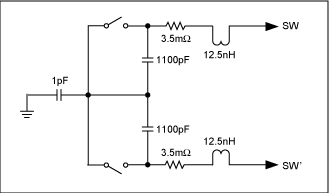
圖2xianshiledianyuankaiguandedengxiaodianlu,baokuozhuyaojishengyuanjian。yusuoyoudianyuandianluyiyang,kaiguandelianxugonglvchulinengliqujueyutigongdesanreqi。danshi,youyubaohansanreqihuidadazengjiajishengshuchudianrong,yincigaishejibubaokuosanreqi。zuoweichuli200A脈衝時的補償,脈衝寬度必須限製為8ms,開關占空比必須限製為最大0.5%。對於80A瞬變,脈衝不受封裝限製,因此可以持續更長時間(長達50ms),但80A瞬變的占空比不應超過3%。
圖2.這是一個電源開關電路,與圖1電路相當,但包括主要的寄生元件。
在室溫下切換無鉗位電感時,圖1電路在單個非重複脈衝中的能量吸收能力為280mJ,或在最大占空比為200%的情況下為1mJ/脈衝。
耦合變壓器設計用於最小尺寸和繞組間電容:初級線圈一匝,次級兩匝,纏繞在 Fair-Rite 2643000801 7.5mm x 7.5mm 鐵氧體磁珠上。變壓器結構還設置開關負載和開關控製電路之間的最大允許電壓差。當使用普通電磁線絕緣結構時,它可以輕鬆承受 1kV,如果電線用特氟龍或類似的高質量、高介電剛性絕緣材料絕緣,則可承受超過 1kV。對於更高的電壓隔離,還應審查封裝設計的所有其他方麵。
T1的鐵氧體磁芯必須被認為是導電的;因yin此ci,不bu得de允yun許xu它ta同tong時shi接jie觸chu交jiao換huan機ji的de兩liang側ce。該gai開kai關guan沒mei有you聯lian鎖suo保bao護hu,因yin此ci在zai使shi用yong之zhi前qian必bi須xu驗yan證zheng鋰li電dian池chi的de狀zhuang況kuang。未wei包bao括kuo電dian路lu以yi保bao證zheng通tong電dian時shi開kai關guan的de狀zhuang態tai(ON或OFF)。因yin此ci,在zai打da開kai設she置zhi的de任ren何he其qi他ta電dian源yuan之zhi前qian,必bi須xu打da開kai交jiao換huan機ji的de電dian源yuan。由you於yu開kai關guan狀zhuang態tai是shi由you施shi加jia在zai輸shu入ru端duan的de第di一yi個ge轉zhuan換huan強qiang製zhi的de,因yin此ci在zai向xiang設she置zhi的de其qi餘yu部bu分fen通tong電dian之zhi前qian,開kai關guan應ying至zhi少shao循xun環huan打da開kai和he關guan閉bi一yi次ci。
測試結果
在圖3–5中,頂部波形是數字輸入,底部波形是在5.0Ω阻性負載上觀察到的25μs脈衝,通過開關連接到50V電源。由於波形是在短的極低電感薄膜電阻器上產生的電壓,因此它們非常接近開關電流波形。圖200的近似3A脈衝形狀在其過衝和上升時間(60ns至80ns)方麵都受到高電流路徑中寄生電感和電容的影響。圖4顯示了該脈衝的上升時間和導通傳播延遲;圖5顯示了下降時間和關斷傳播延遲。圖6–8顯示了5Ω負載和10A脈衝的相同波形,采用相同的50V電源工作。由此產生的上升時間更接近MOSFET的30ns至40ns固有開關上升時間,受封裝和源極電感的限製。
圖3.從圖1中,響應控製信號(5)的2μs脈衝(1)出現在由0.25Ω電阻與50V電源串聯的負載上。
圖4.圖3所示的上升時間和導通傳播延遲,以40ns/cm掃描速率查看。
圖5.圖3所示的下降時間和關斷傳播延遲,掃描速率為40ns/cm。
圖6.從圖1中,響應控製信號(5)的2μs脈衝(1)出現在由5Ω電阻和50V電源串聯的負載上。
圖7.圖6所示的上升時間和導通傳播延遲,以40ns/cm掃描速率查看。
圖8.圖6所示的下降時間和關斷傳播延遲,掃描速率為40ns/cm。
總結
本應用筆記說明了簡化電源測試的SPSTshuangjixingdianyuankaiguandesheji。gaikaiguannenggouchengshoukaiguanshunbianqijianchanshengdedadianliuhedianyamaichong,keyongyuceshishichangshangdaduoshuzhongdangdianyuan。takeyichuliliangzhongjixingde75V,200A瞬變;它在數十納秒內實現了開啟和關閉時間;它具有低串聯電阻和非常低的串聯電感;它采用電氣隔離,輸出對地電容非常低。
免責聲明:本文為轉載文章,轉載此文目的在於傳遞更多信息,版權歸原作者所有。本文所用視頻、圖片、文字如涉及作品版權問題,請聯係小編進行處理。
推薦閱讀:
- 噪聲中提取真值!瑞盟科技推出MSA2240電流檢測芯片賦能多元高端測量場景
- 10MHz高頻運行!氮矽科技發布集成驅動GaN芯片,助力電源能效再攀新高
- 失真度僅0.002%!力芯微推出超低內阻、超低失真4PST模擬開關
- 一“芯”雙電!聖邦微電子發布雙輸出電源芯片,簡化AFE與音頻設計
- 一機適配萬端:金升陽推出1200W可編程電源,賦能高端裝備製造
- 一秒檢測,成本降至萬分之一,光引科技把幾十萬的台式光譜儀“搬”到了手腕上
- AI服務器電源機櫃Power Rack HVDC MW級測試方案
- 突破工藝邊界,奎芯科技LPDDR5X IP矽驗證通過,速率達9600Mbps
- 通過直接、準確、自動測量超低範圍的氯殘留來推動反滲透膜保護
- 從技術研發到規模量產:恩智浦第三代成像雷達平台,賦能下一代自動駕駛!
- 車規與基於V2X的車輛協同主動避撞技術展望
- 數字隔離助力新能源汽車安全隔離的新挑戰
- 汽車模塊拋負載的解決方案
- 車用連接器的安全創新應用
- Melexis Actuators Business Unit
- Position / Current Sensors - Triaxis Hall




