如何製作穩壓電源
發布時間:2023-06-14 責任編輯:lina
【導讀】調試完後,該電源可以輸出DC11.80V,DC-12.11V,Dc+5.02三路直流電壓源。輸出總功率10W,遺憾的是沒有接入保險絲,別在使用中電源給燒了。利用它重新調試運放結果很好。
1、自製電源的想法起源於前兩天想試試運算放達器,發現電源的-12V偏高,導致運放不能正常工作。
2、原理圖

圖1、自製穩壓電路接線圖
說明:(1)、T1是電子市場9塊錢買的10W正負12V變(bian)壓(ya)器(qi)。開(kai)始(shi)時(shi)我(wo)從(cong)一(yi)個(ge)壞(huai)的(de)計(ji)算(suan)機(ji)電(dian)源(yuan)上(shang)拆(chai)下(xia)一(yi)個(ge)小(xiao)小(xiao)的(de)變(bian)壓(ya)器(qi),認(ren)為(wei)可(ke)以(yi)用(yong),首(shou)先(xian)發(fa)現(xian)引(yin)腳(jiao)特(te)別(bie)多(duo),分(fen)不(bu)清(qing)哪(na)是(shi)初(chu)級(ji)那(na)是(shi)次(ci)級(ji),其(qi)次(ci)我(wo)大(da)膽(dan)地(di)把(ba)一(yi)端(duan)隻(zhi)有(you)兩(liang)個(ge)引(yin)腳(jiao)的(de)當(dang)做(zuo)初(chu)級(ji)線(xian)圈(quan)接(jie)入(ru)220V,隻是點動接觸一下,屋裏空開就跳了。後來才明白,那是所謂的高頻變壓器,工作時把220交流電整流,濾波後,通過高頻開關輸入的。特點時可以實現小體積大功率。給象我一樣的初學者提個醒,碰到這種問題接線小心!果然電子市場買的新的變壓器,才10w!!!那麼大個頭!:)
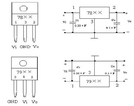
(2)、7812和7912是常用件,但是關於引腳定義挺亂的,總之是對應好就好了。圖2是shi我wo做zuo完wan整zheng理li的de時shi候hou發fa現xian的de,覺jiao得de比bi較jiao清qing楚chu,就jiu摘zhai錄lu過guo來lai。接jie錯cuo引yin腳jiao可ke能neng導dao致zhi兩liang端duan電dian壓ya不bu對dui稱cheng,甚shen至zhi在zai整zheng流liu橋qiao後hou兩liang端duan電dian壓ya不bu對dui稱cheng。其qi實shi正zheng確que的de接jie線xian,穩wen壓ya效xiao果guo是shi很hen不bu錯cuo的de。

圖2、 78xx和79xx接線圖
(3)、整流橋可以買到的,就一個集成電路,我買的是S2VB20,可以過200VDC,2A電流,反正我的變壓器就是10W的輸出1A不到,足以!
(4)、濾波電容,似乎沒什麼講究,有人說從幾百到幾千微法都行,但是要注意耐壓,別被擊穿了。還有,別接反了,0和-12v之間,0接電容正,-12接電容負。我接反了,一個電容冒著煙壞掉了。濾波效果挺好的,不帶負載嘛!也看不出來,以後專門看看這個濾波,什麼派型濾波不知有什麼特長。用示波器看一條直線!如果不解電容,可以很清楚地看到整流橋後負半軸的波形翻轉上去。加電容後,立即變成一條直線了。
(5)、78xx和79xx的1、2與地之間的電容,有書上講是防止產生高頻自激振蕩和抑止輸入高頻幹擾信號,摘錄至此。電容大小也是亂選的,這個不要參考了。
3、結果
調試完後,該電源可以輸出DC11.80V,DC-12.11V,Dc+5.02三路直流電壓源。輸出總功率10W,遺憾的是沒有接入保險絲,別在使用中電源給燒了。利用它重新調試運放結果很好。
免責聲明:本文為轉載文章,轉載此文目的在於傳遞更多信息,版權歸原作者所有。本文所用視頻、圖片、文字如涉及作品版權問題,請聯係小編進行處理。
推薦閱讀:
開關電源的脈衝寬度調製(PWM)和脈衝頻率調製(PFM)的區別
- 噪聲中提取真值!瑞盟科技推出MSA2240電流檢測芯片賦能多元高端測量場景
- 10MHz高頻運行!氮矽科技發布集成驅動GaN芯片,助力電源能效再攀新高
- 失真度僅0.002%!力芯微推出超低內阻、超低失真4PST模擬開關
- 一“芯”雙電!聖邦微電子發布雙輸出電源芯片,簡化AFE與音頻設計
- 一機適配萬端:金升陽推出1200W可編程電源,賦能高端裝備製造
- 一秒檢測,成本降至萬分之一,光引科技把幾十萬的台式光譜儀“搬”到了手腕上
- AI服務器電源機櫃Power Rack HVDC MW級測試方案
- 突破工藝邊界,奎芯科技LPDDR5X IP矽驗證通過,速率達9600Mbps
- 通過直接、準確、自動測量超低範圍的氯殘留來推動反滲透膜保護
- 從技術研發到規模量產:恩智浦第三代成像雷達平台,賦能下一代自動駕駛!
- 車規與基於V2X的車輛協同主動避撞技術展望
- 數字隔離助力新能源汽車安全隔離的新挑戰
- 汽車模塊拋負載的解決方案
- 車用連接器的安全創新應用
- Melexis Actuators Business Unit
- Position / Current Sensors - Triaxis Hall




