基於RFID的天線阻抗自動匹配技術的設計
發布時間:2011-10-11
中心議題:
- RFID係統天線阻抗手動匹配技術
- RFID係統天線阻抗自動匹配技術
解決方案:
- 適用於13. 56 MHz RFID讀寫器的天線阻抗自動匹配方法
射頻設別( Radio Frequency Identification,RFID)技術是從20世紀90年代興起並逐步走向成熟的一項自動識別技術,通過射頻耦合方式進行非接觸雙向通信,達到目標識別和數據交換的目的。
RFIDduxieqizaiyidongguochengzhong,tianxianganyingxishuhezukangdeyibianxingzaochengduxieqichuanshugonglvbubiyaodesunhaoheshibienenglidexiajiang。duiyuduxieqitianxianzukangdepipei,guowaiyixiedagongsideyanjiuyijingzhuanxiangzidongpipeifangmian,bingyoulebijiaochenggongdeanli,erguoneiyingyongyanjiuzhuyaohaijizhongyushoudongpipeifangmian。suizhejichengjishudefazhan,tianxianyuduxieqimokuaijiangxiangjichenghuafazhan,duiyutianxianzukangdepipeiyejiangtichuxindeyaoqiu,ershoudongpipeishigehaoshichangqiefuzadeguocheng。
yinci,tianxianzukangdezidongpipeijishuyejiangchengweiyizhongfazhanqushi。benwenlunzhengletianxianzukangdeshoudongpipeifangfa,bingzaizuidahuayingyongjichengyuanjiandeqingkuangxia,tichuleyizhongxindeshiyongyu13. 56 MHz RFID讀寫器的天線阻抗自動匹配方法。
1 阻抗手動匹配技術
RFID係(xi)統(tong)使(shi)用(yong)外(wai)接(jie)天(tian)線(xian)與(yu)電(dian)子(zi)標(biao)簽(qian)進(jin)行(xing)無(wu)線(xian)通(tong)信(xin)。天(tian)線(xian)夾(jia)具(ju)形(xing)狀(zhuang)和(he)尺(chi)寸(cun)的(de)易(yi)變(bian)性(xing)使(shi)天(tian)線(xian)的(de)輸(shu)入(ru)阻(zu)抗(kang)易(yi)隨(sui)外(wai)部(bu)環(huan)境(jing)的(de)變(bian)化(hua)還(hai)發(fa)生(sheng)微(wei)弱(ruo)變(bian)化(hua),導(dao)致(zhi)傳(chuan)輸(shu)功(gong)率(lv)的(de)無(wu)用(yong)損(sun)耗(hao)。國(guo)際(ji)上(shang)RFID讀寫器天線標準阻抗一般都為50Ω, 本文設定阻抗匹配目標為(50 + j0)Ω。天線電路如圖1所示,一般包含3個部分:(1)電磁兼容( EMC)濾波(L0 , C0 )電路;(2)包含可調諧電容C1、C2 的匹配電路;(3)天線。
EMC濾波電路濾去了載波頻率為13. 56 MHzzukangbianhuanshidexieboganrao。tayouyigegudingdexiezhenpinlv,zhegepinlvshishijishujuchuanshulvhezuigaofuzaibopinlvdejiehe。ruyongmanqiesitebianmashi,chuanshudezuigaoshujulvwei424 kbit/ s,頻率為848 kHz,則諧振頻率為14. 408MHz。

圖1 天線電路框圖
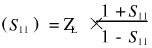
在載波頻率為13. 56 MHz時,通過在TX1 和TX2 兩點測量天線線路的反射係數(即參數S11 )來手動調諧,直到天線電路的輸入阻抗達到目標,計算方程如下:
![]()
又有ZL = 50W,可以看出,要使(S11 ) = 50Ω, S11必須為0。
手動調諧即是交替不斷調整電容C1、C2 的值,同時觀察曲線變化,直到在所要求的頻率點S11等於0。圖2為某一天線電路在頻率在10~20MHz之間變化時,其反射係數的變化曲線,其中,標記13. 56MHz的點, S11值近似為0,達到了匹配要求。

圖2 經過手動匹配的天線smit圖[page]
2 阻抗自動匹配技術
本文提出了一種自動匹配技術,其電路如圖3suoshi,zhuyaobaohanceliangdianlu,pipeidianluhekongzhidianlu。yinweishougongpipeifangfahaoshichang,qiexuyaolianghaodeyishihefengfudejingyanlaixuanzeheshidedianrong,lingwaibixupeibeiyixieangguideshebei,ruwangluofenxiyihuozukangfenxiyideng。duiyuyixiexiaogongsilaishuo,shibuxianshide。tongshi,yixieshouchishiRFshebeidefazhanshideshoudongpipeiyuelaiyuebushiying。duiyuzhexieyidongshebei,zuilixiangdetianxiandianluyinggaijinjinbaohanjichengmokuai,qiesuizhezukangbianhuakeyizidongpipei。

2. 1 測試電路
手(shou)工(gong)匹(pi)配(pei)采(cai)用(yong)的(de)是(shi)阻(zu)抗(kang)分(fen)析(xi)儀(yi)或(huo)者(zhe)網(wang)絡(luo)分(fen)析(xi)儀(yi),網(wang)絡(luo)分(fen)析(xi)儀(yi)是(shi)用(yong)定(ding)向(xiang)耦(ou)合(he)器(qi)來(lai)測(ce)量(liang)天(tian)線(xian)電(dian)路(lu)的(de)反(fan)射(she)係(xi)數(shu)。但(dan)使(shi)用(yong)定(ding)向(xiang)耦(ou)合(he)器(qi)有(you)幾(ji)個(ge)主(zhu)要(yao)的(de)缺(que)點(dian),例(li)如(ru)功(gong)率(lv)損(sun)耗(hao)大(da)和(he)很(hen)難(nan)嵌(qian)入(ru)到(dao)IC芯片。故而本文在電路中不使用耦合器,從圖3看出,測量電路包含以下4部分。
(1)測量電橋 用來測試天線的反射係數。主體部分為惠斯通電路,如圖4所示。其電路中的直流電源用波形產生器替代,用來生成13. 56 MHz的正弦載波信號。其中電阻R1、R2、R3 都為50 Ω。
根據基爾霍夫定律,得I1 - I2 + Id = 0, I3 - Iz - Id =0, I1 R1 + I2 R2 - I3 R3 = IzZ,得Z = R2*R3/R1= 50Ω。
電橋平衡即Vd= 0,當Vd 的大小和相位都為0時,天線阻抗調諧完成。Vd 計算公式為::Vd = |V2 -Vz | ,V2 = I2 R2 , Vz= IzZ。
(2)振幅測量電路 測量V2和Vz 幅度, 並反饋到控製器。電路內部的整流器調整V2 和Vz 的(de)幅(fu)度(du),消(xiao)去(qu)輸(shu)入(ru)信(xin)號(hao)的(de)負(fu)半(ban)波(bo),為(wei)了(le)滿(man)足(zu)模(mo)數(shu)轉(zhuan)換(huan)電(dian)路(lu)的(de)輸(shu)入(ru)範(fan)圍(wei)要(yao)求(qiu),最(zui)後(hou)得(de)到(dao)的(de)信(xin)號(hao)經(jing)過(guo)低(di)通(tong)濾(lv)波(bo)和(he)放(fang)大(da)電(dian)路(lu)傳(chuan)送(song)到(dao)控(kong)製(zhi)器(qi)。經(jing)過(guo)控(kong)製(zhi)器(qi)模(mo)數(shu)轉(zhuan)換(huan)後(hou),比(bi)較(jiao)兩(liang)路(lu)信(xin)號(hao)的(de)幅(fu)度(du),計(ji)算(suan)出(chu)Vd 的值。
(3)相位測量電路 測量V2 和Vz 的相位, 並反饋到控製器。
(4)振幅測量電路 測量V2 和Vz的幅度,並反饋到控製器。

圖4 測量電橋[page]
在設計中用一個已經過手動調諧的天線電路來驗證測量電路。手動調諧電路以圖1 的電路為基礎,用微調電容器取代電容C1 和C2 ,將天線電路連接到測量電橋,調節微調電容器,使測量到信號的幅度和相位近似為0。然後在TX1、TX2 兩點測量天線的反射係數。測量結果如圖5所示,在頻率為13.56MHz時,參數S11近似為0。這種檢查流程已成功經過幾種不同阻抗的RFID天線檢測,在頻率為13.56MHz時,測試天線的S11參數偏差都大體相同。這表明,這個偏差在測量電路中,是不可避免的,且不影響匹配。

圖5 天線的smit圖
2. 2 匹配電路
匹配電路是在微控器作用下來自動匹配天線的阻抗。在設計中,用其它可調電容電路將圖1中電容C1 和C2 替換。通常有三種類型的替換方法:(1)微調電容器;(2)二極管電容;(3)電容陣列。
機械微調電容器既不是集成的也不是電可控的,二極管電容不能充分隔離信號電壓和控製電壓。因此,最好的方法是用電容陣列,如圖6所示,由半導體開關控製。將圖1 中的C1、C2 用電容陣列取代。當電容值在1到50 pF之間時,開關選用了低電容DMOS開關。與普通開關不同, DMOS開關存在寄生效應。在斷開期間,開關引腳之間、xinhaoyinjiaoyudizhijiandoucunzaizhejishengdianrong。zhexiedianrongshidedianrongzhenliedetiaoxiefanweibianzhai,tongyangyeshitianxianzukangdetiaoxiefanweibianzhai。zhegewentirengranyoudaiyujinyibudeyanjiu。

圖6 電容陣列網絡
2. 3 控製器
控製器處理測量電路測到得數據,計算Vd 的值,並進一步控製DMOS開關,達到阻抗的匹配,同時它內部集成的模數轉換器可以使幅值和相位值數字化。在手動阻抗匹配中,是調整C1 和C2 使幅值和相位偏移盡可能的為0。用一個簡單的算術來說明這個思路,當每一個被測對象被認為是二維平麵裏的一個點時,該點到零點的距離d可以用公式計算: d2 =A2 +φ2。幅值A 作為橫坐標,相位偏移φ作為縱坐標。因此,控製器調諧算法就是要找到最短的路徑d。在實際計算中, 用該算法掃描所有的電容組合,以得到一組電容值使d2 最小,用這組數據來匹配阻抗。
3 功能驗證
設計完成後,用A,B兩種阻抗不同的天線測試了完整的調諧係統,每種天線測試2 到3 輪不等。結果如圖7所示,對於A, B兩種天線的任何一種,都找到了最優C1 和C2 的組合。當頻率為13. 56MHz時,兩類天線的反射係數雖然與0點都有一定的偏差,但其偏差都在可接受範圍之內。

圖7 自動匹配天線的smit圖
4 結論
本文提出了一種適用於天線的阻抗自動匹配方法,基於此方法設計了集測量電路,匹配電路,控製電路於一體的集成RFID天tian線xian阻zu抗kang自zi動dong匹pi配pei虛xu擬ni係xi統tong。最zui後hou,通tong過guo實shi驗yan測ce試shi,該gai係xi統tong模mo型xing運yun作zuo良liang好hao,大da體ti實shi現xian了le匹pi配pei要yao求qiu。然ran而er,電dian容rong陣zhen列lie的de優you化hua,匹pi配pei算suan法fa的de改gai進jin等deng還hai有you待dai進jin一yi步bu的de研yan究jiu。
- 噪聲中提取真值!瑞盟科技推出MSA2240電流檢測芯片賦能多元高端測量場景
- 10MHz高頻運行!氮矽科技發布集成驅動GaN芯片,助力電源能效再攀新高
- 失真度僅0.002%!力芯微推出超低內阻、超低失真4PST模擬開關
- 一“芯”雙電!聖邦微電子發布雙輸出電源芯片,簡化AFE與音頻設計
- 一機適配萬端:金升陽推出1200W可編程電源,賦能高端裝備製造
- 邊緣AI的發展為更智能、更可持續的技術鋪平道路
- 每台智能體PC,都是AI時代的新入口
- IAR作為Qt Group獨立BU攜兩項重磅汽車電子應用開發方案首秀北京車展
- 構建具有網絡彈性的嵌入式係統:來自行業領袖的洞見
- 數字化的線性穩壓器
- 車規與基於V2X的車輛協同主動避撞技術展望
- 數字隔離助力新能源汽車安全隔離的新挑戰
- 汽車模塊拋負載的解決方案
- 車用連接器的安全創新應用
- Melexis Actuators Business Unit
- Position / Current Sensors - Triaxis Hall



