深度解析ZigBee無線終端溫度測試係統電路
發布時間:2015-01-12 責任編輯:echolady
【導讀】生活水平不斷提高,視頻的安全衛生問題逐漸得到重視。很多農產品和易腐視頻都會冷藏、冷凍起來,這就要求對冷庫溫度進行實時監測,以保證貯藏品的質量。本文介紹的就是ZigBee無線終端溫度測試係統。
係統硬件電路設計
單個冷庫溫度無線監測係統的下位機主要是由單片機與溫度傳感器、無線射頻收發器、鍵盤電路、顯示電路、時鍾電路等構成,上位機由單片機與無線射頻收發器構成。下麵將主要介紹上述幾個模塊的電路設計。上位機與下位機的單片機AT89C51的最小係統均如圖所示,圖中外接晶體以及電容C2、C3構成並聯諧振電路,它們起穩定振蕩頻率、快速起振的作用,其值均為30PF左右,晶振頻率選6MHZ。外接複位信號采用的是上電複位和手動複位的結合。

圖1:單片機最小係統

圖2:DS18B20與下位機單片機接口電路圖
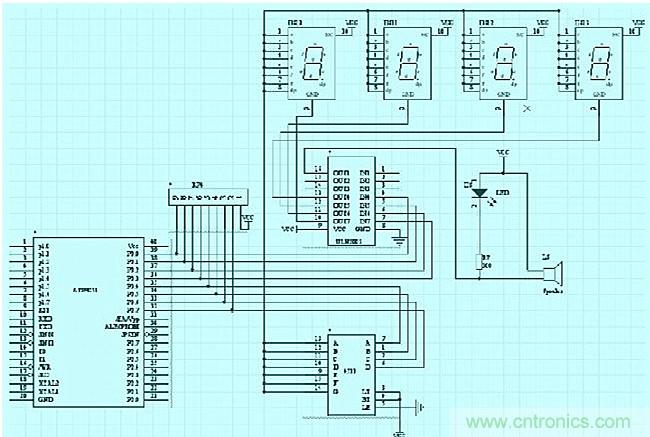
XBee Pro模塊自帶軟件包,可以直接實現點對點的無線通訊,但需要提前將XBee Pro模塊進行匹配,才能實現數據的無線通訊功能。因為單片機管腳電壓為5V,而XBee Pro模塊的管腳電壓為3.3V,故若將兩模塊連接需使用光電隔離。其中上位機與下位機分別都有XBee Pro模塊與單片機的連接,設計采用的是獨立式鍵盤,以查詢方式工作。直接用I/O口線構成單個按鍵電路,每個按鍵占用一條I/O口線,每個按鍵的工作狀態相互不會產生影響,其接口電路如圖。

圖3:模塊與單片機硬件電路圖

圖4:獨立鍵盤電路圖

圖5:顯示電路
DSl337是一種超小型的串行實時時鍾芯片,除了具有其他時鍾芯片所具有的記錄秒、分、時、星期、日、月、年,鬧鍾,可編程方波輸出外,最大的特點是體積小,連線少,性能良好。下位機單片機AT89C51與串行時鍾DS1337的硬件連接。

圖6:下位機單片機連接圖

圖7:電平轉換電路
相關閱讀:
智能家居市場ZigBee/WiFi/藍牙三足鼎立,誰能稱霸?
論智能家庭的物聯網連接—ZigBee技術
十問十答,通透了解ZigBee技術
特別推薦
- 噪聲中提取真值!瑞盟科技推出MSA2240電流檢測芯片賦能多元高端測量場景
- 10MHz高頻運行!氮矽科技發布集成驅動GaN芯片,助力電源能效再攀新高
- 失真度僅0.002%!力芯微推出超低內阻、超低失真4PST模擬開關
- 一“芯”雙電!聖邦微電子發布雙輸出電源芯片,簡化AFE與音頻設計
- 一機適配萬端:金升陽推出1200W可編程電源,賦能高端裝備製造
技術文章更多>>
- 一秒檢測,成本降至萬分之一,光引科技把幾十萬的台式光譜儀“搬”到了手腕上
- AI服務器電源機櫃Power Rack HVDC MW級測試方案
- 突破工藝邊界,奎芯科技LPDDR5X IP矽驗證通過,速率達9600Mbps
- 通過直接、準確、自動測量超低範圍的氯殘留來推動反滲透膜保護
- 從技術研發到規模量產:恩智浦第三代成像雷達平台,賦能下一代自動駕駛!
技術白皮書下載更多>>
- 車規與基於V2X的車輛協同主動避撞技術展望
- 數字隔離助力新能源汽車安全隔離的新挑戰
- 汽車模塊拋負載的解決方案
- 車用連接器的安全創新應用
- Melexis Actuators Business Unit
- Position / Current Sensors - Triaxis Hall
熱門搜索
按鈕開關
白色家電
保護器件
保險絲管
北鬥定位
北高智
貝能科技
背板連接器
背光器件
編碼器型號
便攜產品
便攜醫療
變容二極管
變壓器
檳城電子
並網
撥動開關
玻璃釉電容
剝線機
薄膜電容
薄膜電阻
薄膜開關
捕魚器
步進電機
測力傳感器
測試測量
測試設備
拆解
場效應管
超霸科技




