驅動高壓鎖相環頻率合成器電路的VCO
發布時間:2020-08-07 來源:Thomas Brand 責任編輯:wenwei
【導讀】鎖相環(PLL)電路是由壓控振蕩器(VCO)和(he)鑒(jian)相(xiang)器(qi)組(zu)成(cheng)的(de)反(fan)饋(kui)係(xi)統(tong),振(zhen)蕩(dang)器(qi)信(xin)號(hao)跟(gen)蹤(zong)施(shi)加(jia)的(de)頻(pin)率(lv)或(huo)相(xiang)位(wei)調(tiao)製(zhi)信(xin)號(hao)是(shi)否(fou)具(ju)有(you)正(zheng)確(que)的(de)頻(pin)率(lv)和(he)相(xiang)位(wei)。需(xu)要(yao)從(cong)固(gu)定(ding)低(di)頻(pin)率(lv)信(xin)號(hao)生(sheng)成(cheng)穩(wen)定(ding)的(de)高(gao)輸(shu)出(chu)頻(pin)率(lv)時(shi),或(huo)者(zhe)需(xu)要(yao)頻(pin)率(lv)快(kuai)速(su)變(bian)化(hua)時(shi),都(dou)可(ke)以(yi)使(shi)用(yong)PLL。典型應用包括采用高頻率、電信和測量技術實現濾波、調製和解調,以及實現頻率合成。
圖1所示為基於PLL的頻率合成器框圖。VCO生成輸出信號。通過PLL將jiang其qi保bao持chi在zai設she定ding頻pin率lv,並bing鎖suo定ding到dao基ji準zhun頻pin率lv。基ji準zhun頻pin率lv通tong常chang由you非fei常chang精jing準zhun的de石shi英ying振zhen蕩dang器qi提ti供gong。在zai鎖suo相xiang環huan電dian路lu的de反fan饋kui路lu徑jing部bu分fen,在zai鑒jian相xiang器qi前qian通tong過guo分fen頻pin器qi提ti供gong可ke調tiao的deVCO分頻比。

圖1. 鎖相環框圖。
VCO包含可調的調諧元件,例如電容隨輸入電壓改變的變容二極管。因此,PLL電路可以算一種VCO反饋控製係統。VCO所需的輸入或控製電壓通常高於提給PLL電路的電源電壓。電源電壓一般為3.3 V或5 V,而VCO根據頻率需求可能需要高於20 V的電壓。要生成範圍更廣泛的頻率,可以使用具備更廣泛調諧範圍的VCO。圖2顯示了支持千兆赫範圍VCO的簡單電路示例。

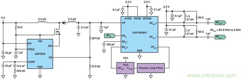
圖2. 用於ADF4150HV的高壓電荷泵電源簡化電路。
AVCO可以使用Synergy Microwave Corporation的DCYS100200-12。該產品在 28 V (VTUNE)時產生2 GHz頻率,如圖3所示。

圖3. DCYS100200-12的控製電壓與頻率關係曲線。1
生成高控製電壓,有幾種可行方案。其一是使用有源環路濾波器,該濾波器基本是由高速放大器和低通濾波器構成,可以將來自鑒相器(CPOUT)的輸出脈衝轉化為幹淨的直流電壓。或者,可以使用帶集成電荷泵的PLL頻率合成器,例如ADI的 ADF4150HV該器件不需要額外的有源環路濾波器。雖然這兩種解決方案都需要高壓電源,但是使用ADF4150HV可以減少所需的組件數量。 也可以避免有源濾波放大器導致的失真和相位噪聲。此外,ADF4150HV允許實現小數N或整數N鎖相環頻率合成器。最終VCO的頻率可以進行1、2、4、8或16分頻,使得輸出頻率最低可達到31.25 MHz。
ADF4150HV的集成電荷泵所需的高電壓可以使用直流-直流升壓轉 換器ADP1613生成,且不降低PLL性能。 ADP1613是一款集成功率晶體管的高效開關穩壓器,可以輕鬆實現最高20V的輸出電壓。也可以使用額外的外部組件實現更高的輸出電壓,尤其是通過外部功率晶體管實現。ADP1613的開關頻率可在650 kHz至1.3 MHz範圍內調節。這樣可以實現更出色的瞬態響應和簡單的噪聲過濾。 一般而言,推薦選擇高於1 MHz的開關頻率,以便通過PLL環路濾波器降低開關噪聲。
采用ADF4150HV的鎖相環頻率合成器電路通過使用集成的RF分頻器,提供超寬帶PLL功能。工作頻率範圍為62.5 MHz至2 Ghz。通過采用相同的PLL硬件設計,可以為係統中的多個不同的硬件平台 生成不同的頻率。但是,如果要求一項設計適用於不同的VCO類lei型xing,則ze需xu要yao在zai設she計ji中zhong集ji成cheng相xiang應ying的de環huan路lu濾lv波bo器qi。這zhe樣yang才cai能neng確que保bao鎖suo相xiang環huan可ke靠kao運yun行xing。為wei了le實shi現xian相xiang對dui較jiao寬kuan的de輸shu出chu頻pin率lv調tiao節jie範fan圍wei,以yi及ji相xiang關guan的de更geng高gao輸shu出chu功gong率lv,ADF4150HV的每個RF輸出也需要采用小型濾波器。將27 nH電感和50 Ω電阻並聯,可以有效調節高達3 GHz的頻率。該電阻提供定義上的輸出阻抗較低的電感將導致頻段擴展到較低的範圍。
如今,也可提供適用於更大頻率範圍(即適用於PLL、濾波器和VCO)的de一yi體ti化hua集ji成cheng解jie決jue方fang案an,但dan是shi,由you於yu不bu同tong組zu件jian之zhi間jian的de距ju離li過guo近jin,可ke能neng導dao致zhi無wu用yong耦ou合he。分fen立li式shi設she計ji和he由you此ci實shi現xian的de物wu理li分fen隔ge可ke以yi充chong分fen降jiang低di這zhe種zhong風feng險xian。
PLL頻率合成器模擬工具ADIsimPLL™ 也可以為HF功能模塊開發和HF信號鏈器件建模提供有效幫助。通過使用該工具,設計人員更容易模擬所有會影響PLL性能的重要非線性效應;例如,頻率合成過程中出現的無用雜散(雜散頻率)。
參考電路
1 "壓控振蕩器表麵貼裝型號:DCYS100200-12。" Synergy Microwave Corporation,2014年10月。
"電路筆記CN-0228:單電源為28 V、高壓鎖相環(PLL)頻率合成器 供電。" ADI公司,2014年6月。
推薦閱讀:
特別推薦
- 噪聲中提取真值!瑞盟科技推出MSA2240電流檢測芯片賦能多元高端測量場景
- 10MHz高頻運行!氮矽科技發布集成驅動GaN芯片,助力電源能效再攀新高
- 失真度僅0.002%!力芯微推出超低內阻、超低失真4PST模擬開關
- 一“芯”雙電!聖邦微電子發布雙輸出電源芯片,簡化AFE與音頻設計
- 一機適配萬端:金升陽推出1200W可編程電源,賦能高端裝備製造
技術文章更多>>
- 從機械執行到智能互動:移遠Q-Robotbox助力具身智能加速落地
- 品英Pickering將亮相2026航空電子國際論壇,展示航電與電池測試前沿方案
- 模擬芯片設計師的噩夢:晶體管差1毫伏就廢了,溫度升1度特性全飄
- 3A大電流僅需3x1.6mm?意法半導體DCP3603重新定義電源設計
- 芯科科技Tech Talks與藍牙亞洲大會聯動,線上線下賦能物聯網創新
技術白皮書下載更多>>
- 車規與基於V2X的車輛協同主動避撞技術展望
- 數字隔離助力新能源汽車安全隔離的新挑戰
- 汽車模塊拋負載的解決方案
- 車用連接器的安全創新應用
- Melexis Actuators Business Unit
- Position / Current Sensors - Triaxis Hall
熱門搜索




