MCU 中的內部振蕩器調整
發布時間:2023-11-20 責任編輯:lina
【導讀】由於其缺點,MCU 中的內部振蕩器配備了微調其頻率的機製,與樂器不同。這通常是通過微型電容替換盒調整振蕩器 RC 電路中的電容來完成的。
由於其缺點,MCU 中的內部振蕩器配備了微調其頻率的機製,與樂器不同。這通常是通過微型電容替換盒調整振蕩器 RC 電路中的電容來完成的。
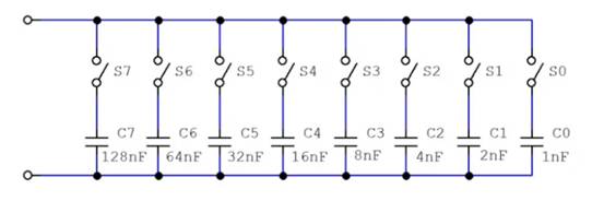
電容替換盒包含一係列開關和電容器,可產生一定精度範圍內的任何電容。例如,考慮以下電容器網絡,它可以並聯組合以產生 0nF 到 255nF 的任何整數電容。
這些開關有條件地包含 2 次冪的電容器。例如,僅閉合右側的三個開關會產生 7nF。是的,它是二進製的!
現在,由於 RC 振zhen蕩dang器qi通tong過guo對dui電dian容rong器qi充chong電dian和he放fang電dian來lai工gong作zuo,因yin此ci這zhe些xie開kai關guan需xu要yao是shi模mo擬ni的de。因yin此ci,這zhe些xie微wei型xing電dian容rong替ti代dai盒he使shi用yong一yi種zhong特te殊shu類lei型xing的de開kai關guan,稱cheng為wei傳chuan輸shu門men 或模擬開關。這些很像繼電器的半導體替代品;它們控製數字信號並切換模擬信號。有許多商用傳輸門 IC,例如 CD4016、CD4066 和 CD4053。
從程序員的角度來看,內部振蕩器的頻率調整歸結為修改內存映射寄存器的值。該寄存器中的位控製電容替換模塊中的開關。
內部時鍾源調整寄存器,在 s08 係列中廣泛使用。圖片來自恩智浦。
對於 S08 係列的某些成員,該寄存器稱為 ICSTRM(內部時鍾源調整)。這是一個8位寄存器,二進製複位值為10000000。這8位控製一個電容替換模塊,進而影響振蕩器的周期 :該寄存器的值越大,電容和周期越高。當然,這對頻率有相反的影響。
簡單的校準程序
以下是您可以在 MCU 上執行的一個不錯的調整過程:
運行生成 1kHz 方波的應用程序。
迭代直到無法改進:
測量生成信號的周期。
將 Trim 寄存器修改為 1ms。
重新編譯並運行。
迭代的原因是,由於微調模塊中電容器值的不確定性(例如一組高度略有不同的樓梯),您對微調寄存器估計的更改將因某些未知因素而偏離。迭代可以解決這種不規則性。
自動化此過程
您可能希望為您的應用程序自動執行此過程,以便您的程序在加電時校準振蕩器,作為啟動序列的一部分。
為此,您需要一個可靠的時鍾參考來與 MCU 生成的固定頻率信號進行比較。盡管這看起來毫無意義,因為外部時鍾信號是您首先要避免的,但該外部信號不必滿足您的時鍾要求;它必須準確且穩定。
自動微調過程的另一個重要細節是算法:上述過程適用於擁有示波器和出色計算器的工程師。然而,許多校準函數使用逐次逼近方法。這與逐次逼近型ADC使用的算法相同,其本質是二分搜索算法。毫不奇怪,對於 N 位調整寄存器來說,這需要 N 次迭代。
要了解 ADC 中的逐次逼近,您可能需要閱讀Elliott Smith 撰寫的文章《了解逐次逼近寄存器 ADC》 。
設備程序員
除了對 ROM 存cun儲chu器qi和he微wei控kong製zhi器qi進jin行xing編bian程cheng之zhi外wai,還hai有you一yi些xie設she備bei編bian程cheng器qi還hai提ti供gong有you用yong的de附fu加jia功gong能neng。有you些xie甚shen至zhi在zai您nin的de微wei控kong製zhi器qi上shang執zhi行xing此ci微wei調tiao程cheng序xu,以yi便bian您nin方fang便bian地di對dui一yi批pi設she備bei進jin行xing編bian程cheng,微wei調tiao每mei個ge單dan元yuan上shang的de內nei部bu振zhen蕩dang器qi。
一些設備編程器能夠校準其目標微控製器的內部振蕩器。
免責聲明:本文為轉載文章,轉載此文目的在於傳遞更多信息,版權歸原作者所有。本文所用視頻、圖片、文字如涉及作品版權問題,請聯係小編進行處理。
推薦閱讀:
- 噪聲中提取真值!瑞盟科技推出MSA2240電流檢測芯片賦能多元高端測量場景
- 10MHz高頻運行!氮矽科技發布集成驅動GaN芯片,助力電源能效再攀新高
- 失真度僅0.002%!力芯微推出超低內阻、超低失真4PST模擬開關
- 一“芯”雙電!聖邦微電子發布雙輸出電源芯片,簡化AFE與音頻設計
- 一機適配萬端:金升陽推出1200W可編程電源,賦能高端裝備製造
- 從機械執行到智能互動:移遠Q-Robotbox助力具身智能加速落地
- 品英Pickering將亮相2026航空電子國際論壇,展示航電與電池測試前沿方案
- 模擬芯片設計師的噩夢:晶體管差1毫伏就廢了,溫度升1度特性全飄
- 3A大電流僅需3x1.6mm?意法半導體DCP3603重新定義電源設計
- 芯科科技Tech Talks與藍牙亞洲大會聯動,線上線下賦能物聯網創新
- 車規與基於V2X的車輛協同主動避撞技術展望
- 數字隔離助力新能源汽車安全隔離的新挑戰
- 汽車模塊拋負載的解決方案
- 車用連接器的安全創新應用
- Melexis Actuators Business Unit
- Position / Current Sensors - Triaxis Hall




