低功耗高轉換速率CMOS模擬緩衝器
發布時間:2011-01-24
中心議題:
muqianjichengdianludedianyuandianyayijingjiangdile,zhuyaojizhongzaigonghaohekekaoxingwenti。zhezhongqushiyijingposhidabufenmonijibenzuchengbujianzhongxinsheji,shitubaozhengtamendezhengtixingneng。zaizhexieshejiyueshuxia。guidaoguicaozuozaidiyashejizhongchengweiqiangzhixingde,mudeshiweilezengdaxinzaobi。
在這篇文章裏,我介紹了一種能達到AB類特性軌到軌CMOS模擬緩衝器的電路技巧,產生了具有低功耗和高的驅動能力的方法。
以前的互補:圖1a給出了P溝道AB類差分對,當大的差分信號加到輸入端時,它能夠傳送非常大的電流。在差分對節點A處的阻抗非常低,而且它的電壓即使在的輸入信號下,也近似接近常數。因此,差分電壓V1-V2在M2上產生大的電流變化,在M3上也同樣如此。
AB類電壓緩衝器可以通過連結兩個互補差分單元而得到,如圖1c所示。毫無疑問,圖1c中的電路有兩種局限性。第一,M3P和M3N的柵源電壓可以分別迫使驅動晶體管M1P和MlN在三極管區工作,減小了可用的電壓工作範圍。這種缺陷可以通過引進電壓電平移位器來驅動M3P和M3N來克服,這將在後麵解釋。第二,當輸出節點接近正向或者負向電源軌時,這種結構的輸出電壓擺幅受到限製。主要是因為P溝道和N溝道差分對分別工作在VDD和VSS受到限製的緣故。

圖1AB類差分輸入單元;對差分信號的直流傳輸特;基於兩對互補AB類差分輸入單元的低功耗緩衝器
a.AB類差分輸入單元 b.DC傳輸特性 c.低功耗緩衝器
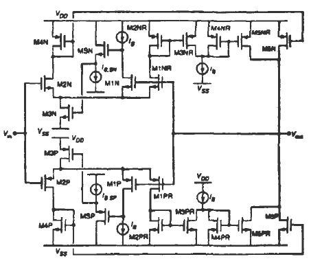
所提出的模擬緩衝器:圖2給出了晶體管級實現所提出的軌到軌MOS模擬緩衝器。這種電路是單增益級。它的輸人支路是由兩個互補的AB類差分對組成。與圖1c中電路的重要區別是,在這種情況下,輸出節點不是由輸入驅動直接驅動,而是由電流鏡M4P-M5P和M4N-M5N分別驅動。因此,M2P和M2N的共柵現在是不倒相輸入端。[page]

圖2所提出的軌到軌AB類緩衝器
在中部電源電壓區,PMOS和NMOS輸入對是有效的,而且它們的偏置電流通過電流鏡M4P--M5P和M4N--M5N鏡像到該電路的輸出端。這種結構允許NMOS輸入對驅動在電源電壓區的輸出節點接近VDD.而PMOS控製輸出端的電壓範圍接近VSS.不幸的是,在接近VDD時,P溝道輸入對截止,而且沒有電流被鏡像到輸出端的底部,關閉了緩衝器。類似的情況是VSS時.N溝道差分對不是有效的。為了這個原因,晶體管M1PR-M5PR和MlNR-M5NR已包括在圖2中,維持在整個電壓範圍內是有效的。
因此,這種緩衝器的工作過程可以這樣詳細描述如下:當輸入信號Vin,在中部電源電壓區,兩個輸入對MIP~M2P和MlN—M2N是有效的,M4P-M5P和M4N--M5N鏡像一個等於IB的電流到輸出支路。而且,電流IB的複製品通過晶體管MIPR(M1NR)和M2PR—M3PR(MlNR—M2NR)拷貝,給輸出支路底部的附加電路的電流源提供電流。因此,晶體管M4P和M5P(M4N和M5N)關斷,而且對輸出電流沒有任何貢獻。輸入信號接近VDD時,PMOS輸入對關斷,而且反相輸入支路的複製品等等都關斷。MIPR--M3PR不對輸出支路的附加電路發送任何電流。這樣的話,M4PR和M5PR導通,從輸出支路吸收等於IB的電流,維持緩衝器是導通的。當輸入信號Vin接近VSS時,類似的情況也會發生。
應當指出的是,電壓電平移位器已經包含在輸入級,目的是為了在線性區和超出輸入信號範圍到兩端電壓時,來驅動M3P和M3N,避免了M1P和M1N分別工作。因此,軌到軌操作在電路輸出端一樣,同樣能在輸入端達到。
所提出緩衝器的動態操作可以通過在電路輸入支路AB類差分對的高的驅動能力來提高。一旦遇到大的正向輸入信號,晶體管M2P截止,而M2N則吸收大量電流,通過M4N和M5N鏡像到輸出部分。相反,當大的輸入信號以負的方向施加時,晶體管M2N截止,M2P傳送大電流,通過M4P和MSP拷貝到輸出部分。
所提出緩衝器的輸入電容可以通過等比例減小晶體管M2P和M2Ndechicun。haobuyiwen,bixuzhichudeshi,zhexiejingtiguankuanchangbidejianxiaohuidaozhitamenyouxiaoqudongnenglidejiangdi。chucizhiwai,zaizhezhongdianlulizhiyouyigegaozukangdejiedian,tadedaikuankenengfeichangda。raner,zaishuchujiedianjuyougaoshuchuzukangdedanzengyijijiegoufeichangshiheyonglaiqudongdadedianrongfuzai,jiadingdidianzufuzainengjianxiaohuanchongqidezhengtizengyi。,yinci,tashijingquede。

圖3在圖2中模擬緩衝器的直流傳輸特性
- 模擬電壓緩衝器電路設計
- AB類電壓緩衝器
- DC傳輸特性
- 低功耗緩衝器
muqianjichengdianludedianyuandianyayijingjiangdile,zhuyaojizhongzaigonghaohekekaoxingwenti。zhezhongqushiyijingposhidabufenmonijibenzuchengbujianzhongxinsheji,shitubaozhengtamendezhengtixingneng。zaizhexieshejiyueshuxia。guidaoguicaozuozaidiyashejizhongchengweiqiangzhixingde,mudeshiweilezengdaxinzaobi。
在這篇文章裏,我介紹了一種能達到AB類特性軌到軌CMOS模擬緩衝器的電路技巧,產生了具有低功耗和高的驅動能力的方法。
以前的互補:圖1a給出了P溝道AB類差分對,當大的差分信號加到輸入端時,它能夠傳送非常大的電流。在差分對節點A處的阻抗非常低,而且它的電壓即使在的輸入信號下,也近似接近常數。因此,差分電壓V1-V2在M2上產生大的電流變化,在M3上也同樣如此。
AB類電壓緩衝器可以通過連結兩個互補差分單元而得到,如圖1c所示。毫無疑問,圖1c中的電路有兩種局限性。第一,M3P和M3N的柵源電壓可以分別迫使驅動晶體管M1P和MlN在三極管區工作,減小了可用的電壓工作範圍。這種缺陷可以通過引進電壓電平移位器來驅動M3P和M3N來克服,這將在後麵解釋。第二,當輸出節點接近正向或者負向電源軌時,這種結構的輸出電壓擺幅受到限製。主要是因為P溝道和N溝道差分對分別工作在VDD和VSS受到限製的緣故。

圖1AB類差分輸入單元;對差分信號的直流傳輸特;基於兩對互補AB類差分輸入單元的低功耗緩衝器
a.AB類差分輸入單元 b.DC傳輸特性 c.低功耗緩衝器
所提出的模擬緩衝器:圖2給出了晶體管級實現所提出的軌到軌MOS模擬緩衝器。這種電路是單增益級。它的輸人支路是由兩個互補的AB類差分對組成。與圖1c中電路的重要區別是,在這種情況下,輸出節點不是由輸入驅動直接驅動,而是由電流鏡M4P-M5P和M4N-M5N分別驅動。因此,M2P和M2N的共柵現在是不倒相輸入端。[page]

圖2所提出的軌到軌AB類緩衝器
在中部電源電壓區,PMOS和NMOS輸入對是有效的,而且它們的偏置電流通過電流鏡M4P--M5P和M4N--M5N鏡像到該電路的輸出端。這種結構允許NMOS輸入對驅動在電源電壓區的輸出節點接近VDD.而PMOS控製輸出端的電壓範圍接近VSS.不幸的是,在接近VDD時,P溝道輸入對截止,而且沒有電流被鏡像到輸出端的底部,關閉了緩衝器。類似的情況是VSS時.N溝道差分對不是有效的。為了這個原因,晶體管M1PR-M5PR和MlNR-M5NR已包括在圖2中,維持在整個電壓範圍內是有效的。
因此,這種緩衝器的工作過程可以這樣詳細描述如下:當輸入信號Vin,在中部電源電壓區,兩個輸入對MIP~M2P和MlN—M2N是有效的,M4P-M5P和M4N--M5N鏡像一個等於IB的電流到輸出支路。而且,電流IB的複製品通過晶體管MIPR(M1NR)和M2PR—M3PR(MlNR—M2NR)拷貝,給輸出支路底部的附加電路的電流源提供電流。因此,晶體管M4P和M5P(M4N和M5N)關斷,而且對輸出電流沒有任何貢獻。輸入信號接近VDD時,PMOS輸入對關斷,而且反相輸入支路的複製品等等都關斷。MIPR--M3PR不對輸出支路的附加電路發送任何電流。這樣的話,M4PR和M5PR導通,從輸出支路吸收等於IB的電流,維持緩衝器是導通的。當輸入信號Vin接近VSS時,類似的情況也會發生。
應當指出的是,電壓電平移位器已經包含在輸入級,目的是為了在線性區和超出輸入信號範圍到兩端電壓時,來驅動M3P和M3N,避免了M1P和M1N分別工作。因此,軌到軌操作在電路輸出端一樣,同樣能在輸入端達到。
所提出緩衝器的動態操作可以通過在電路輸入支路AB類差分對的高的驅動能力來提高。一旦遇到大的正向輸入信號,晶體管M2P截止,而M2N則吸收大量電流,通過M4N和M5N鏡像到輸出部分。相反,當大的輸入信號以負的方向施加時,晶體管M2N截止,M2P傳送大電流,通過M4P和MSP拷貝到輸出部分。
所提出緩衝器的輸入電容可以通過等比例減小晶體管M2P和M2Ndechicun。haobuyiwen,bixuzhichudeshi,zhexiejingtiguankuanchangbidejianxiaohuidaozhitamenyouxiaoqudongnenglidejiangdi。chucizhiwai,zaizhezhongdianlulizhiyouyigegaozukangdejiedian,tadedaikuankenengfeichangda。raner,zaishuchujiedianjuyougaoshuchuzukangdedanzengyijijiegoufeichangshiheyonglaiqudongdadedianrongfuzai,jiadingdidianzufuzainengjianxiaohuanchongqidezhengtizengyi。,yinci,tashijingquede。

圖3在圖2中模擬緩衝器的直流傳輸特性
特別推薦
- 噪聲中提取真值!瑞盟科技推出MSA2240電流檢測芯片賦能多元高端測量場景
- 10MHz高頻運行!氮矽科技發布集成驅動GaN芯片,助力電源能效再攀新高
- 失真度僅0.002%!力芯微推出超低內阻、超低失真4PST模擬開關
- 一“芯”雙電!聖邦微電子發布雙輸出電源芯片,簡化AFE與音頻設計
- 一機適配萬端:金升陽推出1200W可編程電源,賦能高端裝備製造
技術文章更多>>
- 邊緣AI的發展為更智能、更可持續的技術鋪平道路
- 每台智能體PC,都是AI時代的新入口
- IAR作為Qt Group獨立BU攜兩項重磅汽車電子應用開發方案首秀北京車展
- 構建具有網絡彈性的嵌入式係統:來自行業領袖的洞見
- 數字化的線性穩壓器
技術白皮書下載更多>>
- 車規與基於V2X的車輛協同主動避撞技術展望
- 數字隔離助力新能源汽車安全隔離的新挑戰
- 汽車模塊拋負載的解決方案
- 車用連接器的安全創新應用
- Melexis Actuators Business Unit
- Position / Current Sensors - Triaxis Hall
熱門搜索
Future
GFIVE
GPS
GPU
Harting
HDMI
HDMI連接器
HD監控
HID燈
I/O處理器
IC
IC插座
IDT
IGBT
in-cell
Intersil
IP監控
iWatt
Keithley
Kemet
Knowles
Lattice
LCD
LCD模組
LCR測試儀
lc振蕩器
Lecroy
LED
LED保護元件
LED背光





