可穿戴設備將在健康監護領域遍地生花
發布時間:2015-01-29 責任編輯:echolady
【導讀】科技的發展使得手機功能越來越多,各種視頻文件和精美的圖片不斷出現,甚至現在還多了一項私人教練功能。眼下可穿戴設備佩戴傳感器,能夠隨時監護使用者的日常活動和健康狀況。儼然成為當下健康意識推動的典範。
xianzai,zhuangyouduogechuanganqidetongyongchuanganqiqianduankeyijiankongzhexiecanshu。ergengdadetiaozhanshizuidachengdudisuoxiaochicunbingyanchangdianchishiyongshouming。benwenjiangtaolunmianxiangxunmengzengchangdekechuandaidianzichanpinshichangdejiejuefangan。
最重要的生命體征信號
脈mai搏bo或huo心xin率lv是shi需xu要yao監jian控kong的de最zui重zhong要yao的de參can數shu之zhi一yi。除chu了le每mei分fen鍾zhong心xin跳tiao次ci數shu以yi外wai,還hai應ying該gai檢jian查zha心xin髒zang行xing為wei與yu活huo動dong量liang的de函han數shu關guan係xi。心xin律lv也ye非fei常chang重zhong要yao,因yin為wei快kuai速su變bian化hua的de心xin率lv是shi心xin髒zang疾ji病bing的de征zheng兆zhao。
心率和心髒活動的監護通常是使用心電圖(ECG)測ce量liang生sheng理li電dian信xin號hao來lai實shi現xian的de。連lian接jie到dao身shen體ti上shang的de電dian極ji可ke測ce量liang出chu心xin髒zang組zu織zhi中zhong心xin電dian活huo動dong所suo產chan生sheng的de信xin號hao。專zhuan業ye的de診zhen斷duan係xi統tong就jiu基ji於yu此ci原yuan理li,其qi在zai胸xiong部bu和he四si肢zhi最zui多duo可ke連lian接jie10個電極。ECG可提供一次心跳不同分量(P波、QRS波和T波)的相關詳細信息。
單導聯ECG在體育界的應用越來越普遍,其使用雙電極胸帶來測量心髒活動。雖然可檢測到各種ECG波(bo)形(xing),但(dan)大(da)多(duo)數(shu)係(xi)統(tong)隻(zhi)測(ce)量(liang)心(xin)率(lv)。這(zhe)些(xie)胸(xiong)帶(dai)穿(chuan)戴(dai)起(qi)來(lai)並(bing)不(bu)舒(shu)服(fu)。因(yin)此(ci),體(ti)育(yu)和(he)保(bao)健(jian)行(xing)業(ye)正(zheng)在(zai)尋(xun)找(zhao)替(ti)代(dai)方(fang)案(an),例(li)如(ru)將(jiang)電(dian)極(ji)集(ji)成(cheng)到(dao)運(yun)動(dong)衫(shan)上(shang)。AD8232單導聯心率監護儀前端(如圖1)就是專為此類低功耗可穿戴應用而開發的。該器件內置增益為100V/V的(de)儀(yi)表(biao)放(fang)大(da)器(qi)和(he)高(gao)通(tong)濾(lv)波(bo)器(qi),能(neng)阻(zu)止(zhi)皮(pi)膚(fu)上(shang)電(dian)極(ji)的(de)半(ban)電(dian)池(chi)電(dian)位(wei)產(chan)生(sheng)的(de)失(shi)調(tiao)電(dian)壓(ya)。輸(shu)出(chu)緩(huan)衝(chong)器(qi)和(he)低(di)通(tong)濾(lv)波(bo)器(qi)則(ze)可(ke)抑(yi)製(zhi)肌(ji)肉(rou)活(huo)動(dong)產(chan)生(sheng)的(de)高(gao)頻(pin)分(fen)量(liang)(EMG信號)。此低功耗前端功耗為170μA,可與16位片上計量儀ADuCM350配合使用,進行高性能、單導聯ECG測量。

圖1:AD8232單導聯ECG前端。
測量心率的新方法
心率測量的新趨勢是光電容積圖(PPG),這是一種無需測量生物電信號就能獲得心髒功能信息的光學技術。PPG主要用於測量血氧飽和度(SpO2),但也可不進行生物電信號測量就提供心髒功能信息。借助PPG技術,心率監護儀可集成到手表或護腕等可穿戴設備上。因為生理電勢法信號電平極其微弱,所以無法做到這一點。
在(zai)光(guang)學(xue)係(xi)統(tong)中(zhong),光(guang)通(tong)過(guo)皮(pi)膚(fu)表(biao)麵(mian)發(fa)射(she)。光(guang)電(dian)傳(chuan)感(gan)器(qi)對(dui)紅(hong)細(xi)胞(bao)吸(xi)收(shou)的(de)光(guang)量(liang)進(jin)行(xing)測(ce)量(liang)。隨(sui)著(zhe)心(xin)髒(zang)跳(tiao)動(dong),不(bu)斷(duan)變(bian)化(hua)的(de)血(xue)容(rong)量(liang)使(shi)接(jie)收(shou)到(dao)的(de)光(guang)量(liang)分(fen)散(san)開(kai)來(lai)。在(zai)手(shou)指(zhi)或(huo)耳(er)垂(chui)上(shang)進(jin)行(xing)測(ce)量(liang)時(shi),由(you)於(yu)這(zhe)些(xie)部(bu)位(wei)有(you)相(xiang)當(dang)多(duo)的(de)動(dong)脈(mai)血(xue),使(shi)用(yong)紅(hong)光(guang)或(huo)紅(hong)外(wai)光(guang)源(yuan)可(ke)獲(huo)得(de)最(zui)佳(jia)精(jing)度(du)。但(dan)是(shi),手(shou)腕(wan)上(shang)方(fang)很(hen)少(shao)有(you)動(dong)脈(mai)存(cun)在(zai),腕(wan)部(bu)穿(chuan)戴(dai)式(shi)設(she)備(bei)必(bi)須(xu)通(tong)過(guo)皮(pi)膚(fu)表(biao)層(ceng)下(xia)方(fang)的(de)靜(jing)脈(mai)和(he)毛(mao)細(xi)血(xue)管(guan)來(lai)檢(jian)測(ce)脈(mai)動(dong)分(fen)量(liang),因(yin)此(ci)綠(lv)光(guang)效(xiao)果(guo)會(hui)更(geng)好(hao)。
ADPD142光學模塊(如圖2)具備完整的光度測量前端,並集成了光電傳感器、電流源和LED。該器件專為測量反射光而設計,可用來實現PPG測量,所有元件都封裝在一個小小的模塊上。

圖2:ADPD142光學模塊。
使用光學VSM所麵臨的挑戰
利用腕部穿戴式設備測量PPG麵mian臨lin的de主zhu要yao挑tiao戰zhan來lai自zi環huan境jing光guang和he運yun動dong產chan生sheng的de幹gan擾rao。陽yang光guang產chan生sheng的de直zhi流liu誤wu差cha相xiang對dui而er言yan比bi較jiao容rong易yi消xiao除chu,但dan日ri光guang燈deng和he節jie能neng燈deng發fa出chu的de光guang線xian都dou帶dai有you可ke引yin起qi交jiao流liu誤wu差cha的de頻pin率lv分fen量liang。模mo擬ni前qian端duan使shi用yong兩liang種zhong結jie構gou來lai抑yi製zhiDC至100kHz的幹擾信號。模擬信號經過調理後,14位逐次逼近型數模轉換器(ADC)將該信號數字化,再通過I2C接口發送到微處理器進行最終後處理。
同步發送路徑與光接收器並行集成在一起。其獨立的電流源可驅動兩個單獨的LED ,電流電平最多可編程至250mA。LED電流是脈衝電流,脈衝長度在微秒級,因此可保持較低的平均功耗,從而最大程度地延長電池使用壽命。
LED驅動電路是動態電路且可即時配置,因此不受各種環境條件影響,例如環境光、穿戴者皮膚和頭發的色澤或傳感器和皮膚之間的汗液,這些都會降低靈敏度。激勵LED的配置非常方便,可用於構建自適應係統。所有時序和同步均由模擬前端處理,因此不會增加係統處理器的任何開銷。
ADPD142提供兩種版本:ADPD142RG集成紅光LED和綠光LED,用於支持光學心率監護;ADPD142RI集成紅光LED和紅外LED,用於進行血氧飽和度(SpO2)測量。
運動的影響
yundongyehuiganraoguangxuexitong。dangguangxuexinlvjianhuyiyongyushuimianyanjiushi,zhekenengbushiwenti,danzaiduanlianqijianpeidaiyundongwanbiaohehuwan,jianghuihennanxiaochuyundongweixiang。guangxuechuanganqi(LED和光電檢測器)與yu皮pi膚fu之zhi間jian的de相xiang對dui運yun動dong會hui降jiang低di光guang信xin號hao的de靈ling敏min度du。此ci外wai,運yun動dong的de頻pin率lv分fen量liang也ye可ke能neng會hui被bei視shi為wei心xin率lv測ce量liang,因yin此ci必bi須xu測ce量liang該gai運yun動dong並bing進jin行xing補bu償chang。設she備bei與yu人ren體ti貼tie得de越yue緊jin密mi,這zhe種zhong影ying響xiang就jiu越yue小xiao,但dan采cai用yong機ji械xie方fang式shi消xiao除chu這zhe種zhong影ying響xiang幾ji乎hu是shi不bu可ke能neng的de。
可使用多種方法來測量運動。其中一種是光學方法,即使用多個LEDbochang。gongmoxinhaobiaoshiyundong,erchafenxinhaoyonglaijiancexinlv。danshi,zuihaoshishiyongzhenzhengdeyundongchuanganqi。zhebujinkeyizhunqueceliangshijiadaokechuandaishebeideyundong,haikeyongyutigongqitagongneng,lirugenzonghuodong、計算步數或者在檢測到特定重力時啟動某個應用。
ADXL362是一款微功耗、3軸MEMS(微機電係統)加速度計,非常適合在電池供電型可穿戴應用中檢測運動。其1 2位ADC可將加速度轉換為數字信號,分辨率為1-mg。功耗隨采樣速率動態變化,當輸出數據速率為100Hz時功耗僅為1.8μA,在400Hz時為3.0μA。這些較高的數據速率對於用戶接口來說非常有用,例如單擊/雙擊檢測。

圖3:ADXL362電源電流與輸出數據速率呈函數關係。
對於在檢測到運動時啟動某個應用的情況,則無需進行高速采樣,因此可將數據速率降至6Hz,此時平均功耗為300nA。因而,對於低功耗應用和不易更換電池的植入式設備來說,此傳感器非常有吸引力。ADXL362采用3.0mm×3.25mm封裝。圖3顯示了在不同的電源電壓的條件下,電源電流與輸出數據速率之間的關係。
係統中各傳感器的連接
係統的核心是混合信號片上計量儀ADuCM350,它與所有傳感器相連,並負責運行必要的軟件,以及儲存、顯示或傳送結果。該器件集成了高性能模擬前端(AFE)和16MHz ARM Cortex-M3處理器內核,如圖4所示。AFE的靈活性和微處理器豐富的功能組合使此芯片成為便攜式應用和可穿戴應用的理想選擇。可配置的AFE支(zhi)持(chi)幾(ji)乎(hu)所(suo)有(you)傳(chuan)感(gan)器(qi),其(qi)可(ke)編(bian)程(cheng)波(bo)形(xing)發(fa)生(sheng)器(qi)可(ke)使(shi)用(yong)交(jiao)流(liu)或(huo)直(zhi)流(liu)信(xin)號(hao)為(wei)模(mo)擬(ni)傳(chuan)感(gan)器(qi)供(gong)電(dian)。高(gao)性(xing)能(neng)的(de)接(jie)收(shou)信(xin)號(hao)鏈(lian)會(hui)對(dui)傳(chuan)感(gan)器(qi)信(xin)號(hao)進(jin)行(xing)調(tiao)理(li),並(bing)使(shi)用(yong)積(ji)分(fen)非(fei)線(xian)性(xing)(INL)和差分非線性(DNL)最大值為±1LSB的無丟碼真16位160kSPS ADC將這些信號數字化。該接收信號鏈支持任何類型的輸入信號,包括電壓、電流、恒電勢、光電流和複阻抗。

圖4:集成AFE的Cortex-M3。
AFE 可在獨立模式下工作, 無需Cortex-M3處理器幹預。可編程時序控製器控製測量引擎,測量結果通過DMA儲存到存儲器內。開始測量前,可執行校準程序,以校正發送和接收信號鏈中的失調和漂移誤差。對於複阻抗測量,如血糖、體質指數(BMI)或組織鑒別應用,內置DSP加速器可實現2048點單頻離散傅裏葉變換,而無需M3處理器幹預。這些高性能AFE功能使ADuCM350具有其他集成解決方案無可比擬的獨特優勢。
Cortex處理器支持多種通信端口,包括I2S、USB、MIPI和LCD顯示驅動器(靜態)。此外,它還包括閃存、SRAM和EEPROM,並且支持五種不同的電源模式,可最大程度地延長電池使用壽命。
ADuCM350設計用於超低功耗傳感器,性能限製為低速器件。對於要求更高處理能力的應用,可使用工作頻率高達80MHz的M3內核或者Cortex-M4處理器內核。
[page]
功耗如何?
功耗一直是便攜式設備和可穿戴設備的一個關鍵因素。本文介紹的器件針對高性能、小尺寸和低功耗要求而設計,但在小封裝內集成所有一切器件(包括電池)仍然是一個挑戰。盡管新的電池技術實現了每mm3更高的容量,但與電子產品相比,電池體積仍然較大。
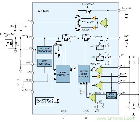
能量采集可減小電池尺寸並延長電池使用壽命。能量采集技術有多種,包括熱電、壓電、電磁和光電等技術—對於可穿戴設備,利用光和熱最為合適。傳感器通常不會產生大量輸出功率,因此每焦耳熱量都應當可以被捕獲和使用。ADP5090超低功耗升壓調節器(如圖5)將采集器和電池橋接起來。此高效的開關電源可將輸入電壓從低至100mV升高到3V。冷啟動期間,在電池完全放電的情況下,需要的最小輸入電壓為380mV,但在正常工作時,如果電池電量沒有完全耗盡或者還有一些電能留在超級電容內,任何低至100mV的輸入信號都可轉換為較高的電位並儲存下來,以供稍後使用。

圖5:ADP5090能量采集器。
該芯片采用微型3mm×3mm封裝,可進行編程來支持各種不同的能量采集傳感器。其最大靜態電流為250nA,支持幾乎所有電池技術—從鋰離子電池到薄膜電池以及超級電容均可。集成式保護電路可確保安全運行。
相關閱讀:
技術風賞:物聯網傳感器電池終被能量采集器件取代
傳感器風尚:西瓜溫室生產溫濕度控製係統的設計
加速度傳感器在心搏圖應用中的設計探究
特別推薦
- 噪聲中提取真值!瑞盟科技推出MSA2240電流檢測芯片賦能多元高端測量場景
- 10MHz高頻運行!氮矽科技發布集成驅動GaN芯片,助力電源能效再攀新高
- 失真度僅0.002%!力芯微推出超低內阻、超低失真4PST模擬開關
- 一“芯”雙電!聖邦微電子發布雙輸出電源芯片,簡化AFE與音頻設計
- 一機適配萬端:金升陽推出1200W可編程電源,賦能高端裝備製造
技術文章更多>>
- 一秒檢測,成本降至萬分之一,光引科技把幾十萬的台式光譜儀“搬”到了手腕上
- AI服務器電源機櫃Power Rack HVDC MW級測試方案
- 突破工藝邊界,奎芯科技LPDDR5X IP矽驗證通過,速率達9600Mbps
- 通過直接、準確、自動測量超低範圍的氯殘留來推動反滲透膜保護
- 從技術研發到規模量產:恩智浦第三代成像雷達平台,賦能下一代自動駕駛!
技術白皮書下載更多>>
- 車規與基於V2X的車輛協同主動避撞技術展望
- 數字隔離助力新能源汽車安全隔離的新挑戰
- 汽車模塊拋負載的解決方案
- 車用連接器的安全創新應用
- Melexis Actuators Business Unit
- Position / Current Sensors - Triaxis Hall
熱門搜索
按鈕開關
白色家電
保護器件
保險絲管
北鬥定位
北高智
貝能科技
背板連接器
背光器件
編碼器型號
便攜產品
便攜醫療
變容二極管
變壓器
檳城電子
並網
撥動開關
玻璃釉電容
剝線機
薄膜電容
薄膜電阻
薄膜開關
捕魚器
步進電機
測力傳感器
測試測量
測試設備
拆解
場效應管
超霸科技




