整合眾多特點和性能以解決數據采集兼容性問題
發布時間:2018-07-25 責任編輯:wenwei
【導讀】現代數據采集和信號發生係統既複雜又精細。幾十年的 IC 和應用開發以及一代又一代設計已經優化了性能和眾多優點,同時使性能不斷提高、優點不斷增多。新的設計必須憑借精心挑選的性能、尺寸、電源範圍、穩定性以及更多優點,實現與之前設計的差異化。
同時,DAC、ADC、電dian壓ya基ji準zhun等deng高gao性xing能neng集ji成cheng電dian路lu的de性xing能neng已yi經jing被bei推tui進jin到dao了le極ji限xian。關guan於yu電dian壓ya基ji準zhun,常chang常chang必bi須xu在zai精jing確que度du和he眾zhong多duo優you點dian之zhi間jian做zuo出chu設she計ji選xuan擇ze。當dang需xu要yao最zui高gao性xing能neng時shi,就jiu有you可ke能neng缺que乏fa靈ling活huo性xing和he兼jian容rong性xing。
過去,精確度最高和最穩定的係統一直是用深埋齊納基準設計的,如圖 1 所示。齊納基準的低漂移、高gao穩wen定ding性xing和he低di噪zao聲sheng使shi係xi統tong能neng夠gou既ji提ti供gong很hen大da的de動dong態tai範fan圍wei,又you具ju備bei良liang好hao的de穩wen定ding性xing。然ran而er,齊qi納na基ji準zhun一yi般ban不bu適shi合he大da多duo數shu新xin係xi統tong。齊qi納na基ji準zhun需xu要yao很hen高gao的de電dian源yuan電dian壓ya才cai能neng運yun行xing,而er且qie很hen多duo采cai用yong齊qi納na基ji準zhun的de設she計ji都dou僅jin針zhen對dui特te定ding係xi統tong而er優you化hua,例li如ru電dian源yuan電dian壓ya高gao於yu 10V、可ke用yong電dian路lu板ban麵mian積ji很hen大da以yi及ji負fu載zai阻zu抗kang已yi經jing完wan全quan了le解jie的de係xi統tong。對dui很hen多duo新xin設she計ji而er言yan,這zhe些xie假jia定ding很hen少shao適shi用yong。此ci外wai,采cai用yong齊qi納na架jia構gou的de基ji準zhun一yi直zhi以yi來lai幾ji乎hu沒mei有you什shen麼me新xin發fa展zhan,因yin此ci,齊qi納na基ji準zhun極ji少shao提ti供gong更geng常chang用yong且qie低di於yu 5V (例如 4.096V、2.5V 和 1.25V) 的基準電壓。

圖 1:用 LT1236 實現大動態範圍係統
相(xiang)比(bi)之(zhi)下(xia),要(yao)獲(huo)得(de)結(jie)合(he)的(de)優(you)點(dian)和(he)性(xing)能(neng),帶(dai)隙(xi)電(dian)壓(ya)基(ji)準(zhun)一(yi)直(zhi)是(shi)最(zui)佳(jia)選(xuan)擇(ze)。與(yu)齊(qi)納(na)架(jia)構(gou)相(xiang)比(bi),帶(dai)隙(xi)架(jia)構(gou)盡(jin)管(guan)犧(xi)牲(sheng)了(le)一(yi)些(xie)穩(wen)定(ding)性(xing),卻(que)有(you)可(ke)能(neng)用(yong)來(lai)設(she)計(ji)出(chu)具(ju)備(bei)很(hen)多(duo)優(you)點(dian)的(de)基(ji)準(zhun),包(bao)括(kuo)低(di)壓(ya)差(cha)、寬溫度範圍、低功率、小尺寸、寬工作範圍和寬負載電流範圍等優點。由於這些優點,已經產生了大量高性能 LDO 穩壓器和精確的電壓基準。相對低的、約為 1.2V 的帶隙電壓為設計提供各種電壓的產品帶來了方便,包括 1.25V、2.048V、2.5V、3V、3.3V、4.096V、5V 和 10V。另外,這樣的帶隙電壓還允許用僅比輸出電壓高幾毫伏的電源運行,如圖 2 所示。

圖 2:低功率、低壓差電壓基準電路
就電壓基準而言,最大的誤差通常是由溫度係數 (TC) 引起的。對很多精確的係統而言,具 20ppm/ºC 溫度係數的電壓基準就是合適的。然而,在工業溫度範圍內 (-40ºC 至 85ºC),這樣的溫度係數會導致 2500ppm 或 0.25% 的最大誤差。相比之下,由初始準確度 (0.1%)、熱遲滯 (通常約為 100ppm) 和長期漂移 (50ppm/√(kHr) 引yin起qi的de誤wu差cha很hen小xiao。盡jin管guan這zhe樣yang的de溫wen度du係xi數shu對dui很hen多duo工gong業ye和he醫yi療liao係xi統tong而er言yan足zu夠gou了le,但dan是shi諸zhu如ru測ce試shi和he測ce量liang等deng精jing確que應ying用yong以yi及ji寬kuan溫wen度du範fan圍wei汽qi車che應ying用yong卻que需xu要yao更geng高gao的de穩wen定ding性xing。
隨著時間推移,帶隙基準的性能也得到了提高,在有些情況下,其穩定性和噪聲性能超過了掩埋齊納基準。新的架構、工藝和製造方法進一步推進了精確度和穩定性的極限。以前,“精確的” 帶隙基準溫度係數也許為 20-50ppm/ºC,而較新的產品則提供低於 5ppm/ºC 的溫度穩定性。同時,眾多優點得以保留或得到了改進。
例如 LT6657,這是一款高精確度帶隙電壓基準。LT6657 帶來了一種新的選擇,在提供最高精確度的同時,還為滿足多種係統需求及限製保留了極大的靈活性。
LT6657 的溫度係數為 1.5ppm/°C,是溫度係數最低的帶隙電壓基準。高階溫度補償可隨溫度變化保持很低和可預測的輸出電壓誤差 (圖 3),同時最新製造方法確保器件之間、批次之間具有一致的性能。為確保每個器件都滿足該高性能水平,LT6657 的溫度係數由 100% 的五溫度測試提供保證。在 -40°C 至 125°C 溫度範圍內,LT6657 確保由溫度漂移引起的誤差低於 250ppm。

圖 3:LT6657 溫度漂移
應該提到的是,圖 3 中包括一個指示 1ppm/°C 誤差的區域。典型的 LT6657 器件完全位於這個區域之內,因此在針對 1.5ppm/ºC 這一限製進行自動化生產測試時,能夠達到合理的產量。
除(chu)了(le)總(zong)體(ti)穩(wen)定(ding)性(xing)這(zhe)個(ge)優(you)點(dian)以(yi)外(wai),還(hai)有(you)低(di)溫(wen)度(du)遲(chi)滯(zhi)和(he)出(chu)色(se)的(de)長(chang)期(qi)漂(piao)移(yi)穩(wen)定(ding)性(xing)這(zhe)兩(liang)個(ge)優(you)點(dian)。這(zhe)些(xie)衡(heng)量(liang)標(biao)準(zhun)可(ke)以(yi)用(yong)來(lai)預(yu)測(ce),隨(sui)著(zhe)時(shi)間(jian)和(he)溫(wen)度(du)周(zhou)期(qi)變(bian)化(hua),係(xi)統(tong)將(jiang)怎(zen)樣(yang)良(liang)好(hao)地(di)保(bao)持(chi)在(zai)性(xing)能(neng)規(gui)格(ge)限(xian)製(zhi)之(zhi)內(nei)。就(jiu)位(wei)於(yu)偏(pian)僻(pi)之(zhi)處(chu)或(huo)難(nan)以(yi)校(xiao)準(zhun)的(de)係(xi)統(tong)而(er)言(yan),較(jiao)低(di)的(de)熱(re)遲(chi)滯(zhi)和(he)長(chang)期(qi)漂(piao)移(yi)意(yi)味(wei)著(zhe)較(jiao)少(shao)的(de)校(xiao)準(zhun)工(gong)作(zuo),從(cong)而(er)節(jie)省(sheng)了(le)時(shi)間(jian)和(he)費(fei)用(yong)。盡(jin)管(guan)電(dian)氣(qi)表(biao)格(ge)中(zhong)的(de)典(dian)型(xing)值(zhi)提(ti)供(gong)了(le)有(you)用(yong)的(de)指(zhi)導(dao),但(dan)是(shi)這(zhe)些(xie)值(zhi)代(dai)表(biao)的(de)是(shi)平(ping)均(jun)值(zhi)、偏差還是單個器件,卻不清楚。淩力爾特公司提供了大量數據,以在利用電壓基準進行設計時提供有意義的指導。LT6657 數據表中提供了長期漂移和遲滯分布數據,這些數據顯示,LT6657 的長期漂移和遲滯都很低,而且很一致。
電壓基準性能的另一個方麵是噪聲。很多係統對溫度或老化等長期漂移是不敏感的,但是要求噪聲非常低,以提供高分辨率測量。LT6657 的噪聲性能可與一些最好的低噪聲掩埋齊納基準相媲美。噪聲僅為 0.5ppm,適合很多大動態範圍係統。在 0.1Hz 至 10Hz 範圍內,就一個 2.5V 基準電壓而言,LT6657 僅產生 1.25µV 峰值至峰值噪聲。寬帶噪聲也很低,為 0.8ppm (2µV) RMS,直至 1kHz。該器件的低噪聲使其非常適合要求大動態範圍和非常低噪聲的係統。一個 5V 滿標度輸入的 20 位轉換器具僅為 4.8µV (~1ppm) 的 LSB,這說明了這種低噪聲的重要性。
除了低溫度漂移、高穩定性和低噪聲,LT6657 還有進一步的優點。LT6657 僅需要 50mV 電壓空間就可運行。無 DC 負載時,可用不到 2.6V 的電源給一個 2.5V 基準供電,或者在有很重的 DC 負載電流時,可用不到 3V 的電源供電。在電壓調節誤差低於 1ppm/V 和紋波抑製非常出色的情況下,電源範圍可擴展到 40V,從而能夠靈活地用幾乎任何可用電源給基準供電,這與齊納基準相比是一個突出的不同之處。
就像大多數淩力爾特最近推出的電壓基準產品一樣,LT6657 隨頻率變化呈現了很低的輸出阻抗。這減輕了負載隨頻率變化的影響,有助於防止負載端的信號反饋給基準並引起幹擾、誤差或噪聲。當驅動高性能模數轉換器 (ADC) 或需要成功通過諸如汽車係統中的大電流注入等運行測試時,這個優點對基準穩定至關重要。此外,LT6657 專為驅動大輸出電容而設計。鑒於許多高性能 ADC 在zai采cai樣yang期qi間jian從cong電dian壓ya基ji準zhun吸xi收shou大da的de電dian荷he注zhu入ru電dian流liu,因yin此ci把ba快kuai速su穩wen定ding和he通tong過guo設she計ji以yi在zai驅qu動dong一yi個ge大da的de電dian荷he儲chu存cun電dian容rong器qi時shi保bao持chi穩wen定ding之zhi能neng力li組zu合he起qi來lai,使shi該gai電dian壓ya基ji準zhun在zai最zui大da限xian度du發fa揮hui高gao動dong態tai範fan圍wei轉zhuan換huan器qi之zhi最zui佳jia性xing能neng方fang麵mian擁yong有you了le一yi項xiang優you勢shi。
LT6657 還具備充足的驅動能力,可提供和吸收高達 10mA 負載電流,且負載調節誤差低於每毫安 1ppm。這種負載驅動能力使 LT6657 能夠偏置各種傳感器、驅動難以驅動的 ADC 基準輸入、驅動多個 ADC 和 DAC,或(huo)者(zhe)以(yi)基(ji)準(zhun)級(ji)精(jing)確(que)度(du)給(gei)小(xiao)型(xing)子(zi)係(xi)統(tong)供(gong)電(dian)。這(zhe)種(zhong)很(hen)少(shao)被(bei)利(li)用(yong)的(de)能(neng)力(li)可(ke)幫(bang)助(zhu)係(xi)統(tong)設(she)計(ji)師(shi)在(zai)一(yi)些(xie)小(xiao)型(xing)數(shu)據(ju)采(cai)集(ji)係(xi)統(tong)中(zhong)合(he)並(bing)電(dian)源(yuan)和(he)基(ji)準(zhun)功(gong)能(neng),充(chong)分(fen)利(li)用(yong)電(dian)路(lu)板(ban)麵(mian)積(ji)和(he)功(gong)耗(hao)。ADC 或 DAC 的電源和基準使用相同的電壓是比較理想的情況,另外 LT6657 的小型 MSOP 封裝也進一步節省了空間。此外,LT6657 包括電流和過熱保護,以避免在故障情況下由於過載而損壞。
最後,LT6657 可作為並聯基準運行。並聯模式運行的一個好處是,能夠實現負壓基準。並聯模式運行還允許 LT6657 用非常高的電源電壓工作,或者以最低壓差電壓運行。圖 4 顯示了 LT6657 的正並聯配置。

圖 4:LT6657 的並聯模式配置
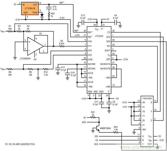
圖 5 顯示,LT6657 用於低噪聲、精確的 20 位 ADC 應用。在這種情況下,LT6657 的低噪聲、低溫度漂移和高穩定性允許使用高精確度 ADC,例如性能更高的 LTC2378-20,但不會像較舊的掩埋齊納解決方案那樣增大了所需電路板麵積和電源電壓空間。

圖 5:低噪聲、精確的 20 位模數轉換器應用
總之,LT6657 提供高精確度、低噪聲和高穩定性,該器件還具備很多優點,這些優點使得 LT6657 具備很高的靈活性。該器件的眾多優點使係統設計能夠提高功率和電路板麵積利用率、與多種電源電壓和環境條件兼容並能夠實現最高的精確度、穩定性和最大的動態範圍。這個突破性電壓基準的眾多優點和高性能與高製造質量相結合,使該器件能夠適應很多應用電路。
推薦閱讀:
特別推薦
- 噪聲中提取真值!瑞盟科技推出MSA2240電流檢測芯片賦能多元高端測量場景
- 10MHz高頻運行!氮矽科技發布集成驅動GaN芯片,助力電源能效再攀新高
- 失真度僅0.002%!力芯微推出超低內阻、超低失真4PST模擬開關
- 一“芯”雙電!聖邦微電子發布雙輸出電源芯片,簡化AFE與音頻設計
- 一機適配萬端:金升陽推出1200W可編程電源,賦能高端裝備製造
技術文章更多>>
- 從機械執行到智能互動:移遠Q-Robotbox助力具身智能加速落地
- 品英Pickering將亮相2026航空電子國際論壇,展示航電與電池測試前沿方案
- 模擬芯片設計師的噩夢:晶體管差1毫伏就廢了,溫度升1度特性全飄
- 3A大電流僅需3x1.6mm?意法半導體DCP3603重新定義電源設計
- 芯科科技Tech Talks與藍牙亞洲大會聯動,線上線下賦能物聯網創新
技術白皮書下載更多>>
- 車規與基於V2X的車輛協同主動避撞技術展望
- 數字隔離助力新能源汽車安全隔離的新挑戰
- 汽車模塊拋負載的解決方案
- 車用連接器的安全創新應用
- Melexis Actuators Business Unit
- Position / Current Sensors - Triaxis Hall
熱門搜索
按鈕開關
白色家電
保護器件
保險絲管
北鬥定位
北高智
貝能科技
背板連接器
背光器件
編碼器型號
便攜產品
便攜醫療
變容二極管
變壓器
檳城電子
並網
撥動開關
玻璃釉電容
剝線機
薄膜電容
薄膜電阻
薄膜開關
捕魚器
步進電機
測力傳感器
測試測量
測試設備
拆解
場效應管
超霸科技



