油氣田中氣體流量傳感器的應用
發布時間:2018-09-25 責任編輯:wenwei
【導讀】對於在油氣田中氣體流量傳感器的應用,工釆網提供了FS5001B係列氣體流量傳感器是專門為各類小流量氣體的測量和過程控製而設計的。這一係列傳感器均采用本公司自主研發的微機電係統(MEMS)流量傳感器芯片來製作,適用於各類清潔、幹燥氣體。
油氣田是指受單一局部構造單位所控製的同一麵積內的油藏、氣藏、油氣藏的總和。如果在這個局部構造範圍內隻有油藏,稱為油田;隻有氣藏,稱為氣田。但是油氣聚集的場所一般不是油氣生成的地方,油氣藏是油氣經過運移、jujicaixingchengde。youqitianshiyouqixianzaijujidechangsuo。shiyouhetianranqizhisuoyinenggoujujiqilai,shiyouyuzhelishoujubugouzaodanweikongzhi,xingchenglegezhongquanbi。

這類局部構造單位可以是穹隆、背斜、單斜、刺穿構造等等,在它們所控製的範圍內往往伴生多種圈閉,從而形成多種油氣藏。這些受同一局部構造單位控製的麵積內油藏、氣藏的總稱,就是一個油氣田。
如(ru)果(guo)說(shuo)油(you)藏(zang)是(shi)勘(kan)探(tan)是(shi)尋(xun)找(zhao)原(yuan)料(liao),油(you)田(tian)開(kai)發(fa)和(he)采(cai)油(you)是(shi)提(ti)供(gong)原(yuan)料(liao)那(na)麼(me)集(ji)氣(qi)站(zhan)的(de)功(gong)能(neng)是(shi)收(shou)集(ji)氣(qi)井(jing)的(de)天(tian)然(ran)氣(qi),對(dui)收(shou)集(ji)的(de)天(tian)然(ran)氣(qi)進(jin)行(xing)氣(qi)液(ye)分(fen)離(li)處(chu)理(li)後(hou),處(chu)理(li)後(hou)分(fen)別(bie)對(dui)氣(qi)液(ye)進(jin)行(xing)計(ji)量(liang);分離出的天然氣需進行壓力控製,使之滿足集氣管線的輸送壓力要求。為此集氣站的工藝流程通常為集氣、分離、計量、清管等。
為了提高油田計量的準確性,氣田集氣站都采用氣體流量傳感器來計算油田計量,氣體流量傳感器主要由殼體、前導向架、葉輪、後導向架、壓緊圈和帶放大器的磁電感應轉換器等組成,吸取國內外先進技術進行設計,綜合氣體動力學、流體力學、電磁學等理論而自行研製開發的新一代高精度、高可靠性的緊密氣體流量傳感器,具有出色的低壓和高壓計量性能,多種信號輸出方式以及對流體擾動的低敏感性,廣泛適用於天然氣、煤製氣、液化氣、輕烴氣等氣體的計量。
氣(qi)體(ti)流(liu)量(liang)傳(chuan)感(gan)器(qi)工(gong)作(zuo)原(yuan)理(li)當(dang)被(bei)測(ce)流(liu)體(ti)流(liu)經(jing)傳(chuan)感(gan)器(qi)時(shi),傳(chuan)感(gan)器(qi)內(nei)的(de)葉(ye)輪(lun)借(jie)助(zhu)於(yu)流(liu)體(ti)的(de)動(dong)能(neng)而(er)產(chan)生(sheng)旋(xuan)轉(zhuan),葉(ye)輪(lun)即(ji)周(zhou)期(qi)性(xing)地(di)改(gai)變(bian)磁(ci)電(dian)感(gan)應(ying)係(xi)統(tong)中(zhong)的(de)磁(ci)電(dian)阻(zu),使(shi)通(tong)過(guo)線(xian)圈(quan)的(de)磁(ci)通(tong)量(liang)周(zhou)期(qi)性(xing)地(di)發(fa)生(sheng)變(bian)化(hua)而(er)產(chan)生(sheng)電(dian)脈(mai)衝(chong)信(xin)號(hao),經(jing)放(fang)大(da)器(qi)放(fang)大(da)後(hou)傳(chuan)送(song)至(zhi)相(xiang)應(ying)的(de)流(liu)量(liang)積(ji)算(suan)儀(yi)表(biao),進(jin)行(xing)流(liu)量(liang)或(huo)總(zong)量(liang)的(de)測(ce)量(liang)。

因而對於在油氣田中氣體流量傳感器的應用工釆網提供了FS5001B係列氣體流量傳感器是專門為各類小流量氣體的測量和過程控製而設計的。這一係列傳感器均采用本公司自主研發的微機電係統(MEMS)流量傳感器芯片來製作,適用於各類清潔、幹燥氣體。傳感器采用標貼式安裝,使安裝尺寸更加緊湊,可以很容易的實現在小空間內的多傳感器集成。
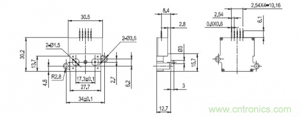
FS5001B係列氣體流量傳感器機械尺寸

FS5001B係列氣體流量傳感器技術參數

FS5001B係列氣體流量傳感器產品選型

推薦閱讀:
特別推薦
- 噪聲中提取真值!瑞盟科技推出MSA2240電流檢測芯片賦能多元高端測量場景
- 10MHz高頻運行!氮矽科技發布集成驅動GaN芯片,助力電源能效再攀新高
- 失真度僅0.002%!力芯微推出超低內阻、超低失真4PST模擬開關
- 一“芯”雙電!聖邦微電子發布雙輸出電源芯片,簡化AFE與音頻設計
- 一機適配萬端:金升陽推出1200W可編程電源,賦能高端裝備製造
技術文章更多>>
- 從機械執行到智能互動:移遠Q-Robotbox助力具身智能加速落地
- 品英Pickering將亮相2026航空電子國際論壇,展示航電與電池測試前沿方案
- 模擬芯片設計師的噩夢:晶體管差1毫伏就廢了,溫度升1度特性全飄
- 3A大電流僅需3x1.6mm?意法半導體DCP3603重新定義電源設計
- 芯科科技Tech Talks與藍牙亞洲大會聯動,線上線下賦能物聯網創新
技術白皮書下載更多>>
- 車規與基於V2X的車輛協同主動避撞技術展望
- 數字隔離助力新能源汽車安全隔離的新挑戰
- 汽車模塊拋負載的解決方案
- 車用連接器的安全創新應用
- Melexis Actuators Business Unit
- Position / Current Sensors - Triaxis Hall
熱門搜索
按鈕開關
白色家電
保護器件
保險絲管
北鬥定位
北高智
貝能科技
背板連接器
背光器件
編碼器型號
便攜產品
便攜醫療
變容二極管
變壓器
檳城電子
並網
撥動開關
玻璃釉電容
剝線機
薄膜電容
薄膜電阻
薄膜開關
捕魚器
步進電機
測力傳感器
測試測量
測試設備
拆解
場效應管
超霸科技


